Cruze
   
GMDE Start Page Load static TOC Load dynamic TOC Help?
g305


            |                         |            
2203171RU.png


Display graphic

Display graphic

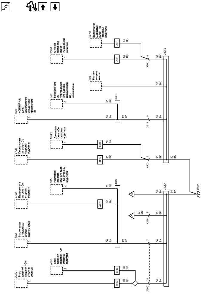
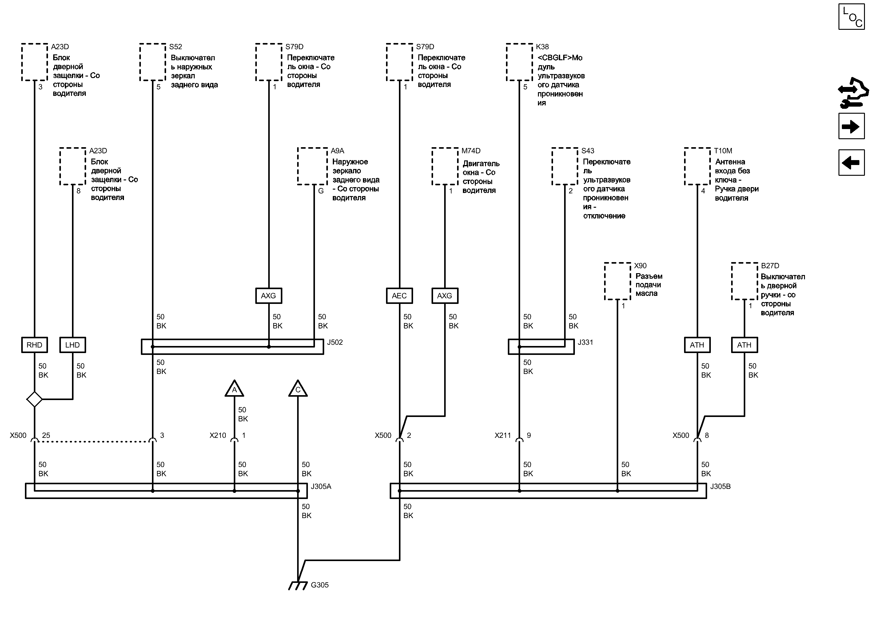
Компоненты
a9aНаружное зеркало заднего вида - Со стороны водителяs43Переключатель ультразвукового датчика проникновения - отключение
a23dБлок дверной защелки - Со стороны водителяs52Выключатель наружных зеркал заднего вида
b27dВыключатель дверной ручки - со стороны водителяs79dПереключатель окна - Со стороны водителя
k38<cbglf>Модуль ультразвукового датчика проникновенияt10mАнтенна входа без ключа - Ручка двери водителя
m74dДвигатель окна - Со стороны водителяx90Разъем подачи масла
Разъемы
j305aСоединение с виртуальной "землей"x210Жгут проводов кузова и жгут проводов крыши
j305bСоединение с виртуальной "землей"x211Жгут проводов кузова и жгут проводов крыши
j331Жгут проводов крышиx500Жгут проводов кузова и жгут проводов двери водителя
j502Жгут проводов двери водителя
Точки соединения с массой
g305Передняя стойка, левая
Сокращения
aecСТЕКЛО С МЕХАНИЧЕСКИМ ПРИВОДОМ - СО СТОРОНЫ ВОДИТЕЛЯ - СРОЧНО ВНИЗlhdЛевостороннее управление
athУПРАВЛЕНИЕ ЗАМКОМ ВХОДА, ДИСТАНЦИОННЫЙ ВХОД, РАСШИРЕННЫЙ ДИАПАЗОН, ПАССИВНЫЙ ВХОДrhdПравостороннее управление
axgСТЕКЛО С МЕХАНИЧЕСКИМ ПРИВОДОМ - СО СТОРОНЫ ВОДИТЕЛЯ - СРОЧНО ВВЕРХ/ВНИЗ
Цветовые коды
bkЧерный
G305 Передняя стойка, левая

Расположение деталей (узлов) Трехмерная схема жгутов
Внешний вид разъема и ремонт
Масса
BK Черный
BK Черный
X210 Жгут проводов кузова и жгут проводов крыши

Расположение деталей (узлов) Трехмерная схема жгутов
Внешний вид разъема и ремонт Вилка
1
BK Черный
X500 Жгут проводов кузова и жгут проводов двери водителя

Расположение деталей (узлов) Трехмерная схема жгутов Левостороннее управление
Расположение деталей (узлов) Трехмерная схема жгутов Правостороннее управление
Внешний вид разъема и ремонт Вилка Левостороннее управление
Внешний вид разъема и ремонт Вилка Правостороннее управление
Внешний вид разъема и ремонт Гнездо
25
3
BK Черный
Правостороннее управление
BK Черный
Левостороннее управление
BK Черный
8
X500 Жгут проводов кузова и жгут проводов двери водителя

Расположение деталей (узлов) Трехмерная схема жгутов Левостороннее управление
Расположение деталей (узлов) Трехмерная схема жгутов Правостороннее управление
Внешний вид разъема и ремонт Вилка Левостороннее управление
Внешний вид разъема и ремонт Вилка Правостороннее управление
Внешний вид разъема и ремонт Гнездо
2
1
1
BK Черный
3
BK Черный
BK Черный
5
BK Черный
5
BK Черный
2
BK Черный
G
BK Черный
1
X211 Жгут проводов кузова и жгут проводов крыши

Расположение деталей (узлов) Трехмерная схема жгутов
Внешний вид разъема и ремонт Вилка
Внешний вид разъема и ремонт Гнездо
9
BK Черный
1
BK Черный
4
1
X500 Жгут проводов кузова и жгут проводов двери водителя

Расположение деталей (узлов) Трехмерная схема жгутов Левостороннее управление
Расположение деталей (узлов) Трехмерная схема жгутов Правостороннее управление
Внешний вид разъема и ремонт Вилка Левостороннее управление
Внешний вид разъема и ремонт Вилка Правостороннее управление
Внешний вид разъема и ремонт Гнездо
8
BK Черный
BK Черный
A

A
C

C
BK Черный
J305B Соединение с виртуальной "землей"
J331 Жгут проводов крыши
J502 Жгут проводов двери водителя
J305A Соединение с виртуальной "землей"
T10M Антенна входа без ключа - Ручка двери водителя

Расположение деталей (узлов) Трехмерная схема жгутов Левостороннее управление
Расположение деталей (узлов) Трехмерная схема жгутов Правостороннее управление
Внешний вид разъема и ремонт
Электрическая схема Выключатели ручек и замков Контакт 4
B27D Выключатель дверной ручки - со стороны водителя

Расположение деталей (узлов) Трехмерная схема жгутов Левостороннее управление
Расположение деталей (узлов) Трехмерная схема жгутов Правостороннее управление
Внешний вид разъема и ремонт
Электрическая схема Выключатели ручек и замков Контакт 1
X90 Разъем подачи масла

Внешний вид разъема и ремонт
S79D Переключатель окна - Со стороны водителя

Расположение деталей (узлов) Трехмерная схема жгутов Левостороннее управление
Расположение деталей (узлов) Трехмерная схема жгутов Правостороннее управление
Внешний вид разъема и ремонт СТЕКЛО С МЕХАНИЧЕСКИМ ПРИВОДОМ - СО СТОРОНЫ ВОДИТЕЛЯ - СРОЧНО ВВЕРХ/ВНИЗ
Внешний вид разъема и ремонт СТЕКЛО С МЕХАНИЧЕСКИМ ПРИВОДОМ - СО СТОРОНЫ ВОДИТЕЛЯ - СРОЧНО ВНИЗ
Электрическая схема Стеклоподъемники - дверь водителя СТЕКЛО С МЕХАНИЧЕСКИМ ПРИВОДОМ - СО СТОРОНЫ ВОДИТЕЛЯ - СРОЧНО ВВЕРХ/ВНИЗ Контакт 1
Электрическая схема Стеклоподъемники - дверь водителя СТЕКЛО С МЕХАНИЧЕСКИМ ПРИВОДОМ - СО СТОРОНЫ ВОДИТЕЛЯ - СРОЧНО ВНИЗ Контакт 1
A9A Наружное зеркало заднего вида - Со стороны водителя

Расположение деталей (узлов) Трехмерная схема жгутов Левостороннее управление
Расположение деталей (узлов) Трехмерная схема жгутов Правостороннее управление
Внешний вид разъема и ремонт
Электрическая схема Обогреваемые наружные зеркала Контакт G
K38 Модуль ультразвукового датчика проникновения

Внешний вид разъема и ремонт
Электрическая схема Противоугонная сигнализация Контакт 5
S43 Переключатель ультразвукового датчика проникновения - отключение

Внешний вид разъема и ремонт
Электрическая схема Лампы освещения, кузов Контакт 2
Электрическая схема Противоугонная сигнализация Контакт 2
S52 Выключатель наружных зеркал заднего вида

Расположение деталей (узлов) Трехмерная схема жгутов Левостороннее управление
Расположение деталей (узлов) Трехмерная схема жгутов Правостороннее управление
Внешний вид разъема и ремонт
Электрическая схема Лампы освещения, кузов Контакт 5
Электрическая схема Наружное зеркало заднего вида Контакт 5
M74D Двигатель окна - Со стороны водителя

Расположение деталей (узлов) Трехмерная схема жгутов Левостороннее управление
Расположение деталей (узлов) Трехмерная схема жгутов Правостороннее управление
Внешний вид разъема и ремонт СТЕКЛО С МЕХАНИЧЕСКИМ ПРИВОДОМ - СО СТОРОНЫ ВОДИТЕЛЯ - СРОЧНО ВВЕРХ/ВНИЗ
Внешний вид разъема и ремонт СТЕКЛО С МЕХАНИЧЕСКИМ ПРИВОДОМ - СО СТОРОНЫ ВОДИТЕЛЯ - СРОЧНО ВНИЗ
Электрическая схема Стеклоподъемники - дверь водителя СТЕКЛО С МЕХАНИЧЕСКИМ ПРИВОДОМ - СО СТОРОНЫ ВОДИТЕЛЯ - СРОЧНО ВВЕРХ/ВНИЗ Контакт 1
S79D Переключатель окна - Со стороны водителя

Расположение деталей (узлов) Трехмерная схема жгутов Левостороннее управление
Расположение деталей (узлов) Трехмерная схема жгутов Правостороннее управление
Внешний вид разъема и ремонт СТЕКЛО С МЕХАНИЧЕСКИМ ПРИВОДОМ - СО СТОРОНЫ ВОДИТЕЛЯ - СРОЧНО ВВЕРХ/ВНИЗ
Внешний вид разъема и ремонт СТЕКЛО С МЕХАНИЧЕСКИМ ПРИВОДОМ - СО СТОРОНЫ ВОДИТЕЛЯ - СРОЧНО ВНИЗ
Электрическая схема Стеклоподъемники - дверь водителя СТЕКЛО С МЕХАНИЧЕСКИМ ПРИВОДОМ - СО СТОРОНЫ ВОДИТЕЛЯ - СРОЧНО ВВЕРХ/ВНИЗ Контакт 1
Электрическая схема Стеклоподъемники - дверь водителя СТЕКЛО С МЕХАНИЧЕСКИМ ПРИВОДОМ - СО СТОРОНЫ ВОДИТЕЛЯ - СРОЧНО ВНИЗ Контакт 1
A23D Блок дверной защелки - Со стороны водителя

Внешний вид разъема и ремонт
Электрическая схема Исполнительные ораны - срабатывание/освобождение защелки УПРАВЛЕНИЕ ЗАМКОМ ВХОДА, ДИСТАНЦИОННЫЙ ВХОД, РАСШИРЕННЫЙ ДИАПАЗОН, ПАССИВНЫЙ ВХОД Левостороннее управление Контакт 8
Электрическая схема Исполнительные органы - Двери и крышка топливного бака БЕЗ УПРАВЛЕНИЯ ЗАМКОМ БОКОВОЙ ДВЕРИ, ПРОТИВОУГОННАЯ ЗАЩИТА Правостороннее управление Контакт 8
Электрическая схема Исполнительные органы - Двери и крышка топливного бака УПРАВЛЕНИЕ ЗАМКОМ БОКОВОЙ ДВЕРИ, ПРОТИВОУГОННАЯ ЗАЩИТА. СТРАНЫ - КРОМЕ СЕВЕРНОЙ АМЕРИКИ Правостороннее управление Контакт 8
Электрическая схема Дверные защелки Контакт 8
Электрическая схема Переключатели "дверь открыта", спереди Левостороннее управление Контакт 8
A23D Блок дверной защелки - Со стороны водителя

Внешний вид разъема и ремонт
Электрическая схема Исполнительные ораны - срабатывание/освобождение защелки УПРАВЛЕНИЕ ЗАМКОМ ВХОДА, ДИСТАНЦИОННЫЙ ВХОД, РАСШИРЕННЫЙ ДИАПАЗОН, ПАССИВНЫЙ ВХОД Правостороннее управление Контакт 3
Электрическая схема Исполнительные органы - Двери и крышка топливного бака БЕЗ УПРАВЛЕНИЯ ЗАМКОМ БОКОВОЙ ДВЕРИ, ПРОТИВОУГОННАЯ ЗАЩИТА Левостороннее управление Контакт 3
Электрическая схема Исполнительные органы - Двери и крышка топливного бака УПРАВЛЕНИЕ ЗАМКОМ БОКОВОЙ ДВЕРИ, ПРОТИВОУГОННАЯ ЗАЩИТА. СТРАНЫ - КРОМЕ СЕВЕРНОЙ АМЕРИКИ Левостороннее управление Контакт 3
Электрическая схема Дверные защелки Контакт 3
Электрическая схема Переключатели "дверь открыта", спереди Правостороннее управление Контакт 3
BK Черный
СТЕКЛО С МЕХАНИЧЕСКИМ ПРИВОДОМ - СО СТОРОНЫ ВОДИТЕЛЯ - СРОЧНО ВВЕРХ/ВНИЗ
BK Черный
СТЕКЛО С МЕХАНИЧЕСКИМ ПРИВОДОМ - СО СТОРОНЫ ВОДИТЕЛЯ - СРОЧНО ВВЕРХ/ВНИЗ
BK Черный (ДВИГАТЕЛЬ БЕНЗИНОВЫЙ, 4 ЦИЛ., 1.6 Л, MFI, DOHC, PT-JV, РЕГУЛИРУЕМЫЕ Ф...
СТЕКЛО С МЕХАНИЧЕСКИМ ПРИВОДОМ - СО СТОРОНЫ ВОДИТЕЛЯ - СРОЧНО ВНИЗ
BK Черный
УПРАВЛЕНИЕ ЗАМКОМ ВХОДА, ДИСТАНЦИОННЫЙ ВХОД, РАСШИРЕННЫЙ ДИАПАЗОН, ПАССИВНЫЙ ВХО...
BK Черный
УПРАВЛЕНИЕ ЗАМКОМ ВХОДА, ДИСТАНЦИОННЫЙ ВХОД, РАСШИРЕННЫЙ ДИАПАЗОН, ПАССИВНЫЙ ВХО...
BK Черный
G203

G203
Справочные данные по контроллерам

Справочные данные по контроллерам
G120 и G307

G120 и G307
Перечень основных электрических компонентов

Перечень основных электрических компонентов
   


https://vnx.su/ 🛠 Руководства по ремонту и эксплуатации для автомобилей

Поиск по сайту

Остались вопросы или пожелания? Пишите на почту: support@vnx.su

Карта Сайта