Cruze
   
GMDE Start Page Load static TOC Load dynamic TOC Help?
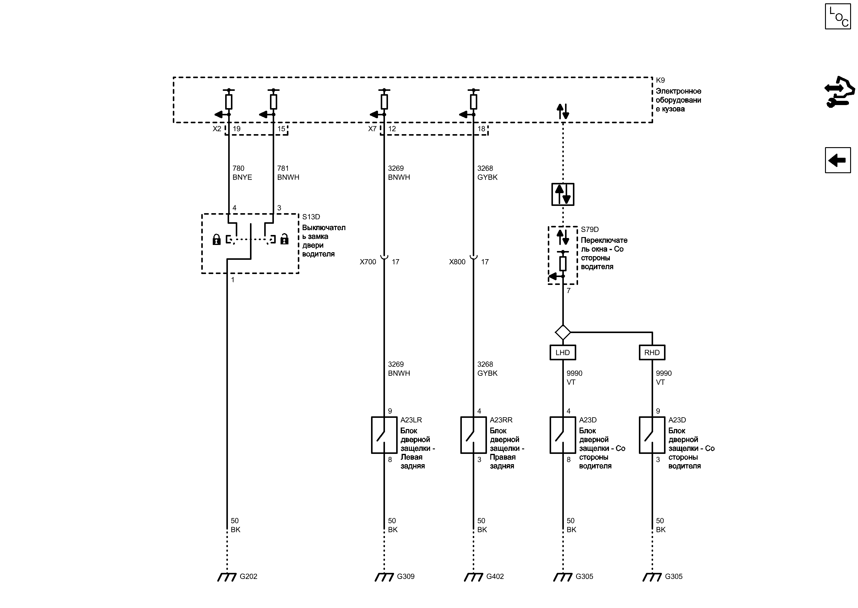
Дверные защелки


            |                         |            
2202854RU.png


Display graphic

Display graphic

Компоненты
a23dБлок дверной защелки - Со стороны водителяk9Электронное оборудование кузова
a23lrБлок дверной защелки - Левая задняяs13dВыключатель замка двери водителя
a23rrБлок дверной защелки - Правая задняяs79dПереключатель окна - Со стороны водителя
Разъемы
k9 (x2)Электронное оборудование кузова x2x700Жгут проводов кузова и жгут проводов левой задней двери
k9 (x7)Электронное оборудование кузова x7x800Жгут проводов кузова и жгут проводов правой задней двери
Точки соединения с массой
g202Поперечина, панель приборов - позади аудиосистемыg309Задняя панель, левая
g305Передняя стойка, леваяg402Задняя панель, правая
Сокращения
fsdcФункциональный обмен последовательными даннымиrhdПравостороннее управление
lhdЛевостороннее управление
Цветовые коды
bkЧерныйgybkСерый-Черный
bnwhКоричневый\БелыйvtФиолетовый
bnyeКоричневый-Желтый
G202 Поперечина, панель приборов - позади аудиосистемы

Расположение деталей (узлов) Трехмерная схема жгутов
Внешний вид разъема и ремонт Левостороннее управление
Внешний вид разъема и ремонт Правостороннее управление
Электрическая схема G202
15
G309 Задняя панель, левая

Расположение деталей (узлов) Трехмерная схема жгутов
Внешний вид разъема и ремонт
Электрическая схема G309
Масса
BK Черный
8
9
X7 Электронное оборудование кузова X7

Расположение деталей (узлов) Трехмерная схема жгутов
12
Сигнал отпирания выключателя замка двери водителя
BNWH Коричневый\Белый
X2 Электронное оборудование кузова X2

Расположение деталей (узлов) Трехмерная схема жгутов
19
Сигнал запирания выключателя замка двери водителя
BNYE Коричневый-Желтый
1
3
4
Масса
BK Черный
X700 Жгут проводов кузова и жгут проводов левой задней двери

Расположение деталей (узлов) Трехмерная схема жгутов
Внешний вид разъема и ремонт Вилка
Внешний вид разъема и ремонт Гнездо
17
Сигнал статуса двигателя блокировки от детей - левый задний
BNWH Коричневый\Белый
BNWH Коричневый\Белый
4
X800 Жгут проводов кузова и жгут проводов правой задней двери

Расположение деталей (узлов) Трехмерная схема жгутов
Внешний вид разъема и ремонт Вилка
Внешний вид разъема и ремонт Гнездо
17
Сигнал статуса двигателя блокировки от детей - правый задний
GYBK Серый-Черный
3
18
GYBK Серый-Черный
G402 Задняя панель, правая

Расположение деталей (узлов) Трехмерная схема жгутов СТРАНЫ - КРОМЕ СЕВЕРНОЙ АМЕРИКИ
Внешний вид разъема и ремонт
Электрическая схема G402
Масса
BK Черный
4
8
7
-
9
3
Левостороннее управление
VT Фиолетовый
Правостороннее управление
VT Фиолетовый
Функциональный обмен последовательными данными
G305 Передняя стойка, левая

Расположение деталей (узлов) Трехмерная схема жгутов
Внешний вид разъема и ремонт
Электрическая схема G305
Масса
BK Черный
G305 Передняя стойка, левая

Расположение деталей (узлов) Трехмерная схема жгутов
Внешний вид разъема и ремонт
Электрическая схема G305
Масса
BK Черный
A23D Блок дверной защелки - Со стороны водителя

Внешний вид разъема и ремонт
S79D Переключатель окна - Со стороны водителя

Расположение деталей (узлов) Трехмерная схема жгутов Левостороннее управление
Расположение деталей (узлов) Трехмерная схема жгутов Правостороннее управление
Внешний вид разъема и ремонт СТЕКЛО С МЕХАНИЧЕСКИМ ПРИВОДОМ - СО СТОРОНЫ ВОДИТЕЛЯ - СРОЧНО ВВЕРХ/ВНИЗ
Внешний вид разъема и ремонт СТЕКЛО С МЕХАНИЧЕСКИМ ПРИВОДОМ - СО СТОРОНЫ ВОДИТЕЛЯ - СРОЧНО ВНИЗ
A23D Блок дверной защелки - Со стороны водителя

Внешний вид разъема и ремонт
A23RR Блок дверной защелки - Правая задняя

Внешний вид разъема и ремонт
S13D Выключатель замка двери водителя

Внешний вид разъема и ремонт
A23LR Блок дверной защелки - Левая задняя

Внешний вид разъема и ремонт
K9 Электронное оборудование кузова

Расположение деталей (узлов) Трехмерная схема жгутов
Последовательные данные
Сигнал
Сигнал
Сигнал
Сигнал
Последовательные данные
Сигнал
Переключатели "дверь открыта" - задние и багажный отсек

Переключатели "дверь открыта" - задние и багажный отсек
Справочные данные по контроллерам

Справочные данные по контроллерам
Перечень основных электрических компонентов

Перечень основных электрических компонентов
   


https://vnx.su/ 🛠 Руководства по ремонту и эксплуатации для автомобилей

Поиск по сайту

Остались вопросы или пожелания? Пишите на почту: support@vnx.su

Карта Сайта