Cruze
   
GMDE Start Page Load static TOC Load dynamic TOC Help?
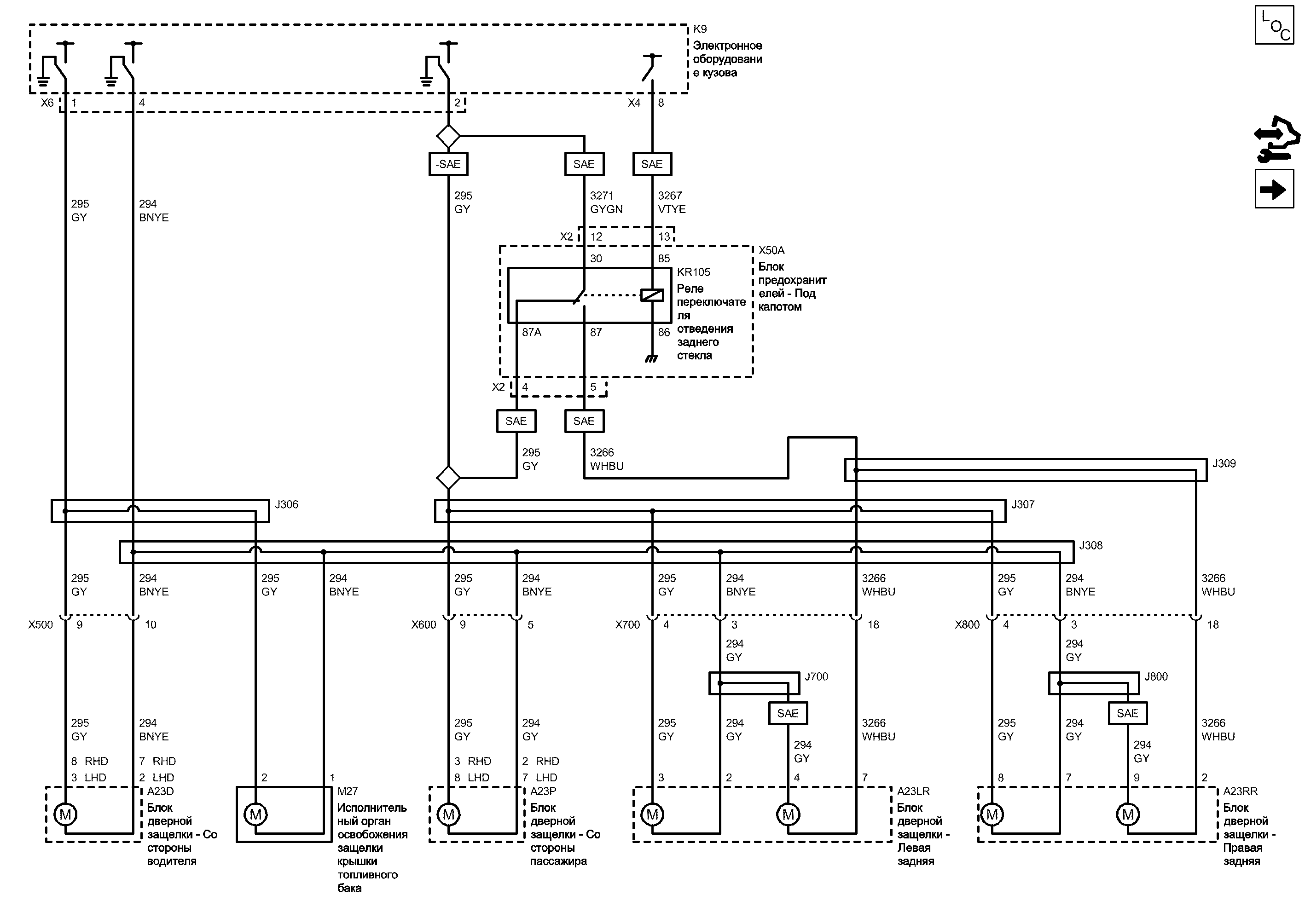
Исполнительные органы - Двери и крышка топливного бака (БЕЗ УПРАВЛЕНИЯ ЗАМКОМ БОКОВОЙ ДВЕРИ, ПРОТИВОУГОННАЯ ЗАЩИТА)


            |                         |            
2202846RU.png


Display graphic

Display graphic

Компоненты
a23dБлок дверной защелки - Со стороны водителяk9Электронное оборудование кузова
a23lrБлок дверной защелки - Левая задняяkr105Реле переключателя отведения заднего стекла
a23pБлок дверной защелки - Со стороны пассажираm27Исполнительный орган освобожения защелки крышки топливного бака
a23rrБлок дверной защелки - Правая задняяx50aБлок предохранителей - Под капотом
Разъемы
j306Жгут проводов кузоваk9 (x6)Электронное оборудование кузова x6
j307Жгут проводов кузоваx50a (x2)Блок предохранителей - Под капотом x2
j308Жгут проводов кузоваx500Жгут проводов кузова и жгут проводов двери водителя
j309Жгут проводов кузоваx600Жгут проводов кузова и жгут проводов двери пассажира
j700Жгут проводов левой задней двериx700Жгут проводов кузова и жгут проводов левой задней двери
j800Жгут проводов правой задней двериx800Жгут проводов кузова и жгут проводов правой задней двери
k9 (x4)Электронное оборудование кузова x4
Сокращения
lhdЛевостороннее управлениеsaeСТРАНЫ - СЕВЕРНАЯ АМЕРИКА
rhdПравостороннее управление-saeСТРАНЫ - КРОМЕ СЕВЕРНОЙ АМЕРИКИ
Цветовые коды
bnyeКоричневый-ЖелтыйvtyeФиолетовый-Желтый
gyСерыйwhbuБелый-Синий
gygnСерый-Зеленый
2 (Левостороннее управление)
3 (Левостороннее управление)
10
X500 Жгут проводов кузова и жгут проводов двери водителя

Расположение деталей (узлов) Трехмерная схема жгутов Левостороннее управление
Расположение деталей (узлов) Трехмерная схема жгутов Правостороннее управление
Внешний вид разъема и ремонт Вилка Левостороннее управление
Внешний вид разъема и ремонт Вилка Правостороннее управление
Внешний вид разъема и ремонт Гнездо
9
Управление запиранием исполнительного механизма замка двери
GY Серый
1
2
4
X6 Электронное оборудование кузова X6

Расположение деталей (узлов) Трехмерная схема жгутов
J308 Жгут проводов кузова
Управление отпиранием исполнительного механизма замка двери
BNYE Коричневый-Желтый
GY Серый
1
7 (Левостороннее управление)
X600 Жгут проводов кузова и жгут проводов двери пассажира

Расположение деталей (узлов) Трехмерная схема жгутов Левостороннее управление
Расположение деталей (узлов) Трехмерная схема жгутов Правостороннее управление
Внешний вид разъема и ремонт Вилка Левостороннее управление
Внешний вид разъема и ремонт Вилка Правостороннее управление
Внешний вид разъема и ремонт Гнездо
9
8 (Левостороннее управление)
5
2
J307 Жгут проводов кузова
J306 Жгут проводов кузова
GY Серый
3
2
X700 Жгут проводов кузова и жгут проводов левой задней двери

Расположение деталей (узлов) Трехмерная схема жгутов
Внешний вид разъема и ремонт Вилка
Внешний вид разъема и ремонт Гнездо
4
3
3
X800 Жгут проводов кузова и жгут проводов правой задней двери

Расположение деталей (узлов) Трехмерная схема жгутов
Внешний вид разъема и ремонт Вилка
Внешний вид разъема и ремонт Гнездо
4
7
8
GY Серый
BNYE Коричневый-Желтый
GY Серый
Управление запиранием исполнительного механизма замка двери
GY Серый
GY Серый
GY Серый
GY Серый
GY Серый
GY Серый
СТРАНЫ - КРОМЕ СЕВЕРНОЙ АМЕРИКИ
GY Серый
СТРАНЫ - СЕВЕРНАЯ АМЕРИКА
GYGN Серый-Зеленый
87A
87
30
86
85
12
13
4
5
X2 Блок предохранителей - Под капотом X2

Внешний вид разъема и ремонт
X2 Блок предохранителей - Под капотом X2

Внешний вид разъема и ремонт
8
X4 Электронное оборудование кузова X4

Расположение деталей (узлов) Трехмерная схема жгутов
Релейное управление блокировкой от детей
СТРАНЫ - СЕВЕРНАЯ АМЕРИКА
VTYE Фиолетовый-Желтый
СТРАНЫ - СЕВЕРНАЯ АМЕРИКА
GY Серый
4
7
18
Команда разблокирования для двигателя блокировки от детей
WHBU Белый-Синий
9
2
18
J700 Жгут проводов левой задней двери
GY Серый
СТРАНЫ - СЕВЕРНАЯ АМЕРИКА
GY Серый
J800 Жгут проводов правой задней двери
J309 Жгут проводов кузова
WHBU Белый-Синий
СТРАНЫ - СЕВЕРНАЯ АМЕРИКА
WHBU Белый-Синий
A23RR Блок дверной защелки - Правая задняя

Внешний вид разъема и ремонт
X50A Блок предохранителей - Под капотом

Расположение деталей (узлов) Трехмерная схема жгутов
KR105 Реле переключателя отведения заднего стекла
A23LR Блок дверной защелки - Левая задняя

Внешний вид разъема и ремонт
A23P Блок дверной защелки - Со стороны пассажира

Внешний вид разъема и ремонт
K9 Электронное оборудование кузова

Расположение деталей (узлов) Трехмерная схема жгутов
M27 Исполнительный орган освобожения защелки крышки топливного бака

Расположение деталей (узлов) Трехмерная схема жгутов
Внешний вид разъема и ремонт
A23D Блок дверной защелки - Со стороны водителя

Внешний вид разъема и ремонт
Управление
Управление
Управление
Управление
Масса
8 (Правостороннее управление)
7 (Правостороннее управление)
BNYE Коричневый-Желтый
BNYE Коричневый-Желтый
BNYE Коричневый-Желтый
BNYE Коричневый-Желтый
3 (Правостороннее управление)
2 (Правостороннее управление)
GY Серый
СТРАНЫ - СЕВЕРНАЯ АМЕРИКА
GY Серый
GY Серый
GY Серый
BNYE Коричневый-Желтый
WHBU Белый-Синий
WHBU Белый-Синий
Справочные данные по контроллерам

Справочные данные по контроллерам
Исполнительные органы - Двери и крышка топливного бака

Исполнительные органы - Двери и крышка топливного бака
Перечень основных электрических компонентов

Перечень основных электрических компонентов
   


https://vnx.su/ 🛠 Руководства по ремонту и эксплуатации для автомобилей

Поиск по сайту

Остались вопросы или пожелания? Пишите на почту: support@vnx.su

Карта Сайта