Cruze
   
GMDE Start Page Load static TOC Load dynamic TOC Help?
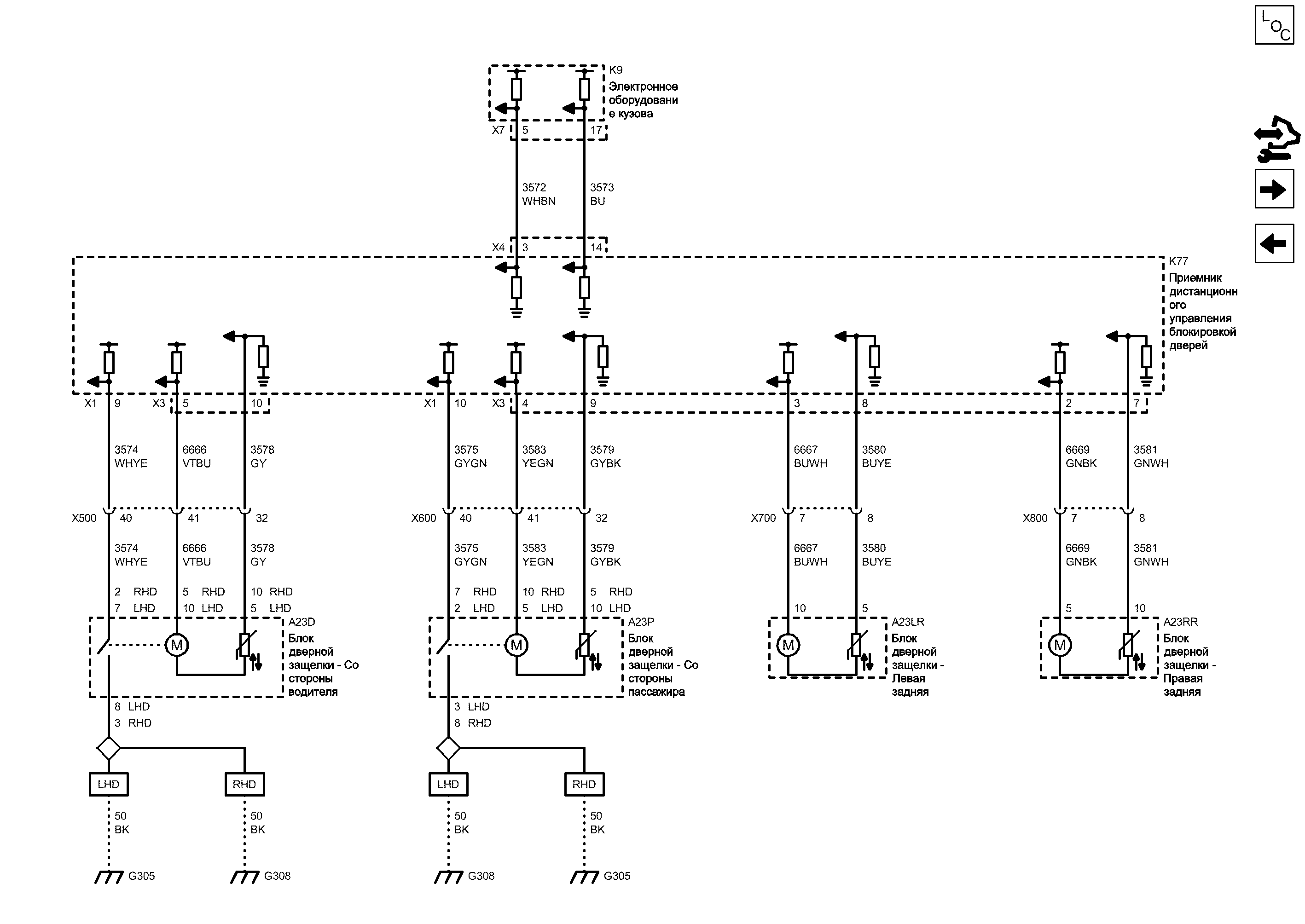
Исполнительные ораны - срабатывание/освобождение защелки (УПРАВЛЕНИЕ ЗАМКОМ ВХОДА, ДИСТАНЦИОННЫЙ ВХОД, РАСШИРЕННЫЙ ДИАПАЗОН, ПАССИВНЫЙ ВХОД)


            |                         |            
2202849RU.png


Display graphic

Display graphic

Компоненты
a23dБлок дверной защелки - Со стороны водителяa23rrБлок дверной защелки - Правая задняя
a23lrБлок дверной защелки - Левая задняяk9Электронное оборудование кузова
a23pБлок дверной защелки - Со стороны пассажираk77Приемник дистанционного управления блокировкой дверей
Разъемы
k9 (x7)Электронное оборудование кузова x7x500Жгут проводов кузова и жгут проводов двери водителя
k77 (x1)Приемник дистанционного управления блокировкой дверей x1x600Жгут проводов кузова и жгут проводов двери пассажира
k77 (x3)Приемник дистанционного управления блокировкой дверей x3x700Жгут проводов кузова и жгут проводов левой задней двери
k77 (x4)Приемник дистанционного управления блокировкой дверей x4x800Жгут проводов кузова и жгут проводов правой задней двери
Точки соединения с массой
g305Передняя стойка, леваяg308Передняя стойка, правая
Сокращения
lhdЛевостороннее управлениеrhdПравостороннее управление
Цветовые коды
bkЧерныйgybkСерый-Черный
buСинийgygnСерый-Зеленый
buwhСиний-БелыйvtbuФиолетовый-Синий
buyeСиний-ЖелтыйwhbnБелый-Коричневый
gnbkЗеленый-ЧерныйwhyeБелый-Желтый
gnwhЗеленый-БелыйyegnЖелтый-Зеленый
gyСерый
9
X3 Приемник дистанционного управления блокировкой дверей X3

Расположение деталей (узлов) Трехмерная схема жгутов
Внешний вид разъема и ремонт
X500 Жгут проводов кузова и жгут проводов двери водителя

Расположение деталей (узлов) Трехмерная схема жгутов Левостороннее управление
Расположение деталей (узлов) Трехмерная схема жгутов Правостороннее управление
Внешний вид разъема и ремонт Вилка Левостороннее управление
Внешний вид разъема и ремонт Вилка Правостороннее управление
Внешний вид разъема и ремонт Гнездо
40
Сигнал переключателя двери водителя - открыть
WHYE Белый-Желтый
10 (Левостороннее управление)
5 (Левостороннее управление)
41
5
32
10
Подтверждение освобождения защелки от электродвигателя освобождения защелки двер...
GY Серый
Команда освобождения защелки для электродвигателя освобождения защелки двери вод...
VTBU Фиолетовый-Синий
X1 Приемник дистанционного управления блокировкой дверей X1

Расположение деталей (узлов) Трехмерная схема жгутов
Внешний вид разъема и ремонт
Комкнда освобождения защелки для электродвигателя освобождения защелки двери сме...
YEGN Желтый-Зеленый
Подтверждение освобождения защелки от электродвигателя освобождения защелки двер...
GYBK Серый-Черный
Сигнал переключателя двери сменного водителя - открыть
GYGN Серый-Зеленый
X600 Жгут проводов кузова и жгут проводов двери пассажира

Расположение деталей (узлов) Трехмерная схема жгутов Левостороннее управление
Расположение деталей (узлов) Трехмерная схема жгутов Правостороннее управление
Внешний вид разъема и ремонт Вилка Левостороннее управление
Внешний вид разъема и ремонт Вилка Правостороннее управление
Внешний вид разъема и ремонт Гнездо
40
32
41
9
X3 Приемник дистанционного управления блокировкой дверей X3

Расположение деталей (узлов) Трехмерная схема жгутов
Внешний вид разъема и ремонт
10
4
X1 Приемник дистанционного управления блокировкой дверей X1

Расположение деталей (узлов) Трехмерная схема жгутов
Внешний вид разъема и ремонт
X700 Жгут проводов кузова и жгут проводов левой задней двери

Расположение деталей (узлов) Трехмерная схема жгутов
Внешний вид разъема и ремонт Вилка
Внешний вид разъема и ремонт Гнездо
7
10
5
8
3
8
Подтверждение освобождения защелки от электродвигателя освобождения защелки лево...
BUYE Синий-Желтый
Команда "Освобождение защелки" для электродвигателя освобождения защелки левой з...
BUWH Синий-Белый
5
10
8
X800 Жгут проводов кузова и жгут проводов правой задней двери

Расположение деталей (узлов) Трехмерная схема жгутов
Внешний вид разъема и ремонт Вилка
Внешний вид разъема и ремонт Гнездо
7
7
2
Подтверждение освобождения защелки от электродвигателя освобождения защелки прав...
GNWH Зеленый-Белый
Команда "Освобождение защелки" для электродвигателя освобождения защелки правой ...
GNBK Зеленый-Черный
GY Серый
VTBU Фиолетовый-Синий
WHYE Белый-Желтый
10 (Левостороннее управление)
5 (Левостороннее управление)
GYGN Серый-Зеленый
17
5
Команда отпирания двери водителя
WHBN Белый-Коричневый
X7 Электронное оборудование кузова X7

Расположение деталей (узлов) Трехмерная схема жгутов
Команда отпирания двери пассажира
BU Синий
3
X4 Приемник дистанционного управления блокировкой дверей X4

Расположение деталей (узлов) Трехмерная схема жгутов
Внешний вид разъема и ремонт
14
K9 Электронное оборудование кузова

Расположение деталей (узлов) Трехмерная схема жгутов
A23RR Блок дверной защелки - Правая задняя

Внешний вид разъема и ремонт
A23P Блок дверной защелки - Со стороны пассажира

Внешний вид разъема и ремонт
A23LR Блок дверной защелки - Левая задняя

Внешний вид разъема и ремонт
A23D Блок дверной защелки - Со стороны водителя

Внешний вид разъема и ремонт
K77 Приемник дистанционного управления блокировкой дверей

Расположение деталей (узлов) Трехмерная схема жгутов
Сигнал
Сигнал
Сигнал
Сигнал
Сигнал
Сигнал
Сигнал
Сигнал
Сигнал
Сигнал
Сигнал
Сигнал
Сигнал
Сигнал
3 (Левостороннее управление)
Масса
8 (Левостороннее управление)
G305 Передняя стойка, левая

Расположение деталей (узлов) Трехмерная схема жгутов
Внешний вид разъема и ремонт
Электрическая схема G305
3 (Правостороннее управление)
8 (Правостороннее управление)
Левостороннее управление
BK Черный
Правостороннее управление
BK Черный
G308 Передняя стойка, правая

Расположение деталей (узлов) Трехмерная схема жгутов
Внешний вид разъема и ремонт
Электрическая схема G308
G305 Передняя стойка, левая

Расположение деталей (узлов) Трехмерная схема жгутов
Внешний вид разъема и ремонт
Электрическая схема G305
Правостороннее управление
BK Черный
Масса
Левостороннее управление
BK Черный
G308 Передняя стойка, правая

Расположение деталей (узлов) Трехмерная схема жгутов
Внешний вид разъема и ремонт
Электрическая схема G308
5 (Правостороннее управление)
10 (Правостороннее управление)
10 (Правостороннее управление)
5 (Правостороннее управление)
7 (Левостороннее управление)
2 (Правостороннее управление)
2 (Левостороннее управление)
7 (Правостороннее управление)
GYBK Серый-Черный
YEGN Желтый-Зеленый
BUYE Синий-Желтый
BUWH Синий-Белый
GNBK Зеленый-Черный
GNWH Зеленый-Белый
Исполнительные органы - Двери и крышка топливного бака

Исполнительные органы - Двери и крышка топливного бака
Справочные данные по контроллерам

Справочные данные по контроллерам
Выключатели ручек и замков

Выключатели ручек и замков
Перечень основных электрических компонентов

Перечень основных электрических компонентов
   


https://vnx.su/ 🛠 Руководства по ремонту и эксплуатации для автомобилей

Поиск по сайту

Остались вопросы или пожелания? Пишите на почту: support@vnx.su

Карта Сайта