Cruze
   
GMDE Start Page Load static TOC Load dynamic TOC Help?
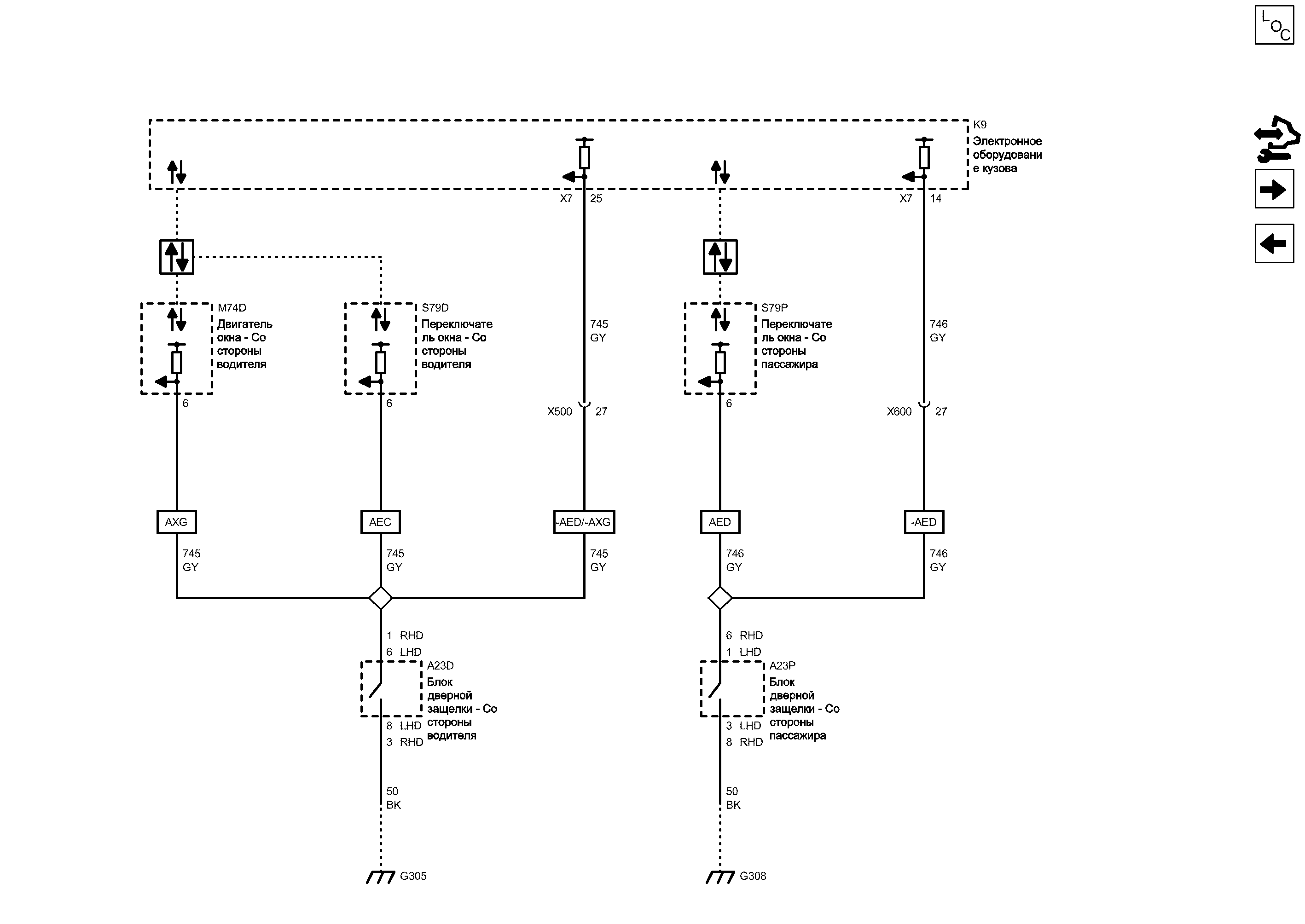
Переключатели "дверь открыта", спереди


            |                         |            
2202851RU.png


Display graphic

Display graphic

Компоненты
a23dБлок дверной защелки - Со стороны водителяm74dДвигатель окна - Со стороны водителя
a23pБлок дверной защелки - Со стороны пассажираs79dПереключатель окна - Со стороны водителя
k9Электронное оборудование кузоваs79pПереключатель окна - Со стороны пассажира
Разъемы
k9 (x7)Электронное оборудование кузова x7x600Жгут проводов кузова и жгут проводов двери пассажира
x500Жгут проводов кузова и жгут проводов двери водителя
Точки соединения с массой
g305Передняя стойка, леваяg308Передняя стойка, правая
Сокращения
aecСТЕКЛО С МЕХАНИЧЕСКИМ ПРИВОДОМ - СО СТОРОНЫ ВОДИТЕЛЯ - СРОЧНО ВНИЗaxgСТЕКЛО С МЕХАНИЧЕСКИМ ПРИВОДОМ - СО СТОРОНЫ ВОДИТЕЛЯ - СРОЧНО ВВЕРХ/ВНИЗ
aedСТЕКЛО,С МЕХАНИЧЕСКИМ ПРИВОДОМ - СО СТОРОНЫ ПАССАЖИРА - СРОЧНО ВНИЗfsdcФункциональный обмен последовательными данными
-aedСТЕКЛО БЕЗ МЕХАНИЧЕСКОГО ПРИВОДА - СО СТОРОНЫ ПАССАЖИРА - СРОЧНО ВНИЗlhdЛевостороннее управление
-aed/-axgСТЕКЛО БЕЗ МЕХАНИЧЕСКОГО ПРИВОДА - СО СТОРОНЫ ПАССАЖИРА - СРОЧНО ВНИЗ ИЛИ СТЕКЛО БЕЗ МЕХАНИЧЕСКОГО ПРИВОДА - СО СТОРОНЫ ВОДИТЕЛЯ - СРОЧНО ВВЕРХ/ВНИЗrhdПравостороннее управление
Цветовые коды
bkЧерныйgyСерый
G308 Передняя стойка, правая

Расположение деталей (узлов) Трехмерная схема жгутов
Внешний вид разъема и ремонт
Электрическая схема G308
Масса
BK Черный
6
G305 Передняя стойка, левая

Расположение деталей (узлов) Трехмерная схема жгутов
Внешний вид разъема и ремонт
Электрическая схема G305
Масса
BK Черный
8 (Левостороннее управление)
6 (Левостороннее управление)
6
Функциональный обмен последовательными данными
СТЕКЛО С МЕХАНИЧЕСКИМ ПРИВОДОМ - СО СТОРОНЫ ВОДИТЕЛЯ - СРОЧНО ВВЕРХ/ВНИЗ
GY Серый
СТЕКЛО С МЕХАНИЧЕСКИМ ПРИВОДОМ - СО СТОРОНЫ ВОДИТЕЛЯ - СРОЧНО ВНИЗ
GY Серый
6
25
X500 Жгут проводов кузова и жгут проводов двери водителя

Расположение деталей (узлов) Трехмерная схема жгутов Левостороннее управление
Расположение деталей (узлов) Трехмерная схема жгутов Правостороннее управление
Внешний вид разъема и ремонт Вилка Левостороннее управление
Внешний вид разъема и ремонт Вилка Правостороннее управление
Внешний вид разъема и ремонт Гнездо
27
Сигнал переключателя "Левая передняя дверь открыта"
GY Серый
X7 Электронное оборудование кузова X7

Расположение деталей (узлов) Трехмерная схема жгутов
14
X7 Электронное оборудование кузова X7

Расположение деталей (узлов) Трехмерная схема жгутов
X600 Жгут проводов кузова и жгут проводов двери пассажира

Расположение деталей (узлов) Трехмерная схема жгутов Левостороннее управление
Расположение деталей (узлов) Трехмерная схема жгутов Правостороннее управление
Внешний вид разъема и ремонт Вилка Левостороннее управление
Внешний вид разъема и ремонт Вилка Правостороннее управление
Внешний вид разъема и ремонт Гнездо
27
Сигнал переключателя "Правая передняя дверь открыта"
GY Серый
СТЕКЛО БЕЗ МЕХАНИЧЕСКОГО ПРИВОДА - СО СТОРОНЫ ПАССАЖИРА - СРОЧНО ВНИЗ
GY Серый
Функциональный обмен последовательными данными
СТЕКЛО,С МЕХАНИЧЕСКИМ ПРИВОДОМ - СО СТОРОНЫ ПАССАЖИРА - СРОЧНО ВНИЗ
GY Серый
S79D Переключатель окна - Со стороны водителя

Расположение деталей (узлов) Трехмерная схема жгутов Левостороннее управление
Расположение деталей (узлов) Трехмерная схема жгутов Правостороннее управление
Внешний вид разъема и ремонт СТЕКЛО С МЕХАНИЧЕСКИМ ПРИВОДОМ - СО СТОРОНЫ ВОДИТЕЛЯ - СРОЧНО ВВЕРХ/ВНИЗ
Внешний вид разъема и ремонт СТЕКЛО С МЕХАНИЧЕСКИМ ПРИВОДОМ - СО СТОРОНЫ ВОДИТЕЛЯ - СРОЧНО ВНИЗ
A23D Блок дверной защелки - Со стороны водителя

Внешний вид разъема и ремонт
M74D Двигатель окна - Со стороны водителя

Расположение деталей (узлов) Трехмерная схема жгутов Левостороннее управление
Расположение деталей (узлов) Трехмерная схема жгутов Правостороннее управление
Внешний вид разъема и ремонт СТЕКЛО С МЕХАНИЧЕСКИМ ПРИВОДОМ - СО СТОРОНЫ ВОДИТЕЛЯ - СРОЧНО ВВЕРХ/ВНИЗ
Внешний вид разъема и ремонт СТЕКЛО С МЕХАНИЧЕСКИМ ПРИВОДОМ - СО СТОРОНЫ ВОДИТЕЛЯ - СРОЧНО ВНИЗ
S79P Переключатель окна - Со стороны пассажира

Расположение деталей (узлов) Трехмерная схема жгутов Левостороннее управление
Расположение деталей (узлов) Трехмерная схема жгутов Правостороннее управление
Внешний вид разъема и ремонт
A23P Блок дверной защелки - Со стороны пассажира

Внешний вид разъема и ремонт
K9 Электронное оборудование кузова

Расположение деталей (узлов) Трехмерная схема жгутов
Последовательные данные
Последовательные данные
Сигнал
Последовательные данные
Сигнал
Последовательные данные
Сигнал
Сигнал
Сигнал
Последовательные данные
СТЕКЛО БЕЗ МЕХАНИЧЕСКОГО ПРИВОДА - СО СТОРОНЫ ПАССАЖИРА - СРОЧНО ВНИЗ ИЛИ СТЕКЛО...
GY Серый
1 (Правостороннее управление)
3 (Правостороннее управление)
6 (Правостороннее управление)
1 (Левостороннее управление)
3 (Левостороннее управление)
8 (Правостороннее управление)
Выключатели ручек и замков

Выключатели ручек и замков
Справочные данные по контроллерам

Справочные данные по контроллерам
Переключатели "дверь открыта" - задние и багажный отсек

Переключатели "дверь открыта" - задние и багажный отсек
Перечень основных электрических компонентов

Перечень основных электрических компонентов
   


https://vnx.su/ 🛠 Руководства по ремонту и эксплуатации для автомобилей

Поиск по сайту

Остались вопросы или пожелания? Пишите на почту: support@vnx.su

Карта Сайта