Cruze
   
GMDE Start Page Load static TOC Load dynamic TOC Help?
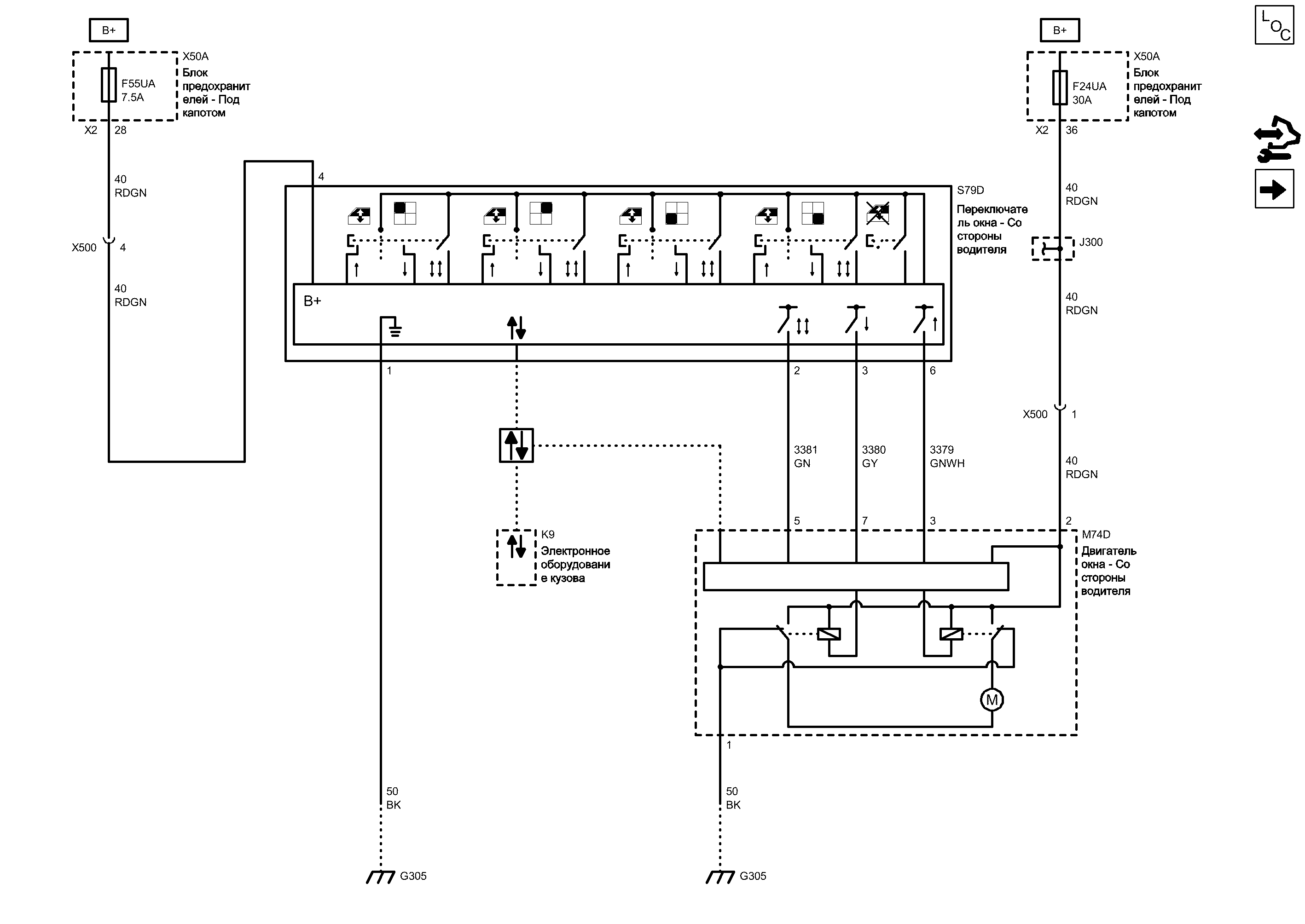
Стеклоподъемники - дверь водителя (СТЕКЛО С МЕХАНИЧЕСКИМ ПРИВОДОМ - СО СТОРОНЫ ВОДИТЕЛЯ - СРОЧНО ВВЕРХ/ВНИЗ)


            |                         |            
2202798RU.png


Display graphic

Display graphic

Компоненты
f24uaПредохранительm74dДвигатель окна - Со стороны водителя
f55uaПредохранительs79dПереключатель окна - Со стороны водителя
k9Электронное оборудование кузоваx50aБлок предохранителей - Под капотом
Разъемы
j300Жгут проводов кузоваx500Жгут проводов кузова и жгут проводов двери водителя
x50a (x2)Блок предохранителей - Под капотом x2
Точки соединения с массой
g305Передняя стойка, левая
Сокращения
b+Вывод b+fsdcФункциональный обмен последовательными данными
Цветовые коды
bkЧерныйgyСерый
gnЗеленыйrdgnКрасный-Зеленый
gnwhЗеленый-Белый
2
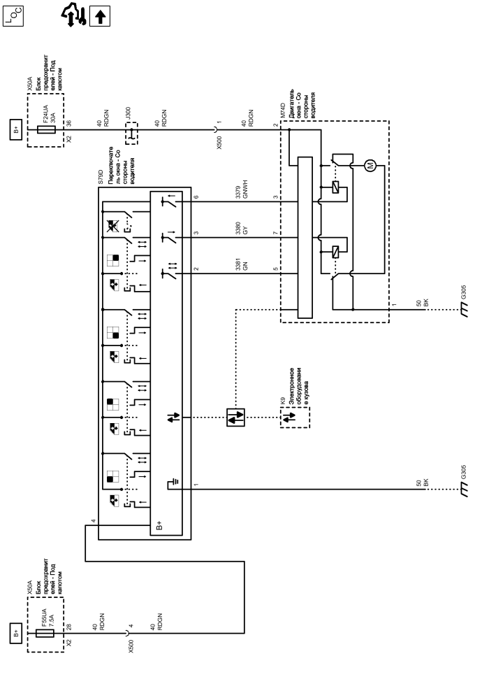
Переключатель окна с сервоприводом стекла (стеклоподъемника) - Со сторорны водит...
GN Зеленый
Сигнал выключателя опускания стеклоподъемника водителя
GY Серый
3
Сигнал выключателя подъема стеклоподъемника водителя
GNWH Зеленый-Белый
6
5
G305 Передняя стойка, левая

Расположение деталей (узлов) Трехмерная схема жгутов
Внешний вид разъема и ремонт
Электрическая схема G305
Масса
BK Черный
1
2
3
7
Вывод B+
F24UA Предохранитель

Электрическая схема Дерево Предохранители F24UA, F32UA, F35UA, F55UA, F69UA и F70UA
Электрическая схема Питание Шина B+ UEC (1 из 6)
X500 Жгут проводов кузова и жгут проводов двери водителя

Расположение деталей (узлов) Трехмерная схема жгутов Левостороннее управление
Расположение деталей (узлов) Трехмерная схема жгутов Правостороннее управление
Внешний вид разъема и ремонт Вилка Левостороннее управление
Внешний вид разъема и ремонт Вилка Правостороннее управление
Внешний вид разъема и ремонт Гнездо
1
Положительное напряжение аккумуляторной батареи
RDGN Красный-Зеленый
J300 Жгут проводов кузова

Электрическая схема Стеклоподъемники - дверь пассажира
Электрическая схема Стеклоподъемники - дверь водителя СТЕКЛО С МЕХАНИЧЕСКИМ ПРИВОДОМ - СО СТОРОНЫ ВОДИТЕЛЯ - СРОЧНО ВНИЗ
Электрическая схема Выключатели ремней безопасности
X2 Блок предохранителей - Под капотом X2

Внешний вид разъема и ремонт
36
G305 Передняя стойка, левая

Расположение деталей (узлов) Трехмерная схема жгутов
Внешний вид разъема и ремонт
Электрическая схема G305
Масса
BK Черный
1
Положительное напряжение аккумуляторной батареи
RDGN Красный-Зеленый
X500 Жгут проводов кузова и жгут проводов двери водителя

Расположение деталей (узлов) Трехмерная схема жгутов Левостороннее управление
Расположение деталей (узлов) Трехмерная схема жгутов Правостороннее управление
Внешний вид разъема и ремонт Вилка Левостороннее управление
Внешний вид разъема и ремонт Вилка Правостороннее управление
Внешний вид разъема и ремонт Гнездо
4
Вывод B+
X2 Блок предохранителей - Под капотом X2

Внешний вид разъема и ремонт
28
F55UA Предохранитель

Электрическая схема Дерево Предохранители F24UA, F32UA, F35UA, F55UA, F69UA и F70UA
Электрическая схема Питание Шина B+ UEC (1 из 6)
4
RDGN Красный-Зеленый
Функциональный обмен последовательными данными
K9 Электронное оборудование кузова

Расположение деталей (узлов) Трехмерная схема жгутов
X50A Блок предохранителей - Под капотом

Расположение деталей (узлов) Трехмерная схема жгутов
S79D Переключатель окна - Со стороны водителя

Расположение деталей (узлов) Трехмерная схема жгутов Левостороннее управление
Расположение деталей (узлов) Трехмерная схема жгутов Правостороннее управление
Внешний вид разъема и ремонт СТЕКЛО С МЕХАНИЧЕСКИМ ПРИВОДОМ - СО СТОРОНЫ ВОДИТЕЛЯ - СРОЧНО ВВЕРХ/ВНИЗ
Внешний вид разъема и ремонт СТЕКЛО С МЕХАНИЧЕСКИМ ПРИВОДОМ - СО СТОРОНЫ ВОДИТЕЛЯ - СРОЧНО ВНИЗ
Последовательные данные
Последовательные данные
Слабый опорный сигнал
B+ (положительное напряжение аккумуляторной батареи)
Управление
Управление
Управление
RDGN Красный-Зеленый
RDGN Красный-Зеленый
X50A Блок предохранителей - Под капотом

Расположение деталей (узлов) Трехмерная схема жгутов
M74D Двигатель окна - Со стороны водителя

Расположение деталей (узлов) Трехмерная схема жгутов Левостороннее управление
Расположение деталей (узлов) Трехмерная схема жгутов Правостороннее управление
Внешний вид разъема и ремонт СТЕКЛО С МЕХАНИЧЕСКИМ ПРИВОДОМ - СО СТОРОНЫ ВОДИТЕЛЯ - СРОЧНО ВВЕРХ/ВНИЗ
Внешний вид разъема и ремонт СТЕКЛО С МЕХАНИЧЕСКИМ ПРИВОДОМ - СО СТОРОНЫ ВОДИТЕЛЯ - СРОЧНО ВНИЗ
Справочные данные по контроллерам

Справочные данные по контроллерам
Стеклоподъемники - дверь водителя

Стеклоподъемники - дверь водителя
Перечень основных электрических компонентов

Перечень основных электрических компонентов
   


https://vnx.su/ 🛠 Руководства по ремонту и эксплуатации для автомобилей

Поиск по сайту

Остались вопросы или пожелания? Пишите на почту: support@vnx.su

Карта Сайта