Cruze
   
GMDE Start Page Load static TOC Load dynamic TOC Help?
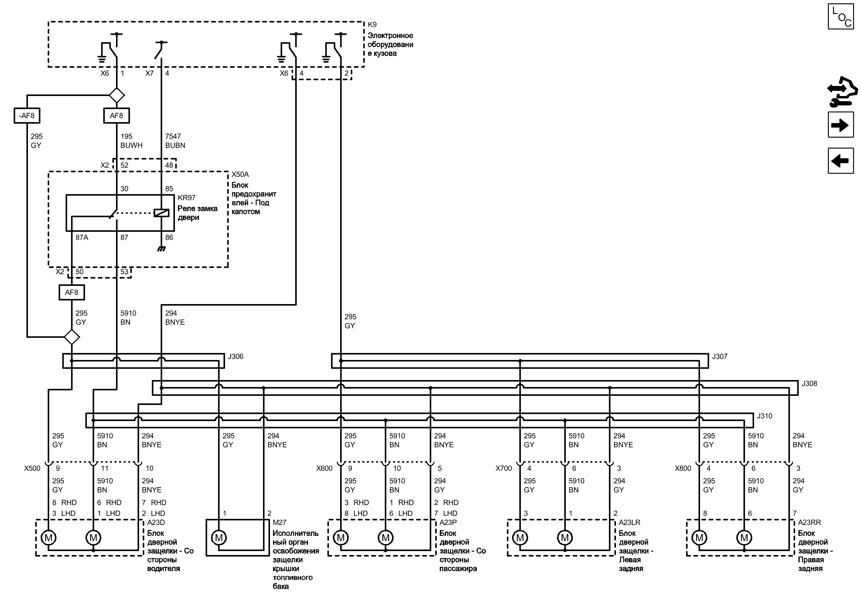
Исполнительные органы - Двери и крышка топливного бака (УПРАВЛЕНИЕ ЗАМКОМ БОКОВОЙ ДВЕРИ, ПРОТИВОУГОННАЯ ЗАЩИТА. СТРАНЫ - КРОМЕ СЕВЕРНОЙ АМЕРИКИ)


            |                         |            
2202848RU.png


Display graphic

Display graphic

Компоненты
a23dБлок дверной защелки - Со стороны водителяk9Электронное оборудование кузова
a23lrБлок дверной защелки - Левая задняяkr97Реле замка двери
a23pБлок дверной защелки - Со стороны пассажираm27Исполнительный орган освобожения защелки крышки топливного бака
a23rrБлок дверной защелки - Правая задняяx50aБлок предохранителей - Под капотом
Разъемы
j306Жгут проводов кузоваx50a (x2)Блок предохранителей - Под капотом x2
j307Жгут проводов кузоваx500Жгут проводов кузова и жгут проводов двери водителя
j308Жгут проводов кузоваx600Жгут проводов кузова и жгут проводов двери пассажира
j310Жгут проводов кузоваx700Жгут проводов кузова и жгут проводов левой задней двери
k9 (x6)Электронное оборудование кузова x6x800Жгут проводов кузова и жгут проводов правой задней двери
k9 (x7)Электронное оборудование кузова x7
Сокращения
af8УПРАВЛЕНИЕ ЗАМКОМ БОКОВОЙ ДВЕРИ, ПРОТИВОУГОННАЯ ЗАЩИТАlhdЛевостороннее управление
-af8БЕЗ УПРАВЛЕНИЯ ЗАМКОМ БОКОВОЙ ДВЕРИ, ПРОТИВОУГОННАЯ ЗАЩИТАrhdПравостороннее управление
Цветовые коды
bnКоричневыйbuwhСиний-Белый
bnyeКоричневый-ЖелтыйgyСерый
bubnСиний-Коричневый
2 (Левостороннее управление)
3 (Левостороннее управление)
10
X500 Жгут проводов кузова и жгут проводов двери водителя

Расположение деталей (узлов) Трехмерная схема жгутов Левостороннее управление
Расположение деталей (узлов) Трехмерная схема жгутов Правостороннее управление
Внешний вид разъема и ремонт Вилка Левостороннее управление
Внешний вид разъема и ремонт Вилка Правостороннее управление
Внешний вид разъема и ремонт Гнездо
9
Управление запиранием дверей
GY Серый
2
1
4
X6 Электронное оборудование кузова X6

Расположение деталей (узлов) Трехмерная схема жгутов
J308 Жгут проводов кузова
GY Серый
1
X600 Жгут проводов кузова и жгут проводов двери пассажира

Расположение деталей (узлов) Трехмерная схема жгутов Левостороннее управление
Расположение деталей (узлов) Трехмерная схема жгутов Правостороннее управление
Внешний вид разъема и ремонт Вилка Левостороннее управление
Внешний вид разъема и ремонт Вилка Правостороннее управление
Внешний вид разъема и ремонт Гнездо
9
5
2
J307 Жгут проводов кузова
J306 Жгут проводов кузова
3
2
X700 Жгут проводов кузова и жгут проводов левой задней двери

Расположение деталей (узлов) Трехмерная схема жгутов
Внешний вид разъема и ремонт Вилка
Внешний вид разъема и ремонт Гнездо
4
3
3
X800 Жгут проводов кузова и жгут проводов правой задней двери

Расположение деталей (узлов) Трехмерная схема жгутов
Внешний вид разъема и ремонт Вилка
Внешний вид разъема и ремонт Гнездо
4
7
8
GY Серый
Управление отпиранием исполнительного механизма замка двери
BNYE Коричневый-Желтый
Управление запиранием исполнительного механизма замка двери
GY Серый
GY Серый
GY Серый
GY Серый
GY Серый
GY Серый
GY Серый
X2 Блок предохранителей - Под капотом X2

Внешний вид разъема и ремонт
53
52
X7 Электронное оборудование кузова X7

Расположение деталей (узлов) Трехмерная схема жгутов
4
Управление реле запирания противоугонной системы
BUBN Синий-Коричневый
48
X6 Электронное оборудование кузова X6

Расположение деталей (узлов) Трехмерная схема жгутов
50
X2 Блок предохранителей - Под капотом X2

Внешний вид разъема и ремонт
1 (Левостороннее управление)
Команда запирания для исполнительного элемента двойного замка двери
BN Коричневый
11
BN Коричневый
BN Коричневый
1
6
10
BN Коричневый
BN Коричневый
6
BN Коричневый
BN Коричневый
BN Коричневый
BN Коричневый
6
J310 Жгут проводов кузова
85
30
87
87A
86
УПРАВЛЕНИЕ ЗАМКОМ БОКОВОЙ ДВЕРИ, ПРОТИВОУГОННАЯ ЗАЩИТА
BUWH Синий-Белый
БЕЗ УПРАВЛЕНИЯ ЗАМКОМ БОКОВОЙ ДВЕРИ, ПРОТИВОУГОННАЯ ЗАЩИТА
GY Серый
УПРАВЛЕНИЕ ЗАМКОМ БОКОВОЙ ДВЕРИ, ПРОТИВОУГОННАЯ ЗАЩИТА
GY Серый
Управление
A23RR Блок дверной защелки - Правая задняя

Внешний вид разъема и ремонт
A23LR Блок дверной защелки - Левая задняя

Внешний вид разъема и ремонт
A23P Блок дверной защелки - Со стороны пассажира

Внешний вид разъема и ремонт
X50A Блок предохранителей - Под капотом

Расположение деталей (узлов) Трехмерная схема жгутов
KR97 Реле замка двери
K9 Электронное оборудование кузова

Расположение деталей (узлов) Трехмерная схема жгутов
M27 Исполнительный орган освобожения защелки крышки топливного бака

Расположение деталей (узлов) Трехмерная схема жгутов
Внешний вид разъема и ремонт
A23D Блок дверной защелки - Со стороны водителя

Внешний вид разъема и ремонт
Управление
Управление
Управление
8 (Правостороннее управление)
6 (Правостороннее управление)
7 (Правостороннее управление)
BNYE Коричневый-Желтый
BNYE Коричневый-Желтый
BNYE Коричневый-Желтый
2 (Правостороннее управление)
7 (Левостороннее управление)
1 (Правостороннее управление)
6 (Левостороннее управление)
3 (Правостороннее управление)
8 (Левостороннее управление)
BNYE Коричневый-Желтый
GY Серый
BNYE Коричневый-Желтый
GY Серый
GY Серый
BNYE Коричневый-Желтый
Исполнительные органы - Двери и крышка топливного бака

Исполнительные органы - Двери и крышка топливного бака
Справочные данные по контроллерам

Справочные данные по контроллерам
Исполнительные ораны - срабатывание/освобождение защелки

Исполнительные ораны - срабатывание/освобождение защелки
Перечень основных электрических компонентов

Перечень основных электрических компонентов
   


https://vnx.su/ 🛠 Руководства по ремонту и эксплуатации для автомобилей

Поиск по сайту

Остались вопросы или пожелания? Пишите на почту: support@vnx.su

Карта Сайта