Cruze
   
GMDE Start Page Load static TOC Load dynamic TOC Help?
g201


            |                         |            
2203166RU.png


Display graphic

Display graphic

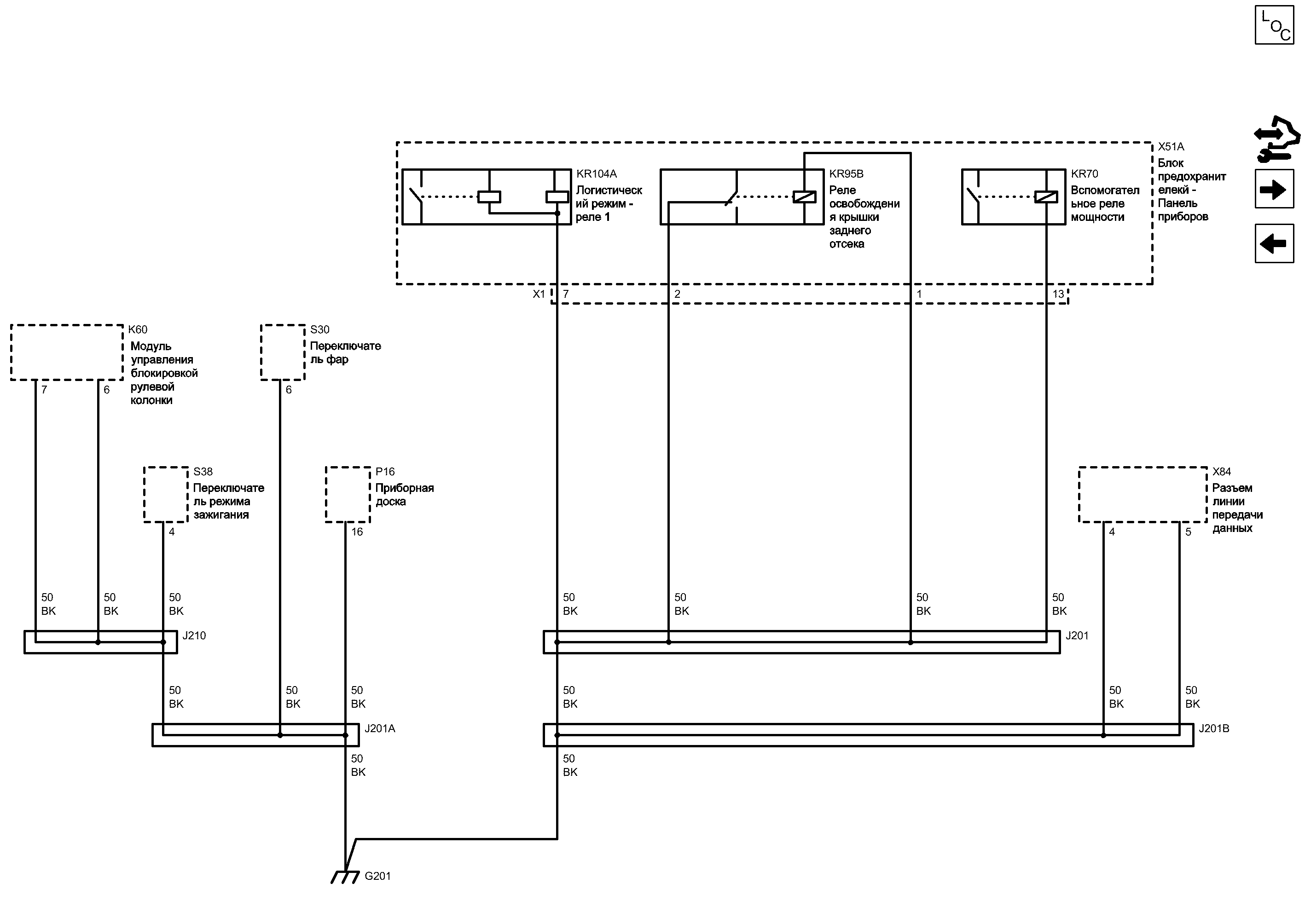
Компоненты
k60Модуль управления блокировкой рулевой колонкиs30Переключатель фар
kr70Вспомогательное реле мощностиs38Переключатель режима зажигания
kr95bРеле освобождения крышки заднего отсекаx51aБлок предохранителекй - Панель приборов
kr104aЛогистический режим - реле 1x84Разъем линии передачи данных
p16Приборная доска
Разъемы
j201Жгут проводов панели приборовj210Жгут проводов панели приборов
j201aСоединение с виртуальной "землей"x51a (x1)Блок предохранителекй - Панель приборов x1
j201bСоединение с виртуальной "землей"
Точки соединения с массой
g201Поперечина, панель приборов, слева
Цветовые коды
bkЧерный
G201 Поперечина, панель приборов, слева

Расположение деталей (узлов) Трехмерная схема жгутов
Внешний вид разъема и ремонт
Масса
BK Черный
16
4
5
6
BK Черный
X1 Блок предохранителекй - Панель приборов X1
7
BK Черный
BK Черный
2
BK Черный
J201B Соединение с виртуальной "землей"
BK Черный
1
BK Черный
BK Черный
13
J201A Соединение с виртуальной "землей"
6
7
BK Черный
BK Черный
J210 Жгут проводов панели приборов
BK Черный
4
BK Черный
J201 Жгут проводов панели приборов
BK Черный
BK Черный
BK Черный
S38 Переключатель режима зажигания

Внешний вид разъема и ремонт УПРАВЛЕНИЕ ЗАМКОМ ВХОДА, ДИСТАНЦИОННЫЙ ВХОД, РАСШИРЕННЫЙ ДИАПАЗОН, ПАССИВНЫЙ ВХОД
Электрическая схема Выключатель зажигания УПРАВЛЕНИЕ ЗАМКОМ ВХОДА, ДИСТАНЦИОННЫЙ ВХОД, РАСШИРЕННЫЙ ДИАПАЗОН, ПАССИВНЫЙ ВХОД Контакт 4
Электрическая схема Лампы освещения, кузов Контакт 4
K60 Модуль управления блокировкой рулевой колонки

Внешний вид разъема и ремонт
Электрическая схема Замок блокировки колонки Контакт 6
Электрическая схема Замок блокировки колонки Контакт 7
KR70 Вспомогательное реле мощности
KR104A Логистический режим - реле 1
KR95B Реле освобождения крышки заднего отсека
X84 Разъем линии передачи данных

Расположение деталей (узлов) Трехмерная схема жгутов
Расположение деталей (узлов) Трехмерная схема жгутов Левостороннее управление
Внешний вид разъема и ремонт
Электрическая схема Диагностический разъем Контакт 4
Электрическая схема Диагностический разъем Контакт 5
P16 Приборная доска

Электрическая схема Питание, масса и последовательные данные Контакт 16
S30 Переключатель фар

Расположение деталей (узлов) Трехмерная схема жгутов Левостороннее управление
Внешний вид разъема и ремонт
Электрическая схема Стояночные огни (1 из 2) Контакт 6
Электрическая схема Стояночные огни (2 из 2) Контакт 6
Электрическая схема Лампы освещения, кузов Контакт 6
Электрическая схема Фары Контакт 6
X51A Блок предохранителекй - Панель приборов

Расположение деталей (узлов) Трехмерная схема жгутов
Электрическая схема Система облегчения парковки Контакт 7
Электрическая схема Дисплей информационно-развлекательной системы Äèñïëåé èíôîðìàöèîííî-ðàçâëåêàòåëüíîé ñèñòåìû, öâåòíîé èíôîðìàöèîííûé äèñïëåé (CID) 7'', OVGA Контакт 7 - 1
Электрическая схема Дисплей информационно-развлекательной системы Äèñïëåé èíôîðìàöèîííî-ðàçâëåêàòåëüíîé ñèñòåìû, öâåòíîé èíôîðìàöèîííûé äèñïëåé (CID) 7'', OVGA Контакт 7 - 2
Электрическая схема Дисплей информационно-развлекательной системы ГРАФИЧЕСКИЙ ИНФОРМАЦИОННЫЙ ДИСПЛЕЙ (GID), ВАР. 1. ИЛИ ИНФОРМАЦИОННО-РАЗВЛЕКАТЕЛЬНЫЙ ДИСПЛЕЙ, ВРЕМЯ, ВНЕШН. ТЕМПЕРАТУРА, АУДИОСИСТЕМА Контакт 7
Электрическая схема Питание, масса и последовательные данные Контакт 7
Электрическая схема Прикуриватель и точки присоединения устройств-потребителей постоянного тока Контакт 13
Электрическая схема Противоугонная сигнализация Контакт 7
Электрическая схема Освобождение фиксатора багажника/подъемной задней двери Контакт 1
Электрическая схема Освобождение фиксатора багажника/подъемной задней двери Контакт 2
G104

G104
Справочные данные по контроллерам

Справочные данные по контроллерам
G202

G202
Перечень основных электрических компонентов

Перечень основных электрических компонентов
   


https://vnx.su/ 🛠 Руководства по ремонту и эксплуатации для автомобилей

Поиск по сайту

Остались вопросы или пожелания? Пишите на почту: support@vnx.su

Карта Сайта