Cruze
   
GMDE Start Page Load static TOC Load dynamic TOC Help?
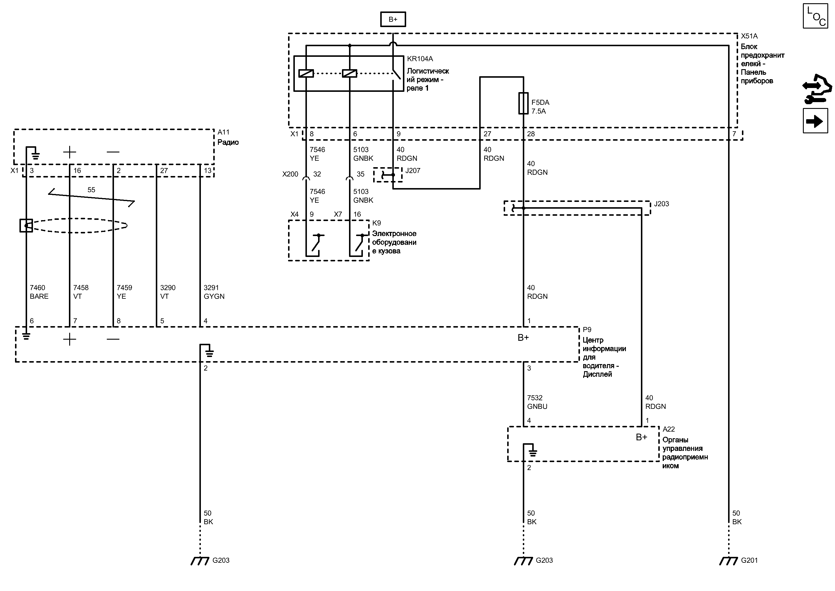
Дисплей информационно-развлекательной системы (ГРАФИЧЕСКИЙ ИНФОРМАЦИОННЫЙ ДИСПЛЕЙ (gid), ВАР. 1. ИЛИ ИНФОРМАЦИОННО-РАЗВЛЕКАТЕЛЬНЫЙ ДИСПЛЕЙ, ВРЕМЯ, ВНЕШН. ТЕМПЕРАТУРА, АУДИОСИСТЕМА)


            |                         |            
2202886RU.png


Display graphic

Display graphic

Компоненты
a11Радиоkr104aЛогистический режим - реле 1
a22Органы управления радиоприемникомp9Центр информации для водителя - Дисплей
f5daПредохранительx51aБлок предохранителекй - Панель приборов
k9Электронное оборудование кузова
Разъемы
a11 (x1)Радио x1k9 (x7)Электронное оборудование кузова x7
j203Жгут проводов панели приборовx51a (x1)Блок предохранителекй - Панель приборов x1
j207Жгут проводов панели приборовx200Жгут проводов кузова и жгут проводов панели приборов
k9 (x4)Электронное оборудование кузова x4
Точки соединения с массой
g201Поперечина, панель приборов, слеваg203Поперечина, панель приборов - позади аудиосистемы
Сокращения
b+Вывод b+
Цветовые коды
barebaregygnСерый-Зеленый
bkЧерныйrdgnКрасный-Зеленый
gnbkЗеленый-ЧерныйvtФиолетовый
gnbuЗеленый-СинийyeЖелтый
1
G203 Поперечина, панель приборов - позади аудиосистемы

Расположение деталей (узлов) Трехмерная схема жгутов
Внешний вид разъема и ремонт
Электрическая схема G203
Масса
BK Черный
2
F5DA Предохранитель

Электрическая схема Дерево Предохранители F1DA, F4DA и F5DA
Электрическая схема Питание Шина B+ IEC (2 из 3)
4
Линейная межкомпонентная сетевая шина 10
GNBU Зеленый-Синий
3
Слабый опорный сигнал
1
Положительное напряжение аккумуляторной батареи
RDGN Красный-Зеленый
2
Масса
BK Черный
G203 Поперечина, панель приборов - позади аудиосистемы

Расположение деталей (узлов) Трехмерная схема жгутов
Внешний вид разъема и ремонт
Электрическая схема G203
J203 Жгут проводов панели приборов

Электрическая схема Система облегчения парковки
RDGN Красный-Зеленый
RDGN Красный-Зеленый
4
5
7
8
6
3
16
27
2
13
Интегрированный центральный стек - Сигнал таймерного включения
GYGN Серый-Зеленый
Центр - Интегрированный центр. стек - последовательные данные - высокий уровень
VT Фиолетовый
Интегрированный центральный стек, последовательные данные - высокий уровень шума...
YE Желтый
Интегрированный центральный стек - Сигнал обнуления
VT Фиолетовый
Интегрированный центральный стек, последовательные данные - экран
BARE BARE
A11 Радио

Расположение деталей (узлов) Трехмерная схема жгутов
A22 Органы управления радиоприемником

Расположение деталей (узлов) Трехмерная схема жгутов
Внешний вид разъема и ремонт ГРАФИЧЕСКИЙ ИНФОРМАЦИОННЫЙ ДИСПЛЕЙ (GID), ВАР. 1. ИЛИ ИНФОРМАЦИОННО-РАЗВЛЕКАТЕЛЬНЫЙ ДИСПЛЕЙ, ВРЕМЯ, ВНЕШН. ТЕМПЕРАТУРА, АУДИОСИСТЕМА
P9 Центр информации для водителя - Дисплей

Внешний вид разъема и ремонт
Слабый опорный сигнал
Слабый опорный сигнал
B+ (положительное напряжение аккумуляторной батареи)
B+ (положительное напряжение аккумуляторной батареи)
Слабый опорный сигнал
Вывод B+
KR104A Логистический режим - реле 1
X51A Блок предохранителекй - Панель приборов

Расположение деталей (узлов) Трехмерная схема жгутов
6
7
X1 Блок предохранителекй - Панель приборов X1
8
9
27
28
Логистическое релейное управление
YE Желтый
Идентификация технологии
GNBK Зеленый-Черный
J207 Жгут проводов панели приборов

Электрическая схема Система облегчения парковки
Электрическая схема Питание, масса и последовательные данные
Электрическая схема Противоугонная сигнализация
Положительное напряжение аккумуляторной батареи
RDGN Красный-Зеленый
RDGN Красный-Зеленый
X200 Жгут проводов кузова и жгут проводов панели приборов

Расположение деталей (узлов) Трехмерная схема жгутов
Внешний вид разъема и ремонт Вилка
Внешний вид разъема и ремонт Гнездо
32
35
K9 Электронное оборудование кузова

Расположение деталей (узлов) Трехмерная схема жгутов
9
X7 Электронное оборудование кузова X7

Расположение деталей (узлов) Трехмерная схема жгутов
Управление
Управление
X4 Электронное оборудование кузова X4

Расположение деталей (узлов) Трехмерная схема жгутов
16
YE Желтый
GNBK Зеленый-Черный
G201 Поперечина, панель приборов, слева

Расположение деталей (узлов) Трехмерная схема жгутов
Внешний вид разъема и ремонт
Электрическая схема G201
Масса
BK Черный
Сигнал динамика (+)
Сигнал динамика (-)
Сигнал динамика (+)
Сигнал динамика (-)
X1 Радио X1

Внешний вид разъема и ремонт
Справочные данные по контроллерам

Справочные данные по контроллерам
Дисплей информационно-развлекательной системы

Дисплей информационно-развлекательной системы
Перечень основных электрических компонентов

Перечень основных электрических компонентов
   


https://vnx.su/ 🛠 Руководства по ремонту и эксплуатации для автомобилей

Поиск по сайту

Остались вопросы или пожелания? Пишите на почту: support@vnx.su

Карта Сайта