Cruze
   
GMDE Start Page Load static TOC Load dynamic TOC Help?
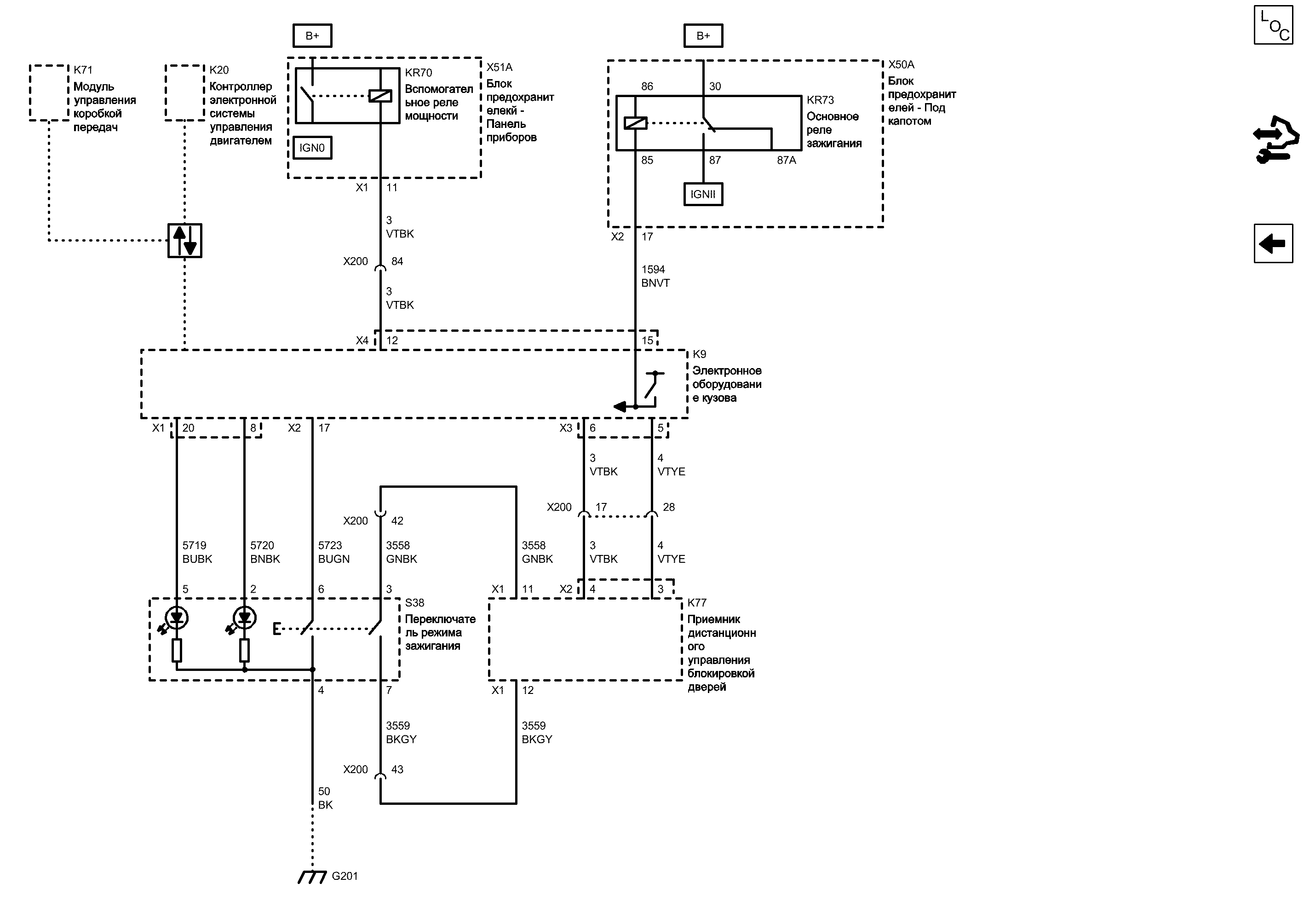
Выключатель зажигания (УПРАВЛЕНИЕ ЗАМКОМ ВХОДА, ДИСТАНЦИОННЫЙ ВХОД, РАСШИРЕННЫЙ ДИАПАЗОН, ПАССИВНЫЙ ВХОД)


            |                         |            
2203157RU.png


Display graphic

Display graphic

Компоненты
k9Электронное оборудование кузоваkr73Основное реле зажигания
k20Контроллер электронной системы управления двигателемs38Переключатель режима зажигания
k71Модуль управления коробкой передачx50aБлок предохранителей - Под капотом
k77Приемник дистанционного управления блокировкой дверейx51aБлок предохранителекй - Панель приборов
kr70Вспомогательное реле мощности
Разъемы
k9 (x1)Электронное оборудование кузова x1k77 (x2)Приемник дистанционного управления блокировкой дверей x2
k9 (x2)Электронное оборудование кузова x2x50a (x2)Блок предохранителей - Под капотом x2
k9 (x3)Электронное оборудование кузова x3x51a (x1)Блок предохранителекй - Панель приборов x1
k9 (x4)Электронное оборудование кузова x4x200Жгут проводов кузова и жгут проводов панели приборов
k77 (x1)Приемник дистанционного управления блокировкой дверей x1
Точки соединения с массой
g201Поперечина, панель приборов, слева
Сокращения
b+Вывод b+ign0Выключатель зажигания - выкл.
fsdcФункциональный обмен последовательными даннымиigniiВыключатель зажигания - движение/запуск
Цветовые коды
bkЧерныйbugnСиний-Зеленый
bkgyЧерный-СерыйgnbkЗеленый-Черный
bnbkКоричневый-ЧерныйvtbkФиолетовый-Черный
bnvtКоричневый-ФиолетовыйvtyeФиолетовый-Желтый
bubkСиний-Черный
4
6
Режим переключателя режима зажигания - напряжение
BUGN Синий-Зеленый
17
2
5
8
Сигнал светодиода переключателя режима зажигания - дополнительное оборудование
BNBK Коричневый-Черный
Сигнал светодиода переключателя режима зажигания - запуск
BUBK Синий-Черный
20
X2 Электронное оборудование кузова X2

Расположение деталей (узлов) Трехмерная схема жгутов
X1 Электронное оборудование кузова X1

Расположение деталей (узлов) Трехмерная схема жгутов
G201 Поперечина, панель приборов, слева

Расположение деталей (узлов) Трехмерная схема жгутов
Внешний вид разъема и ремонт
Электрическая схема G201
Масса
BK Черный
11
X1 Приемник дистанционного управления блокировкой дверей X1

Расположение деталей (узлов) Трехмерная схема жгутов
Внешний вид разъема и ремонт
12
X1 Приемник дистанционного управления блокировкой дверей X1

Расположение деталей (узлов) Трехмерная схема жгутов
Внешний вид разъема и ремонт
X200 Жгут проводов кузова и жгут проводов панели приборов

Расположение деталей (узлов) Трехмерная схема жгутов
Внешний вид разъема и ремонт Вилка
Внешний вид разъема и ремонт Гнездо
42
Пассивный пуск Сигнал переключателя 2
GNBK Зеленый-Черный
Пассивный пуск Переключатель 2 Низкое опорное напряжение
BKGY Черный-Серый
7
3
X200 Жгут проводов кузова и жгут проводов панели приборов

Расположение деталей (узлов) Трехмерная схема жгутов
Внешний вид разъема и ремонт Вилка
Внешний вид разъема и ремонт Гнездо
43
6
X3 Электронное оборудование кузова X3

Расположение деталей (узлов) Трехмерная схема жгутов
4
X2 Приемник дистанционного управления блокировкой дверей X2

Расположение деталей (узлов) Трехмерная схема жгутов
Внешний вид разъема и ремонт
3
5
X200 Жгут проводов кузова и жгут проводов панели приборов

Расположение деталей (узлов) Трехмерная схема жгутов
Внешний вид разъема и ремонт Вилка
Внешний вид разъема и ремонт Гнездо
17
28
Напряжение зажигания
VTYE Фиолетовый-Желтый
Напряжение зажигания
VTBK Фиолетовый-Черный
15
12
X4 Электронное оборудование кузова X4

Расположение деталей (узлов) Трехмерная схема жгутов
X2 Блок предохранителей - Под капотом X2

Внешний вид разъема и ремонт
17
Релейное управление зажиганием 3
BNVT Коричневый-Фиолетовый
87
30
85
86
87A
Напряжение зажигания
VTBK Фиолетовый-Черный
X200 Жгут проводов кузова и жгут проводов панели приборов

Расположение деталей (узлов) Трехмерная схема жгутов
Внешний вид разъема и ремонт Вилка
Внешний вид разъема и ремонт Гнездо
84
VTBK Фиолетовый-Черный
11
X1 Блок предохранителекй - Панель приборов X1
Функциональный обмен последовательными данными
K20 Контроллер электронной системы управления двигателем

Расположение деталей (узлов) Трехмерная схема жгутов СТРАНА - КОРЕЯ ДИЗЕЛЬНЫЙ ДВИГАТЕЛЬ, 4 ЦИЛ., L4, 2.0 Л, CRI, SOHC, ТУРБО, 110 кВт
Расположение деталей (узлов) Трехмерная схема жгутов ГАЗОВЫЙ ДВИГАТЕЛЬ, 4 ЦИЛ., 1.6 Л, MFI, DOHC, 80 кВт (GMDAT)
Расположение деталей (узлов) Трехмерная схема жгутов ДВИГАТЕЛЬ БЕНЗИНОВЫЙ, 4 ЦИЛ., 1.8 Л, MFI, 103 КВТ, DOHC ДВИГАТЕЛЬ БЕНЗИНОВЫЙ, 4 ЦИЛ., 1.6 Л, MFI, DOHC, PT-JV, РЕГУЛИРУЕМЫЕ ФАЗЫ РАСПРЕДВАЛОВ AFT, ДЕАКТИВИЗАЦИЯ ПОРТА ГАЗОВЫЙ ДВИГАТЕЛЬ, 4 ЦИЛ., 1.6 Л, MFI, DOHC, PT-JV, РАСПРЕДВАЛ С ИЗМЕНЯЕМЫМ ФАЗИРОВАНИЕМ, 82 кВт
K71 Модуль управления коробкой передач

Расположение деталей (узлов) Трехмерная схема жгутов
X51A Блок предохранителекй - Панель приборов

Расположение деталей (узлов) Трехмерная схема жгутов
KR70 Вспомогательное реле мощности
KR73 Основное реле зажигания
X50A Блок предохранителей - Под капотом

Расположение деталей (узлов) Трехмерная схема жгутов
K77 Приемник дистанционного управления блокировкой дверей

Расположение деталей (узлов) Трехмерная схема жгутов
S38 Переключатель режима зажигания

Внешний вид разъема и ремонт
Доступен вид только с одним разъемом
K9 Электронное оборудование кузова

Расположение деталей (узлов) Трехмерная схема жгутов
Вывод B+
Вывод B+
Выключатель зажигания - выкл.
Выключатель зажигания - движение/запуск
Управление
GNBK Зеленый-Черный
BKGY Черный-Серый
VTBK Фиолетовый-Черный
VTYE Фиолетовый-Желтый
Выключатель зажигания

Выключатель зажигания
Справочные данные по контроллерам

Справочные данные по контроллерам
Перечень основных электрических компонентов

Перечень основных электрических компонентов
   


https://vnx.su/ 🛠 Руководства по ремонту и эксплуатации для автомобилей

Поиск по сайту

Остались вопросы или пожелания? Пишите на почту: support@vnx.su

Карта Сайта