Cruze
   
GMDE Start Page Load static TOC Load dynamic TOC Help?
g202


            |                         |            
2203168RU.png


Display graphic

Display graphic

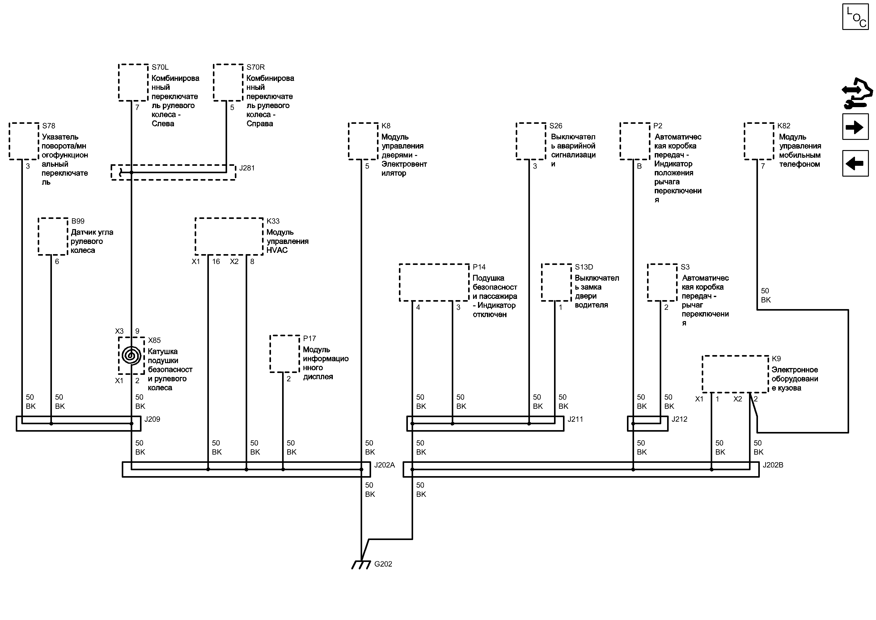
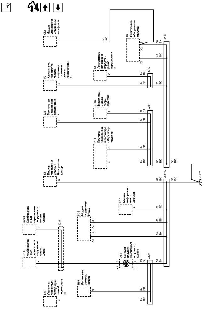
Компоненты
b99Датчик угла рулевого колесаs3Автоматическая коробка передач - рычаг переключения
k8Модуль управления дверями - Электровентиляторs13dВыключатель замка двери водителя
k9Электронное оборудование кузоваs26Выключатель аварийной сигнализации
k33Модуль управления hvacs70lКомбинированный переключатель рулевого колеса - Слева
k82Модуль управления мобильным телефономs70rКомбинированный переключатель рулевого колеса - Справа
p2Автоматическая коробка передач - Индикатор положения рычага переключенияs78Указатель поворота/многофункциональный переключатель
p14Подушка безопасности пассажира - Индикатор отключенx85Катушка подушки безопасности рулевого колеса
p17Модуль информационного дисплея
Разъемы
j202aСоединение с виртуальной "землей"k9 (x1)Электронное оборудование кузова x1
j202bСоединение с виртуальной "землей"k9 (x2)Электронное оборудование кузова x2
j209Жгут проводов панели приборовk33 (x1)Модуль управления hvac x1
j211Жгут проводов панели приборовk33 (x2)Модуль управления hvac x2
j212Жгут проводов панели приборовx85 (x1)Катушка подушки безопасности рулевого колеса x1
j281Жгут проводов рулевого колесаx85 (x3)Катушка подушки безопасности рулевого колеса x3
Точки соединения с массой
g202Поперечина, панель приборов - позади аудиосистемы
Цветовые коды
bkЧерный
2
G202 Поперечина, панель приборов - позади аудиосистемы

Расположение деталей (узлов) Трехмерная схема жгутов
Внешний вид разъема и ремонт Левостороннее управление
Внешний вид разъема и ремонт Правостороннее управление
Масса
BK Черный
BK Черный
5
8
4
3
3
1
B
2
16
BK Черный
BK Черный
X2 Модуль управления HVAC X2

Внешний вид разъема и ремонт
BK Черный
BK Черный
BK Черный
BK Черный
BK Черный
J209 Жгут проводов панели приборов
7
6
BK Черный
BK Черный
3
BK Черный
BK Черный
2
9
J202A Соединение с виртуальной "землей"
J202B Соединение с виртуальной "землей"
J211 Жгут проводов панели приборов
BK Черный
BK Черный
BK Черный
J212 Жгут проводов панели приборов
BK Черный
BK Черный
BK Черный
BK Черный
2
X2 Электронное оборудование кузова X2

Расположение деталей (узлов) Трехмерная схема жгутов
1
K9 Электронное оборудование кузова

Расположение деталей (узлов) Трехмерная схема жгутов
Электрическая схема Питание, масса и последовательные данные Контакт 1
Электрическая схема Питание, масса и последовательные данные Контакт 2
X85 Катушка подушки безопасности рулевого колеса

Расположение деталей (узлов) Трехмерная схема жгутов
S78 Указатель поворота/многофункциональный переключатель

Расположение деталей (узлов) Трехмерная схема жгутов Левостороннее управление
Внешний вид разъема и ремонт
Электрическая схема Указатели поворота Контакт 3 - 1
Электрическая схема Указатели поворота Контакт 3 - 2
Электрическая схема Фары Контакт 3
B99 Датчик угла рулевого колеса

Расположение деталей (узлов) Трехмерная схема жгутов Левостороннее управление
Электрическая схема Угол поворота управляемых колес и датчик скорости вращения АВТОМАТИЧЕСКОЕ ЭЛЕКТРОННОЕ УПРАВЛЕНИЕ ЖЕСТКОСТЬЮ ПОДВЕСКИ И УПРАВЛЯЕМОСТЬЮ Контакт 6
S70L Комбинированный переключатель рулевого колеса - Слева

Электрическая схема Лампы освещения, кузов Контакт 7
S3 Автоматическая коробка передач - рычаг переключения

Внешний вид разъема и ремонт
Электрическая схема Фиксатор переключения передач Контакт 2
Электрическая схема Модуль рычага переключения передач Контакт 2
P2 Автоматическая коробка передач - Индикатор положения рычага переключения

Расположение деталей (узлов) Трехмерная схема жгутов
Внешний вид разъема и ремонт
Электрическая схема Лампы освещения, кузов Контакт B
S13D Выключатель замка двери водителя

Внешний вид разъема и ремонт
Электрическая схема Дверные защелки Контакт 1
Электрическая схема Лампы освещения, кузов Контакт 1
S26 Выключатель аварийной сигнализации

Внешний вид разъема и ремонт
Электрическая схема Указатели поворота Контакт 3 - 1
Электрическая схема Указатели поворота Контакт 3 - 2
P14 Подушка безопасности пассажира - Индикатор отключен

Внешний вид разъема и ремонт
Электрическая схема Дисплей надувных подушек безопасности Контакт 4
Электрическая схема Лампы освещения, кузов Контакт 4
K33 Модуль управления HVAC

Расположение деталей (узлов) Трехмерная схема жгутов ПЕРЕДНИЙ ВОЗДУШНЫЙ КОНДИЦИОНЕР С СИСТЕМОЙ HVAC, АВТОМ., ЭЛЕКТРОННЫЕ ОРГАНЫ УПРАВЛЕНИЯ
Электрическая схема Питание, масса, последовательные данные и органы управления вентилятором Контакт 16 - 1
Электрическая схема Питание, масса, последовательные данные и органы управления вентилятором Контакт 16 - 2
Электрическая схема Питание, масса, последовательные данные и органы управления вентилятором Контакт 8 - 1
Электрическая схема Питание, масса, последовательные данные и органы управления вентилятором Контакт 8 - 2
K8 Модуль управления дверями - Электровентилятор

Расположение деталей (узлов) Трехмерная схема жгутов ПЕРЕДНИЙ ВОЗДУШНЫЙ КОНДИЦИОНЕР С СИСТЕМОЙ HVAC, АВТОМ., ЭЛЕКТРОННЫЕ ОРГАНЫ УПРАВЛЕНИЯ
Имеется только одно место для компонента
P17 Модуль информационного дисплея

Внешний вид разъема и ремонт
Электрическая схема Лицевая панель системы нагревания, вентиляции и кондиционирования (HVAC) Контакт 2 - 1
Электрическая схема Лицевая панель системы нагревания, вентиляции и кондиционирования (HVAC) Контакт 2 - 2
X1 Модуль управления HVAC X1

Внешний вид разъема и ремонт
X1 Электронное оборудование кузова X1

Расположение деталей (узлов) Трехмерная схема жгутов
X1 Катушка подушки безопасности рулевого колеса X1

Внешний вид разъема и ремонт
X3 Катушка подушки безопасности рулевого колеса X3

Расположение деталей (узлов) Трехмерная схема жгутов
Внешний вид разъема и ремонт
S70R Комбинированный переключатель рулевого колеса - Справа

Электрическая схема Лампы освещения, кузов Контакт 5
5
J281 Жгут проводов рулевого колеса
BK Черный
K82 Модуль управления мобильным телефоном

Расположение деталей (узлов) Трехмерная схема жгутов
7
G201

G201
Справочные данные по контроллерам

Справочные данные по контроллерам
G203

G203
Перечень основных электрических компонентов

Перечень основных электрических компонентов
   


https://vnx.su/ 🛠 Руководства по ремонту и эксплуатации для автомобилей

Поиск по сайту

Остались вопросы или пожелания? Пишите на почту: support@vnx.su

Карта Сайта