Cruze
   
GMDE Start Page Load static TOC Load dynamic TOC Help?
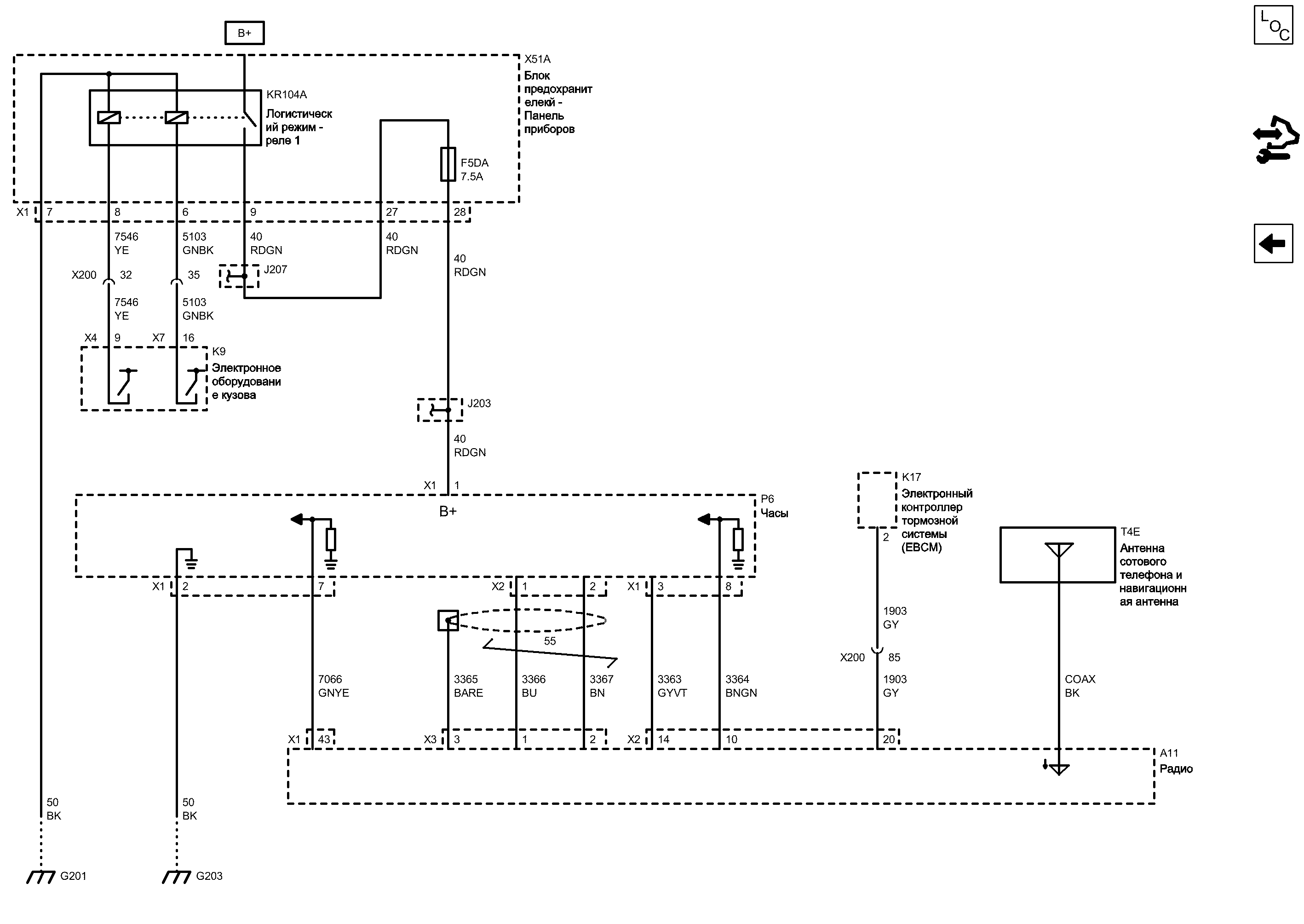
Дисплей информационно-развлекательной системы (Äèñïëåé èíôîðìàöèîííî-ðàçâëåêàòåëüíîé ñèñòåìû, öâåòíîé èíôîðìàöèîííûé äèñïëåé (cid) 7'', ovga) 2 от 2


            |                         |            
2202891RU.png


Display graphic

Display graphic

Компоненты
a11Радиоkr104aЛогистический режим - реле 1
f5daПредохранительp6Часы
k9Электронное оборудование кузоваt4eАнтенна сотового телефона и навигационная антенна
k17Электронный контроллер тормозной системы (ЕВСМ)x51aБлок предохранителекй - Панель приборов
Разъемы
a11 (x1)Радио x1k9 (x7)Электронное оборудование кузова x7
a11 (x2)Радио x2p6 (x1)Часы x1
a11 (x3)Радио x3p6 (x2)Часы x2
j203Жгут проводов панели приборовx51a (x1)Блок предохранителекй - Панель приборов x1
j207Жгут проводов панели приборовx200Жгут проводов кузова и жгут проводов панели приборов
k9 (x4)Электронное оборудование кузова x4
Точки соединения с массой
g201Поперечина, панель приборов, слеваg203Поперечина, панель приборов - позади аудиосистемы
Сокращения
b+Вывод b+
Цветовые коды
barebaregnyeЗеленый-Желтый
bkЧерныйgyСерый
bnКоричневыйgyvtСерый-Фиолетовый
bngnКоричневый-ЗеленыйrdgnКрасный-Зеленый
buСинийyeЖелтый
gnbkЗеленый-Черный
1
G203 Поперечина, панель приборов - позади аудиосистемы

Расположение деталей (узлов) Трехмерная схема жгутов
Внешний вид разъема и ремонт
Электрическая схема G203
Масса
BK Черный
2
Слабый опорный сигнал
Положительное напряжение аккумуляторной батареи
RDGN Красный-Зеленый
3
1
2
7
J203 Жгут проводов панели приборов

Электрическая схема Система облегчения парковки
Электрическая схема Дисплей информационно-развлекательной системы Äèñïëåé èíôîðìàöèîííî-ðàçâëåêàòåëüíîé ñèñòåìû, öâåòíîé èíôîðìàöèîííûé äèñïëåé (CID) 7'', OVGA
8
20
Навигационный дисплей - сигнал (+)
BU Синий
Навигационный дисплей - сигнал (-)
BN Коричневый
Навигационный дисплей - регулировка яркости
GYVT Серый-Фиолетовый
Навигационный дисплей - сигнал обнуления
BNGN Коричневый-Зеленый
43
3
1
2
14
10
Навигационный дисплей - провод заземления
BARE BARE
X1 Радио X1

Внешний вид разъема и ремонт
X3 Радио X3

Расположение деталей (узлов) Трехмерная схема жгутов
X2 Радио X2

Внешний вид разъема и ремонт
2
Сигнал от левого переднего датчика скорости вращения колеса AAS
GY Серый
X200 Жгут проводов кузова и жгут проводов панели приборов

Расположение деталей (узлов) Трехмерная схема жгутов
Внешний вид разъема и ремонт Вилка
Внешний вид разъема и ремонт Гнездо
85
GY Серый
X1 Часы X1

Внешний вид разъема и ремонт
X2 Часы X2
X1 Часы X1

Внешний вид разъема и ремонт
X1 Часы X1

Внешний вид разъема и ремонт
Сигнал
Сигнал
COAX
BK Черный
T4E Антенна сотового телефона и навигационная антенна
K17 Электронный контроллер тормозной системы (ЕВСМ)

Расположение деталей (узлов) Трехмерная схема жгутов
Внешний вид разъема и ремонт
A11 Радио

Расположение деталей (узлов) Трехмерная схема жгутов
P6 Часы
Сигнал дистанционного включения развлечений
GNYE Зеленый-Желтый
B+ (положительное напряжение аккумуляторной батареи)
9
6
K9 Электронное оборудование кузова

Расположение деталей (узлов) Трехмерная схема жгутов
Управление
Управление
X200 Жгут проводов кузова и жгут проводов панели приборов

Расположение деталей (узлов) Трехмерная схема жгутов
Внешний вид разъема и ремонт Вилка
Внешний вид разъема и ремонт Гнездо
32
X7 Электронное оборудование кузова X7

Расположение деталей (узлов) Трехмерная схема жгутов
X1 Блок предохранителекй - Панель приборов X1
7
X4 Электронное оборудование кузова X4

Расположение деталей (узлов) Трехмерная схема жгутов
16
Логистическое релейное управление
YE Желтый
35
8
YE Желтый
Идентификация технологии
GNBK Зеленый-Черный
J207 Жгут проводов панели приборов

Электрическая схема Система облегчения парковки
Электрическая схема Дисплей информационно-развлекательной системы Äèñïëåé èíôîðìàöèîííî-ðàçâëåêàòåëüíîé ñèñòåìû, öâåòíîé èíôîðìàöèîííûé äèñïëåé (CID) 7'', OVGA
Электрическая схема Питание, масса и последовательные данные
Электрическая схема Противоугонная сигнализация
9
Положительное напряжение аккумуляторной батареи
RDGN Красный-Зеленый
27
RDGN Красный-Зеленый
RDGN Красный-Зеленый
28
F5DA Предохранитель

Электрическая схема Дерево Предохранители F1DA, F4DA и F5DA
Электрическая схема Питание Шина B+ IEC (2 из 3)
Вывод B+
KR104A Логистический режим - реле 1
X51A Блок предохранителекй - Панель приборов

Расположение деталей (узлов) Трехмерная схема жгутов
Масса
BK Черный
G201 Поперечина, панель приборов, слева

Расположение деталей (узлов) Трехмерная схема жгутов
Внешний вид разъема и ремонт
Электрическая схема G201
Сигнал антенны
GNBK Зеленый-Черный
Дисплей информационно-развлекательной системы

Дисплей информационно-развлекательной системы
Справочные данные по контроллерам

Справочные данные по контроллерам
Перечень основных электрических компонентов

Перечень основных электрических компонентов
   


https://vnx.su/ 🛠 Руководства по ремонту и эксплуатации для автомобилей

Поиск по сайту

Остались вопросы или пожелания? Пишите на почту: support@vnx.su

Карта Сайта