Cruze
   
GMDE Start Page Load static TOC Load dynamic TOC Help?
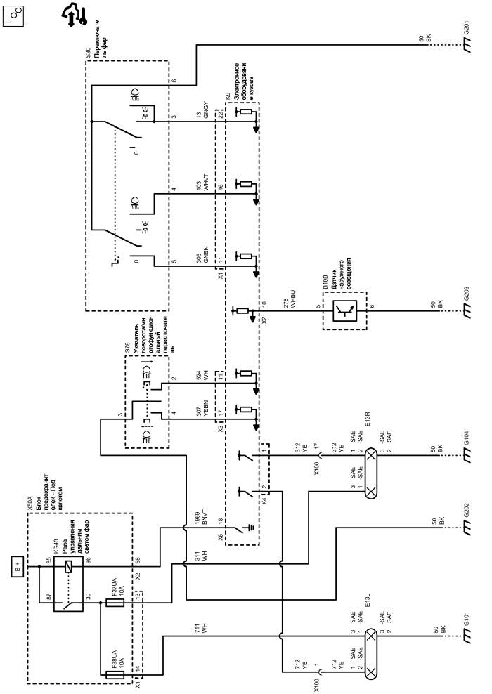
Фары


            |                         |            
2202807RU.png


Display graphic

Display graphic

Компоненты
b10bДатчик наружного освещенияk9Электронное оборудование кузова
e13lБлок фары, левыйkr48Реле управления дальним светом фар
e13rБлок фары, правыйs30Переключатель фар
f37uaПредохранительs78Указатель поворота/многофункциональный переключатель
f38uaПредохранительx50aБлок предохранителей - Под капотом
Разъемы
k9 (x1)Электронное оборудование кузова x1k9 (x5)Электронное оборудование кузова x5
k9 (x2)Электронное оборудование кузова x2x50a (x1)Блок предохранителей - Под капотом x1
k9 (x3)Электронное оборудование кузова x3x50a (x2)Блок предохранителей - Под капотом x2
k9 (x4)Электронное оборудование кузова x4x100Жгут проводов кузова и жгут проводов передней части кузова
Точки соединения с массой
g101Моторный отсек - Передняя часть, слеваg202Поперечина, панель приборов - позади аудиосистемы
g104Моторный отсек - Передняя часть, справаg203Поперечина, панель приборов - позади аудиосистемы
g201Поперечина, панель приборов, слева
Сокращения
b +Напряжение аккумуляторной батареи-saeСТРАНЫ - КРОМЕ СЕВЕРНОЙ АМЕРИКИ
saeСТРАНЫ - СЕВЕРНАЯ АМЕРИКА
Цветовые коды
bkЧерныйwhbuБелый-Синий
bnvtКоричневый-ФиолетовыйwhvtБелый-Фиолетовый
gnbnЗеленый-КоричневыйyeЖелтый
gngyЗеленый-СерыйyebnЖелтый-Коричневый
whБелый
6
5
4
3
G201 Поперечина, панель приборов, слева

Расположение деталей (узлов) Трехмерная схема жгутов
Внешний вид разъема и ремонт
Электрическая схема G201
Масса
BK Черный
Управление сигналом выключения фар переключателя фар
GNBN Зеленый-Коричневый
Сигнал включения переключателя фар
WHVT Белый-Фиолетовый
Сигнал стояночных огней переключателя фар
GNGY Зеленый-Серый
22
16
11
X1 Электронное оборудование кузова X1

Расположение деталей (узлов) Трехмерная схема жгутов
18
X5 Электронное оборудование кузова X5

Расположение деталей (узлов) Трехмерная схема жгутов
Релейное управление дальним светом фар
BNVT Коричневый-Фиолетовый
30
87
86
85
58
X2 Блок предохранителей - Под капотом X2

Внешний вид разъема и ремонт
F37UA Предохранитель

Электрическая схема Дерево Предохранители F21UA, F27UA, F30UA, F37UA, F38UA, F45UA, F48UA и F51UA
Электрическая схема Питание Шина B+ UEC (4 из 6)
F38UA Предохранитель

Электрическая схема Дерево Предохранители F21UA, F27UA, F30UA, F37UA, F38UA, F45UA, F48UA и F51UA
Электрическая схема Питание Шина B+ UEC (4 из 6)
13
14
X1 Блок предохранителей - Под капотом X1

Расположение деталей (узлов) Трехмерная схема жгутов
Внешний вид разъема и ремонт
2 (СТРАНЫ - СЕВЕРНАЯ АМЕРИКА)
1 (СТРАНЫ - СЕВЕРНАЯ АМЕРИКА)
2 (СТРАНЫ - КРОМЕ СЕВЕРНОЙ АМЕРИКИ)
3 (СТРАНЫ - КРОМЕ СЕВЕРНОЙ АМЕРИКИ)
1
X4 Электронное оборудование кузова X4

Расположение деталей (узлов) Трехмерная схема жгутов
2
Управление ближним светом левой фары
YE Желтый
Управление ближним светом правой фары
YE Желтый
1 (СТРАНЫ - КРОМЕ СЕВЕРНОЙ АМЕРИКИ)
3 (СТРАНЫ - СЕВЕРНАЯ АМЕРИКА)
1 (СТРАНЫ - СЕВЕРНАЯ АМЕРИКА)
3 (СТРАНЫ - СЕВЕРНАЯ АМЕРИКА)
1 (СТРАНЫ - КРОМЕ СЕВЕРНОЙ АМЕРИКИ)
3 (СТРАНЫ - КРОМЕ СЕВЕРНОЙ АМЕРИКИ)
2 (СТРАНЫ - СЕВЕРНАЯ АМЕРИКА)
2 (СТРАНЫ - КРОМЕ СЕВЕРНОЙ АМЕРИКИ)
X100 Жгут проводов кузова и жгут проводов передней части кузова

Расположение деталей (узлов) Трехмерная схема жгутов
Внешний вид разъема и ремонт Вилка
Внешний вид разъема и ремонт Гнездо
1
X100 Жгут проводов кузова и жгут проводов передней части кузова

Расположение деталей (узлов) Трехмерная схема жгутов
Внешний вид разъема и ремонт Вилка
Внешний вид разъема и ремонт Гнездо
17
YE Желтый
G104 Моторный отсек - Передняя часть, справа

Расположение деталей (узлов) Трехмерная схема жгутов БЕЗ КОЖАНОЙ ОТДЕЛКИ СИДЕНЬЯ (TBD1-GSV)(GMDAT)
Расположение деталей (узлов) Трехмерная схема жгутов ЕВРОПА
Внешний вид разъема и ремонт
Электрическая схема G104
Масса
BK Черный
G101 Моторный отсек - Передняя часть, слева

Расположение деталей (узлов) Трехмерная схема жгутов БЕЗ КОЖАНОЙ ОТДЕЛКИ СИДЕНЬЯ (TBD1-GSV)(GMDAT)
Расположение деталей (узлов) Трехмерная схема жгутов ЕВРОПА
Внешний вид разъема и ремонт
Электрическая схема G101
Масса
BK Черный
Управление дальним светом левой фары
WH Белый
Управление дальним светом правой фары
WH Белый
3
4
2
Сигнал переключателя регулировки яркости дальнего света фар
WH Белый
Сигнал мигания переключателем фар (с просьбой пропустить)
YEBN Желтый-Коричневый
11
17
X3 Электронное оборудование кузова X3

Расположение деталей (узлов) Трехмерная схема жгутов
Масса
BK Черный
G202 Поперечина, панель приборов - позади аудиосистемы

Расположение деталей (узлов) Трехмерная схема жгутов
Внешний вид разъема и ремонт Левостороннее управление
Внешний вид разъема и ремонт Правостороннее управление
Электрическая схема G202
Напряжение аккумуляторной батареи
X50A Блок предохранителей - Под капотом

Расположение деталей (узлов) Трехмерная схема жгутов
KR48 Реле управления дальним светом фар
K9 Электронное оборудование кузова

Расположение деталей (узлов) Трехмерная схема жгутов
S30 Переключатель фар

Расположение деталей (узлов) Трехмерная схема жгутов Левостороннее управление
Внешний вид разъема и ремонт
Управление
Управление
Управление
Сигнал
Сигнал
Сигнал
Сигнал
Сигнал
E13R Блок фары, правый

Расположение деталей (узлов) Трехмерная схема жгутов БЕЗ КОЖАНОЙ ОТДЕЛКИ СИДЕНЬЯ (TBD1-GSV)(GMDAT)
Расположение деталей (узлов) Трехмерная схема жгутов ЕВРОПА
Внешний вид разъема и ремонт СТРАНЫ - СЕВЕРНАЯ АМЕРИКА
Внешний вид разъема и ремонт СТРАНЫ - КРОМЕ СЕВЕРНОЙ АМЕРИКИ
E13L Блок фары, левый

Расположение деталей (узлов) Трехмерная схема жгутов БЕЗ КОЖАНОЙ ОТДЕЛКИ СИДЕНЬЯ (TBD1-GSV)(GMDAT)
Расположение деталей (узлов) Трехмерная схема жгутов ЕВРОПА
Внешний вид разъема и ремонт СТРАНЫ - СЕВЕРНАЯ АМЕРИКА
Внешний вид разъема и ремонт СТРАНЫ - КРОМЕ СЕВЕРНОЙ АМЕРИКИ
S78 Указатель поворота/многофункциональный переключатель

Расположение деталей (узлов) Трехмерная схема жгутов Левостороннее управление
Внешний вид разъема и ремонт
YE Желтый
G203 Поперечина, панель приборов - позади аудиосистемы

Расположение деталей (узлов) Трехмерная схема жгутов
Внешний вид разъема и ремонт
Электрическая схема G203
Масса
BK Черный
B10B Датчик наружного освещения

Расположение деталей (узлов) Трехмерная схема жгутов
Внешний вид разъема и ремонт
6
Сигнал датчика окружающего света
WHBU Белый-Синий
5
X2 Электронное оборудование кузова X2

Расположение деталей (узлов) Трехмерная схема жгутов
10
Сигнал
Справочные данные по контроллерам

Справочные данные по контроллерам
Перечень основных электрических компонентов

Перечень основных электрических компонентов
   


https://vnx.su/ 🛠 Руководства по ремонту и эксплуатации для автомобилей

Поиск по сайту

Остались вопросы или пожелания? Пишите на почту: support@vnx.su

Карта Сайта