Cruze
   
GMDE Start Page Load static TOC Load dynamic TOC Help?
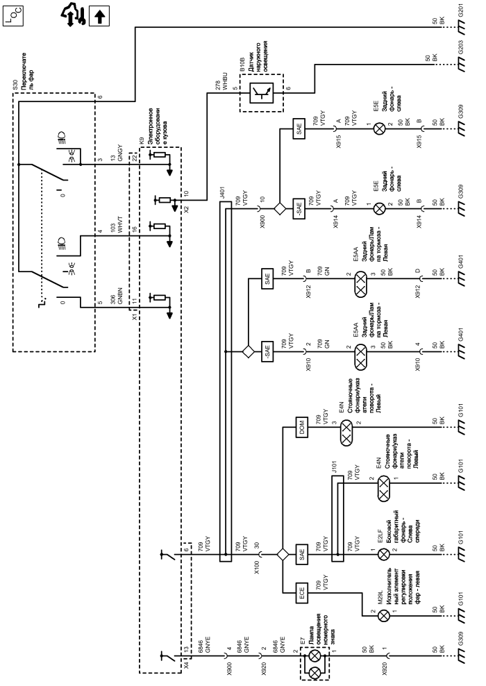
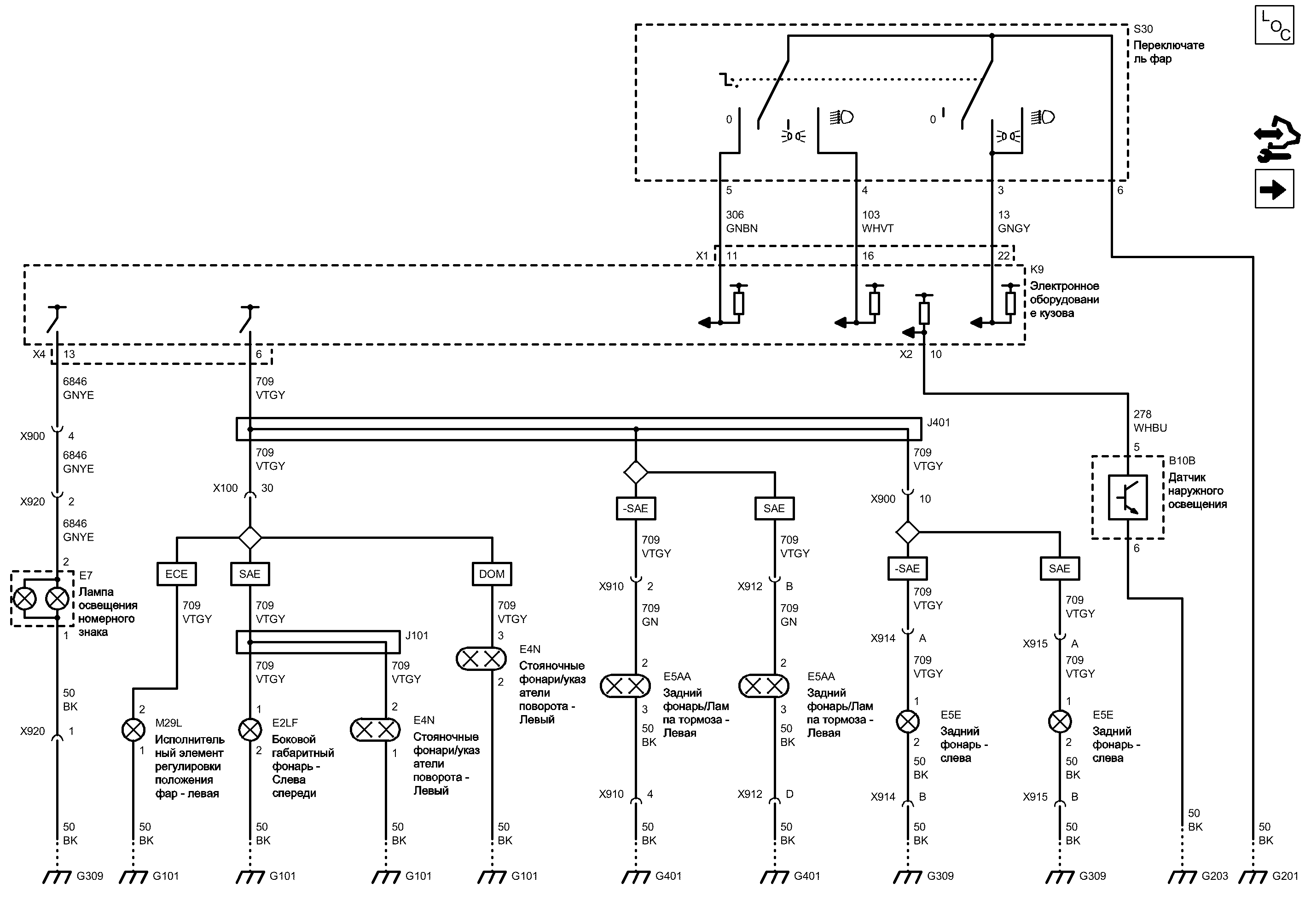
Стояночные огни (1 из 2)


            |                         |            
2202813RU.png


Display graphic

Display graphic

Компоненты
b10bДатчик наружного освещенияe7Лампа освещения номерного знака
e2lfБоковой габаритный фонарь - Слева спередиk9Электронное оборудование кузова
e4nСтояночные фонари/указатели поворота - Левыйm29lИсполнительный элемент регулировки положения фар - левая
e5aaЗадний фонарь/Лампа тормоза - Леваяs30Переключатель фар
e5eЗадний фонарь - слева
Разъемы
j101Жгут проводов передней части кузоваx900Жгут проводов кузова и жгут проводов подъемной задней двери
j401Жгут проводов кузоваx910Жгут проводов кузова и жгут проводов левого заднего фонаря/стоп-сигнала
k9 (x1)Электронное оборудование кузова x1x912Жгут проводов кузова и жгут проводов левого заднего фонаря/стоп-сигнала
k9 (x2)Электронное оборудование кузова x2x914Жгут проводов подъемной задней двери и жгут проводов левого заднего фонаря подъемной задней двери
k9 (x4)Электронное оборудование кузова x4x915Жгут проводов подъемной задней двери и жгут проводов левого заднего фонаря подъемной задней двери
x100Жгут проводов кузова и жгут проводов передней части кузоваx920Жгут проводов подъемной задней двери и жгут проводов лампы подсветки номерного знака
Точки соединения с массой
g101Моторный отсек - Передняя часть, слеваg309Задняя панель, левая
g201Поперечина, панель приборов, слеваg401Задняя панель, левая
g203Поперечина, панель приборов - позади аудиосистемы
Сокращения
domСТРАНА - КОРЕЯsaeСТРАНЫ - СЕВЕРНАЯ АМЕРИКА
eceЕВРОПА-saeСТРАНЫ - КРОМЕ СЕВЕРНОЙ АМЕРИКИ
Цветовые коды
bkЧерныйgnyeЗеленый-Желтый
gnЗеленыйvtgyФиолетовый-Серый
gnbnЗеленый-КоричневыйwhbuБелый-Синий
gngyЗеленый-СерыйwhvtБелый-Фиолетовый
6
5
4
3
G201 Поперечина, панель приборов, слева

Расположение деталей (узлов) Трехмерная схема жгутов
Внешний вид разъема и ремонт
Электрическая схема G201
Масса
BK Черный
Управление сигналом выключения фар переключателя фар
GNBN Зеленый-Коричневый
Сигнал включения переключателя фар
WHVT Белый-Фиолетовый
Сигнал стояночных огней переключателя фар
GNGY Зеленый-Серый
22
16
11
X1 Электронное оборудование кузова X1

Расположение деталей (узлов) Трехмерная схема жгутов
6
X4 Электронное оборудование кузова X4

Расположение деталей (узлов) Трехмерная схема жгутов
13
Управление освещением заднего номерного знака
GNYE Зеленый-Желтый
X900 Жгут проводов кузова и жгут проводов подъемной задней двери

Расположение деталей (узлов) Трехмерная схема жгутов СТРАНЫ - СЕВЕРНАЯ АМЕРИКА
Расположение деталей (узлов) Трехмерная схема жгутов СТРАНЫ - КРОМЕ СЕВЕРНОЙ АМЕРИКИ
Внешний вид разъема и ремонт Вилка
Внешний вид разъема и ремонт Гнездо
4
X920 Жгут проводов подъемной задней двери и жгут проводов лампы подсветки номерн...

Расположение деталей (узлов) Трехмерная схема жгутов СТРАНЫ - СЕВЕРНАЯ АМЕРИКА
Расположение деталей (узлов) Трехмерная схема жгутов СТРАНЫ - КРОМЕ СЕВЕРНОЙ АМЕРИКИ
Внешний вид разъема Гнездо
Внешний вид разъема и ремонт Вилка
1
2
1
G309 Задняя панель, левая

Расположение деталей (узлов) Трехмерная схема жгутов
Внешний вид разъема и ремонт
Электрическая схема G309
Масса
BK Черный
X920 Жгут проводов подъемной задней двери и жгут проводов лампы подсветки номерн...

Расположение деталей (узлов) Трехмерная схема жгутов СТРАНЫ - СЕВЕРНАЯ АМЕРИКА
Расположение деталей (узлов) Трехмерная схема жгутов СТРАНЫ - КРОМЕ СЕВЕРНОЙ АМЕРИКИ
Внешний вид разъема Гнездо
Внешний вид разъема и ремонт Вилка
2
BK Черный
J401 Жгут проводов кузова
Управление левыми стояночными огнями
VTGY Фиолетовый-Серый
X100 Жгут проводов кузова и жгут проводов передней части кузова

Расположение деталей (узлов) Трехмерная схема жгутов
Внешний вид разъема и ремонт Вилка
Внешний вид разъема и ремонт Гнездо
30
СТРАНЫ - СЕВЕРНАЯ АМЕРИКА
VTGY Фиолетовый-Серый
СТРАНА - КОРЕЯ
VTGY Фиолетовый-Серый
J101 Жгут проводов передней части кузова
VTGY Фиолетовый-Серый
1
2
G101 Моторный отсек - Передняя часть, слева

Расположение деталей (узлов) Трехмерная схема жгутов БЕЗ КОЖАНОЙ ОТДЕЛКИ СИДЕНЬЯ (TBD1-GSV)(GMDAT)
Расположение деталей (узлов) Трехмерная схема жгутов ЕВРОПА
Внешний вид разъема и ремонт
Электрическая схема G101
Масса
BK Черный
VTGY Фиолетовый-Серый
2
1
G101 Моторный отсек - Передняя часть, слева

Расположение деталей (узлов) Трехмерная схема жгутов БЕЗ КОЖАНОЙ ОТДЕЛКИ СИДЕНЬЯ (TBD1-GSV)(GMDAT)
Расположение деталей (узлов) Трехмерная схема жгутов ЕВРОПА
Внешний вид разъема и ремонт
Электрическая схема G101
Масса
BK Черный
2
3
G101 Моторный отсек - Передняя часть, слева

Расположение деталей (узлов) Трехмерная схема жгутов БЕЗ КОЖАНОЙ ОТДЕЛКИ СИДЕНЬЯ (TBD1-GSV)(GMDAT)
Расположение деталей (узлов) Трехмерная схема жгутов ЕВРОПА
Внешний вид разъема и ремонт
Электрическая схема G101
Масса
BK Черный
СТРАНЫ - КРОМЕ СЕВЕРНОЙ АМЕРИКИ
VTGY Фиолетовый-Серый
СТРАНЫ - СЕВЕРНАЯ АМЕРИКА
VTGY Фиолетовый-Серый
G401 Задняя панель, левая

Расположение деталей (узлов) Трехмерная схема жгутов
Внешний вид разъема и ремонт
Электрическая схема G401
Масса
BK Черный
3
2
X910 Жгут проводов кузова и жгут проводов левого заднего фонаря/стоп-сигнала

Расположение деталей (узлов) Трехмерная схема жгутов СТРАНЫ - КРОМЕ СЕВЕРНОЙ АМЕРИКИ
Внешний вид разъема и ремонт Вилка СТРАНЫ - КРОМЕ СЕВЕРНОЙ АМЕРИКИ
Внешний вид разъема и ремонт Гнездо СТРАНЫ - КРОМЕ СЕВЕРНОЙ АМЕРИКИ
2
GN Зеленый
X910 Жгут проводов кузова и жгут проводов левого заднего фонаря/стоп-сигнала

Расположение деталей (узлов) Трехмерная схема жгутов СТРАНЫ - КРОМЕ СЕВЕРНОЙ АМЕРИКИ
Внешний вид разъема и ремонт Вилка СТРАНЫ - КРОМЕ СЕВЕРНОЙ АМЕРИКИ
Внешний вид разъема и ремонт Гнездо СТРАНЫ - КРОМЕ СЕВЕРНОЙ АМЕРИКИ
4
BK Черный
2
3
G401 Задняя панель, левая

Расположение деталей (узлов) Трехмерная схема жгутов
Внешний вид разъема и ремонт
Электрическая схема G401
X912 Жгут проводов кузова и жгут проводов левого заднего фонаря/стоп-сигнала

Расположение деталей (узлов) Трехмерная схема жгутов СТРАНЫ - СЕВЕРНАЯ АМЕРИКА
Внешний вид разъема и ремонт Вилка СТРАНЫ - СЕВЕРНАЯ АМЕРИКА
D
Масса
BK Черный
BK Черный
GN Зеленый
X912 Жгут проводов кузова и жгут проводов левого заднего фонаря/стоп-сигнала

Расположение деталей (узлов) Трехмерная схема жгутов СТРАНЫ - СЕВЕРНАЯ АМЕРИКА
Внешний вид разъема и ремонт Вилка СТРАНЫ - СЕВЕРНАЯ АМЕРИКА
B
VTGY Фиолетовый-Серый
X900 Жгут проводов кузова и жгут проводов подъемной задней двери

Расположение деталей (узлов) Трехмерная схема жгутов СТРАНЫ - СЕВЕРНАЯ АМЕРИКА
Расположение деталей (узлов) Трехмерная схема жгутов СТРАНЫ - КРОМЕ СЕВЕРНОЙ АМЕРИКИ
Внешний вид разъема и ремонт Вилка
Внешний вид разъема и ремонт Гнездо
10
СТРАНЫ - КРОМЕ СЕВЕРНОЙ АМЕРИКИ
VTGY Фиолетовый-Серый
СТРАНЫ - СЕВЕРНАЯ АМЕРИКА
VTGY Фиолетовый-Серый
X914 Жгут проводов подъемной задней двери и жгут проводов левого заднего фонаря ...

Расположение деталей (узлов) Трехмерная схема жгутов СТРАНЫ - КРОМЕ СЕВЕРНОЙ АМЕРИКИ
Внешний вид разъема Гнездо СТРАНА - КОРЕЯ
Внешний вид разъема и ремонт Вилка СТРАНА - КОРЕЯ
A
X915 Жгут проводов подъемной задней двери и жгут проводов левого заднего фонаря ...

Расположение деталей (узлов) Трехмерная схема жгутов СТРАНЫ - СЕВЕРНАЯ АМЕРИКА
Внешний вид разъема и ремонт СТРАНЫ - СЕВЕРНАЯ АМЕРИКА
A
VTGY Фиолетовый-Серый
VTGY Фиолетовый-Серый
1
2
2
1
Масса
BK Черный
X914 Жгут проводов подъемной задней двери и жгут проводов левого заднего фонаря ...

Расположение деталей (узлов) Трехмерная схема жгутов СТРАНЫ - КРОМЕ СЕВЕРНОЙ АМЕРИКИ
Внешний вид разъема Гнездо СТРАНА - КОРЕЯ
Внешний вид разъема и ремонт Вилка СТРАНА - КОРЕЯ
B
X915 Жгут проводов подъемной задней двери и жгут проводов левого заднего фонаря ...

Расположение деталей (узлов) Трехмерная схема жгутов СТРАНЫ - СЕВЕРНАЯ АМЕРИКА
Внешний вид разъема и ремонт СТРАНЫ - СЕВЕРНАЯ АМЕРИКА
B
Масса
BK Черный
BK Черный
G309 Задняя панель, левая

Расположение деталей (узлов) Трехмерная схема жгутов
Внешний вид разъема и ремонт
Электрическая схема G309
G309 Задняя панель, левая

Расположение деталей (узлов) Трехмерная схема жгутов
Внешний вид разъема и ремонт
Электрическая схема G309
BK Черный
E5E Задний фонарь - слева

Расположение деталей (узлов) Трехмерная схема жгутов
Внешний вид разъема
E5E Задний фонарь - слева

Расположение деталей (узлов) Трехмерная схема жгутов
Внешний вид разъема
E5AA Задний фонарь/Лампа тормоза - Левая

Расположение деталей (узлов) Трехмерная схема жгутов
Внешний вид разъема и ремонт
E5AA Задний фонарь/Лампа тормоза - Левая

Расположение деталей (узлов) Трехмерная схема жгутов
Внешний вид разъема и ремонт
E4N Стояночные фонари/указатели поворота - Левый

Расположение деталей (узлов) Трехмерная схема жгутов БЕЗ КОЖАНОЙ ОТДЕЛКИ СИДЕНЬЯ (TBD1-GSV)(GMDAT)
Внешний вид разъема и ремонт СТРАНА - КОРЕЯ
E4N Стояночные фонари/указатели поворота - Левый

Расположение деталей (узлов) Трехмерная схема жгутов БЕЗ КОЖАНОЙ ОТДЕЛКИ СИДЕНЬЯ (TBD1-GSV)(GMDAT)
Внешний вид разъема и ремонт СТРАНА - КОРЕЯ
E2LF Боковой габаритный фонарь - Слева спереди

Расположение деталей (узлов) Трехмерная схема жгутов
Внешний вид разъема и ремонт СТРАНЫ - СЕВЕРНАЯ АМЕРИКА
E7 Лампа освещения номерного знака
K9 Электронное оборудование кузова

Расположение деталей (узлов) Трехмерная схема жгутов
S30 Переключатель фар

Расположение деталей (узлов) Трехмерная схема жгутов Левостороннее управление
Внешний вид разъема и ремонт
Управление
Управление
Сигнал
Сигнал
Сигнал
GNYE Зеленый-Желтый
GNYE Зеленый-Желтый
VTGY Фиолетовый-Серый
Сигнал
10
X2 Электронное оборудование кузова X2

Расположение деталей (узлов) Трехмерная схема жгутов
Сигнал датчика окружающего света
WHBU Белый-Синий
G203 Поперечина, панель приборов - позади аудиосистемы

Расположение деталей (узлов) Трехмерная схема жгутов
Внешний вид разъема и ремонт
Электрическая схема G203
Масса
BK Черный
5
6
B10B Датчик наружного освещения

Расположение деталей (узлов) Трехмерная схема жгутов
Внешний вид разъема и ремонт
M29L Исполнительный элемент регулировки положения фар - левая

Расположение деталей (узлов) Трехмерная схема жгутов БЕЗ КОЖАНОЙ ОТДЕЛКИ СИДЕНЬЯ (TBD1-GSV)(GMDAT)
Расположение деталей (узлов) Трехмерная схема жгутов ЕВРОПА
Внешний вид разъема и ремонт ЕВРОПА
2
1
ЕВРОПА
VTGY Фиолетовый-Серый
G101 Моторный отсек - Передняя часть, слева

Расположение деталей (узлов) Трехмерная схема жгутов БЕЗ КОЖАНОЙ ОТДЕЛКИ СИДЕНЬЯ (TBD1-GSV)(GMDAT)
Расположение деталей (узлов) Трехмерная схема жгутов ЕВРОПА
Внешний вид разъема и ремонт
Электрическая схема G101
Масса
BK Черный
Справочные данные по контроллерам

Справочные данные по контроллерам
Стояночные огни (2 из 2)

Стояночные огни (2 из 2)
Перечень основных электрических компонентов

Перечень основных электрических компонентов
   


https://vnx.su/ 🛠 Руководства по ремонту и эксплуатации для автомобилей

Поиск по сайту

Остались вопросы или пожелания? Пишите на почту: support@vnx.su

Карта Сайта