Cruze
   
GMDE Start Page Load static TOC Load dynamic TOC Help?
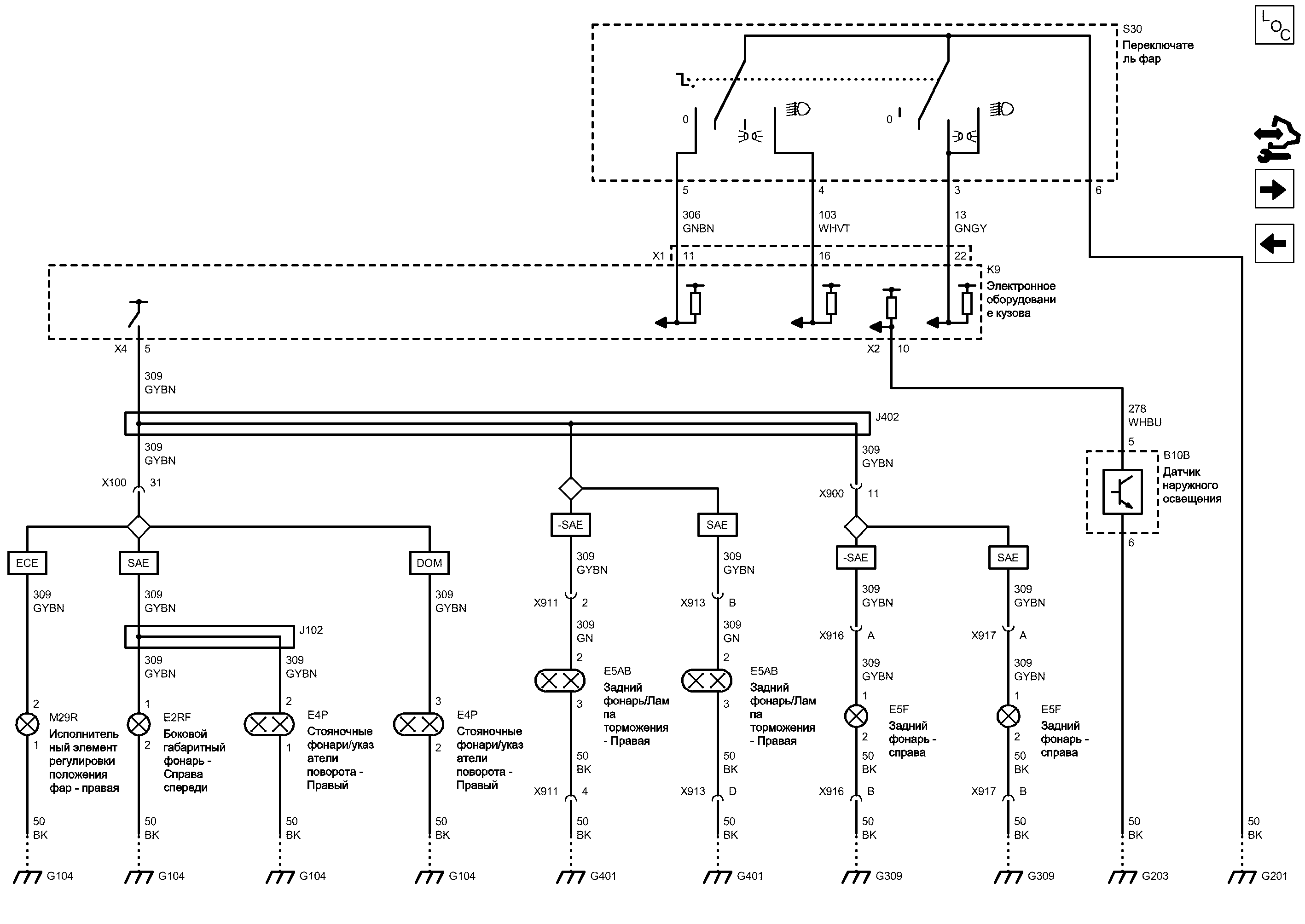
Стояночные огни (2 из 2)


            |                         |            
2202814RU.png


Display graphic

Display graphic

Компоненты
b10bДатчик наружного освещенияe5fЗадний фонарь - справа
e2rfБоковой габаритный фонарь - Справа спередиk9Электронное оборудование кузова
e4pСтояночные фонари/указатели поворота - Правыйm29rИсполнительный элемент регулировки положения фар - правая
e5abЗадний фонарь/Лампа торможения - Праваяs30Переключатель фар
Разъемы
j102Жгут проводов передней части кузоваx900Жгут проводов кузова и жгут проводов подъемной задней двери
j402Жгут проводов кузоваx911Жгут проводов кузова и жгут проводов правого заднего фонаря/стоп-сигнала
k9 (x1)Электронное оборудование кузова x1x913Жгут проводов кузова и жгут проводов правого заднего фонаря/стоп-сигнала
k9 (x2)Электронное оборудование кузова x2x916Жгут проводов подъемной задней двери и жгут проводов правого заднего фонаря подъемной задней двери
k9 (x4)Электронное оборудование кузова x4x917Жгут проводов подъемной задней двери и жгут проводов правого заднего фонаря подъемной задней двери
x100Жгут проводов кузова и жгут проводов передней части кузова
Точки соединения с массой
g104Моторный отсек - Передняя часть, справаg309Задняя панель, левая
g201Поперечина, панель приборов, слеваg401Задняя панель, левая
g203Поперечина, панель приборов - позади аудиосистемы
Сокращения
domСТРАНА - КОРЕЯsaeСТРАНЫ - СЕВЕРНАЯ АМЕРИКА
eceЕВРОПА-saeСТРАНЫ - КРОМЕ СЕВЕРНОЙ АМЕРИКИ
Цветовые коды
bkЧерныйgybnСерый-Коричневый
gnЗеленыйwhbuБелый-Синий
gnbnЗеленый-КоричневыйwhvtБелый-Фиолетовый
gngyЗеленый-Серый
6
5
4
3
G201 Поперечина, панель приборов, слева

Расположение деталей (узлов) Трехмерная схема жгутов
Внешний вид разъема и ремонт
Электрическая схема G201
Масса
BK Черный
Управление сигналом выключения фар переключателя фар
GNBN Зеленый-Коричневый
Сигнал включения переключателя фар
WHVT Белый-Фиолетовый
Сигнал стояночных огней переключателя фар
GNGY Зеленый-Серый
22
16
11
X1 Электронное оборудование кузова X1

Расположение деталей (узлов) Трехмерная схема жгутов
5
X4 Электронное оборудование кузова X4

Расположение деталей (узлов) Трехмерная схема жгутов
Управление правыми стояночными огнями
GYBN Серый-Коричневый
J402 Жгут проводов кузова
X100 Жгут проводов кузова и жгут проводов передней части кузова

Расположение деталей (узлов) Трехмерная схема жгутов
Внешний вид разъема и ремонт Вилка
Внешний вид разъема и ремонт Гнездо
31
СТРАНЫ - СЕВЕРНАЯ АМЕРИКА
GYBN Серый-Коричневый
СТРАНА - КОРЕЯ
GYBN Серый-Коричневый
J102 Жгут проводов передней части кузова
1
2
G104 Моторный отсек - Передняя часть, справа

Расположение деталей (узлов) Трехмерная схема жгутов БЕЗ КОЖАНОЙ ОТДЕЛКИ СИДЕНЬЯ (TBD1-GSV)(GMDAT)
Расположение деталей (узлов) Трехмерная схема жгутов ЕВРОПА
Внешний вид разъема и ремонт
Электрическая схема G104
Масса
BK Черный
2
1
G104 Моторный отсек - Передняя часть, справа

Расположение деталей (узлов) Трехмерная схема жгутов БЕЗ КОЖАНОЙ ОТДЕЛКИ СИДЕНЬЯ (TBD1-GSV)(GMDAT)
Расположение деталей (узлов) Трехмерная схема жгутов ЕВРОПА
Внешний вид разъема и ремонт
Электрическая схема G104
Масса
BK Черный
2
3
G104 Моторный отсек - Передняя часть, справа

Расположение деталей (узлов) Трехмерная схема жгутов БЕЗ КОЖАНОЙ ОТДЕЛКИ СИДЕНЬЯ (TBD1-GSV)(GMDAT)
Расположение деталей (узлов) Трехмерная схема жгутов ЕВРОПА
Внешний вид разъема и ремонт
Электрическая схема G104
Масса
BK Черный
СТРАНЫ - КРОМЕ СЕВЕРНОЙ АМЕРИКИ
GYBN Серый-Коричневый
G401 Задняя панель, левая

Расположение деталей (узлов) Трехмерная схема жгутов
Внешний вид разъема и ремонт
Электрическая схема G401
Масса
BK Черный
3
2
X911 Жгут проводов кузова и жгут проводов правого заднего фонаря/стоп-сигнала

Расположение деталей (узлов) Трехмерная схема жгутов СТРАНЫ - КРОМЕ СЕВЕРНОЙ АМЕРИКИ
Внешний вид разъема и ремонт Вилка СТРАНЫ - КРОМЕ СЕВЕРНОЙ АМЕРИКИ
Внешний вид разъема и ремонт Гнездо СТРАНЫ - КРОМЕ СЕВЕРНОЙ АМЕРИКИ
2
X911 Жгут проводов кузова и жгут проводов правого заднего фонаря/стоп-сигнала

Расположение деталей (узлов) Трехмерная схема жгутов СТРАНЫ - КРОМЕ СЕВЕРНОЙ АМЕРИКИ
Внешний вид разъема и ремонт Вилка СТРАНЫ - КРОМЕ СЕВЕРНОЙ АМЕРИКИ
Внешний вид разъема и ремонт Гнездо СТРАНЫ - КРОМЕ СЕВЕРНОЙ АМЕРИКИ
4
BK Черный
2
3
G401 Задняя панель, левая

Расположение деталей (узлов) Трехмерная схема жгутов
Внешний вид разъема и ремонт
Электрическая схема G401
X913 Жгут проводов кузова и жгут проводов правого заднего фонаря/стоп-сигнала

Внешний вид разъема и ремонт Вилка
Доступен вид только с одним разъемом
D
Масса
BK Черный
BK Черный
X913 Жгут проводов кузова и жгут проводов правого заднего фонаря/стоп-сигнала

Внешний вид разъема и ремонт Вилка
Доступен вид только с одним разъемом
B
X900 Жгут проводов кузова и жгут проводов подъемной задней двери

Расположение деталей (узлов) Трехмерная схема жгутов СТРАНЫ - СЕВЕРНАЯ АМЕРИКА
Расположение деталей (узлов) Трехмерная схема жгутов СТРАНЫ - КРОМЕ СЕВЕРНОЙ АМЕРИКИ
Внешний вид разъема и ремонт Вилка
Внешний вид разъема и ремонт Гнездо
11
СТРАНЫ - КРОМЕ СЕВЕРНОЙ АМЕРИКИ
GYBN Серый-Коричневый
СТРАНЫ - СЕВЕРНАЯ АМЕРИКА
GYBN Серый-Коричневый
X916 Жгут проводов подъемной задней двери и жгут проводов правого заднего фонаря...

Расположение деталей (узлов) Трехмерная схема жгутов СТРАНЫ - КРОМЕ СЕВЕРНОЙ АМЕРИКИ
Внешний вид разъема и ремонт СТРАНА - КОРЕЯ
A
X917 Жгут проводов подъемной задней двери и жгут проводов правого заднего фонаря...

Расположение деталей (узлов) Трехмерная схема жгутов СТРАНЫ - СЕВЕРНАЯ АМЕРИКА
Внешний вид разъема и ремонт СТРАНЫ - СЕВЕРНАЯ АМЕРИКА
A
1
2
2
1
Масса
BK Черный
X916 Жгут проводов подъемной задней двери и жгут проводов правого заднего фонаря...

Расположение деталей (узлов) Трехмерная схема жгутов СТРАНЫ - КРОМЕ СЕВЕРНОЙ АМЕРИКИ
Внешний вид разъема и ремонт СТРАНА - КОРЕЯ
B
X917 Жгут проводов подъемной задней двери и жгут проводов правого заднего фонаря...

Расположение деталей (узлов) Трехмерная схема жгутов СТРАНЫ - СЕВЕРНАЯ АМЕРИКА
Внешний вид разъема и ремонт СТРАНЫ - СЕВЕРНАЯ АМЕРИКА
B
Масса
BK Черный
BK Черный
G309 Задняя панель, левая

Расположение деталей (узлов) Трехмерная схема жгутов
Внешний вид разъема и ремонт
Электрическая схема G309
G309 Задняя панель, левая

Расположение деталей (узлов) Трехмерная схема жгутов
Внешний вид разъема и ремонт
Электрическая схема G309
BK Черный
GYBN Серый-Коричневый
GYBN Серый-Коричневый
GYBN Серый-Коричневый
СТРАНЫ - СЕВЕРНАЯ АМЕРИКА
GYBN Серый-Коричневый
GN Зеленый
GN Зеленый
GYBN Серый-Коричневый
GYBN Серый-Коричневый
GYBN Серый-Коричневый
E5F Задний фонарь - справа

Расположение деталей (узлов) Трехмерная схема жгутов
Внешний вид разъема
E5F Задний фонарь - справа

Расположение деталей (узлов) Трехмерная схема жгутов
Внешний вид разъема
E5AB Задний фонарь/Лампа торможения - Правая

Расположение деталей (узлов) Трехмерная схема жгутов
Внешний вид разъема и ремонт
E5AB Задний фонарь/Лампа торможения - Правая

Расположение деталей (узлов) Трехмерная схема жгутов
Внешний вид разъема и ремонт
E4P Стояночные фонари/указатели поворота - Правый

Расположение деталей (узлов) Трехмерная схема жгутов БЕЗ КОЖАНОЙ ОТДЕЛКИ СИДЕНЬЯ (TBD1-GSV)(GMDAT)
Внешний вид разъема и ремонт СТРАНА - КОРЕЯ
E4P Стояночные фонари/указатели поворота - Правый

Расположение деталей (узлов) Трехмерная схема жгутов БЕЗ КОЖАНОЙ ОТДЕЛКИ СИДЕНЬЯ (TBD1-GSV)(GMDAT)
Внешний вид разъема и ремонт СТРАНА - КОРЕЯ
E2RF Боковой габаритный фонарь - Справа спереди

Внешний вид разъема и ремонт
Доступен вид только с одним разъемом
S30 Переключатель фар

Расположение деталей (узлов) Трехмерная схема жгутов Левостороннее управление
Внешний вид разъема и ремонт
Сигнал
Сигнал
Сигнал
K9 Электронное оборудование кузова

Расположение деталей (узлов) Трехмерная схема жгутов
Управление
B10B Датчик наружного освещения

Расположение деталей (узлов) Трехмерная схема жгутов
Внешний вид разъема и ремонт
6
5
Сигнал датчика окружающего света
WHBU Белый-Синий
G203 Поперечина, панель приборов - позади аудиосистемы

Расположение деталей (узлов) Трехмерная схема жгутов
Внешний вид разъема и ремонт
Электрическая схема G203
Масса
BK Черный
X2 Электронное оборудование кузова X2

Расположение деталей (узлов) Трехмерная схема жгутов
10
Сигнал
ЕВРОПА
GYBN Серый-Коричневый
1
2
M29R Исполнительный элемент регулировки положения фар - правая

Расположение деталей (узлов) Трехмерная схема жгутов БЕЗ КОЖАНОЙ ОТДЕЛКИ СИДЕНЬЯ (TBD1-GSV)(GMDAT)
Расположение деталей (узлов) Трехмерная схема жгутов ЕВРОПА
Внешний вид разъема и ремонт ЕВРОПА
G104 Моторный отсек - Передняя часть, справа

Расположение деталей (узлов) Трехмерная схема жгутов БЕЗ КОЖАНОЙ ОТДЕЛКИ СИДЕНЬЯ (TBD1-GSV)(GMDAT)
Расположение деталей (узлов) Трехмерная схема жгутов ЕВРОПА
Внешний вид разъема и ремонт
Электрическая схема G104
Масса
BK Черный
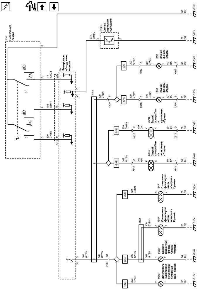
Стояночные огни (1 из 2)

Стояночные огни (1 из 2)
Справочные данные по контроллерам

Справочные данные по контроллерам
Указатели поворота

Указатели поворота
Перечень основных электрических компонентов

Перечень основных электрических компонентов
   


https://vnx.su/ 🛠 Руководства по ремонту и эксплуатации для автомобилей

Поиск по сайту

Остались вопросы или пожелания? Пишите на почту: support@vnx.su

Карта Сайта