Cruze
   
GMDE Start Page Load static TOC Load dynamic TOC Help?
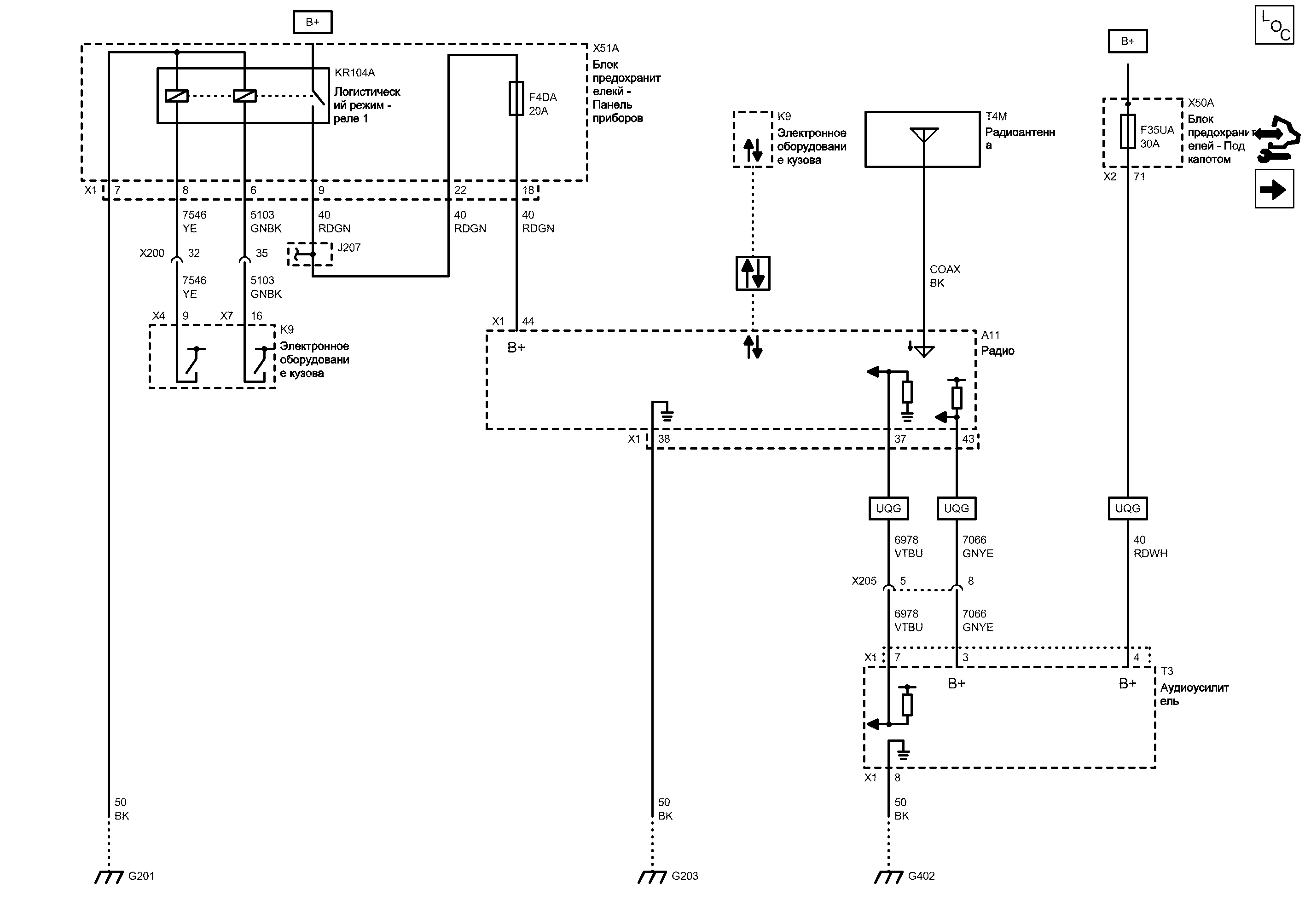
Питание, масса и последовательные данные


            |                         |            
2202865RU.png


Display graphic

Display graphic

Компоненты
a11Радиоt3Аудиоусилитель
f4daПредохранительt4mРадиоантенна
f35uaПредохранительx50aБлок предохранителей - Под капотом
k9Электронное оборудование кузоваx51aБлок предохранителекй - Панель приборов
kr104aЛогистический режим - реле 1
Разъемы
a11 (x1)Радио x1x50a (x2)Блок предохранителей - Под капотом x2
j207Жгут проводов панели приборовx51a (x1)Блок предохранителекй - Панель приборов x1
k9 (x4)Электронное оборудование кузова x4x200Жгут проводов кузова и жгут проводов панели приборов
k9 (x7)Электронное оборудование кузова x7x205Жгут проводов кузова и жгут проводов панели приборов
t3 (x1)Аудиоусилитель x1
Точки соединения с массой
g201Поперечина, панель приборов, слеваg402Задняя панель, правая
g203Поперечина, панель приборов - позади аудиосистемы
Сокращения
b+Вывод b+uqgУЛУЧШЕННАЯ СИСТЕМА ДИНАМИКОВ, С УСИЛИТЕЛЕМ
fsdcФункциональный обмен последовательными данными
Цветовые коды
bkЧерныйrdwhКрасный-Белый
gnbkЗеленый-ЧерныйvtbuФиолетовый-Синий
gnyeЗеленый-ЖелтыйyeЖелтый
rdgnКрасный-Зеленый
44
G203 Поперечина, панель приборов - позади аудиосистемы

Расположение деталей (узлов) Трехмерная схема жгутов
Внешний вид разъема и ремонт
Электрическая схема G203
Масса
BK Черный
38
7
Управление усилителем
VTBU Фиолетовый-Синий
37
Слабый опорный сигнал
3
Сигнал дистанционного включения развлечений
GNYE Зеленый-Желтый
43
X1 Радио X1

Внешний вид разъема и ремонт
X1 Радио X1

Внешний вид разъема и ремонт
X205 Жгут проводов кузова и жгут проводов панели приборов

Расположение деталей (узлов) Трехмерная схема жгутов
Внешний вид разъема и ремонт Вилка
Внешний вид разъема и ремонт Гнездо
5
8
4
Положительное напряжение аккумуляторной батареи
F35UA Предохранитель

Электрическая схема Дерево Предохранители F24UA, F32UA, F35UA, F55UA, F69UA и F70UA
Электрическая схема Питание Шина B+ UEC (1 из 6)
Вывод B+
71
8
Масса
BK Черный
G402 Задняя панель, правая

Расположение деталей (узлов) Трехмерная схема жгутов СТРАНЫ - КРОМЕ СЕВЕРНОЙ АМЕРИКИ
Внешний вид разъема и ремонт
Электрическая схема G402
УЛУЧШЕННАЯ СИСТЕМА ДИНАМИКОВ, С УСИЛИТЕЛЕМ
VTBU Фиолетовый-Синий
УЛУЧШЕННАЯ СИСТЕМА ДИНАМИКОВ, С УСИЛИТЕЛЕМ
GNYE Зеленый-Желтый
УЛУЧШЕННАЯ СИСТЕМА ДИНАМИКОВ, С УСИЛИТЕЛЕМ
RDWH Красный-Белый
Функциональный обмен последовательными данными
Последовательные данные
COAX
BK Черный
T4M Радиоантенна

Внешний вид разъема и ремонт
K9 Электронное оборудование кузова

Расположение деталей (узлов) Трехмерная схема жгутов
X50A Блок предохранителей - Под капотом

Расположение деталей (узлов) Трехмерная схема жгутов
T3 Аудиоусилитель

Расположение деталей (узлов) Трехмерная схема жгутов
A11 Радио

Расположение деталей (узлов) Трехмерная схема жгутов
X2 Блок предохранителей - Под капотом X2

Внешний вид разъема и ремонт
X1 Аудиоусилитель X1

Расположение деталей (узлов) Трехмерная схема жгутов
X1 Аудиоусилитель X1

Расположение деталей (узлов) Трехмерная схема жгутов
J207 Жгут проводов панели приборов

Электрическая схема Система облегчения парковки
Электрическая схема Дисплей информационно-развлекательной системы Äèñïëåé èíôîðìàöèîííî-ðàçâëåêàòåëüíîé ñèñòåìû, öâåòíîé èíôîðìàöèîííûé äèñïëåé (CID) 7'', OVGA - 1
Электрическая схема Дисплей информационно-развлекательной системы Äèñïëåé èíôîðìàöèîííî-ðàçâëåêàòåëüíîé ñèñòåìû, öâåòíîé èíôîðìàöèîííûé äèñïëåé (CID) 7'', OVGA - 2
Электрическая схема Дисплей информационно-развлекательной системы ГРАФИЧЕСКИЙ ИНФОРМАЦИОННЫЙ ДИСПЛЕЙ (GID), ВАР. 1. ИЛИ ИНФОРМАЦИОННО-РАЗВЛЕКАТЕЛЬНЫЙ ДИСПЛЕЙ, ВРЕМЯ, ВНЕШН. ТЕМПЕРАТУРА, АУДИОСИСТЕМА
Электрическая схема Противоугонная сигнализация
Положительное напряжение аккумуляторной батареи
RDGN Красный-Зеленый
9
KR104A Логистический режим - реле 1
7
X1 Блок предохранителекй - Панель приборов X1
9
X7 Электронное оборудование кузова X7

Расположение деталей (узлов) Трехмерная схема жгутов
X4 Электронное оборудование кузова X4

Расположение деталей (узлов) Трехмерная схема жгутов
16
Управление
K9 Электронное оборудование кузова

Расположение деталей (узлов) Трехмерная схема жгутов
Управление
X200 Жгут проводов кузова и жгут проводов панели приборов

Расположение деталей (узлов) Трехмерная схема жгутов
Внешний вид разъема и ремонт Вилка
Внешний вид разъема и ремонт Гнездо
32
Логистическое релейное управление
YE Желтый
YE Желтый
8
Идентификация технологии
GNBK Зеленый-Черный
35
6
GNBK Зеленый-Черный
Вывод B+
22
RDGN Красный-Зеленый
Положительное напряжение аккумуляторной батареи
RDGN Красный-Зеленый
18
F4DA Предохранитель

Электрическая схема Дерево Предохранители F1DA, F4DA и F5DA
Электрическая схема Питание Шина B+ IEC (2 из 3)
X51A Блок предохранителекй - Панель приборов

Расположение деталей (узлов) Трехмерная схема жгутов
Масса
BK Черный
G201 Поперечина, панель приборов, слева

Расположение деталей (узлов) Трехмерная схема жгутов
Внешний вид разъема и ремонт
Электрическая схема G201
B+ (положительное напряжение аккумуляторной батареи)
Сигнал антенны
B+ (положительное напряжение аккумуляторной батареи)
Слабый опорный сигнал
Последовательные данные
B+ (положительное напряжение аккумуляторной батареи)
Сигнал
Сигнал
Сигнал
Справочные данные по контроллерам

Справочные данные по контроллерам
Дверные динамики

Дверные динамики
Перечень основных электрических компонентов

Перечень основных электрических компонентов
   


https://vnx.su/ 🛠 Руководства по ремонту и эксплуатации для автомобилей

Поиск по сайту

Остались вопросы или пожелания? Пишите на почту: support@vnx.su

Карта Сайта