Cruze
   
GMDE Start Page Load static TOC Load dynamic TOC Help?
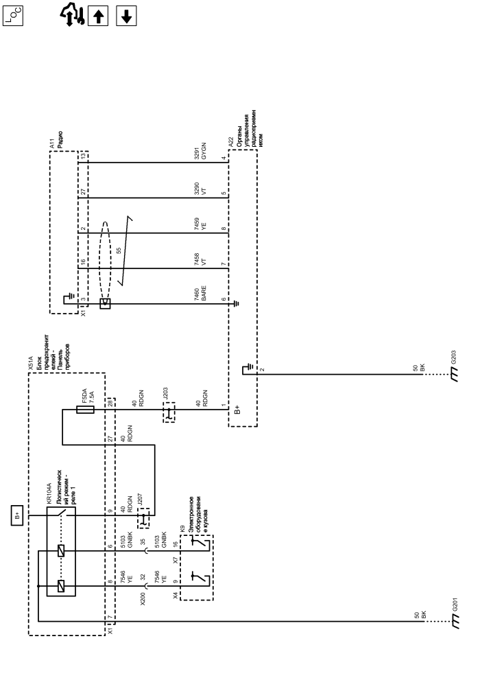
Дисплей информационно-развлекательной системы (Äèñïëåé èíôîðìàöèîííî-ðàçâëåêàòåëüíîé ñèñòåìû, öâåòíîé èíôîðìàöèîííûé äèñïëåé (cid) 7'', ovga) 1 от 2


            |                         |            
2202889RU.png


Display graphic

Display graphic

Компоненты
a11Радиоk9Электронное оборудование кузова
a22Органы управления радиоприемникомkr104aЛогистический режим - реле 1
f5daПредохранительx51aБлок предохранителекй - Панель приборов
Разъемы
a11 (x1)Радио x1k9 (x7)Электронное оборудование кузова x7
j203Жгут проводов панели приборовx51a (x1)Блок предохранителекй - Панель приборов x1
j207Жгут проводов панели приборовx200Жгут проводов кузова и жгут проводов панели приборов
k9 (x4)Электронное оборудование кузова x4
Точки соединения с массой
g201Поперечина, панель приборов, слеваg203Поперечина, панель приборов - позади аудиосистемы
Сокращения
b+Вывод b+
Цветовые коды
barebarerdgnКрасный-Зеленый
bkЧерныйvtФиолетовый
gnbkЗеленый-ЧерныйyeЖелтый
gygnСерый-Зеленый
1
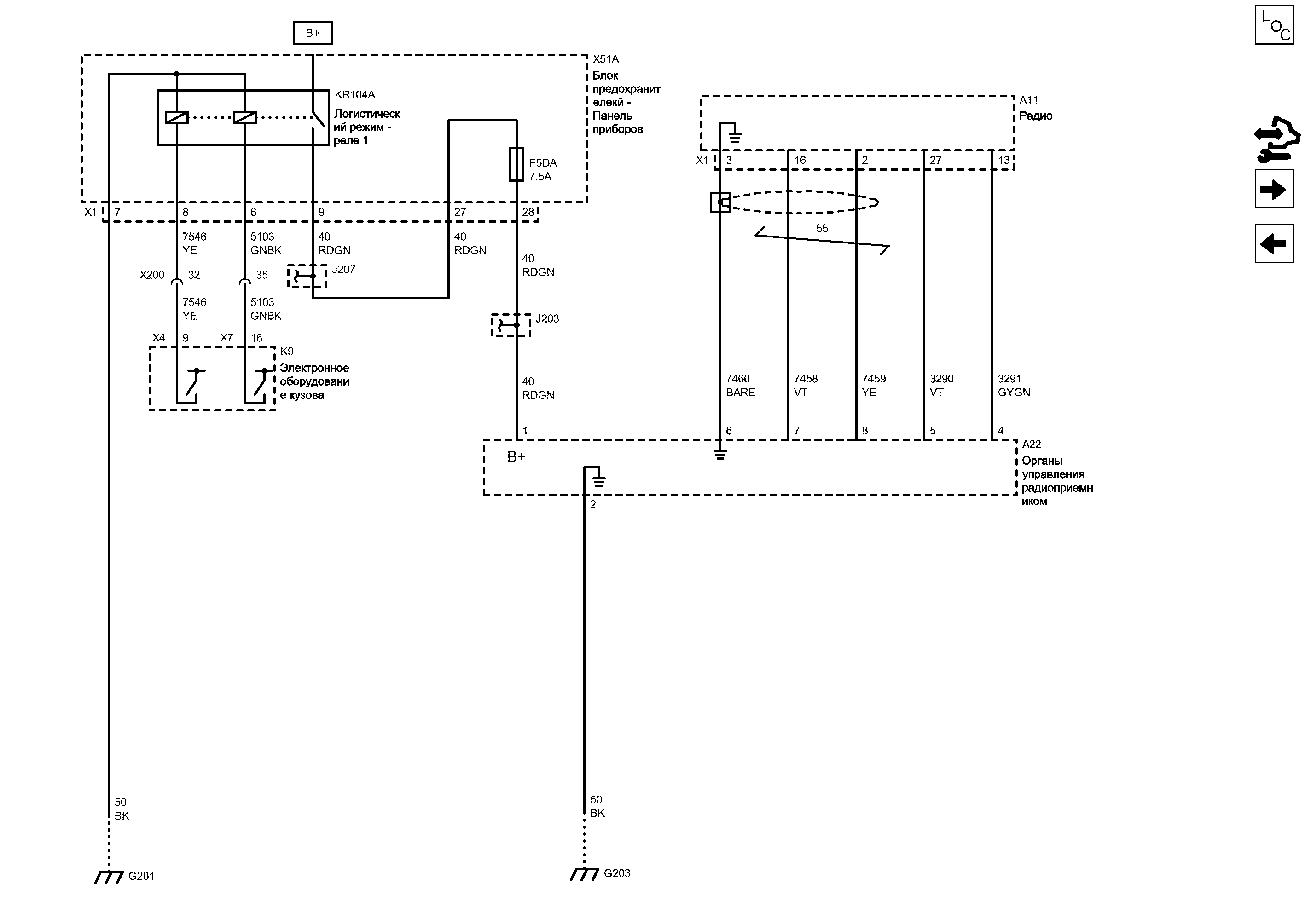
G203 Поперечина, панель приборов - позади аудиосистемы

Расположение деталей (узлов) Трехмерная схема жгутов
Внешний вид разъема и ремонт
Электрическая схема G203
Масса
BK Черный
2
Слабый опорный сигнал
4
8
5
7
16
2
13
27
Интегрированный центральный стек, последовательные данные - высокий уровень шума...
YE Желтый
Интегрированный центральный стек - Сигнал обнуления
VT Фиолетовый
Интегрированный центральный стек - Сигнал таймерного включения
GYGN Серый-Зеленый
Центр - Интегрированный центр. стек - последовательные данные - высокий уровень
VT Фиолетовый
3
Интегрированный центральный стек, последовательные данные - экран
BARE BARE
6
Слабый опорный сигнал
A11 Радио

Расположение деталей (узлов) Трехмерная схема жгутов
A22 Органы управления радиоприемником

Расположение деталей (узлов) Трехмерная схема жгутов
Внешний вид разъема и ремонт Äèñïëåé èíôîðìàöèîííî-ðàçâëåêàòåëüíîé ñèñòåìû, öâåòíîé èíôîðìàöèîííûé äèñïëåé (CID) 7'', OVGA
Слабый опорный сигнал
B+ (положительное напряжение аккумуляторной батареи)
KR104A Логистический режим - реле 1
9
Положительное напряжение аккумуляторной батареи
RDGN Красный-Зеленый
J207 Жгут проводов панели приборов

Электрическая схема Система облегчения парковки
Электрическая схема Дисплей информационно-развлекательной системы Äèñïëåé èíôîðìàöèîííî-ðàçâëåêàòåëüíîé ñèñòåìû, öâåòíîé èíôîðìàöèîííûé äèñïëåé (CID) 7'', OVGA
Электрическая схема Питание, масса и последовательные данные
Электрическая схема Противоугонная сигнализация
X1 Блок предохранителекй - Панель приборов X1
Идентификация технологии
GNBK Зеленый-Черный
Логистическое релейное управление
YE Желтый
16
X4 Электронное оборудование кузова X4

Расположение деталей (узлов) Трехмерная схема жгутов
Управление
X7 Электронное оборудование кузова X7

Расположение деталей (узлов) Трехмерная схема жгутов
Управление
9
K9 Электронное оборудование кузова

Расположение деталей (узлов) Трехмерная схема жгутов
8
YE Желтый
X200 Жгут проводов кузова и жгут проводов панели приборов

Расположение деталей (узлов) Трехмерная схема жгутов
Внешний вид разъема и ремонт Вилка
Внешний вид разъема и ремонт Гнездо
32
7
GNBK Зеленый-Черный
35
6
Вывод B+
F5DA Предохранитель

Электрическая схема Дерево Предохранители F1DA, F4DA и F5DA
Электрическая схема Питание Шина B+ IEC (2 из 3)
27
RDGN Красный-Зеленый
Положительное напряжение аккумуляторной батареи
RDGN Красный-Зеленый
28
X51A Блок предохранителекй - Панель приборов

Расположение деталей (узлов) Трехмерная схема жгутов
G201 Поперечина, панель приборов, слева

Расположение деталей (узлов) Трехмерная схема жгутов
Внешний вид разъема и ремонт
Электрическая схема G201
Масса
BK Черный
J203 Жгут проводов панели приборов

Электрическая схема Система облегчения парковки
Электрическая схема Дисплей информационно-развлекательной системы Äèñïëåé èíôîðìàöèîííî-ðàçâëåêàòåëüíîé ñèñòåìû, öâåòíîé èíôîðìàöèîííûé äèñïëåé (CID) 7'', OVGA
RDGN Красный-Зеленый
X1 Радио X1

Внешний вид разъема и ремонт
Дисплей информационно-развлекательной системы

Дисплей информационно-развлекательной системы
Справочные данные по контроллерам

Справочные данные по контроллерам
Дисплей информационно-развлекательной системы

Дисплей информационно-развлекательной системы
Перечень основных электрических компонентов

Перечень основных электрических компонентов
   


https://vnx.su/ 🛠 Руководства по ремонту и эксплуатации для автомобилей

Поиск по сайту

Остались вопросы или пожелания? Пишите на почту: support@vnx.su

Карта Сайта