Cruze
   
GMDE Start Page Load static TOC Load dynamic TOC Help?
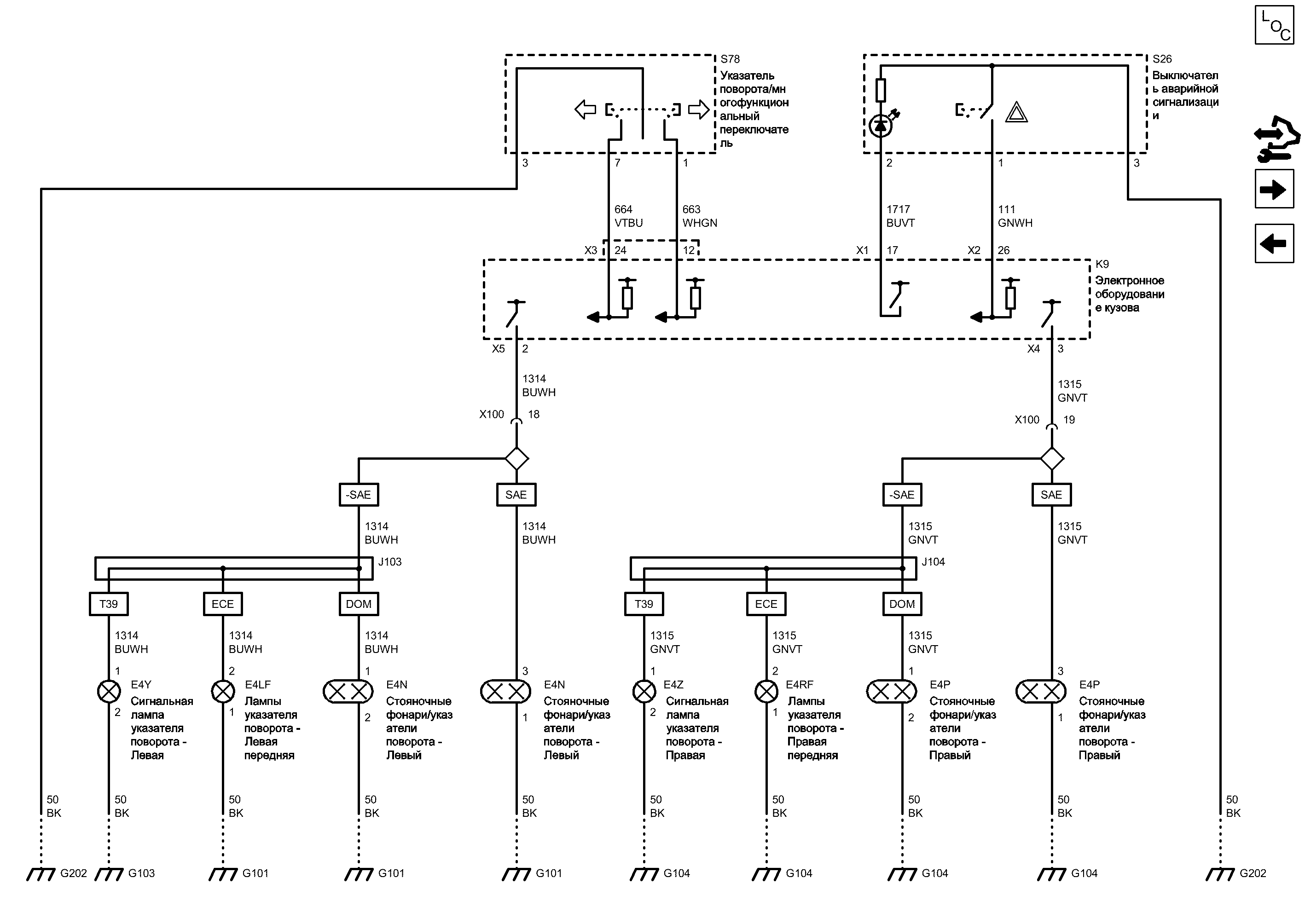
Указатели поворота 1 от 2


            |                         |            
2202817RU.png


Display graphic

Display graphic

Компоненты
e4lfЛампы указателя поворота - Левая передняяe4zСигнальная лампа указателя поворота - Правая
e4nСтояночные фонари/указатели поворота - Левыйk9Электронное оборудование кузова
e4pСтояночные фонари/указатели поворота - Правыйs26Выключатель аварийной сигнализации
e4rfЛампы указателя поворота - Правая передняяs78Указатель поворота/многофункциональный переключатель
e4yСигнальная лампа указателя поворота - Левая
Разъемы
j103Жгут проводов передней части кузоваk9 (x3)Электронное оборудование кузова x3
j104Жгут проводов передней части кузоваk9 (x4)Электронное оборудование кузова x4
k9 (x1)Электронное оборудование кузова x1k9 (x5)Электронное оборудование кузова x5
k9 (x2)Электронное оборудование кузова x2x100Жгут проводов кузова и жгут проводов передней части кузова
Точки соединения с массой
g101Моторный отсек - Передняя часть, слеваg104Моторный отсек - Передняя часть, справа
g103Моторный отсек - Передняя часть, слеваg202Поперечина, панель приборов - позади аудиосистемы
Сокращения
domСТРАНА - КОРЕЯ-saeСТРАНЫ - КРОМЕ СЕВЕРНОЙ АМЕРИКИ
eceЕВРОПАt39ЛАМПАУКАЗАТЕЛЯ ПОВОРОТА, ДОПОЛНИТЕЛЬНАЯ
saeСТРАНЫ - СЕВЕРНАЯ АМЕРИКА
Цветовые коды
bkЧерныйgnwhЗеленый-Белый
buvtСиний-ФиолетовыйvtbuФиолетовый-Синий
buwhСиний-БелыйwhgnБелый-Зеленый
gnvtЗеленый-Фиолетовый
3
X5 Электронное оборудование кузова X5

Расположение деталей (узлов) Трехмерная схема жгутов
2
7
1
Сигнал аварийного выключателя\левого поворота
WHGN Белый-Зеленый
Сигнал аварийного выключателя\правого поворота
VTBU Фиолетовый-Синий
12
24
X3 Электронное оборудование кузова X3

Расположение деталей (узлов) Трехмерная схема жгутов
X4 Электронное оборудование кузова X4

Расположение деталей (узлов) Трехмерная схема жгутов
G101 Моторный отсек - Передняя часть, слева

Расположение деталей (узлов) Трехмерная схема жгутов БЕЗ КОЖАНОЙ ОТДЕЛКИ СИДЕНЬЯ (TBD1-GSV)(GMDAT)
Расположение деталей (узлов) Трехмерная схема жгутов ЕВРОПА
Внешний вид разъема и ремонт
Электрическая схема G101
1
2
Масса
BK Черный
СТРАНЫ - КРОМЕ СЕВЕРНОЙ АМЕРИКИ
BUWH Синий-Белый
G101 Моторный отсек - Передняя часть, слева

Расположение деталей (узлов) Трехмерная схема жгутов БЕЗ КОЖАНОЙ ОТДЕЛКИ СИДЕНЬЯ (TBD1-GSV)(GMDAT)
Расположение деталей (узлов) Трехмерная схема жгутов ЕВРОПА
Внешний вид разъема и ремонт
Электрическая схема G101
Масса
BK Черный
G101 Моторный отсек - Передняя часть, слева

Расположение деталей (узлов) Трехмерная схема жгутов БЕЗ КОЖАНОЙ ОТДЕЛКИ СИДЕНЬЯ (TBD1-GSV)(GMDAT)
Расположение деталей (узлов) Трехмерная схема жгутов ЕВРОПА
Внешний вид разъема и ремонт
Электрическая схема G101
Масса
BK Черный
2
1
J103 Жгут проводов передней части кузова
1
3
X100 Жгут проводов кузова и жгут проводов передней части кузова

Расположение деталей (узлов) Трехмерная схема жгутов
Внешний вид разъема и ремонт Вилка
Внешний вид разъема и ремонт Гнездо
18
Управление левым передним указателем поворота
BUWH Синий-Белый
СТРАНЫ - СЕВЕРНАЯ АМЕРИКА
BUWH Синий-Белый
G103 Моторный отсек - Передняя часть, слева

Расположение деталей (узлов) Трехмерная схема жгутов БЕЗ КОЖАНОЙ ОТДЕЛКИ СИДЕНЬЯ (TBD1-GSV)(GMDAT)
Расположение деталей (узлов) Трехмерная схема жгутов ЕВРОПА
Внешний вид разъема и ремонт
Электрическая схема G103 и G105
Масса
BK Черный
2
1
ЛАМПАУКАЗАТЕЛЯ ПОВОРОТА, ДОПОЛНИТЕЛЬНАЯ
BUWH Синий-Белый
ЕВРОПА
BUWH Синий-Белый
СТРАНА - КОРЕЯ
BUWH Синий-Белый
G104 Моторный отсек - Передняя часть, справа

Расположение деталей (узлов) Трехмерная схема жгутов БЕЗ КОЖАНОЙ ОТДЕЛКИ СИДЕНЬЯ (TBD1-GSV)(GMDAT)
Расположение деталей (узлов) Трехмерная схема жгутов ЕВРОПА
Внешний вид разъема и ремонт
Электрическая схема G104
Масса
BK Черный
G104 Моторный отсек - Передняя часть, справа

Расположение деталей (узлов) Трехмерная схема жгутов БЕЗ КОЖАНОЙ ОТДЕЛКИ СИДЕНЬЯ (TBD1-GSV)(GMDAT)
Расположение деталей (узлов) Трехмерная схема жгутов ЕВРОПА
Внешний вид разъема и ремонт
Электрическая схема G104
Масса
BK Черный
ЛАМПАУКАЗАТЕЛЯ ПОВОРОТА, ДОПОЛНИТЕЛЬНАЯ
GNVT Зеленый-Фиолетовый
1
2
ЕВРОПА
GNVT Зеленый-Фиолетовый
1
2
G104 Моторный отсек - Передняя часть, справа

Расположение деталей (узлов) Трехмерная схема жгутов БЕЗ КОЖАНОЙ ОТДЕЛКИ СИДЕНЬЯ (TBD1-GSV)(GMDAT)
Расположение деталей (узлов) Трехмерная схема жгутов ЕВРОПА
Внешний вид разъема и ремонт
Электрическая схема G104
Масса
BK Черный
G104 Моторный отсек - Передняя часть, справа

Расположение деталей (узлов) Трехмерная схема жгутов БЕЗ КОЖАНОЙ ОТДЕЛКИ СИДЕНЬЯ (TBD1-GSV)(GMDAT)
Расположение деталей (узлов) Трехмерная схема жгутов ЕВРОПА
Внешний вид разъема и ремонт
Электрическая схема G104
Масса
BK Черный
СТРАНА - КОРЕЯ
GNVT Зеленый-Фиолетовый
2
1
1
3
J104 Жгут проводов передней части кузова
СТРАНЫ - КРОМЕ СЕВЕРНОЙ АМЕРИКИ
GNVT Зеленый-Фиолетовый
СТРАНЫ - СЕВЕРНАЯ АМЕРИКА
GNVT Зеленый-Фиолетовый
X100 Жгут проводов кузова и жгут проводов передней части кузова

Расположение деталей (узлов) Трехмерная схема жгутов
Внешний вид разъема и ремонт Вилка
Внешний вид разъема и ремонт Гнездо
19
Управление правым передним указателем поворота
GNVT Зеленый-Фиолетовый
17
26
X1 Электронное оборудование кузова X1

Расположение деталей (узлов) Трехмерная схема жгутов
X2 Электронное оборудование кузова X2

Расположение деталей (узлов) Трехмерная схема жгутов
Управление проблесковым прерывателем указателей поворота аварийного выключателя
BUVT Синий-Фиолетовый
Сигнал аварийного выключателя
GNWH Зеленый-Белый
G202 Поперечина, панель приборов - позади аудиосистемы

Расположение деталей (узлов) Трехмерная схема жгутов
Внешний вид разъема и ремонт Левостороннее управление
Внешний вид разъема и ремонт Правостороннее управление
Электрическая схема G202
Масса
BK Черный
1
2
3
S26 Выключатель аварийной сигнализации

Внешний вид разъема и ремонт
E4P Стояночные фонари/указатели поворота - Правый

Расположение деталей (узлов) Трехмерная схема жгутов БЕЗ КОЖАНОЙ ОТДЕЛКИ СИДЕНЬЯ (TBD1-GSV)(GMDAT)
Внешний вид разъема и ремонт СТРАНА - КОРЕЯ
E4P Стояночные фонари/указатели поворота - Правый

Расположение деталей (узлов) Трехмерная схема жгутов БЕЗ КОЖАНОЙ ОТДЕЛКИ СИДЕНЬЯ (TBD1-GSV)(GMDAT)
Внешний вид разъема и ремонт СТРАНА - КОРЕЯ
E4N Стояночные фонари/указатели поворота - Левый

Расположение деталей (узлов) Трехмерная схема жгутов БЕЗ КОЖАНОЙ ОТДЕЛКИ СИДЕНЬЯ (TBD1-GSV)(GMDAT)
Внешний вид разъема и ремонт СТРАНА - КОРЕЯ
E4N Стояночные фонари/указатели поворота - Левый

Расположение деталей (узлов) Трехмерная схема жгутов БЕЗ КОЖАНОЙ ОТДЕЛКИ СИДЕНЬЯ (TBD1-GSV)(GMDAT)
Внешний вид разъема и ремонт СТРАНА - КОРЕЯ
S78 Указатель поворота/многофункциональный переключатель

Расположение деталей (узлов) Трехмерная схема жгутов Левостороннее управление
Внешний вид разъема и ремонт
K9 Электронное оборудование кузова

Расположение деталей (узлов) Трехмерная схема жгутов
Сигнал
Управление
Сигнал
Управление
Сигнал
Управление
3
G202 Поперечина, панель приборов - позади аудиосистемы

Расположение деталей (узлов) Трехмерная схема жгутов
Внешний вид разъема и ремонт Левостороннее управление
Внешний вид разъема и ремонт Правостороннее управление
Электрическая схема G202
Масса
BK Черный
E4LF Лампы указателя поворота - Левая передняя

Расположение деталей (узлов) Трехмерная схема жгутов ЕВРОПА
Внешний вид разъема и ремонт ЕВРОПА
E4Y Сигнальная лампа указателя поворота - Левая
E4RF Лампы указателя поворота - Правая передняя

Расположение деталей (узлов) Трехмерная схема жгутов ЕВРОПА
Внешний вид разъема и ремонт ЕВРОПА
E4Z Сигнальная лампа указателя поворота - Правая
Стояночные огни (2 из 2)

Стояночные огни (2 из 2)
Справочные данные по контроллерам

Справочные данные по контроллерам
Указатели поворота

Указатели поворота
Перечень основных электрических компонентов

Перечень основных электрических компонентов
   


https://vnx.su/ 🛠 Руководства по ремонту и эксплуатации для автомобилей

Поиск по сайту

Остались вопросы или пожелания? Пишите на почту: support@vnx.su

Карта Сайта