Cruze
   
GMDE Start Page Load static TOC Load dynamic TOC Help?
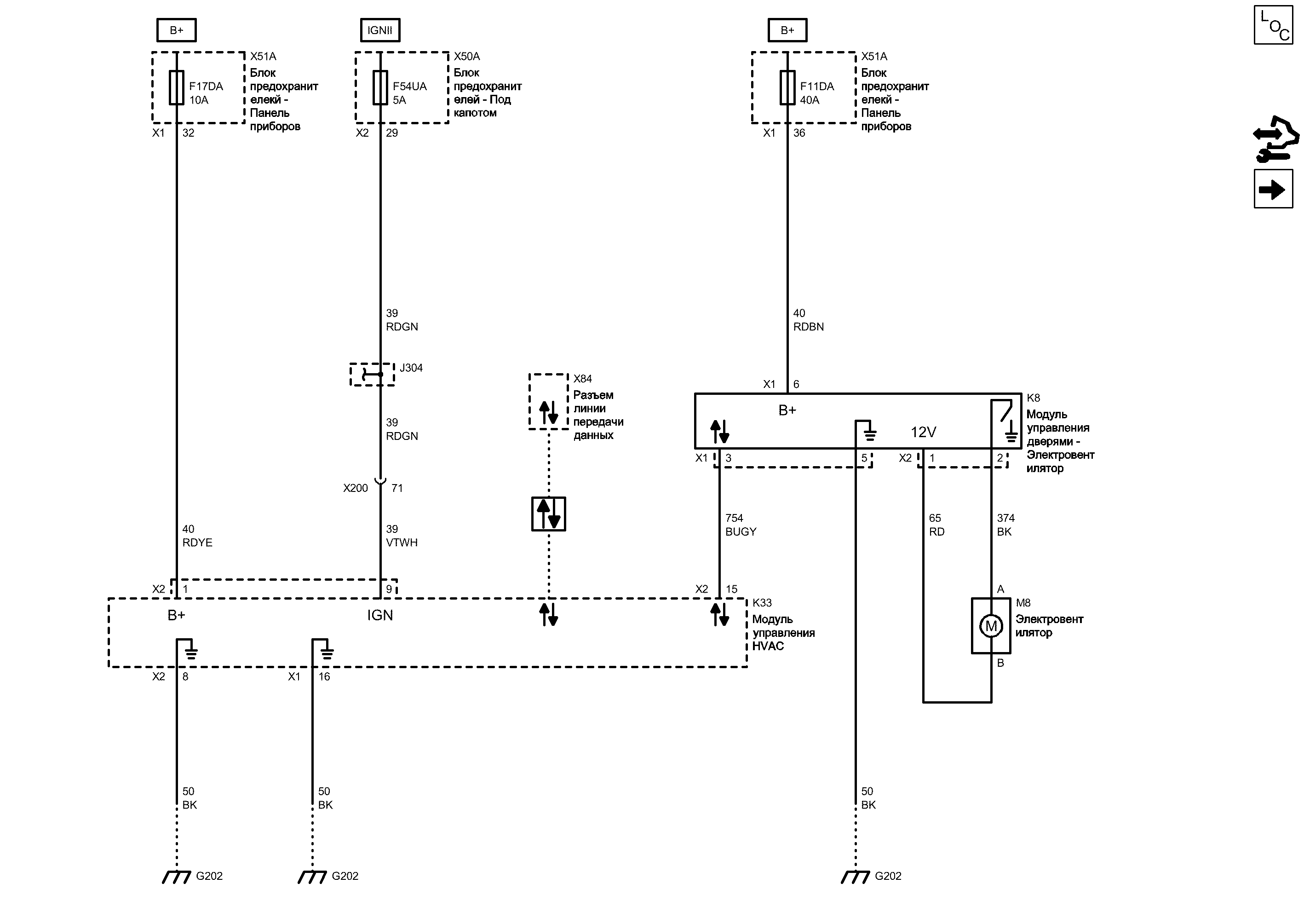
Питание, масса, последовательные данные и органы управления вентилятором


            |                         |            
2203032RU.png


Display graphic

Display graphic

Компоненты
f11daПредохранительm8Электровентилятор
f17daПредохранительx50aБлок предохранителей - Под капотом
f54uaПредохранительx51aБлок предохранителекй - Панель приборов
k8Модуль управления дверями - Электровентиляторx84Разъем линии передачи данных
k33Модуль управления hvac
Разъемы
j304Жгут проводов кузоваk33 (x2)Модуль управления hvac x2
k8 (x1)Модуль управления дверями - Электровентилятор x1x50a (x2)Блок предохранителей - Под капотом x2
k8 (x2)Модуль управления дверями - Электровентилятор x2x51a (x1)Блок предохранителекй - Панель приборов x1
k33 (x1)Модуль управления hvac x1x200Жгут проводов кузова и жгут проводов панели приборов
Точки соединения с массой
g202Поперечина, панель приборов - позади аудиосистемы
Сокращения
b+Вывод b+lscanНизкоскоростная шина can
igniiВыключатель зажигания - движение/запуск
Цветовые коды
bkЧерныйrdgnКрасный-Зеленый
bugyСиний-СерыйrdyeКрасный-Желтый
rdКрасныйvtwhФиолетовый-Белый
rdbnКрасный-Коричневый
1
X2 Модуль управления HVAC X2

Внешний вид разъема и ремонт
Положительное напряжение аккумуляторной батареи
RDYE Красный-Желтый
Вывод B+
X1 Блок предохранителекй - Панель приборов X1
F17DA Предохранитель

Электрическая схема Дерево Предохранители F14DA, F15DA, F16DA, F17DA, F21DA, F22DA, F23DA, F24DA и F25DA
Электрическая схема Питание Шина B+ IEC (1 из 3)
32
8
X2 Модуль управления HVAC X2

Внешний вид разъема и ремонт
G202 Поперечина, панель приборов - позади аудиосистемы

Расположение деталей (узлов) Трехмерная схема жгутов
Внешний вид разъема и ремонт Левостороннее управление
Внешний вид разъема и ремонт Правостороннее управление
Электрическая схема G202
Масса
BK Черный
9
X200 Жгут проводов кузова и жгут проводов панели приборов

Расположение деталей (узлов) Трехмерная схема жгутов
Внешний вид разъема и ремонт Вилка
Внешний вид разъема и ремонт Гнездо
71
J304 Жгут проводов кузова

Электрическая схема Регулировка положения фар
Электрическая схема Дополнительный обогреватель - 1
Электрическая схема Дополнительный обогреватель - 2
Напряжение зажигания
RDGN Красный-Зеленый
Низкоскоростная шина CAN
2
B
A
G202 Поперечина, панель приборов - позади аудиосистемы

Расположение деталей (узлов) Трехмерная схема жгутов
Внешний вид разъема и ремонт Левостороннее управление
Внешний вид разъема и ремонт Правостороннее управление
Электрическая схема G202
Масса
BK Черный
5
1
Положительное напряжение аккумуляторной батареи
RDBN Красный-Коричневый
6
Вывод B+
X1 Блок предохранителекй - Панель приборов X1
F11DA Предохранитель

Электрическая схема Дерево Предохранители F3DA, F8DA, F9DA, F10DA, F11DA, F12DA и F13DA
Электрическая схема Питание Шина B+ IEC (3 из 3)
36
Управление частотой вращения электровентилятора
BUGY Синий-Серый
3
15
X2 Модуль управления HVAC X2

Внешний вид разъема и ремонт
X84 Разъем линии передачи данных

Расположение деталей (узлов) Трехмерная схема жгутов
Расположение деталей (узлов) Трехмерная схема жгутов Левостороннее управление
Внешний вид разъема и ремонт
X51A Блок предохранителекй - Панель приборов

Расположение деталей (узлов) Трехмерная схема жгутов
M8 Электровентилятор

Расположение деталей (узлов) Трехмерная схема жгутов ПЕРЕДНИЙ ВОЗДУШНЫЙ КОНДИЦИОНЕР С СИСТЕМОЙ HVAC, АВТОМ., ЭЛЕКТРОННЫЕ ОРГАНЫ УПРАВЛЕНИЯ
Внешний вид разъема
K8 Модуль управления дверями - Электровентилятор

Расположение деталей (узлов) Трехмерная схема жгутов ПЕРЕДНИЙ ВОЗДУШНЫЙ КОНДИЦИОНЕР С СИСТЕМОЙ HVAC, АВТОМ., ЭЛЕКТРОННЫЕ ОРГАНЫ УПРАВЛЕНИЯ
Имеется только одно место для компонента
X51A Блок предохранителекй - Панель приборов

Расположение деталей (узлов) Трехмерная схема жгутов
K33 Модуль управления HVAC

Расположение деталей (узлов) Трехмерная схема жгутов ПЕРЕДНИЙ ВОЗДУШНЫЙ КОНДИЦИОНЕР С СИСТЕМОЙ HVAC, АВТОМ., ЭЛЕКТРОННЫЕ ОРГАНЫ УПРАВЛЕНИЯ
Имеется только одно место для компонента
X1 Модуль управления дверями - Электровентилятор X1

Расположение деталей (узлов) Трехмерная схема жгутов ПЕРЕДНИЙ ВОЗДУШНЫЙ КОНДИЦИОНЕР С СИСТЕМОЙ HVAC, АВТОМ., ЭЛЕКТРОННЫЕ ОРГАНЫ УПРАВЛЕНИЯ
Имеется только одно место для компонента
X1 Модуль управления дверями - Электровентилятор X1

Расположение деталей (узлов) Трехмерная схема жгутов ПЕРЕДНИЙ ВОЗДУШНЫЙ КОНДИЦИОНЕР С СИСТЕМОЙ HVAC, АВТОМ., ЭЛЕКТРОННЫЕ ОРГАНЫ УПРАВЛЕНИЯ
Имеется только одно место для компонента
X2 Модуль управления дверями - Электровентилятор X2

Расположение деталей (узлов) Трехмерная схема жгутов ПЕРЕДНИЙ ВОЗДУШНЫЙ КОНДИЦИОНЕР С СИСТЕМОЙ HVAC, АВТОМ., ЭЛЕКТРОННЫЕ ОРГАНЫ УПРАВЛЕНИЯ
Внешний вид разъема
B+ (положительное напряжение аккумуляторной батареи)
Последовательные данные
Последовательные данные
Последовательные данные
Последовательные данные
Слабый опорный сигнал
B+ (положительное напряжение аккумуляторной батареи)
Опорный сигнал 12 вольт
Слабый опорный сигнал
Управление
X50A Блок предохранителей - Под капотом

Расположение деталей (узлов) Трехмерная схема жгутов
Выключатель зажигания - движение/запуск
F54UA Предохранитель

Электрическая схема Дерево Предохранители F5UA, F54UA и F57UA
Электрическая схема Питание Шина B+ UEC (1 из 6)
29
X2 Блок предохранителей - Под капотом X2

Внешний вид разъема и ремонт
16
Слабый опорный сигнал
X1 Модуль управления HVAC X1

Внешний вид разъема и ремонт
G202 Поперечина, панель приборов - позади аудиосистемы

Расположение деталей (узлов) Трехмерная схема жгутов
Внешний вид разъема и ремонт Левостороннее управление
Внешний вид разъема и ремонт Правостороннее управление
Электрическая схема G202
Масса
BK Черный
Зажигание
RDGN Красный-Зеленый
VTWH Фиолетовый-Белый
Напряжение питания электровентилятора
RD Красный
Управление вентилятором - мотор струйного вентилятора
BK Черный
Справочные данные по контроллерам

Справочные данные по контроллерам
Лицевая панель системы нагревания, вентиляции и кондиционирования (HVAC)

Лицевая панель системы нагревания, вентиляции и кондиционирования (HVAC)
Перечень основных электрических компонентов

Перечень основных электрических компонентов
   


https://vnx.su/ 🛠 Руководства по ремонту и эксплуатации для автомобилей

Поиск по сайту

Остались вопросы или пожелания? Пишите на почту: support@vnx.su

Карта Сайта