Cruze
   
GMDE Start Page Load static TOC Load dynamic TOC Help?
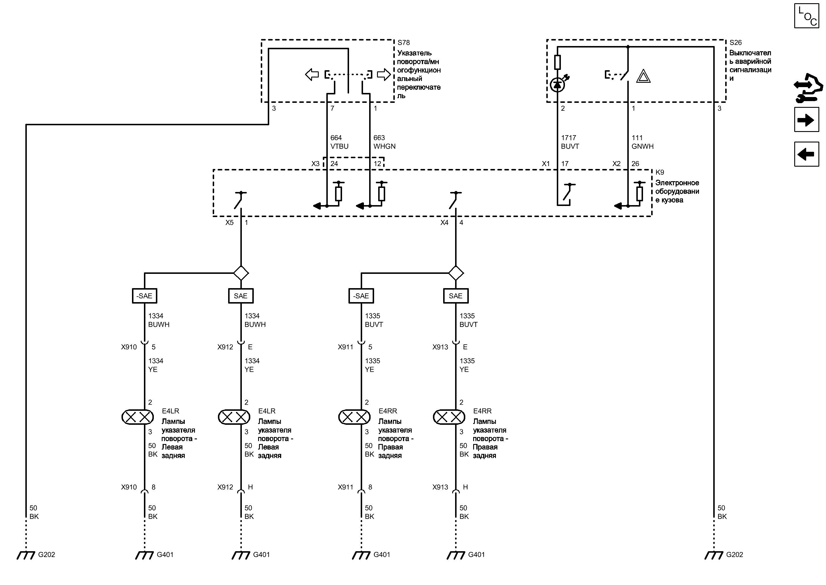
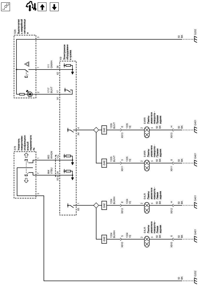
Указатели поворота 2 от 2


            |                         |            
2202818RU.png


Display graphic

Display graphic

Компоненты
e4lrЛампы указателя поворота - Левая задняяs26Выключатель аварийной сигнализации
e4rrЛампы указателя поворота - Правая задняяs78Указатель поворота/многофункциональный переключатель
k9Электронное оборудование кузова
Разъемы
k9 (x1)Электронное оборудование кузова x1x910Жгут проводов кузова и жгут проводов левого заднего фонаря/стоп-сигнала
k9 (x2)Электронное оборудование кузова x2x911Жгут проводов кузова и жгут проводов правого заднего фонаря/стоп-сигнала
k9 (x3)Электронное оборудование кузова x3x912Жгут проводов кузова и жгут проводов левого заднего фонаря/стоп-сигнала
k9 (x4)Электронное оборудование кузова x4x913Жгут проводов кузова и жгут проводов правого заднего фонаря/стоп-сигнала
k9 (x5)Электронное оборудование кузова x5
Точки соединения с массой
g202Поперечина, панель приборов - позади аудиосистемыg401Задняя панель, левая
Сокращения
saeСТРАНЫ - СЕВЕРНАЯ АМЕРИКА-saeСТРАНЫ - КРОМЕ СЕВЕРНОЙ АМЕРИКИ
Цветовые коды
bkЧерныйvtbuФиолетовый-Синий
buvtСиний-ФиолетовыйwhgnБелый-Зеленый
buwhСиний-БелыйyeЖелтый
gnwhЗеленый-Белый
4
X5 Электронное оборудование кузова X5

Расположение деталей (узлов) Трехмерная схема жгутов
1
7
1
Сигнал аварийного выключателя\левого поворота
WHGN Белый-Зеленый
Сигнал аварийного выключателя\правого поворота
VTBU Фиолетовый-Синий
12
24
X3 Электронное оборудование кузова X3

Расположение деталей (узлов) Трехмерная схема жгутов
X4 Электронное оборудование кузова X4

Расположение деталей (узлов) Трехмерная схема жгутов
СТРАНЫ - КРОМЕ СЕВЕРНОЙ АМЕРИКИ
BUWH Синий-Белый
G401 Задняя панель, левая

Расположение деталей (узлов) Трехмерная схема жгутов
Внешний вид разъема и ремонт
Электрическая схема G401
Масса
BK Черный
G401 Задняя панель, левая

Расположение деталей (узлов) Трехмерная схема жгутов
Внешний вид разъема и ремонт
Электрическая схема G401
Масса
BK Черный
3
2
3
2
СТРАНЫ - СЕВЕРНАЯ АМЕРИКА
BUWH Синий-Белый
17
26
X1 Электронное оборудование кузова X1

Расположение деталей (узлов) Трехмерная схема жгутов
X2 Электронное оборудование кузова X2

Расположение деталей (узлов) Трехмерная схема жгутов
Управление проблесковым прерывателем указателей поворота аварийного выключателя
BUVT Синий-Фиолетовый
Сигнал аварийного выключателя
GNWH Зеленый-Белый
G202 Поперечина, панель приборов - позади аудиосистемы

Расположение деталей (узлов) Трехмерная схема жгутов
Внешний вид разъема и ремонт Левостороннее управление
Внешний вид разъема и ремонт Правостороннее управление
Электрическая схема G202
Масса
BK Черный
1
2
3
X910 Жгут проводов кузова и жгут проводов левого заднего фонаря/стоп-сигнала

Расположение деталей (узлов) Трехмерная схема жгутов СТРАНЫ - КРОМЕ СЕВЕРНОЙ АМЕРИКИ
Внешний вид разъема и ремонт Вилка СТРАНЫ - КРОМЕ СЕВЕРНОЙ АМЕРИКИ
Внешний вид разъема и ремонт Гнездо СТРАНЫ - КРОМЕ СЕВЕРНОЙ АМЕРИКИ
5
X912 Жгут проводов кузова и жгут проводов левого заднего фонаря/стоп-сигнала

Расположение деталей (узлов) Трехмерная схема жгутов СТРАНЫ - СЕВЕРНАЯ АМЕРИКА
Внешний вид разъема и ремонт Вилка СТРАНЫ - СЕВЕРНАЯ АМЕРИКА
E
Управление левым задним указателем поворота
YE Желтый
YE Желтый
X910 Жгут проводов кузова и жгут проводов левого заднего фонаря/стоп-сигнала

Расположение деталей (узлов) Трехмерная схема жгутов СТРАНЫ - КРОМЕ СЕВЕРНОЙ АМЕРИКИ
Внешний вид разъема и ремонт Вилка СТРАНЫ - КРОМЕ СЕВЕРНОЙ АМЕРИКИ
Внешний вид разъема и ремонт Гнездо СТРАНЫ - КРОМЕ СЕВЕРНОЙ АМЕРИКИ
8
BK Черный
BK Черный
X912 Жгут проводов кузова и жгут проводов левого заднего фонаря/стоп-сигнала

Расположение деталей (узлов) Трехмерная схема жгутов СТРАНЫ - СЕВЕРНАЯ АМЕРИКА
Внешний вид разъема и ремонт Вилка СТРАНЫ - СЕВЕРНАЯ АМЕРИКА
H
G401 Задняя панель, левая

Расположение деталей (узлов) Трехмерная схема жгутов
Внешний вид разъема и ремонт
Электрическая схема G401
Масса
BK Черный
G401 Задняя панель, левая

Расположение деталей (узлов) Трехмерная схема жгутов
Внешний вид разъема и ремонт
Электрическая схема G401
Масса
BK Черный
2
2
BK Черный
X911 Жгут проводов кузова и жгут проводов правого заднего фонаря/стоп-сигнала

Расположение деталей (узлов) Трехмерная схема жгутов СТРАНЫ - КРОМЕ СЕВЕРНОЙ АМЕРИКИ
Внешний вид разъема и ремонт Вилка СТРАНЫ - КРОМЕ СЕВЕРНОЙ АМЕРИКИ
Внешний вид разъема и ремонт Гнездо СТРАНЫ - КРОМЕ СЕВЕРНОЙ АМЕРИКИ
8
3
BK Черный
X913 Жгут проводов кузова и жгут проводов правого заднего фонаря/стоп-сигнала

Внешний вид разъема и ремонт Вилка
Доступен вид только с одним разъемом
H
3
X911 Жгут проводов кузова и жгут проводов правого заднего фонаря/стоп-сигнала

Расположение деталей (узлов) Трехмерная схема жгутов СТРАНЫ - КРОМЕ СЕВЕРНОЙ АМЕРИКИ
Внешний вид разъема и ремонт Вилка СТРАНЫ - КРОМЕ СЕВЕРНОЙ АМЕРИКИ
Внешний вид разъема и ремонт Гнездо СТРАНЫ - КРОМЕ СЕВЕРНОЙ АМЕРИКИ
5
СТРАНЫ - КРОМЕ СЕВЕРНОЙ АМЕРИКИ
BUVT Синий-Фиолетовый
X913 Жгут проводов кузова и жгут проводов правого заднего фонаря/стоп-сигнала

Внешний вид разъема и ремонт Вилка
Доступен вид только с одним разъемом
E
СТРАНЫ - СЕВЕРНАЯ АМЕРИКА
BUVT Синий-Фиолетовый
Управление правым задним указателем поворота
YE Желтый
YE Желтый
E4RR Лампы указателя поворота - Правая задняя

Расположение деталей (узлов) Трехмерная схема жгутов
Внешний вид разъема и ремонт
E4RR Лампы указателя поворота - Правая задняя

Расположение деталей (узлов) Трехмерная схема жгутов
Внешний вид разъема и ремонт
E4LR Лампы указателя поворота - Левая задняя

Расположение деталей (узлов) Трехмерная схема жгутов
Внешний вид разъема и ремонт
E4LR Лампы указателя поворота - Левая задняя

Расположение деталей (узлов) Трехмерная схема жгутов
Внешний вид разъема и ремонт
K9 Электронное оборудование кузова

Расположение деталей (узлов) Трехмерная схема жгутов
Управление
Управление
Сигнал
Сигнал
Сигнал
Управление
S78 Указатель поворота/многофункциональный переключатель

Расположение деталей (узлов) Трехмерная схема жгутов Левостороннее управление
Внешний вид разъема и ремонт
3
S26 Выключатель аварийной сигнализации

Внешний вид разъема и ремонт
G202 Поперечина, панель приборов - позади аудиосистемы

Расположение деталей (узлов) Трехмерная схема жгутов
Внешний вид разъема и ремонт Левостороннее управление
Внешний вид разъема и ремонт Правостороннее управление
Электрическая схема G202
Масса
BK Черный
Указатели поворота

Указатели поворота
Справочные данные по контроллерам

Справочные данные по контроллерам
Стоп-сигналы

Стоп-сигналы
Перечень основных электрических компонентов

Перечень основных электрических компонентов
   


https://vnx.su/ 🛠 Руководства по ремонту и эксплуатации для автомобилей

Поиск по сайту

Остались вопросы или пожелания? Пишите на почту: support@vnx.su

Карта Сайта