Cruze
   
GMDE Start Page Load static TOC Load dynamic TOC Help?
g309


            |                         |            
2203176RU.png


Display graphic

Display graphic

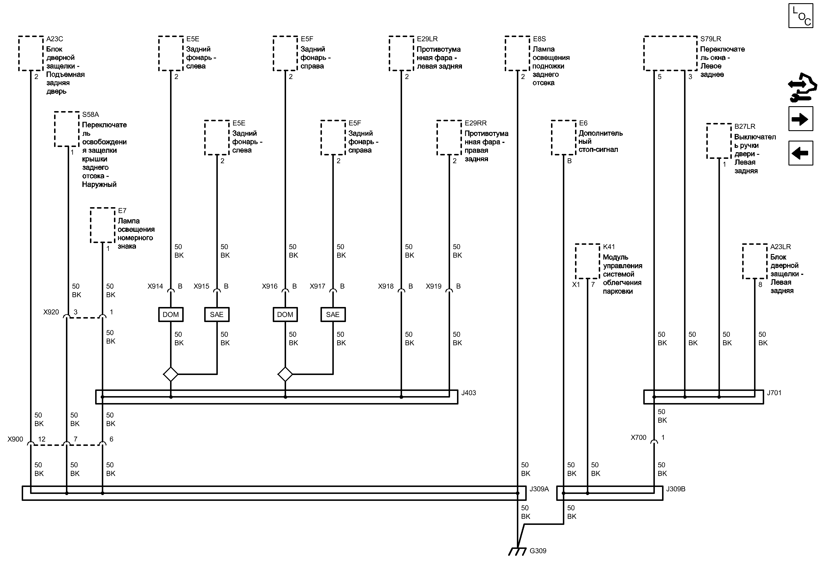
Компоненты
a23cБлок дверной защелки - Подъемная задняя дверьe8sЛампа освещения подножки заднего отсека
a23lrБлок дверной защелки - Левая задняяe29lrПротивотуманная фара - левая задняя
b27lrВыключатель ручки двери - Левая задняяe29rrПротивотуманная фара - правая задняя
e5eЗадний фонарь - слеваk41Модуль управления системой облегчения парковки
e5fЗадний фонарь - справаs58aПереключатель освобождения защелки крышки заднего отсека - Наружный
e6Дополнительный стоп-сигналs79lrПереключатель окна - Левое заднее
e7Лампа освещения номерного знака
Разъемы
j309aСоединение с виртуальной "землей"x914Жгут проводов подъемной задней двери и жгут проводов левого заднего фонаря подъемной задней двери
j309bСоединение с виртуальной "землей"x915Жгут проводов подъемной задней двери и жгут проводов левого заднего фонаря подъемной задней двери
j403Жгут проводов багажникаx916Жгут проводов подъемной задней двери и жгут проводов правого заднего фонаря подъемной задней двери
j701Жгут проводов левой задней двериx917Жгут проводов подъемной задней двери и жгут проводов правого заднего фонаря подъемной задней двери
k41 (x1)Модуль управления системой облегчения парковки x1x918Жгут проводов подъемной задней двери и жгут проводов левого заднего фонаря подъемной задней двери
x700Жгут проводов кузова и жгут проводов левой задней двериx919Жгут проводов подъемной задней двери и жгут проводов правого заднего фонаря подъемной задней двери
x900Жгут проводов кузова и жгут проводов подъемной задней двериx920Жгут проводов подъемной задней двери и жгут проводов лампы подсветки номерного знака
Точки соединения с массой
g309Задняя панель, левая
Сокращения
domСТРАНА - КОРЕЯsaeСТРАНЫ - СЕВЕРНАЯ АМЕРИКА
Цветовые коды
bkЧерный
1
1
Масса
BK Черный
BK Черный
BK Черный
G309 Задняя панель, левая

Расположение деталей (узлов) Трехмерная схема жгутов
Внешний вид разъема и ремонт
2
BK Черный
7
BK Черный
6
BK Черный
BK Черный
BK Черный
СТРАНА - КОРЕЯ
BK Черный
СТРАНЫ - СЕВЕРНАЯ АМЕРИКА
BK Черный
X915 Жгут проводов подъемной задней двери и жгут проводов левого заднего фонаря ...

Расположение деталей (узлов) Трехмерная схема жгутов СТРАНЫ - СЕВЕРНАЯ АМЕРИКА
Внешний вид разъема и ремонт СТРАНЫ - СЕВЕРНАЯ АМЕРИКА
B
X914 Жгут проводов подъемной задней двери и жгут проводов левого заднего фонаря ...

Расположение деталей (узлов) Трехмерная схема жгутов СТРАНЫ - КРОМЕ СЕВЕРНОЙ АМЕРИКИ
Внешний вид разъема Гнездо СТРАНА - КОРЕЯ
Внешний вид разъема и ремонт Вилка СТРАНА - КОРЕЯ
B
BK Черный
2
2
BK Черный
X916 Жгут проводов подъемной задней двери и жгут проводов правого заднего фонаря...

Расположение деталей (узлов) Трехмерная схема жгутов СТРАНЫ - КРОМЕ СЕВЕРНОЙ АМЕРИКИ
Внешний вид разъема и ремонт СТРАНА - КОРЕЯ
B
СТРАНА - КОРЕЯ
BK Черный
X917 Жгут проводов подъемной задней двери и жгут проводов правого заднего фонаря...

Расположение деталей (узлов) Трехмерная схема жгутов СТРАНЫ - СЕВЕРНАЯ АМЕРИКА
Внешний вид разъема и ремонт СТРАНЫ - СЕВЕРНАЯ АМЕРИКА
B
СТРАНЫ - СЕВЕРНАЯ АМЕРИКА
BK Черный
2
BK Черный
BK Черный
2
BK Черный
X918 Жгут проводов подъемной задней двери и жгут проводов левого заднего фонаря ...

Внешний вид разъема и ремонт Вилка
B
BK Черный
2
X919 Жгут проводов подъемной задней двери и жгут проводов правого заднего фонаря...

Внешний вид разъема и ремонт
B
BK Черный
BK Черный
2
BK Черный
BK Черный
B
BK Черный
7
BK Черный
3
5
BK Черный
BK Черный
1
BK Черный
8
BK Черный
X700 Жгут проводов кузова и жгут проводов левой задней двери

Расположение деталей (узлов) Трехмерная схема жгутов
Внешний вид разъема и ремонт Вилка
Внешний вид разъема и ремонт Гнездо
1
BK Черный
E29LR Противотуманная фара - левая задняя

Внешний вид разъема и ремонт
Электрическая схема Задние противотуманные фонари Контакт 2
S58A Переключатель освобождения защелки крышки заднего отсека - Наружный

Электрическая схема Освобождение фиксатора багажника/подъемной задней двери Контакт 1
E8S Лампа освещения подножки заднего отсека

Расположение деталей (узлов) Трехмерная схема жгутов
Внешний вид разъема и ремонт
Электрическая схема Лампы освещения, кузов Контакт 2
E5E Задний фонарь - слева

Расположение деталей (узлов) Трехмерная схема жгутов
Внешний вид разъема
Электрическая схема Стояночные огни (1 из 2) Контакт 2 - 1
Электрическая схема Стояночные огни (1 из 2) Контакт 2 - 2
E5E Задний фонарь - слева

Расположение деталей (узлов) Трехмерная схема жгутов
Внешний вид разъема
Электрическая схема Стояночные огни (1 из 2) Контакт 2 - 1
Электрическая схема Стояночные огни (1 из 2) Контакт 2 - 2
E7 Лампа освещения номерного знака

Электрическая схема Стояночные огни (1 из 2) Контакт 1
E5F Задний фонарь - справа

Расположение деталей (узлов) Трехмерная схема жгутов
Внешний вид разъема
Электрическая схема Стояночные огни (2 из 2) Контакт 2 - 1
Электрическая схема Стояночные огни (2 из 2) Контакт 2 - 2
A23LR Блок дверной защелки - Левая задняя

Внешний вид разъема и ремонт
Электрическая схема Дверные защелки Контакт 8
Электрическая схема Переключатели "дверь открыта" - задние и багажный отсек Контакт 8
E29RR Противотуманная фара - правая задняя

Внешний вид разъема и ремонт
Электрическая схема Задние противотуманные фонари Контакт 2
E6 Дополнительный стоп-сигнал

Внешний вид разъема и ремонт
Электрическая схема Стоп-сигналы Контакт B
K41 Модуль управления системой облегчения парковки

Расположение деталей (узлов) Трехмерная схема жгутов СТРАНЫ - КРОМЕ СЕВЕРНОЙ АМЕРИКИ
Электрическая схема Система облегчения парковки Контакт 7
S79LR Переключатель окна - Левое заднее

Расположение деталей (узлов) Трехмерная схема жгутов
Внешний вид разъема и ремонт
Электрическая схема Стеклоподъемники задних дверей СТЕКЛО С МЕХАНИЧЕСКИМ ПРИВОДОМ - ЗАДНИЕ ДВЕРИ - СРОЧНО ВНИЗ Контакт 3
Электрическая схема Стеклоподъемники задних дверей СТЕКЛО С МЕХАНИЧЕСКИМ ПРИВОДОМ - ЗАДНИЕ ДВЕРИ - СРОЧНО ВНИЗ Контакт 5
B27LR Выключатель ручки двери - Левая задняя

Расположение деталей (узлов) Трехмерная схема жгутов
Внешний вид разъема и ремонт
Электрическая схема Выключатели ручек и замков Контакт 1
E5F Задний фонарь - справа

Расположение деталей (узлов) Трехмерная схема жгутов
Внешний вид разъема
Электрическая схема Стояночные огни (2 из 2) Контакт 2 - 1
Электрическая схема Стояночные огни (2 из 2) Контакт 2 - 2
J701 Жгут проводов левой задней двери
J309B Соединение с виртуальной "землей"
J309A Соединение с виртуальной "землей"
J403 Жгут проводов багажника
X1 Модуль управления системой облегчения парковки X1

Расположение деталей (узлов) Трехмерная схема жгутов СТРАНЫ - КРОМЕ СЕВЕРНОЙ АМЕРИКИ
Внешний вид разъема и ремонт
X900 Жгут проводов кузова и жгут проводов подъемной задней двери

Расположение деталей (узлов) Трехмерная схема жгутов СТРАНЫ - СЕВЕРНАЯ АМЕРИКА
Расположение деталей (узлов) Трехмерная схема жгутов СТРАНЫ - КРОМЕ СЕВЕРНОЙ АМЕРИКИ
Внешний вид разъема и ремонт Вилка
Внешний вид разъема и ремонт Гнездо
12
2
A23C Блок дверной защелки - Подъемная задняя дверь

Расположение деталей (узлов) Трехмерная схема жгутов
Внешний вид разъема и ремонт
Электрическая схема Переключатели "дверь открыта" - задние и багажный отсек Контакт 2
Электрическая схема Освобождение фиксатора багажника/подъемной задней двери Контакт 2
BK Черный
BK Черный
X920 Жгут проводов подъемной задней двери и жгут проводов лампы подсветки номерн...

Расположение деталей (узлов) Трехмерная схема жгутов СТРАНЫ - СЕВЕРНАЯ АМЕРИКА
Расположение деталей (узлов) Трехмерная схема жгутов СТРАНЫ - КРОМЕ СЕВЕРНОЙ АМЕРИКИ
Внешний вид разъема Гнездо
Внешний вид разъема и ремонт Вилка
3
1
BK Черный
G308

G308
Справочные данные по контроллерам

Справочные данные по контроллерам
G401

G401
Перечень основных электрических компонентов

Перечень основных электрических компонентов
   


https://vnx.su/ 🛠 Руководства по ремонту и эксплуатации для автомобилей

Поиск по сайту

Остались вопросы или пожелания? Пишите на почту: support@vnx.su

Карта Сайта