Cruze
   
GMDE Start Page Load static TOC Load dynamic TOC Help?
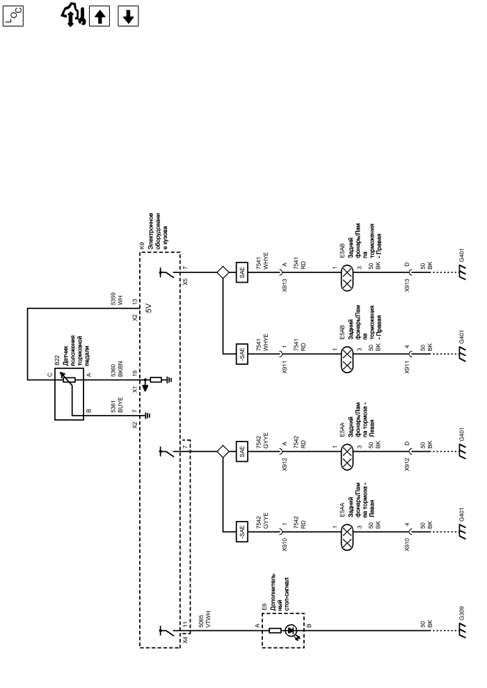
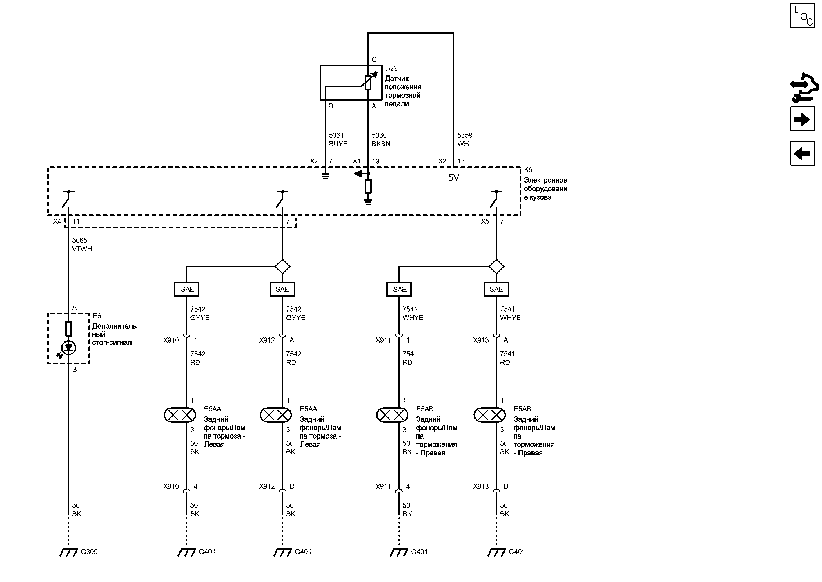
Стоп-сигналы


            |                         |            
2202820RU.png


Display graphic

Display graphic

Компоненты
b22Датчик положения тормозной педалиe6Дополнительный стоп-сигнал
e5aaЗадний фонарь/Лампа тормоза - Леваяk9Электронное оборудование кузова
e5abЗадний фонарь/Лампа торможения - Правая
Разъемы
k9 (x1)Электронное оборудование кузова x1x910Жгут проводов кузова и жгут проводов левого заднего фонаря/стоп-сигнала
k9 (x2)Электронное оборудование кузова x2x911Жгут проводов кузова и жгут проводов правого заднего фонаря/стоп-сигнала
k9 (x4)Электронное оборудование кузова x4x912Жгут проводов кузова и жгут проводов левого заднего фонаря/стоп-сигнала
k9 (x5)Электронное оборудование кузова x5x913Жгут проводов кузова и жгут проводов правого заднего фонаря/стоп-сигнала
Точки соединения с массой
g309Задняя панель, леваяg401Задняя панель, левая
Сокращения
saeСТРАНЫ - СЕВЕРНАЯ АМЕРИКА-saeСТРАНЫ - КРОМЕ СЕВЕРНОЙ АМЕРИКИ
Цветовые коды
bkЧерныйrdКрасный
bkbnЧерный-КоричневыйvtwhФиолетовый-Белый
buyeСиний-ЖелтыйwhБелый
gyyeСерый-ЖелтыйwhyeБелый-Желтый
7
X4 Электронное оборудование кузова X4

Расположение деталей (узлов) Трехмерная схема жгутов
11
Низкое опорное напряжение датчика срабатывания тормоза
BKBN Черный-Коричневый
Сигнал датчика использования тормоза
BUYE Синий-Желтый
19
7
X2 Электронное оборудование кузова X2

Расположение деталей (узлов) Трехмерная схема жгутов
X5 Электронное оборудование кузова X5

Расположение деталей (узлов) Трехмерная схема жгутов
СТРАНЫ - КРОМЕ СЕВЕРНОЙ АМЕРИКИ
GYYE Серый-Желтый
G401 Задняя панель, левая

Расположение деталей (узлов) Трехмерная схема жгутов
Внешний вид разъема и ремонт
Электрическая схема G401
Масса
BK Черный
G401 Задняя панель, левая

Расположение деталей (узлов) Трехмерная схема жгутов
Внешний вид разъема и ремонт
Электрическая схема G401
Масса
BK Черный
3
1
3
1
Управление катушкой реле стоп-сигнала
VTWH Фиолетовый-Белый
СТРАНЫ - СЕВЕРНАЯ АМЕРИКА
GYYE Серый-Желтый
X910 Жгут проводов кузова и жгут проводов левого заднего фонаря/стоп-сигнала

Расположение деталей (узлов) Трехмерная схема жгутов СТРАНЫ - КРОМЕ СЕВЕРНОЙ АМЕРИКИ
Внешний вид разъема и ремонт Вилка СТРАНЫ - КРОМЕ СЕВЕРНОЙ АМЕРИКИ
Внешний вид разъема и ремонт Гнездо СТРАНЫ - КРОМЕ СЕВЕРНОЙ АМЕРИКИ
1
X912 Жгут проводов кузова и жгут проводов левого заднего фонаря/стоп-сигнала

Расположение деталей (узлов) Трехмерная схема жгутов СТРАНЫ - СЕВЕРНАЯ АМЕРИКА
Внешний вид разъема и ремонт Вилка СТРАНЫ - СЕВЕРНАЯ АМЕРИКА
A
X910 Жгут проводов кузова и жгут проводов левого заднего фонаря/стоп-сигнала

Расположение деталей (узлов) Трехмерная схема жгутов СТРАНЫ - КРОМЕ СЕВЕРНОЙ АМЕРИКИ
Внешний вид разъема и ремонт Вилка СТРАНЫ - КРОМЕ СЕВЕРНОЙ АМЕРИКИ
Внешний вид разъема и ремонт Гнездо СТРАНЫ - КРОМЕ СЕВЕРНОЙ АМЕРИКИ
4
BK Черный
BK Черный
X912 Жгут проводов кузова и жгут проводов левого заднего фонаря/стоп-сигнала

Расположение деталей (узлов) Трехмерная схема жгутов СТРАНЫ - СЕВЕРНАЯ АМЕРИКА
Внешний вид разъема и ремонт Вилка СТРАНЫ - СЕВЕРНАЯ АМЕРИКА
D
G401 Задняя панель, левая

Расположение деталей (узлов) Трехмерная схема жгутов
Внешний вид разъема и ремонт
Электрическая схема G401
Масса
BK Черный
G401 Задняя панель, левая

Расположение деталей (узлов) Трехмерная схема жгутов
Внешний вид разъема и ремонт
Электрическая схема G401
Масса
BK Черный
1
1
BK Черный
X911 Жгут проводов кузова и жгут проводов правого заднего фонаря/стоп-сигнала

Расположение деталей (узлов) Трехмерная схема жгутов СТРАНЫ - КРОМЕ СЕВЕРНОЙ АМЕРИКИ
Внешний вид разъема и ремонт Вилка СТРАНЫ - КРОМЕ СЕВЕРНОЙ АМЕРИКИ
Внешний вид разъема и ремонт Гнездо СТРАНЫ - КРОМЕ СЕВЕРНОЙ АМЕРИКИ
4
3
BK Черный
X913 Жгут проводов кузова и жгут проводов правого заднего фонаря/стоп-сигнала

Внешний вид разъема и ремонт Вилка
Доступен вид только с одним разъемом
D
3
X911 Жгут проводов кузова и жгут проводов правого заднего фонаря/стоп-сигнала

Расположение деталей (узлов) Трехмерная схема жгутов СТРАНЫ - КРОМЕ СЕВЕРНОЙ АМЕРИКИ
Внешний вид разъема и ремонт Вилка СТРАНЫ - КРОМЕ СЕВЕРНОЙ АМЕРИКИ
Внешний вид разъема и ремонт Гнездо СТРАНЫ - КРОМЕ СЕВЕРНОЙ АМЕРИКИ
1
СТРАНЫ - КРОМЕ СЕВЕРНОЙ АМЕРИКИ
WHYE Белый-Желтый
X913 Жгут проводов кузова и жгут проводов правого заднего фонаря/стоп-сигнала

Внешний вид разъема и ремонт Вилка
Доступен вид только с одним разъемом
A
СТРАНЫ - СЕВЕРНАЯ АМЕРИКА
WHYE Белый-Желтый
Управление лампой правого заднего указателя поворота/стоп-сигнала - Поиски сегод...
RD Красный
RD Красный
A
B
Масса
BK Черный
G309 Задняя панель, левая

Расположение деталей (узлов) Трехмерная схема жгутов
Внешний вид разъема и ремонт
Электрическая схема G309
7
Лампа левого заднего стоп-сигнала - Напряжение питания
RD Красный
RD Красный
B
A
C
Напряжение питания датчика срабатывания тормоза
WH Белый
13
X1 Электронное оборудование кузова X1

Расположение деталей (узлов) Трехмерная схема жгутов
X2 Электронное оборудование кузова X2

Расположение деталей (узлов) Трехмерная схема жгутов
B22 Датчик положения тормозной педали

Расположение деталей (узлов) Трехмерная схема жгутов Левостороннее управление
Внешний вид разъема и ремонт
E6 Дополнительный стоп-сигнал

Внешний вид разъема и ремонт
E5AB Задний фонарь/Лампа торможения - Правая

Расположение деталей (узлов) Трехмерная схема жгутов
Внешний вид разъема и ремонт
E5AB Задний фонарь/Лампа торможения - Правая

Расположение деталей (узлов) Трехмерная схема жгутов
Внешний вид разъема и ремонт
E5AA Задний фонарь/Лампа тормоза - Левая

Расположение деталей (узлов) Трехмерная схема жгутов
Внешний вид разъема и ремонт
E5AA Задний фонарь/Лампа тормоза - Левая

Расположение деталей (узлов) Трехмерная схема жгутов
Внешний вид разъема и ремонт
K9 Электронное оборудование кузова

Расположение деталей (узлов) Трехмерная схема жгутов
Управление
Управление
Управление
Опорный сигнал 5 вольт
Слабый опорный сигнал
Сигнал
Указатели поворота

Указатели поворота
Справочные данные по контроллерам

Справочные данные по контроллерам
Лампы заднего хода

Лампы заднего хода
Перечень основных электрических компонентов

Перечень основных электрических компонентов
   


https://vnx.su/ 🛠 Руководства по ремонту и эксплуатации для автомобилей

Поиск по сайту

Остались вопросы или пожелания? Пишите на почту: support@vnx.su

Карта Сайта