Cruze
   
GMDE Start Page Load static TOC Load dynamic TOC Help?
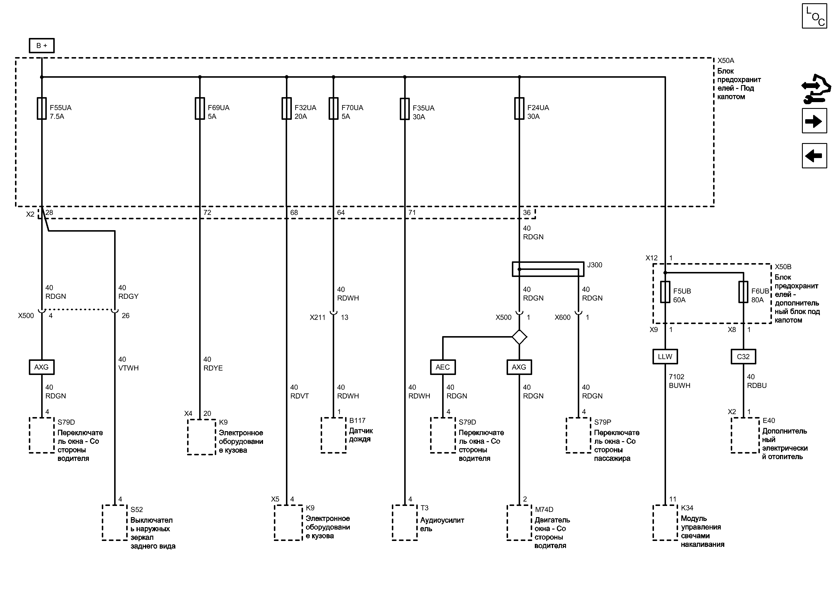
Предохранители f24ua, f32ua, f35ua, f55ua, f69ua и f70ua


            |                         |            
2203123RU.png


Display graphic

Display graphic

Компоненты
b117Датчик дождяk9Электронное оборудование кузова
e40Дополнительный электрический отопительk34Модуль управления свечами накаливания
f5ubПредохранительm74dДвигатель окна - Со стороны водителя
f6ubПредохранительs52Выключатель наружных зеркал заднего вида
f24uaПредохранительs79dПереключатель окна - Со стороны водителя
f32uaПредохранительs79pПереключатель окна - Со стороны пассажира
f35uaПредохранительt3Аудиоусилитель
f55uaПредохранительx50aБлок предохранителей - Под капотом
f69uaПредохранительx50bБлок предохранителей - дополнительный блок под капотом
f70uaПредохранитель
Разъемы
e40 (x2)Дополнительный электрический отопитель x2x50b (x9)Блок предохранителей - дополнительный блок под капотом x9
j300Жгут проводов кузоваx50b (x12)Блок предохранителей - дополнительный блок под капотом x12
k9 (x4)Электронное оборудование кузова x4x211Жгут проводов кузова и жгут проводов крыши
k9 (x5)Электронное оборудование кузова x5x500Жгут проводов кузова и жгут проводов двери водителя
x50a (x2)Блок предохранителей - Под капотом x2x600Жгут проводов кузова и жгут проводов двери пассажира
x50b (x8)Блок предохранителей - дополнительный блок под капотом x8
Сокращения
aecСТЕКЛО С МЕХАНИЧЕСКИМ ПРИВОДОМ - СО СТОРОНЫ ВОДИТЕЛЯ - СРОЧНО ВНИЗc32СИСТЕМА НАГРЕВАТЕЛЯ/АНТИОБЛЕДЕНИТЕЛЯ, УСИЛЕННАЯ, ЭЛЕКТРИЧЕСКАЯ
axgСТЕКЛО С МЕХАНИЧЕСКИМ ПРИВОДОМ - СО СТОРОНЫ ВОДИТЕЛЯ - СРОЧНО ВВЕРХ/ВНИЗllwДИЗЕЛЬНЫЙ ДВИГАТЕЛЬ, 4 ЦИЛ., L4, 2.0 Л, CRI, SOHC, ТУРБО, 110 кВт
b +Напряжение аккумуляторной батареи
Цветовые коды
buwhСиний-БелыйrdvtКрасный-Фиолетовый
rdbuКрасный-СинийrdwhКрасный-Белый
rdgnКрасный-ЗеленыйrdyeКрасный-Желтый
rdgyКрасный-СерыйvtwhФиолетовый-Белый
F69UA Предохранитель
F55UA Предохранитель
F70UA Предохранитель
F32UA Предохранитель
F24UA Предохранитель
F35UA Предохранитель
28
X2 Блок предохранителей - Под капотом X2

Внешний вид разъема и ремонт
4
X500 Жгут проводов кузова и жгут проводов двери водителя

Расположение деталей (узлов) Трехмерная схема жгутов Левостороннее управление
Расположение деталей (узлов) Трехмерная схема жгутов Правостороннее управление
Внешний вид разъема и ремонт Вилка Левостороннее управление
Внешний вид разъема и ремонт Вилка Правостороннее управление
Внешний вид разъема и ремонт Гнездо
4
Положительное напряжение аккумуляторной батареи
RDGN Красный-Зеленый
4
26
72
Положительное напряжение аккумуляторной батареи
RDYE Красный-Желтый
68
Положительное напряжение аккумуляторной батареи
RDVT Красный-Фиолетовый
X4 Электронное оборудование кузова X4

Расположение деталей (узлов) Трехмерная схема жгутов
20
Положительное напряжение аккумуляторной батареи
RDWH Красный-Белый
1
X211 Жгут проводов кузова и жгут проводов крыши

Расположение деталей (узлов) Трехмерная схема жгутов
Внешний вид разъема и ремонт Вилка
Внешний вид разъема и ремонт Гнездо
13
RDWH Красный-Белый
64
71
Положительное напряжение аккумуляторной батареи
RDWH Красный-Белый
4
J300 Жгут проводов кузова
36
Положительное напряжение аккумуляторной батареи
RDGN Красный-Зеленый
X500 Жгут проводов кузова и жгут проводов двери водителя

Расположение деталей (узлов) Трехмерная схема жгутов Левостороннее управление
Расположение деталей (узлов) Трехмерная схема жгутов Правостороннее управление
Внешний вид разъема и ремонт Вилка Левостороннее управление
Внешний вид разъема и ремонт Вилка Правостороннее управление
Внешний вид разъема и ремонт Гнездо
1
RDGN Красный-Зеленый
X600 Жгут проводов кузова и жгут проводов двери пассажира

Расположение деталей (узлов) Трехмерная схема жгутов Левостороннее управление
Расположение деталей (узлов) Трехмерная схема жгутов Правостороннее управление
Внешний вид разъема и ремонт Вилка Левостороннее управление
Внешний вид разъема и ремонт Вилка Правостороннее управление
Внешний вид разъема и ремонт Гнездо
1
4
2
RDGN Красный-Зеленый
4
RDGN Красный-Зеленый
СТЕКЛО С МЕХАНИЧЕСКИМ ПРИВОДОМ - СО СТОРОНЫ ВОДИТЕЛЯ - СРОЧНО ВНИЗ
RDGN Красный-Зеленый
СТЕКЛО С МЕХАНИЧЕСКИМ ПРИВОДОМ - СО СТОРОНЫ ВОДИТЕЛЯ - СРОЧНО ВВЕРХ/ВНИЗ
RDGN Красный-Зеленый
4
X5 Электронное оборудование кузова X5

Расположение деталей (узлов) Трехмерная схема жгутов
ДИЗЕЛЬНЫЙ ДВИГАТЕЛЬ, 4 ЦИЛ., L4, 2.0 Л, CRI, SOHC, ТУРБО, 110 кВт
BUWH Синий-Белый
1
11
1
F5UB Предохранитель
Люк в крыше - Модуль крыши ПРАВ/ЛЕВ,. защелка системы tonneau
X9 Блок предохранителей - дополнительный блок под капотом X9

Внешний вид разъема и ремонт
X12 Блок предохранителей - дополнительный блок под капотом X12
X2 Дополнительный электрический отопитель X2

Внешний вид разъема и ремонт
X8 Блок предохранителей - дополнительный блок под капотом X8

Внешний вид разъема и ремонт
Положительное напряжение аккумуляторной батареи
СИСТЕМА НАГРЕВАТЕЛЯ/АНТИОБЛЕДЕНИТЕЛЯ, УСИЛЕННАЯ, ЭЛЕКТРИЧЕСКАЯ
RDBU Красный-Синий
1
1
F6UB Предохранитель
Напряжение аккумуляторной батареи
E40 Дополнительный электрический отопитель

Электрическая схема Дополнительный обогреватель Контакт 1 - 1
Электрическая схема Дополнительный обогреватель Контакт 1 - 2
K34 Модуль управления свечами накаливания

Расположение деталей (узлов) Трехмерная схема жгутов СТРАНА - КОРЕЯ ДИЗЕЛЬНЫЙ ДВИГАТЕЛЬ, 4 ЦИЛ., L4, 2.0 Л, CRI, SOHC, ТУРБО, 110 кВт
Внешний вид разъема и ремонт ДИЗЕЛЬНЫЙ ДВИГАТЕЛЬ, 4 ЦИЛ., L4, 2.0 Л, CRI, SOHC, ТУРБО, 110 кВт
Электрическая схема Датчики данных двигателя - средства управления свечами накаливания ДИЗЕЛЬНЫЙ ДВИГАТЕЛЬ, 4 ЦИЛ., L4, 2.0 Л, CRI, SOHC, ТУРБО, 110 кВт Контакт 11
X50B Блок предохранителей - дополнительный блок под капотом

Электрическая схема Датчики данных двигателя - средства управления свечами накаливания ДИЗЕЛЬНЫЙ ДВИГАТЕЛЬ, 4 ЦИЛ., L4, 2.0 Л, CRI, SOHC, ТУРБО, 110 кВт Контакт 1
Электрическая схема Дополнительный обогреватель Контакт 1 - 1
Электрическая схема Дополнительный обогреватель Контакт 1 - 2
K9 Электронное оборудование кузова

Расположение деталей (узлов) Трехмерная схема жгутов
Электрическая схема Питание, масса и последовательные данные Контакт 4
S79P Переключатель окна - Со стороны пассажира

Расположение деталей (узлов) Трехмерная схема жгутов Левостороннее управление
Расположение деталей (узлов) Трехмерная схема жгутов Правостороннее управление
Внешний вид разъема и ремонт
Электрическая схема Стеклоподъемники - дверь пассажира Контакт 4
M74D Двигатель окна - Со стороны водителя

Расположение деталей (узлов) Трехмерная схема жгутов Левостороннее управление
Расположение деталей (узлов) Трехмерная схема жгутов Правостороннее управление
Внешний вид разъема и ремонт СТЕКЛО С МЕХАНИЧЕСКИМ ПРИВОДОМ - СО СТОРОНЫ ВОДИТЕЛЯ - СРОЧНО ВВЕРХ/ВНИЗ
Внешний вид разъема и ремонт СТЕКЛО С МЕХАНИЧЕСКИМ ПРИВОДОМ - СО СТОРОНЫ ВОДИТЕЛЯ - СРОЧНО ВНИЗ
Электрическая схема Стеклоподъемники - дверь водителя СТЕКЛО С МЕХАНИЧЕСКИМ ПРИВОДОМ - СО СТОРОНЫ ВОДИТЕЛЯ - СРОЧНО ВВЕРХ/ВНИЗ Контакт 2
S79D Переключатель окна - Со стороны водителя

Расположение деталей (узлов) Трехмерная схема жгутов Левостороннее управление
Расположение деталей (узлов) Трехмерная схема жгутов Правостороннее управление
Внешний вид разъема и ремонт СТЕКЛО С МЕХАНИЧЕСКИМ ПРИВОДОМ - СО СТОРОНЫ ВОДИТЕЛЯ - СРОЧНО ВВЕРХ/ВНИЗ
Внешний вид разъема и ремонт СТЕКЛО С МЕХАНИЧЕСКИМ ПРИВОДОМ - СО СТОРОНЫ ВОДИТЕЛЯ - СРОЧНО ВНИЗ
Электрическая схема Стеклоподъемники - дверь водителя СТЕКЛО С МЕХАНИЧЕСКИМ ПРИВОДОМ - СО СТОРОНЫ ВОДИТЕЛЯ - СРОЧНО ВВЕРХ/ВНИЗ Контакт 4
Электрическая схема Стеклоподъемники - дверь водителя СТЕКЛО С МЕХАНИЧЕСКИМ ПРИВОДОМ - СО СТОРОНЫ ВОДИТЕЛЯ - СРОЧНО ВНИЗ Контакт 4
T3 Аудиоусилитель

Расположение деталей (узлов) Трехмерная схема жгутов
B117 Датчик дождя

Внешний вид разъема и ремонт
Электрическая схема Датчик дождя Контакт 1
K9 Электронное оборудование кузова

Расположение деталей (узлов) Трехмерная схема жгутов
Электрическая схема Защита батареи Контакт 20
S52 Выключатель наружных зеркал заднего вида

Расположение деталей (узлов) Трехмерная схема жгутов Левостороннее управление
Расположение деталей (узлов) Трехмерная схема жгутов Правостороннее управление
Внешний вид разъема и ремонт
Электрическая схема Наружное зеркало заднего вида Контакт 4
S79D Переключатель окна - Со стороны водителя

Расположение деталей (узлов) Трехмерная схема жгутов Левостороннее управление
Расположение деталей (узлов) Трехмерная схема жгутов Правостороннее управление
Внешний вид разъема и ремонт СТЕКЛО С МЕХАНИЧЕСКИМ ПРИВОДОМ - СО СТОРОНЫ ВОДИТЕЛЯ - СРОЧНО ВВЕРХ/ВНИЗ
Внешний вид разъема и ремонт СТЕКЛО С МЕХАНИЧЕСКИМ ПРИВОДОМ - СО СТОРОНЫ ВОДИТЕЛЯ - СРОЧНО ВНИЗ
Электрическая схема Стеклоподъемники - дверь водителя СТЕКЛО С МЕХАНИЧЕСКИМ ПРИВОДОМ - СО СТОРОНЫ ВОДИТЕЛЯ - СРОЧНО ВВЕРХ/ВНИЗ Контакт 4
Электрическая схема Стеклоподъемники - дверь водителя СТЕКЛО С МЕХАНИЧЕСКИМ ПРИВОДОМ - СО СТОРОНЫ ВОДИТЕЛЯ - СРОЧНО ВНИЗ Контакт 4
X50A Блок предохранителей - Под капотом

Расположение деталей (узлов) Трехмерная схема жгутов
Электрическая схема Стеклоподъемники - дверь пассажира Контакт 36
Электрическая схема Стеклоподъемники - дверь водителя СТЕКЛО С МЕХАНИЧЕСКИМ ПРИВОДОМ - СО СТОРОНЫ ВОДИТЕЛЯ - СРОЧНО ВВЕРХ/ВНИЗ Контакт 28
Электрическая схема Стеклоподъемники - дверь водителя СТЕКЛО С МЕХАНИЧЕСКИМ ПРИВОДОМ - СО СТОРОНЫ ВОДИТЕЛЯ - СРОЧНО ВВЕРХ/ВНИЗ Контакт 36
Электрическая схема Стеклоподъемники - дверь водителя СТЕКЛО С МЕХАНИЧЕСКИМ ПРИВОДОМ - СО СТОРОНЫ ВОДИТЕЛЯ - СРОЧНО ВНИЗ Контакт 36
Электрическая схема Датчик дождя Контакт 64
Электрическая схема Защита батареи Контакт 72
Электрическая схема Наружное зеркало заднего вида Контакт 28
Электрическая схема Питание, масса и последовательные данные Контакт 68
Электрическая схема Питание, масса и последовательные данные Контакт 71
VTWH Фиолетовый-Белый
RDGY Красный-Серый
СТЕКЛО С МЕХАНИЧЕСКИМ ПРИВОДОМ - СО СТОРОНЫ ВОДИТЕЛЯ - СРОЧНО ВВЕРХ/ВНИЗ
RDGN Красный-Зеленый
Предохранители F13UA, F16UA, F17UA, F18UA, F20UA, F52UA и F53UA

Предохранители F13UA, F16UA, F17UA, F18UA, F20UA, F52UA и F53UA
Справочные данные по контроллерам

Справочные данные по контроллерам
Предохранители F11UA, 59UA и F62UA

Предохранители F11UA, 59UA и F62UA
Перечень основных электрических компонентов

Перечень основных электрических компонентов
   


https://vnx.su/ 🛠 Руководства по ремонту и эксплуатации для автомобилей

Поиск по сайту

Остались вопросы или пожелания? Пишите на почту: support@vnx.su

Карта Сайта