Cruze
   
GMDE Start Page Load static TOC Load dynamic TOC Help?
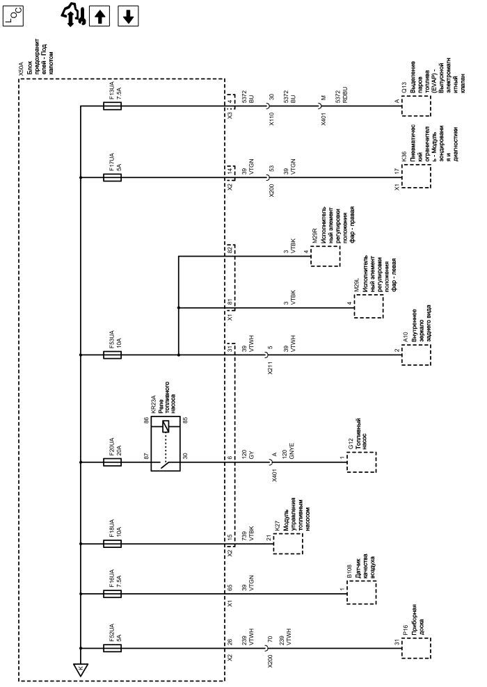
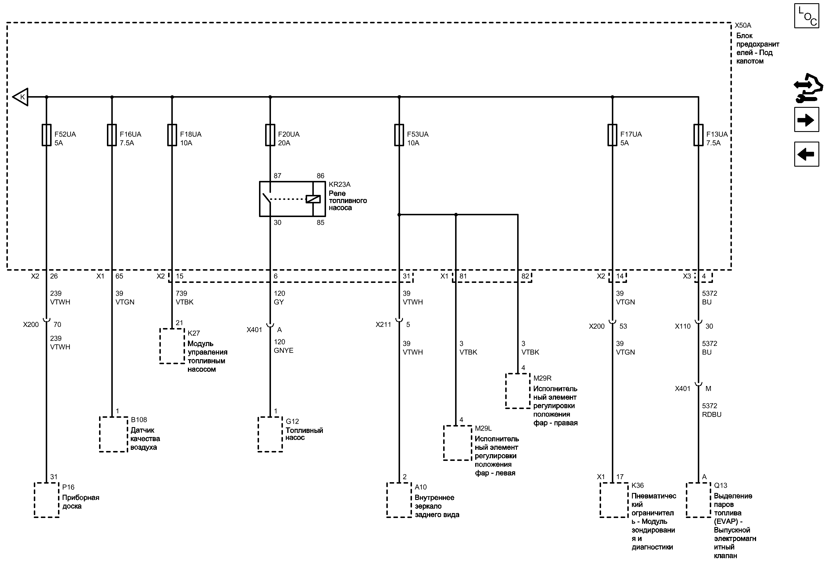
Предохранители f13ua, f16ua, f17ua, f18ua, f20ua, f52ua и f53ua


            |                         |            
2203122RU.png


Display graphic

Display graphic

Компоненты
a10Внутреннее зеркало заднего видаg12Топливный насос
b108Датчик качества воздухаk27Модуль управления топливным насосом
f13uaПредохранительk36Пневматический ограничитель - Модуль зондирования и диагностики
f16uaПредохранительkr23aРеле топливного насоса
f17uaПредохранительm29lИсполнительный элемент регулировки положения фар - левая
f18uaПредохранительm29rИсполнительный элемент регулировки положения фар - правая
f20uaПредохранительp16Приборная доска
f52uaПредохранительq13Выделение паров топлива (evap) - Выпускной электромагнитный клапан
f53uaПредохранительx50aБлок предохранителей - Под капотом
Разъемы
k36 (x1)Пневматический ограничитель - Модуль зондирования и диагностики x1x110Жгут проводов кузова и жгут проводов двигателя
x50a (x1)Блок предохранителей - Под капотом x1x200Жгут проводов кузова и жгут проводов панели приборов
x50a (x2)Блок предохранителей - Под капотом x2x211Жгут проводов кузова и жгут проводов крыши
x50a (x3)Блок предохранителей - Под капотом x3x401Жгут проводов кузова и жгут проводов топливного бака
Цветовые коды
buСинийvtbkФиолетовый-Черный
gnyeЗеленый-ЖелтыйvtgnФиолетовый-Зеленый
gyСерыйvtwhФиолетовый-Белый
rdbuКрасный-Синий
F52UA Предохранитель
F20UA Предохранитель
F18UA Предохранитель
F16UA Предохранитель
F53UA Предохранитель
30
87
85
86
K

K
X200 Жгут проводов кузова и жгут проводов панели приборов

Расположение деталей (узлов) Трехмерная схема жгутов
Внешний вид разъема и ремонт Вилка
Внешний вид разъема и ремонт Гнездо
70
Напряжение зажигания
VTWH Фиолетовый-Белый
31
VTWH Фиолетовый-Белый
X2 Блок предохранителей - Под капотом X2

Внешний вид разъема и ремонт
26
Напряжение зажигания
VTGN Фиолетовый-Зеленый
65
X1 Блок предохранителей - Под капотом X1

Расположение деталей (узлов) Трехмерная схема жгутов
Внешний вид разъема и ремонт
1
21
Работа/запуск - Зажигание, напряжение 1
VTBK Фиолетовый-Черный
15
X2 Блок предохранителей - Под капотом X2

Внешний вид разъема и ремонт
1
Регулировка топливного насоса
GNYE Зеленый-Желтый
X401 Жгут проводов кузова и жгут проводов топливного бака

Расположение деталей (узлов) Трехмерная схема жгутов
Внешний вид разъема и ремонт Вилка
Внешний вид разъема и ремонт Гнездо
A
GY Серый
6
Напряжение зажигания
VTWH Фиолетовый-Белый
2
VTWH Фиолетовый-Белый
31
X211 Жгут проводов кузова и жгут проводов крыши

Расположение деталей (узлов) Трехмерная схема жгутов
Внешний вид разъема и ремонт Вилка
Внешний вид разъема и ремонт Гнездо
5
A10 Внутреннее зеркало заднего вида

Электрическая схема Внутреннее зеркало заднего вида Контакт 2
G12 Топливный насос

Расположение деталей (узлов) Трехмерная схема жгутов
Внешний вид разъема и ремонт
Электрическая схема Средства управления топливом - топливный насос и форсунки ГАЗОВЫЙ ДВИГАТЕЛЬ, 4 ЦИЛ., 1.6 Л, MFI, DOHC, 80 кВт (GMDAT) СТРАНЫ - СЕВЕРНАЯ АМЕРИКА Контакт 1
Электрическая схема Средства управления топливом - топливный насос и форсунки ГАЗОВЫЙ ДВИГАТЕЛЬ, 4 ЦИЛ., 1.6 Л, MFI, DOHC, 80 кВт (GMDAT) СТРАНЫ - КРОМЕ СЕВЕРНОЙ АМЕРИКИ Контакт 1
Электрическая схема Средства управления топливом - топливный насос и форсунки ДИЗЕЛЬНЫЙ ДВИГАТЕЛЬ, 4 ЦИЛ., L4, 2.0 Л, CRI, SOHC, ТУРБО, 110 кВт СТРАНЫ - СЕВЕРНАЯ АМЕРИКА Контакт 1
Электрическая схема Средства управления топливом - топливный насос и форсунки ДИЗЕЛЬНЫЙ ДВИГАТЕЛЬ, 4 ЦИЛ., L4, 2.0 Л, CRI, SOHC, ТУРБО, 110 кВт СТРАНЫ - КРОМЕ СЕВЕРНОЙ АМЕРИКИ Контакт 1
Электрическая схема Средства управления топливом - топливный насос и форсунки ДВИГАТЕЛЬ БЕНЗИНОВЫЙ, 4 ЦИЛ., 1.6 Л, MFI, DOHC, PT-JV, РЕГУЛИРУЕМЫЕ ФАЗЫ РАСПРЕДВАЛОВ AFT, ДЕАКТИВИЗАЦИЯ ПОРТА, ИЛИ ДВИГАТЕЛЬ БЕНЗИНОВЫЙ, 4 ЦИЛ., 1.6 Л, MFI, DOHC, PT-JV, РЕГУЛИРУЕМЫЕ ФАЗЫ РАСПРЕДВАЛОВ AFT, 82 КВТ, ИЛИ ДВИГАТЕЛЬ БЕНЗИНОВЫЙ, 4 ЦИЛ., 1.8 Л, СТРАНЫ - СЕВЕРНАЯ АМЕРИКА Контакт 1
Электрическая схема Средства управления топливом - топливный насос и форсунки ДВИГАТЕЛЬ БЕНЗИНОВЫЙ, 4 ЦИЛ., 1.6 Л, MFI, DOHC, PT-JV, РЕГУЛИРУЕМЫЕ ФАЗЫ РАСПРЕДВАЛОВ AFT, ДЕАКТИВИЗАЦИЯ ПОРТА, ИЛИ ДВИГАТЕЛЬ БЕНЗИНОВЫЙ, 4 ЦИЛ., 1.6 Л, MFI, DOHC, PT-JV, РЕГУЛИРУЕМЫЕ ФАЗЫ РАСПРЕДВАЛОВ AFT, 82 КВТ, ИЛИ ДВИГАТЕЛЬ БЕНЗИНОВЫЙ, 4 ЦИЛ., 1.8 Л, СТРАНЫ - КРОМЕ СЕВЕРНОЙ АМЕРИКИ СТРАНЫ - КРОМЕ СЕВЕРНОЙ АМЕРИКИ Контакт 1
K27 Модуль управления топливным насосом

Электрическая схема Средства управления топливом - топливный насос и форсунки ГАЗОВЫЙ ДВИГАТЕЛЬ, 4 ЦИЛ., 1.6 Л, MFI, DOHC, 80 кВт (GMDAT) СТРАНЫ - СЕВЕРНАЯ АМЕРИКА Контакт 21
Электрическая схема Средства управления топливом - топливный насос и форсунки ДИЗЕЛЬНЫЙ ДВИГАТЕЛЬ, 4 ЦИЛ., L4, 2.0 Л, CRI, SOHC, ТУРБО, 110 кВт СТРАНЫ - СЕВЕРНАЯ АМЕРИКА Контакт 21
Электрическая схема Средства управления топливом - топливный насос и форсунки ДВИГАТЕЛЬ БЕНЗИНОВЫЙ, 4 ЦИЛ., 1.6 Л, MFI, DOHC, PT-JV, РЕГУЛИРУЕМЫЕ ФАЗЫ РАСПРЕДВАЛОВ AFT, ДЕАКТИВИЗАЦИЯ ПОРТА, ИЛИ ДВИГАТЕЛЬ БЕНЗИНОВЫЙ, 4 ЦИЛ., 1.6 Л, MFI, DOHC, PT-JV, РЕГУЛИРУЕМЫЕ ФАЗЫ РАСПРЕДВАЛОВ AFT, 82 КВТ, ИЛИ ДВИГАТЕЛЬ БЕНЗИНОВЫЙ, 4 ЦИЛ., 1.8 Л, СТРАНЫ - СЕВЕРНАЯ АМЕРИКА Контакт 21
B108 Датчик качества воздуха

Расположение деталей (узлов) Трехмерная схема жгутов
Внешний вид разъема и ремонт
Электрическая схема Датчик качества воздуха Контакт 1
P16 Приборная доска

Электрическая схема Питание, масса и последовательные данные Контакт 31
KR23A Реле топливного насоса

Электрическая схема Средства управления топливом - топливный насос и форсунки ГАЗОВЫЙ ДВИГАТЕЛЬ, 4 ЦИЛ., 1.6 Л, MFI, DOHC, 80 кВт (GMDAT) СТРАНЫ - КРОМЕ СЕВЕРНОЙ АМЕРИКИ Контакт 30
Электрическая схема Средства управления топливом - топливный насос и форсунки ГАЗОВЫЙ ДВИГАТЕЛЬ, 4 ЦИЛ., 1.6 Л, MFI, DOHC, 80 кВт (GMDAT) СТРАНЫ - КРОМЕ СЕВЕРНОЙ АМЕРИКИ Контакт 85
Электрическая схема Средства управления топливом - топливный насос и форсунки ГАЗОВЫЙ ДВИГАТЕЛЬ, 4 ЦИЛ., 1.6 Л, MFI, DOHC, 80 кВт (GMDAT) СТРАНЫ - КРОМЕ СЕВЕРНОЙ АМЕРИКИ Контакт 86
Электрическая схема Средства управления топливом - топливный насос и форсунки ГАЗОВЫЙ ДВИГАТЕЛЬ, 4 ЦИЛ., 1.6 Л, MFI, DOHC, 80 кВт (GMDAT) СТРАНЫ - КРОМЕ СЕВЕРНОЙ АМЕРИКИ Контакт 87
Электрическая схема Средства управления топливом - топливный насос и форсунки ДИЗЕЛЬНЫЙ ДВИГАТЕЛЬ, 4 ЦИЛ., L4, 2.0 Л, CRI, SOHC, ТУРБО, 110 кВт СТРАНЫ - КРОМЕ СЕВЕРНОЙ АМЕРИКИ Контакт 30
Электрическая схема Средства управления топливом - топливный насос и форсунки ДИЗЕЛЬНЫЙ ДВИГАТЕЛЬ, 4 ЦИЛ., L4, 2.0 Л, CRI, SOHC, ТУРБО, 110 кВт СТРАНЫ - КРОМЕ СЕВЕРНОЙ АМЕРИКИ Контакт 85
Электрическая схема Средства управления топливом - топливный насос и форсунки ДИЗЕЛЬНЫЙ ДВИГАТЕЛЬ, 4 ЦИЛ., L4, 2.0 Л, CRI, SOHC, ТУРБО, 110 кВт СТРАНЫ - КРОМЕ СЕВЕРНОЙ АМЕРИКИ Контакт 86
Электрическая схема Средства управления топливом - топливный насос и форсунки ДИЗЕЛЬНЫЙ ДВИГАТЕЛЬ, 4 ЦИЛ., L4, 2.0 Л, CRI, SOHC, ТУРБО, 110 кВт СТРАНЫ - КРОМЕ СЕВЕРНОЙ АМЕРИКИ Контакт 87
Электрическая схема Средства управления топливом - топливный насос и форсунки ДВИГАТЕЛЬ БЕНЗИНОВЫЙ, 4 ЦИЛ., 1.6 Л, MFI, DOHC, PT-JV, РЕГУЛИРУЕМЫЕ ФАЗЫ РАСПРЕДВАЛОВ AFT, ДЕАКТИВИЗАЦИЯ ПОРТА, ИЛИ ДВИГАТЕЛЬ БЕНЗИНОВЫЙ, 4 ЦИЛ., 1.6 Л, MFI, DOHC, PT-JV, РЕГУЛИРУЕМЫЕ ФАЗЫ РАСПРЕДВАЛОВ AFT, 82 КВТ, ИЛИ ДВИГАТЕЛЬ БЕНЗИНОВЫЙ, 4 ЦИЛ., 1.8 Л, СТРАНЫ - КРОМЕ СЕВЕРНОЙ АМЕРИКИ Контакт 30
Электрическая схема Средства управления топливом - топливный насос и форсунки ДВИГАТЕЛЬ БЕНЗИНОВЫЙ, 4 ЦИЛ., 1.6 Л, MFI, DOHC, PT-JV, РЕГУЛИРУЕМЫЕ ФАЗЫ РАСПРЕДВАЛОВ AFT, ДЕАКТИВИЗАЦИЯ ПОРТА, ИЛИ ДВИГАТЕЛЬ БЕНЗИНОВЫЙ, 4 ЦИЛ., 1.6 Л, MFI, DOHC, PT-JV, РЕГУЛИРУЕМЫЕ ФАЗЫ РАСПРЕДВАЛОВ AFT, 82 КВТ, ИЛИ ДВИГАТЕЛЬ БЕНЗИНОВЫЙ, 4 ЦИЛ., 1.8 Л, СТРАНЫ - КРОМЕ СЕВЕРНОЙ АМЕРИКИ Контакт 85
Электрическая схема Средства управления топливом - топливный насос и форсунки ДВИГАТЕЛЬ БЕНЗИНОВЫЙ, 4 ЦИЛ., 1.6 Л, MFI, DOHC, PT-JV, РЕГУЛИРУЕМЫЕ ФАЗЫ РАСПРЕДВАЛОВ AFT, ДЕАКТИВИЗАЦИЯ ПОРТА, ИЛИ ДВИГАТЕЛЬ БЕНЗИНОВЫЙ, 4 ЦИЛ., 1.6 Л, MFI, DOHC, PT-JV, РЕГУЛИРУЕМЫЕ ФАЗЫ РАСПРЕДВАЛОВ AFT, 82 КВТ, ИЛИ ДВИГАТЕЛЬ БЕНЗИНОВЫЙ, 4 ЦИЛ., 1.8 Л, СТРАНЫ - КРОМЕ СЕВЕРНОЙ АМЕРИКИ Контакт 86
Электрическая схема Средства управления топливом - топливный насос и форсунки ДВИГАТЕЛЬ БЕНЗИНОВЫЙ, 4 ЦИЛ., 1.6 Л, MFI, DOHC, PT-JV, РЕГУЛИРУЕМЫЕ ФАЗЫ РАСПРЕДВАЛОВ AFT, ДЕАКТИВИЗАЦИЯ ПОРТА, ИЛИ ДВИГАТЕЛЬ БЕНЗИНОВЫЙ, 4 ЦИЛ., 1.6 Л, MFI, DOHC, PT-JV, РЕГУЛИРУЕМЫЕ ФАЗЫ РАСПРЕДВАЛОВ AFT, 82 КВТ, ИЛИ ДВИГАТЕЛЬ БЕНЗИНОВЫЙ, 4 ЦИЛ., 1.8 Л, СТРАНЫ - КРОМЕ СЕВЕРНОЙ АМЕРИКИ Контакт 87
X50A Блок предохранителей - Под капотом

Расположение деталей (узлов) Трехмерная схема жгутов
Электрическая схема Регулировка положения фар Контакт 81
Электрическая схема Регулировка положения фар Контакт 82
Электрическая схема Средства управления топливом - топливный насос и форсунки ГАЗОВЫЙ ДВИГАТЕЛЬ, 4 ЦИЛ., 1.6 Л, MFI, DOHC, 80 кВт (GMDAT) СТРАНЫ - СЕВЕРНАЯ АМЕРИКА Контакт 15
Электрическая схема Средства управления топливом - топливный насос и форсунки ГАЗОВЫЙ ДВИГАТЕЛЬ, 4 ЦИЛ., 1.6 Л, MFI, DOHC, 80 кВт (GMDAT) СТРАНЫ - КРОМЕ СЕВЕРНОЙ АМЕРИКИ Контакт 6
Электрическая схема Средства управления топливом - топливный насос и форсунки ДИЗЕЛЬНЫЙ ДВИГАТЕЛЬ, 4 ЦИЛ., L4, 2.0 Л, CRI, SOHC, ТУРБО, 110 кВт СТРАНЫ - СЕВЕРНАЯ АМЕРИКА Контакт 15
Электрическая схема Средства управления топливом - топливный насос и форсунки ДИЗЕЛЬНЫЙ ДВИГАТЕЛЬ, 4 ЦИЛ., L4, 2.0 Л, CRI, SOHC, ТУРБО, 110 кВт СТРАНЫ - КРОМЕ СЕВЕРНОЙ АМЕРИКИ Контакт 6
Электрическая схема Средства управления топливом - топливный насос и форсунки ДВИГАТЕЛЬ БЕНЗИНОВЫЙ, 4 ЦИЛ., 1.6 Л, MFI, DOHC, PT-JV, РЕГУЛИРУЕМЫЕ ФАЗЫ РАСПРЕДВАЛОВ AFT, ДЕАКТИВИЗАЦИЯ ПОРТА, ИЛИ ДВИГАТЕЛЬ БЕНЗИНОВЫЙ, 4 ЦИЛ., 1.6 Л, MFI, DOHC, PT-JV, РЕГУЛИРУЕМЫЕ ФАЗЫ РАСПРЕДВАЛОВ AFT, 82 КВТ, ИЛИ ДВИГАТЕЛЬ БЕНЗИНОВЫЙ, 4 ЦИЛ., 1.8 Л, СТРАНЫ - СЕВЕРНАЯ АМЕРИКА Контакт 15
Электрическая схема Средства управления топливом - топливный насос и форсунки ДВИГАТЕЛЬ БЕНЗИНОВЫЙ, 4 ЦИЛ., 1.6 Л, MFI, DOHC, PT-JV, РЕГУЛИРУЕМЫЕ ФАЗЫ РАСПРЕДВАЛОВ AFT, ДЕАКТИВИЗАЦИЯ ПОРТА, ИЛИ ДВИГАТЕЛЬ БЕНЗИНОВЫЙ, 4 ЦИЛ., 1.6 Л, MFI, DOHC, PT-JV, РЕГУЛИРУЕМЫЕ ФАЗЫ РАСПРЕДВАЛОВ AFT, 82 КВТ, ИЛИ ДВИГАТЕЛЬ БЕНЗИНОВЫЙ, 4 ЦИЛ., 1.8 Л, СТРАНЫ - КРОМЕ СЕВЕРНОЙ АМЕРИКИ Контакт 6
Электрическая схема Внутреннее зеркало заднего вида Контакт 31
Электрическая схема Датчик качества воздуха Контакт 65
Электрическая схема Датчики данных двигателя - средства управления EVAP ДВИГАТЕЛЬ БЕНЗИНОВЫЙ, 4 ЦИЛ., 1.6 Л, MFI, DOHC, PT-JV, РЕГУЛИРУЕМЫЕ ФАЗЫ РАСПРЕДВАЛОВ AFT, ДЕАКТИВИЗАЦИЯ ПОРТА, ИЛИ ДВИГАТЕЛЬ БЕНЗИНОВЫЙ, 4 ЦИЛ., 1.6 Л, MFI, DOHC, PT-JV, РЕГУЛИРУЕМЫЕ ФАЗЫ РАСПРЕДВАЛОВ AFT, 82 КВТ, ИЛИ ДВИГАТЕЛЬ БЕНЗИНОВЫЙ, 4 ЦИЛ., 1.8 Л, Контакт 4
Электрическая схема Питание, масса и последовательные данные Контакт 26
Электрическая схема Питание, масса, индикатор и выключатель Контакт 14
X200 Жгут проводов кузова и жгут проводов панели приборов

Расположение деталей (узлов) Трехмерная схема жгутов
Внешний вид разъема и ремонт Вилка
Внешний вид разъема и ремонт Гнездо
53
Напряжение зажигания
VTGN Фиолетовый-Зеленый
14
F17UA Предохранитель
K36 Пневматический ограничитель - Модуль зондирования и диагностики

Расположение деталей (узлов) Трехмерная схема жгутов
Электрическая схема Питание, масса, индикатор и выключатель Контакт 17
X1 Пневматический ограничитель - Модуль зондирования и диагностики X1

Расположение деталей (узлов) Трехмерная схема жгутов
Внешний вид разъема и ремонт
17
VTGN Фиолетовый-Зеленый
Электромагнит клапана абсорбера
BU Синий
RDBU Красный-Синий
A
X401 Жгут проводов кузова и жгут проводов топливного бака

Расположение деталей (узлов) Трехмерная схема жгутов
Внешний вид разъема и ремонт Вилка
Внешний вид разъема и ремонт Гнездо
M
X110 Жгут проводов кузова и жгут проводов двигателя

Внешний вид разъема и ремонт Вилка ДИЗЕЛЬНЫЙ ДВИГАТЕЛЬ, 4 ЦИЛ., L4, 2.0 Л, CRI, SOHC, ТУРБО, 110 кВт
Внешний вид разъема и ремонт Вилка ДВИГАТЕЛЬ БЕНЗИНОВЫЙ, 4 ЦИЛ., 1.6 Л, MFI, DOHC, PT-JV, РЕГУЛИРУЕМЫЕ ФАЗЫ РАСПРЕДВАЛОВ AFT, ДЕАКТИВИЗАЦИЯ ПОРТА, ИЛИ ДВИГАТЕЛЬ БЕНЗИНОВЫЙ, 4 ЦИЛ., 1.6 Л, MFI, DOHC, PT-JV, РЕГУЛИРУЕМЫЕ ФАЗЫ РАСПРЕДВАЛОВ AFT, 82 КВТ, ИЛИ ДВИГАТЕЛЬ БЕНЗИНОВЫЙ, 4 ЦИЛ., 1.8 Л,
Внешний вид разъема и ремонт Гнездо
Внешний вид разъема и ремонт Гнездо ГАЗОВЫЙ ДВИГАТЕЛЬ, 4 ЦИЛ., 1.6 Л, MFI, DOHC, 80 кВт (GMDAT)
30
BU Синий
4
F13UA Предохранитель
Q13 Выделение паров топлива (EVAP) - Выпускной электромагнитный клапан

Расположение деталей (узлов) Трехмерная схема жгутов
Внешний вид разъема и ремонт
Электрическая схема Датчики данных двигателя - средства управления EVAP ДВИГАТЕЛЬ БЕНЗИНОВЫЙ, 4 ЦИЛ., 1.6 Л, MFI, DOHC, PT-JV, РЕГУЛИРУЕМЫЕ ФАЗЫ РАСПРЕДВАЛОВ AFT, ДЕАКТИВИЗАЦИЯ ПОРТА, ИЛИ ДВИГАТЕЛЬ БЕНЗИНОВЫЙ, 4 ЦИЛ., 1.6 Л, MFI, DOHC, PT-JV, РЕГУЛИРУЕМЫЕ ФАЗЫ РАСПРЕДВАЛОВ AFT, 82 КВТ, ИЛИ ДВИГАТЕЛЬ БЕНЗИНОВЫЙ, 4 ЦИЛ., 1.8 Л, Контакт A
X3 Блок предохранителей - Под капотом X3

Внешний вид разъема и ремонт ГАЗОВЫЙ ДВИГАТЕЛЬ, 4 ЦИЛ., 1.6 Л, MFI, DOHC, 80 кВт (GMDAT)
Внешний вид разъема и ремонт ДИЗЕЛЬНЫЙ ДВИГАТЕЛЬ, 4 ЦИЛ., L4, 2.0 Л, CRI, SOHC, ТУРБО, 110 кВт
Внешний вид разъема и ремонт ДВИГАТЕЛЬ БЕНЗИНОВЫЙ, 4 ЦИЛ., 1.6 Л, MFI, DOHC, PT-JV, РЕГУЛИРУЕМЫЕ ФАЗЫ РАСПРЕДВАЛОВ AFT, ДЕАКТИВИЗАЦИЯ ПОРТА, ИЛИ ДВИГАТЕЛЬ БЕНЗИНОВЫЙ, 4 ЦИЛ., 1.6 Л, MFI, DOHC, PT-JV, РЕГУЛИРУЕМЫЕ ФАЗЫ РАСПРЕДВАЛОВ AFT, 82 КВТ, ИЛИ ДВИГАТЕЛЬ БЕНЗИНОВЫЙ, 4 ЦИЛ., 1.8 Л,
81
X1 Блок предохранителей - Под капотом X1

Расположение деталей (узлов) Трехмерная схема жгутов
Внешний вид разъема и ремонт
82
4
M29L Исполнительный элемент регулировки положения фар - левая

Расположение деталей (узлов) Трехмерная схема жгутов БЕЗ КОЖАНОЙ ОТДЕЛКИ СИДЕНЬЯ (TBD1-GSV)(GMDAT)
Расположение деталей (узлов) Трехмерная схема жгутов ЕВРОПА
Внешний вид разъема и ремонт ЕВРОПА
Электрическая схема Регулировка положения фар Контакт 4
4
M29R Исполнительный элемент регулировки положения фар - правая

Расположение деталей (узлов) Трехмерная схема жгутов БЕЗ КОЖАНОЙ ОТДЕЛКИ СИДЕНЬЯ (TBD1-GSV)(GMDAT)
Расположение деталей (узлов) Трехмерная схема жгутов ЕВРОПА
Внешний вид разъема и ремонт ЕВРОПА
Электрическая схема Регулировка положения фар Контакт 4
Напряжение зажигания
VTBK Фиолетовый-Черный
Напряжение зажигания
VTBK Фиолетовый-Черный
X2 Блок предохранителей - Под капотом X2

Внешний вид разъема и ремонт
Предохранители F5UA, F54UA и F57UA

Предохранители F5UA, F54UA и F57UA
Справочные данные по контроллерам

Справочные данные по контроллерам
Предохранители F24UA, F32UA, F35UA, F55UA, F69UA и F70UA

Предохранители F24UA, F32UA, F35UA, F55UA, F69UA и F70UA
Перечень основных электрических компонентов

Перечень основных электрических компонентов
   


https://vnx.su/ 🛠 Руководства по ремонту и эксплуатации для автомобилей

Поиск по сайту

Остались вопросы или пожелания? Пишите на почту: support@vnx.su

Карта Сайта