Cruze
   
GMDE Start Page Load static TOC Load dynamic TOC Help?
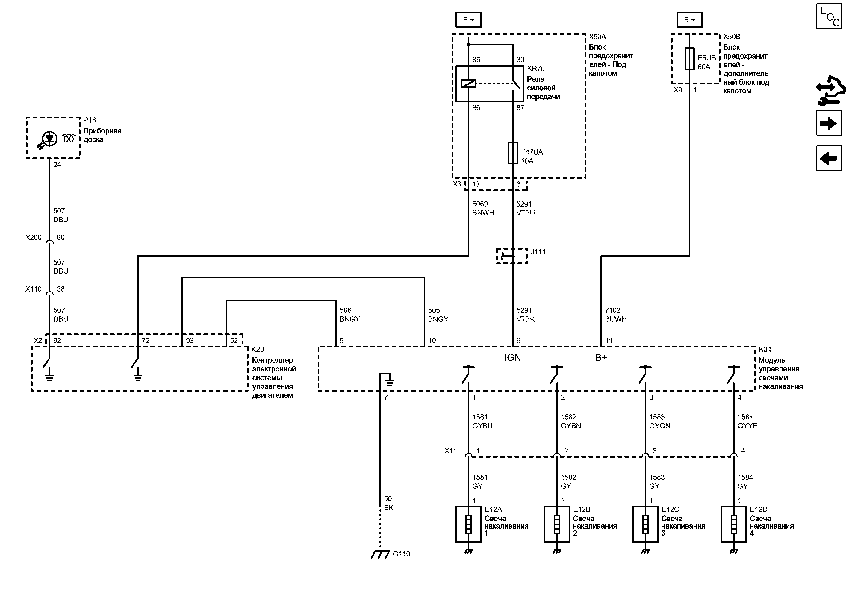
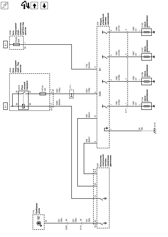
Датчики данных двигателя - средства управления свечами накаливания


            |                         |            
2202981RU.png


Display graphic

Display graphic

Компоненты
e12aСвеча накаливания 1k20Контроллер электронной системы управления двигателем
e12bСвеча накаливания 2k34Модуль управления свечами накаливания
e12cСвеча накаливания 3kr75Реле силовой передачи
e12dСвеча накаливания 4p16Приборная доска
f5ubПредохранительx50aБлок предохранителей - Под капотом
f47uaПредохранительx50bБлок предохранителей - дополнительный блок под капотом
Разъемы
j111Жгут проводов двигателяx110Жгут проводов кузова и жгут проводов двигателя
k20 (x2)Контроллер электронной системы управления двигателем x2x111Жгут проводов двигателя и жгут проводов свечей накаливания
x50a (x3)Блок предохранителей - Под капотом x3x200Жгут проводов кузова и жгут проводов панели приборов
x50b (x9)Блок предохранителей - дополнительный блок под капотом x9
Точки соединения с массой
g110Двигатель
Сокращения
b +Напряжение аккумуляторной батареи
Цветовые коды
bkЧерныйgybnСерый-Коричневый
bngyКоричневый-СерыйgybuСерый-Синий
bnwhКоричневый\БелыйgygnСерый-Зеленый
buwhСиний-БелыйgyyeСерый-Желтый
dbuТемно-синийvtbkФиолетовый-Черный
gyСерыйvtbuФиолетовый-Синий
G110 Двигатель

Расположение деталей (узлов) Трехмерная схема жгутов СТРАНА - КОРЕЯ ДИЗЕЛЬНЫЙ ДВИГАТЕЛЬ, 4 ЦИЛ., L4, 2.0 Л, CRI, SOHC, ТУРБО, 110 кВт
Электрическая схема G110 ДИЗЕЛЬНЫЙ ДВИГАТЕЛЬ, 4 ЦИЛ., L4, 2.0 Л, CRI, SOHC, ТУРБО, 110 кВт
1
3
Управление
Управление
Управление
2
Управление
4
1
7
Масса
BK Черный
Сигнал свечи накаливания
BNGY Коричневый-Серый
9
52
X2 Контроллер электронной системы управления двигателем X2

Расположение деталей (узлов) Трехмерная схема жгутов СТРАНА - КОРЕЯ ДИЗЕЛЬНЫЙ ДВИГАТЕЛЬ, 4 ЦИЛ., L4, 2.0 Л, CRI, SOHC, ТУРБО, 110 кВт
Внешний вид разъема и ремонт ДИЗЕЛЬНЫЙ ДВИГАТЕЛЬ, 4 ЦИЛ., L4, 2.0 Л, CRI, SOHC, ТУРБО, 110 кВт
93
Управление свечами накаливания
BNGY Коричневый-Серый
10
6
11
Люк в крыше - Модуль крыши ПРАВ/ЛЕВ,. защелка системы tonneau
BUWH Синий-Белый
Силовая передача - главное реле, защищенное плавким предохранителем (2)
VTBK Фиолетовый-Черный
1
1
1
Управление свечами накаливания (1)
GY Серый
Управление свечами накаливания (2)
GY Серый
Управление свечами накаливания (4)
GY Серый
Управление свечами накаливания (3)
GY Серый
Индикаторное управление - Ожидание запуска
DBU Темно-синий
92
X111 Жгут проводов двигателя и жгут проводов свечей накаливания

Расположение деталей (узлов) Трехмерная схема жгутов ДИЗЕЛЬНЫЙ ДВИГАТЕЛЬ, 4 ЦИЛ., L4, 2.0 Л, CRI, SOHC, ТУРБО, 110 кВт
Внешний вид разъема и ремонт Гнездо
1
2
4
3
GYBU Серый-Синий
GYBN Серый-Коричневый
GYGN Серый-Зеленый
GYYE Серый-Желтый
X110 Жгут проводов кузова и жгут проводов двигателя

Внешний вид разъема и ремонт Вилка ДИЗЕЛЬНЫЙ ДВИГАТЕЛЬ, 4 ЦИЛ., L4, 2.0 Л, CRI, SOHC, ТУРБО, 110 кВт
Внешний вид разъема и ремонт Гнездо
38
DBU Темно-синий
Управление катушкой главного реле двигателя
BNWH Коричневый\Белый
VTBU Фиолетовый-Синий
17
X3 Блок предохранителей - Под капотом X3

Внешний вид разъема и ремонт
Доступен вид только с одним разъемом
F47UA Предохранитель

Электрическая схема Дерево Предохранитель F47UA
Электрическая схема Питание Шина B+ UEC (2 из 6)
6
85
86
87
30
72
X200 Жгут проводов кузова и жгут проводов панели приборов

Расположение деталей (узлов) Трехмерная схема жгутов
Внешний вид разъема и ремонт Вилка
Внешний вид разъема и ремонт Гнездо
80
DBU Темно-синий
24
X9 Блок предохранителей - дополнительный блок под капотом X9

Внешний вид разъема и ремонт
1
F5UB Предохранитель

Электрическая схема Дерево Предохранители F24UA, F32UA, F35UA, F55UA, F69UA и F70UA
Электрическая схема Питание Шина B+ UEC (1 из 6)
Напряжение аккумуляторной батареи
Напряжение аккумуляторной батареи
Управление
Управление
Зажигание
B+ (положительное напряжение аккумуляторной батареи)
X50B Блок предохранителей - дополнительный блок под капотом
P16 Приборная доска
KR75 Реле силовой передачи
X50A Блок предохранителей - Под капотом

Расположение деталей (узлов) Трехмерная схема жгутов
E12C Свеча накаливания 3
E12D Свеча накаливания 4
E12B Свеча накаливания 2
E12A Свеча накаливания 1
K34 Модуль управления свечами накаливания

Расположение деталей (узлов) Трехмерная схема жгутов СТРАНА - КОРЕЯ ДИЗЕЛЬНЫЙ ДВИГАТЕЛЬ, 4 ЦИЛ., L4, 2.0 Л, CRI, SOHC, ТУРБО, 110 кВт
Внешний вид разъема и ремонт ДИЗЕЛЬНЫЙ ДВИГАТЕЛЬ, 4 ЦИЛ., L4, 2.0 Л, CRI, SOHC, ТУРБО, 110 кВт
K20 Контроллер электронной системы управления двигателем

Расположение деталей (узлов) Трехмерная схема жгутов СТРАНА - КОРЕЯ ДИЗЕЛЬНЫЙ ДВИГАТЕЛЬ, 4 ЦИЛ., L4, 2.0 Л, CRI, SOHC, ТУРБО, 110 кВт
Имеется только одно место для компонента
J111 Жгут проводов двигателя

Электрическая схема Датчики данных двигателя - исполнительные элементы ДИЗЕЛЬНЫЙ ДВИГАТЕЛЬ, 4 ЦИЛ., L4, 2.0 Л, CRI, SOHC, ТУРБО, 110 кВт
Электрическая схема Датчики данных двигателя - средства управления дроссельной заслонкой ДИЗЕЛЬНЫЙ ДВИГАТЕЛЬ, 4 ЦИЛ., L4, 2.0 Л, CRI, SOHC, ТУРБО, 110 кВт
Электрическая схема Органы управления топливом - Датчики и исполнительные органы общей топливной магистрали ДИЗЕЛЬНЫЙ ДВИГАТЕЛЬ, 4 ЦИЛ., L4, 2.0 Л, CRI, SOHC, ТУРБО, 110 кВт
Слабый опорный сигнал
Органы управления топливом - нагреватель топлива и датчик присутствия воды в топ...

Органы управления топливом - нагреватель топлива и датчик присутствия воды в топливе
Справочные данные по контроллерам

Справочные данные по контроллерам
Датчики данных двигателя - исполнительные элементы

Датчики данных двигателя - исполнительные элементы
Перечень основных электрических компонентов

Перечень основных электрических компонентов
   


https://vnx.su/ 🛠 Руководства по ремонту и эксплуатации для автомобилей

Поиск по сайту

Остались вопросы или пожелания? Пишите на почту: support@vnx.su

Карта Сайта