Cruze
   
GMDE Start Page Load static TOC Load dynamic TOC Help?
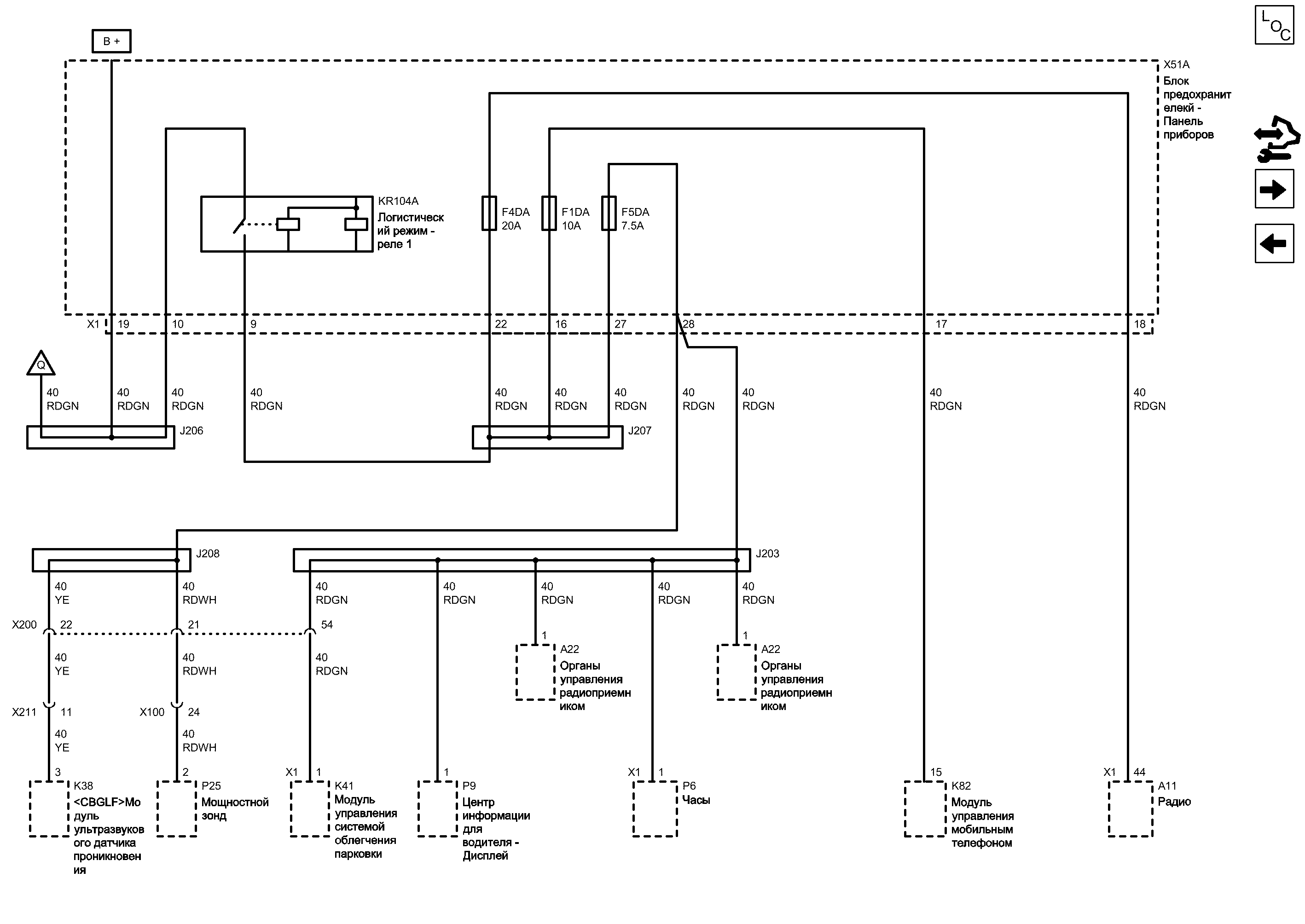
Предохранители f1da, f4da и f5da


            |                         |            
2203146RU.png


Display graphic

Display graphic

Компоненты
a11Радиоk82Модуль управления мобильным телефоном
a22Органы управления радиоприемникомkr104aЛогистический режим - реле 1
f1daПредохранительp6Часы
f4daПредохранительp9Центр информации для водителя - Дисплей
f5daПредохранительp25Мощностной зонд
k38<cbglf>Модуль ультразвукового датчика проникновенияx51aБлок предохранителекй - Панель приборов
k41Модуль управления системой облегчения парковки
Разъемы
a11 (x1)Радио x1p6 (x1)Часы x1
j203Жгут проводов панели приборовx51a (x1)Блок предохранителекй - Панель приборов x1
j206Жгут проводов панели приборовx100Жгут проводов кузова и жгут проводов передней части кузова
j207Жгут проводов панели приборовx200Жгут проводов кузова и жгут проводов панели приборов
j208Жгут проводов панели приборовx211Жгут проводов кузова и жгут проводов крыши
k41 (x1)Модуль управления системой облегчения парковки x1
Сокращения
b +Напряжение аккумуляторной батареи
Цветовые коды
rdgnКрасный-ЗеленыйyeЖелтый
rdwhКрасный-Белый
X1 Блок предохранителекй - Панель приборов X1
19
10
Положительное напряжение аккумуляторной батареи
RDGN Красный-Зеленый
RDGN Красный-Зеленый
9
Положительное напряжение аккумуляторной батареи
RDGN Красный-Зеленый
RDGN Красный-Зеленый
RDGN Красный-Зеленый
F4DA Предохранитель
F1DA Предохранитель
RDGN Красный-Зеленый
22
16
F5DA Предохранитель
27
RDGN Красный-Зеленый
28
17
18
Положительное напряжение аккумуляторной батареи
RDGN Красный-Зеленый
YE Желтый
RDWH Красный-Белый
X200 Жгут проводов кузова и жгут проводов панели приборов

Расположение деталей (узлов) Трехмерная схема жгутов
Внешний вид разъема и ремонт Вилка
Внешний вид разъема и ремонт Гнездо
22
21
YE Желтый
X211 Жгут проводов кузова и жгут проводов крыши

Расположение деталей (узлов) Трехмерная схема жгутов
Внешний вид разъема и ремонт Вилка
Внешний вид разъема и ремонт Гнездо
11
X100 Жгут проводов кузова и жгут проводов передней части кузова

Расположение деталей (узлов) Трехмерная схема жгутов
Внешний вид разъема и ремонт Вилка
Внешний вид разъема и ремонт Гнездо
24
YE Желтый
RDWH Красный-Белый
RDWH Красный-Белый
3
2
RDGN Красный-Зеленый
RDGN Красный-Зеленый
1
1
RDGN Красный-Зеленый
1
RDGN Красный-Зеленый
1
RDGN Красный-Зеленый
1
RDGN Красный-Зеленый
54
RDGN Красный-Зеленый
Положительное напряжение аккумуляторной батареи
RDGN Красный-Зеленый
15
Положительное напряжение аккумуляторной батареи
RDGN Красный-Зеленый
44
X1 Радио X1

Внешний вид разъема и ремонт
Напряжение аккумуляторной батареи
X1 Часы X1

Внешний вид разъема и ремонт
P9 Центр информации для водителя - Дисплей

Внешний вид разъема и ремонт
Электрическая схема Дисплей информационно-развлекательной системы ГРАФИЧЕСКИЙ ИНФОРМАЦИОННЫЙ ДИСПЛЕЙ (GID), ВАР. 1. ИЛИ ИНФОРМАЦИОННО-РАЗВЛЕКАТЕЛЬНЫЙ ДИСПЛЕЙ, ВРЕМЯ, ВНЕШН. ТЕМПЕРАТУРА, АУДИОСИСТЕМА Контакт 1
KR104A Логистический режим - реле 1
K38 Модуль ультразвукового датчика проникновения

Внешний вид разъема и ремонт
Электрическая схема Противоугонная сигнализация Контакт 3
X51A Блок предохранителекй - Панель приборов

Расположение деталей (узлов) Трехмерная схема жгутов
Электрическая схема Система облегчения парковки Контакт 27
Электрическая схема Система облегчения парковки Контакт 28
Электрическая схема Система облегчения парковки Контакт 9
Электрическая схема Дисплей информационно-развлекательной системы Äèñïëåé èíôîðìàöèîííî-ðàçâëåêàòåëüíîé ñèñòåìû, öâåòíîé èíôîðìàöèîííûé äèñïëåé (CID) 7'', OVGA Контакт 27 - 1
Электрическая схема Дисплей информационно-развлекательной системы Äèñïëåé èíôîðìàöèîííî-ðàçâëåêàòåëüíîé ñèñòåìû, öâåòíîé èíôîðìàöèîííûé äèñïëåé (CID) 7'', OVGA Контакт 27 - 2
Электрическая схема Дисплей информационно-развлекательной системы Äèñïëåé èíôîðìàöèîííî-ðàçâëåêàòåëüíîé ñèñòåìû, öâåòíîé èíôîðìàöèîííûé äèñïëåé (CID) 7'', OVGA Контакт 28 - 1
Электрическая схема Дисплей информационно-развлекательной системы Äèñïëåé èíôîðìàöèîííî-ðàçâëåêàòåëüíîé ñèñòåìû, öâåòíîé èíôîðìàöèîííûé äèñïëåé (CID) 7'', OVGA Контакт 28 - 2
Электрическая схема Дисплей информационно-развлекательной системы Äèñïëåé èíôîðìàöèîííî-ðàçâëåêàòåëüíîé ñèñòåìû, öâåòíîé èíôîðìàöèîííûé äèñïëåé (CID) 7'', OVGA Контакт 9 - 1
Электрическая схема Дисплей информационно-развлекательной системы Äèñïëåé èíôîðìàöèîííî-ðàçâëåêàòåëüíîé ñèñòåìû, öâåòíîé èíôîðìàöèîííûé äèñïëåé (CID) 7'', OVGA Контакт 9 - 2
Электрическая схема Дисплей информационно-развлекательной системы ГРАФИЧЕСКИЙ ИНФОРМАЦИОННЫЙ ДИСПЛЕЙ (GID), ВАР. 1. ИЛИ ИНФОРМАЦИОННО-РАЗВЛЕКАТЕЛЬНЫЙ ДИСПЛЕЙ, ВРЕМЯ, ВНЕШН. ТЕМПЕРАТУРА, АУДИОСИСТЕМА Контакт 27
Электрическая схема Дисплей информационно-развлекательной системы ГРАФИЧЕСКИЙ ИНФОРМАЦИОННЫЙ ДИСПЛЕЙ (GID), ВАР. 1. ИЛИ ИНФОРМАЦИОННО-РАЗВЛЕКАТЕЛЬНЫЙ ДИСПЛЕЙ, ВРЕМЯ, ВНЕШН. ТЕМПЕРАТУРА, АУДИОСИСТЕМА Контакт 28
Электрическая схема Дисплей информационно-развлекательной системы ГРАФИЧЕСКИЙ ИНФОРМАЦИОННЫЙ ДИСПЛЕЙ (GID), ВАР. 1. ИЛИ ИНФОРМАЦИОННО-РАЗВЛЕКАТЕЛЬНЫЙ ДИСПЛЕЙ, ВРЕМЯ, ВНЕШН. ТЕМПЕРАТУРА, АУДИОСИСТЕМА Контакт 9
Электрическая схема Питание, масса и последовательные данные Контакт 18
Электрическая схема Питание, масса и последовательные данные Контакт 22
Электрическая схема Питание, масса и последовательные данные Контакт 9
Электрическая схема Противоугонная сигнализация Контакт 27
Электрическая схема Противоугонная сигнализация Контакт 28
Электрическая схема Противоугонная сигнализация Контакт 9
A11 Радио

Расположение деталей (узлов) Трехмерная схема жгутов
Электрическая схема Питание, масса и последовательные данные Контакт 44
A22 Органы управления радиоприемником

Расположение деталей (узлов) Трехмерная схема жгутов
Внешний вид разъема и ремонт Äèñïëåé èíôîðìàöèîííî-ðàçâëåêàòåëüíîé ñèñòåìû, öâåòíîé èíôîðìàöèîííûé äèñïëåé (CID) 7'', OVGA
Внешний вид разъема и ремонт ГРАФИЧЕСКИЙ ИНФОРМАЦИОННЫЙ ДИСПЛЕЙ (GID), ВАР. 1. ИЛИ ИНФОРМАЦИОННО-РАЗВЛЕКАТЕЛЬНЫЙ ДИСПЛЕЙ, ВРЕМЯ, ВНЕШН. ТЕМПЕРАТУРА, АУДИОСИСТЕМА
Электрическая схема Дисплей информационно-развлекательной системы Äèñïëåé èíôîðìàöèîííî-ðàçâëåêàòåëüíîé ñèñòåìû, öâåòíîé èíôîðìàöèîííûé äèñïëåé (CID) 7'', OVGA Контакт 1
Электрическая схема Дисплей информационно-развлекательной системы ГРАФИЧЕСКИЙ ИНФОРМАЦИОННЫЙ ДИСПЛЕЙ (GID), ВАР. 1. ИЛИ ИНФОРМАЦИОННО-РАЗВЛЕКАТЕЛЬНЫЙ ДИСПЛЕЙ, ВРЕМЯ, ВНЕШН. ТЕМПЕРАТУРА, АУДИОСИСТЕМА Контакт 1
A22 Органы управления радиоприемником

Расположение деталей (узлов) Трехмерная схема жгутов
Внешний вид разъема и ремонт Äèñïëåé èíôîðìàöèîííî-ðàçâëåêàòåëüíîé ñèñòåìû, öâåòíîé èíôîðìàöèîííûé äèñïëåé (CID) 7'', OVGA
Внешний вид разъема и ремонт ГРАФИЧЕСКИЙ ИНФОРМАЦИОННЫЙ ДИСПЛЕЙ (GID), ВАР. 1. ИЛИ ИНФОРМАЦИОННО-РАЗВЛЕКАТЕЛЬНЫЙ ДИСПЛЕЙ, ВРЕМЯ, ВНЕШН. ТЕМПЕРАТУРА, АУДИОСИСТЕМА
Электрическая схема Дисплей информационно-развлекательной системы Äèñïëåé èíôîðìàöèîííî-ðàçâëåêàòåëüíîé ñèñòåìû, öâåòíîé èíôîðìàöèîííûé äèñïëåé (CID) 7'', OVGA Контакт 1
Электрическая схема Дисплей информационно-развлекательной системы ГРАФИЧЕСКИЙ ИНФОРМАЦИОННЫЙ ДИСПЛЕЙ (GID), ВАР. 1. ИЛИ ИНФОРМАЦИОННО-РАЗВЛЕКАТЕЛЬНЫЙ ДИСПЛЕЙ, ВРЕМЯ, ВНЕШН. ТЕМПЕРАТУРА, АУДИОСИСТЕМА Контакт 1
P6 Часы

Доступна только одна электрическая схема
Электрическая схема Дисплей информационно-развлекательной системы Äèñïëåé èíôîðìàöèîííî-ðàçâëåêàòåëüíîé ñèñòåìû, öâåòíîé èíôîðìàöèîííûé äèñïëåé (CID) 7'', OVGA Контакт 1
K41 Модуль управления системой облегчения парковки

Расположение деталей (узлов) Трехмерная схема жгутов СТРАНЫ - КРОМЕ СЕВЕРНОЙ АМЕРИКИ
Электрическая схема Система облегчения парковки Контакт 1
K82 Модуль управления мобильным телефоном

Расположение деталей (узлов) Трехмерная схема жгутов
P25 Мощностной зонд

Внешний вид разъема и ремонт
Электрическая схема Противоугонная сигнализация Контакт 2
J203 Жгут проводов панели приборов
J207 Жгут проводов панели приборов
J206 Жгут проводов панели приборов
J208 Жгут проводов панели приборов
Q

Q
X1 Модуль управления системой облегчения парковки X1

Расположение деталей (узлов) Трехмерная схема жгутов СТРАНЫ - КРОМЕ СЕВЕРНОЙ АМЕРИКИ
Внешний вид разъема и ремонт
Предохранители F14DA, F15DA, F16DA, F17DA, F21DA, F22DA, F23DA, F24DA и F25DA

Предохранители F14DA, F15DA, F16DA, F17DA, F21DA, F22DA, F23DA, F24DA и F25DA
Справочные данные по контроллерам

Справочные данные по контроллерам
Предохранители F6DA и F7DA

Предохранители F6DA и F7DA
Перечень основных электрических компонентов

Перечень основных электрических компонентов
   


https://vnx.su/ 🛠 Руководства по ремонту и эксплуатации для автомобилей

Поиск по сайту

Остались вопросы или пожелания? Пишите на почту: support@vnx.su

Карта Сайта