Cruze
   
GMDE Start Page Load static TOC Load dynamic TOC Help?
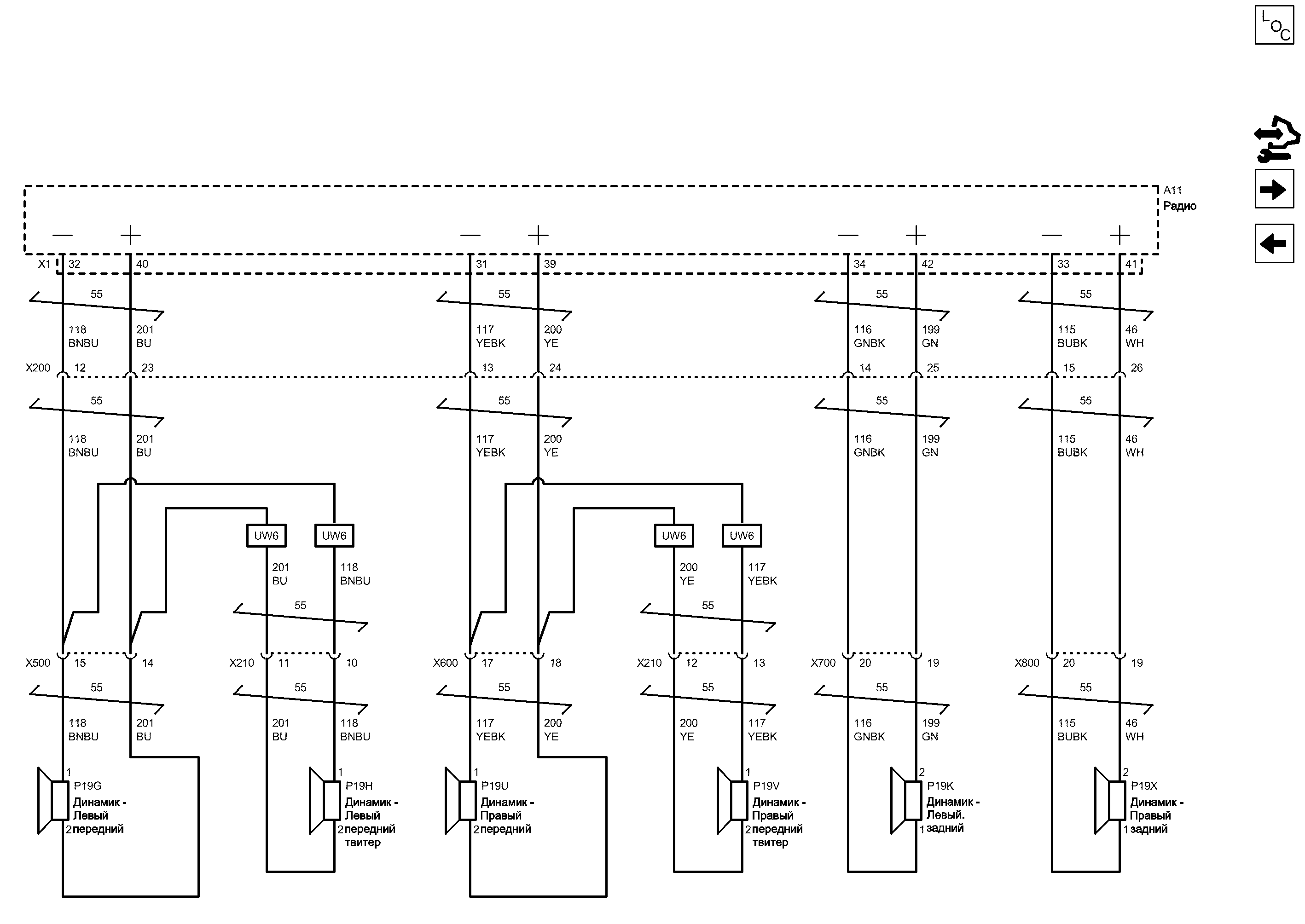
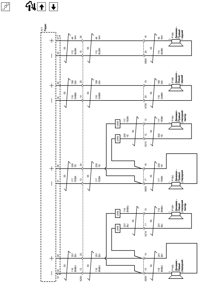
Дверные динамики (Левостороннее управление)


            |                         |            
2202867RU.png


Display graphic

Display graphic

Компоненты
a11Радиоp19uДинамик - Правый передний
p19gДинамик - Левый переднийp19vДинамик - Правый передний твитер
p19hДинамик - Левый передний твитерp19xДинамик - Правый задний
p19kДинамик - Левый. задний
Разъемы
a11 (x1)Радио x1x600Жгут проводов кузова и жгут проводов двери пассажира
x200Жгут проводов кузова и жгут проводов панели приборовx700Жгут проводов кузова и жгут проводов левой задней двери
x210Жгут проводов кузова и жгут проводов крышиx800Жгут проводов кузова и жгут проводов правой задней двери
x500Жгут проводов кузова и жгут проводов двери водителя
Сокращения
uw6СИСТЕМА ДИНАМИКОВ - 6, ПОЛЬЗОВАТЕЛЬСКАЯ
Цветовые коды
bnbuКоричневый-СинийgnbkЗеленый-Черный
buСинийwhБелый
bubkСиний-ЧерныйyeЖелтый
gnЗеленыйyebkЖелтый-Черный
40
32
X200 Жгут проводов кузова и жгут проводов панели приборов

Расположение деталей (узлов) Трехмерная схема жгутов
Внешний вид разъема и ремонт Вилка
Внешний вид разъема и ремонт Гнездо
12
23
31
39
X500 Жгут проводов кузова и жгут проводов двери водителя

Расположение деталей (узлов) Трехмерная схема жгутов Левостороннее управление
Внешний вид разъема и ремонт Вилка Левостороннее управление
Внешний вид разъема и ремонт Гнездо
15
14
Сигнал левого переднего динамика (-) (1)
BNBU Коричневый-Синий
Левый передний динамик (+) (1)
BU Синий
X1 Радио X1

Внешний вид разъема и ремонт
СИСТЕМА ДИНАМИКОВ - 6, ПОЛЬЗОВАТЕЛЬСКАЯ
BU Синий
СИСТЕМА ДИНАМИКОВ - 6, ПОЛЬЗОВАТЕЛЬСКАЯ
BNBU Коричневый-Синий
10
X210 Жгут проводов кузова и жгут проводов крыши

Расположение деталей (узлов) Трехмерная схема жгутов
Внешний вид разъема и ремонт Вилка
11
СИСТЕМА ДИНАМИКОВ - 6, ПОЛЬЗОВАТЕЛЬСКАЯ
YE Желтый
X210 Жгут проводов кузова и жгут проводов крыши

Расположение деталей (узлов) Трехмерная схема жгутов
Внешний вид разъема и ремонт Вилка
12
X600 Жгут проводов кузова и жгут проводов двери пассажира

Расположение деталей (узлов) Трехмерная схема жгутов Левостороннее управление
Внешний вид разъема и ремонт Вилка Левостороннее управление
Внешний вид разъема и ремонт Гнездо
17
18
13
СИСТЕМА ДИНАМИКОВ - 6, ПОЛЬЗОВАТЕЛЬСКАЯ
YEBK Желтый-Черный
24
13
Правый передний динамик (+) (1)
YE Желтый
Сигнал правого переднего динамика (-) (1)
YEBK Желтый-Черный
34
42
Сигнал левого заднего динамика (-)
GNBK Зеленый-Черный
Левый задний динамик (+)
GN Зеленый
14
25
15
Сигнал правого заднего динамика (-)
BUBK Синий-Черный
26
Правый задний динамик (+)
WH Белый
33
41
19
X700 Жгут проводов кузова и жгут проводов левой задней двери

Расположение деталей (узлов) Трехмерная схема жгутов
Внешний вид разъема и ремонт Вилка
Внешний вид разъема и ремонт Гнездо
20
X800 Жгут проводов кузова и жгут проводов правой задней двери

Расположение деталей (узлов) Трехмерная схема жгутов
Внешний вид разъема и ремонт Вилка
Внешний вид разъема и ремонт Гнездо
20
19
2
1
1
2
2
1
2
1
1
2
1
2
P19X Динамик - Правый задний

Внешний вид разъема и ремонт
P19K Динамик - Левый. задний

Внешний вид разъема и ремонт
P19H Динамик - Левый передний твитер

Внешний вид разъема и ремонт
P19G Динамик - Левый передний

Расположение деталей (узлов) Трехмерная схема жгутов Левостороннее управление
Внешний вид разъема и ремонт Левостороннее управление
P19U Динамик - Правый передний

Расположение деталей (узлов) Трехмерная схема жгутов Левостороннее управление
Внешний вид разъема и ремонт Левостороннее управление
P19V Динамик - Правый передний твитер

Расположение деталей (узлов) Трехмерная схема жгутов
Внешний вид разъема и ремонт
A11 Радио

Расположение деталей (узлов) Трехмерная схема жгутов
Сигнал динамика (+)
Сигнал динамика (-)
Сигнал динамика (-)
Сигнал динамика (+)
Сигнал динамика (-)
Сигнал динамика (+)
Сигнал динамика (-)
Сигнал динамика (+)
BNBU Коричневый-Синий
BU Синий
BNBU Коричневый-Синий
BU Синий
BU Синий
BNBU Коричневый-Синий
YEBK Желтый-Черный
YE Желтый
YEBK Желтый-Черный
YE Желтый
YEBK Желтый-Черный
YE Желтый
GN Зеленый
GNBK Зеленый-Черный
GN Зеленый
GNBK Зеленый-Черный
BUBK Синий-Черный
WH Белый
BUBK Синий-Черный
WH Белый
Питание, масса и последовательные данные

Питание, масса и последовательные данные
Справочные данные по контроллерам

Справочные данные по контроллерам
Дверные динамики

Дверные динамики
Перечень основных электрических компонентов

Перечень основных электрических компонентов
   


https://vnx.su/ 🛠 Руководства по ремонту и эксплуатации для автомобилей

Поиск по сайту

Остались вопросы или пожелания? Пишите на почту: support@vnx.su

Карта Сайта