Cruze
   
GMDE Start Page Load static TOC Load dynamic TOC Help?
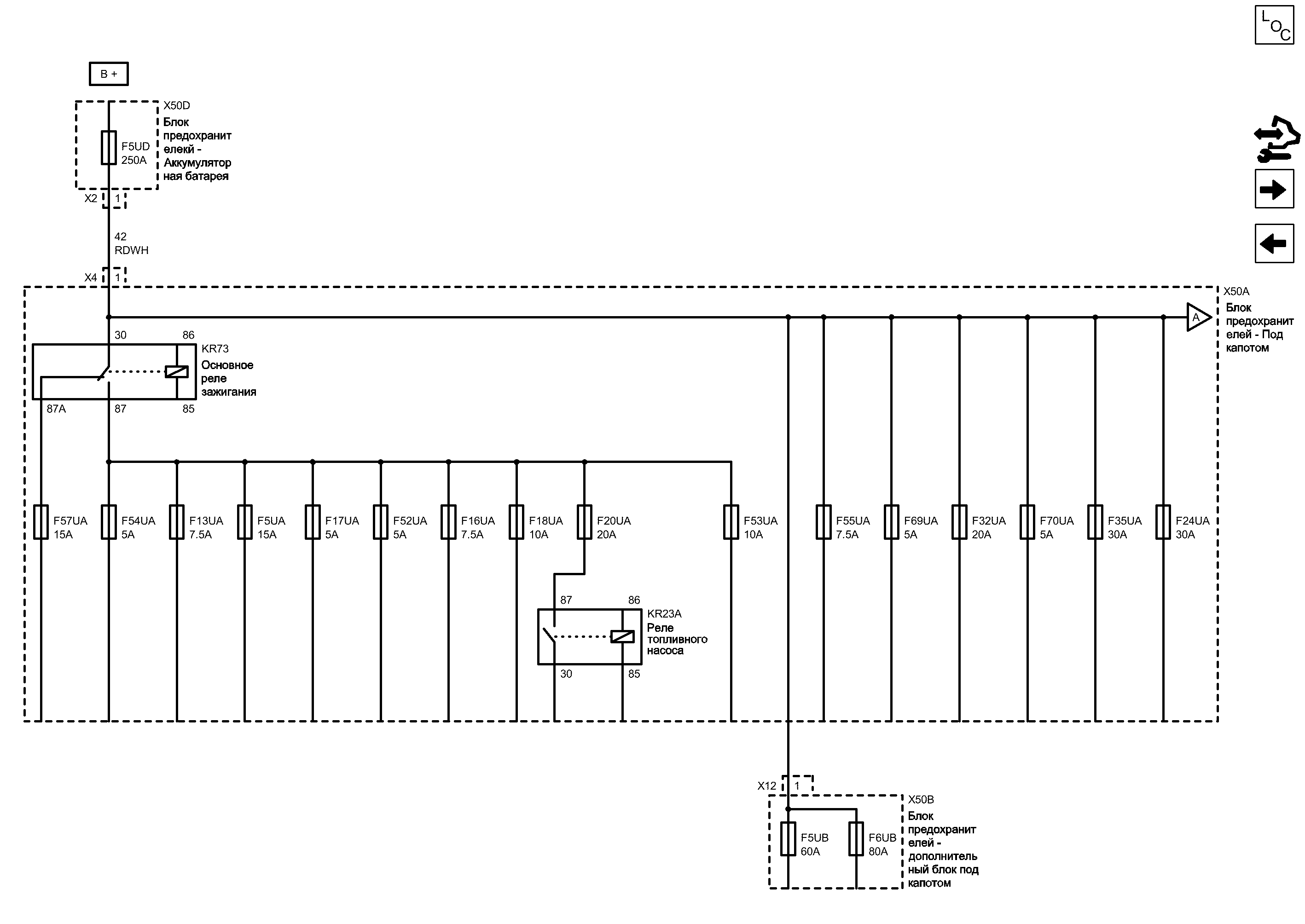
Шина b+ UEC (1 из 6)


            |                         |            
2203071RU.png


Display graphic

Display graphic

Компоненты
f5uaПредохранительf52uaПредохранитель
f5ubПредохранительf53uaПредохранитель
f5udПредохранительf54uaПредохранитель
f6ubПредохранительf55uaПредохранитель
f13uaПредохранительf57uaПредохранитель
f16uaПредохранительf69uaПредохранитель
f17uaПредохранительf70uaПредохранитель
f18uaПредохранительkr23aРеле топливного насоса
f20uaПредохранительkr73Основное реле зажигания
f24uaПредохранительx50aБлок предохранителей - Под капотом
f32uaПредохранительx50bБлок предохранителей - дополнительный блок под капотом
f35uaПредохранительx50dБлок предохранителекй - Аккумуляторная батарея
Разъемы
x50a (x4)Блок предохранителей - Под капотом x4x50d (x2)Блок предохранителекй - Аккумуляторная батарея x2
x50b (x12)Блок предохранителей - дополнительный блок под капотом x12
Сокращения
b +Напряжение аккумуляторной батареи
Цветовые коды
rdwhКрасный-Белый
F5UD Предохранитель
1
X2 Блок предохранителекй - Аккумуляторная батарея X2

Расположение деталей (узлов) Трехмерная схема жгутов
Положительное напряжение аккумуляторной батареи
RDWH Красный-Белый
F17UA Предохранитель
F54UA Предохранитель
X4 Блок предохранителей - Под капотом X4
F13UA Предохранитель
F5UA Предохранитель
1
F52UA Предохранитель
30
86
87
85
87A
F57UA Предохранитель
A

A
F20UA Предохранитель
F18UA Предохранитель
F16UA Предохранитель
F53UA Предохранитель
F69UA Предохранитель
F55UA Предохранитель
F70UA Предохранитель
F32UA Предохранитель
F24UA Предохранитель
F35UA Предохранитель
F5UB Предохранитель
F6UB Предохранитель
1
X12 Блок предохранителей - дополнительный блок под капотом X12
30
87
85
86
Напряжение аккумуляторной батареи
KR23A Реле топливного насоса

Электрическая схема Средства управления топливом - топливный насос и форсунки ГАЗОВЫЙ ДВИГАТЕЛЬ, 4 ЦИЛ., 1.6 Л, MFI, DOHC, 80 кВт (GMDAT) СТРАНЫ - КРОМЕ СЕВЕРНОЙ АМЕРИКИ Контакт 30
Электрическая схема Средства управления топливом - топливный насос и форсунки ГАЗОВЫЙ ДВИГАТЕЛЬ, 4 ЦИЛ., 1.6 Л, MFI, DOHC, 80 кВт (GMDAT) СТРАНЫ - КРОМЕ СЕВЕРНОЙ АМЕРИКИ Контакт 85
Электрическая схема Средства управления топливом - топливный насос и форсунки ГАЗОВЫЙ ДВИГАТЕЛЬ, 4 ЦИЛ., 1.6 Л, MFI, DOHC, 80 кВт (GMDAT) СТРАНЫ - КРОМЕ СЕВЕРНОЙ АМЕРИКИ Контакт 86
Электрическая схема Средства управления топливом - топливный насос и форсунки ГАЗОВЫЙ ДВИГАТЕЛЬ, 4 ЦИЛ., 1.6 Л, MFI, DOHC, 80 кВт (GMDAT) СТРАНЫ - КРОМЕ СЕВЕРНОЙ АМЕРИКИ Контакт 87
Электрическая схема Средства управления топливом - топливный насос и форсунки ДИЗЕЛЬНЫЙ ДВИГАТЕЛЬ, 4 ЦИЛ., L4, 2.0 Л, CRI, SOHC, ТУРБО, 110 кВт СТРАНЫ - КРОМЕ СЕВЕРНОЙ АМЕРИКИ Контакт 30
Электрическая схема Средства управления топливом - топливный насос и форсунки ДИЗЕЛЬНЫЙ ДВИГАТЕЛЬ, 4 ЦИЛ., L4, 2.0 Л, CRI, SOHC, ТУРБО, 110 кВт СТРАНЫ - КРОМЕ СЕВЕРНОЙ АМЕРИКИ Контакт 85
Электрическая схема Средства управления топливом - топливный насос и форсунки ДИЗЕЛЬНЫЙ ДВИГАТЕЛЬ, 4 ЦИЛ., L4, 2.0 Л, CRI, SOHC, ТУРБО, 110 кВт СТРАНЫ - КРОМЕ СЕВЕРНОЙ АМЕРИКИ Контакт 86
Электрическая схема Средства управления топливом - топливный насос и форсунки ДИЗЕЛЬНЫЙ ДВИГАТЕЛЬ, 4 ЦИЛ., L4, 2.0 Л, CRI, SOHC, ТУРБО, 110 кВт СТРАНЫ - КРОМЕ СЕВЕРНОЙ АМЕРИКИ Контакт 87
Электрическая схема Средства управления топливом - топливный насос и форсунки ДВИГАТЕЛЬ БЕНЗИНОВЫЙ, 4 ЦИЛ., 1.6 Л, MFI, DOHC, PT-JV, РЕГУЛИРУЕМЫЕ ФАЗЫ РАСПРЕДВАЛОВ AFT, ДЕАКТИВИЗАЦИЯ ПОРТА, ИЛИ ДВИГАТЕЛЬ БЕНЗИНОВЫЙ, 4 ЦИЛ., 1.6 Л, MFI, DOHC, PT-JV, РЕГУЛИРУЕМЫЕ ФАЗЫ РАСПРЕДВАЛОВ AFT, 82 КВТ, ИЛИ ДВИГАТЕЛЬ БЕНЗИНОВЫЙ, 4 ЦИЛ., 1.8 Л, СТРАНЫ - КРОМЕ СЕВЕРНОЙ АМЕРИКИ Контакт 30
Электрическая схема Средства управления топливом - топливный насос и форсунки ДВИГАТЕЛЬ БЕНЗИНОВЫЙ, 4 ЦИЛ., 1.6 Л, MFI, DOHC, PT-JV, РЕГУЛИРУЕМЫЕ ФАЗЫ РАСПРЕДВАЛОВ AFT, ДЕАКТИВИЗАЦИЯ ПОРТА, ИЛИ ДВИГАТЕЛЬ БЕНЗИНОВЫЙ, 4 ЦИЛ., 1.6 Л, MFI, DOHC, PT-JV, РЕГУЛИРУЕМЫЕ ФАЗЫ РАСПРЕДВАЛОВ AFT, 82 КВТ, ИЛИ ДВИГАТЕЛЬ БЕНЗИНОВЫЙ, 4 ЦИЛ., 1.8 Л, СТРАНЫ - КРОМЕ СЕВЕРНОЙ АМЕРИКИ Контакт 85
Электрическая схема Средства управления топливом - топливный насос и форсунки ДВИГАТЕЛЬ БЕНЗИНОВЫЙ, 4 ЦИЛ., 1.6 Л, MFI, DOHC, PT-JV, РЕГУЛИРУЕМЫЕ ФАЗЫ РАСПРЕДВАЛОВ AFT, ДЕАКТИВИЗАЦИЯ ПОРТА, ИЛИ ДВИГАТЕЛЬ БЕНЗИНОВЫЙ, 4 ЦИЛ., 1.6 Л, MFI, DOHC, PT-JV, РЕГУЛИРУЕМЫЕ ФАЗЫ РАСПРЕДВАЛОВ AFT, 82 КВТ, ИЛИ ДВИГАТЕЛЬ БЕНЗИНОВЫЙ, 4 ЦИЛ., 1.8 Л, СТРАНЫ - КРОМЕ СЕВЕРНОЙ АМЕРИКИ Контакт 86
Электрическая схема Средства управления топливом - топливный насос и форсунки ДВИГАТЕЛЬ БЕНЗИНОВЫЙ, 4 ЦИЛ., 1.6 Л, MFI, DOHC, PT-JV, РЕГУЛИРУЕМЫЕ ФАЗЫ РАСПРЕДВАЛОВ AFT, ДЕАКТИВИЗАЦИЯ ПОРТА, ИЛИ ДВИГАТЕЛЬ БЕНЗИНОВЫЙ, 4 ЦИЛ., 1.6 Л, MFI, DOHC, PT-JV, РЕГУЛИРУЕМЫЕ ФАЗЫ РАСПРЕДВАЛОВ AFT, 82 КВТ, ИЛИ ДВИГАТЕЛЬ БЕНЗИНОВЫЙ, 4 ЦИЛ., 1.8 Л, СТРАНЫ - КРОМЕ СЕВЕРНОЙ АМЕРИКИ Контакт 87
X50B Блок предохранителей - дополнительный блок под капотом
X50A Блок предохранителей - Под капотом

Расположение деталей (узлов) Трехмерная схема жгутов
KR73 Основное реле зажигания

Электрическая схема Регулировка положения фар Контакт 30
Электрическая схема Регулировка положения фар Контакт 85
Электрическая схема Регулировка положения фар Контакт 86
Электрическая схема Регулировка положения фар Контакт 87
Электрическая схема Внутреннее зеркало заднего вида Контакт 30
Электрическая схема Внутреннее зеркало заднего вида Контакт 85
Электрическая схема Внутреннее зеркало заднего вида Контакт 86
Электрическая схема Внутреннее зеркало заднего вида Контакт 87
Электрическая схема Внутреннее зеркало заднего вида Контакт 87A
Электрическая схема Выключатель зажигания БЕЗ УПРАВЛЕНИЯ ЗАМКОМ ВХОДА, ДИСТАНЦИОННЫЙ ВХОД, РАСШИРЕННЫЙ ДИАПАЗОН, ПАССИВНЫЙ ВХОД Контакт 30
Электрическая схема Выключатель зажигания БЕЗ УПРАВЛЕНИЯ ЗАМКОМ ВХОДА, ДИСТАНЦИОННЫЙ ВХОД, РАСШИРЕННЫЙ ДИАПАЗОН, ПАССИВНЫЙ ВХОД Контакт 85
Электрическая схема Выключатель зажигания БЕЗ УПРАВЛЕНИЯ ЗАМКОМ ВХОДА, ДИСТАНЦИОННЫЙ ВХОД, РАСШИРЕННЫЙ ДИАПАЗОН, ПАССИВНЫЙ ВХОД Контакт 86
Электрическая схема Выключатель зажигания БЕЗ УПРАВЛЕНИЯ ЗАМКОМ ВХОДА, ДИСТАНЦИОННЫЙ ВХОД, РАСШИРЕННЫЙ ДИАПАЗОН, ПАССИВНЫЙ ВХОД Контакт 87
Электрическая схема Выключатель зажигания БЕЗ УПРАВЛЕНИЯ ЗАМКОМ ВХОДА, ДИСТАНЦИОННЫЙ ВХОД, РАСШИРЕННЫЙ ДИАПАЗОН, ПАССИВНЫЙ ВХОД Контакт 87A
Электрическая схема Выключатель зажигания УПРАВЛЕНИЕ ЗАМКОМ ВХОДА, ДИСТАНЦИОННЫЙ ВХОД, РАСШИРЕННЫЙ ДИАПАЗОН, ПАССИВНЫЙ ВХОД Контакт 30
Электрическая схема Выключатель зажигания УПРАВЛЕНИЕ ЗАМКОМ ВХОДА, ДИСТАНЦИОННЫЙ ВХОД, РАСШИРЕННЫЙ ДИАПАЗОН, ПАССИВНЫЙ ВХОД Контакт 85
Электрическая схема Выключатель зажигания УПРАВЛЕНИЕ ЗАМКОМ ВХОДА, ДИСТАНЦИОННЫЙ ВХОД, РАСШИРЕННЫЙ ДИАПАЗОН, ПАССИВНЫЙ ВХОД Контакт 86
Электрическая схема Выключатель зажигания УПРАВЛЕНИЕ ЗАМКОМ ВХОДА, ДИСТАНЦИОННЫЙ ВХОД, РАСШИРЕННЫЙ ДИАПАЗОН, ПАССИВНЫЙ ВХОД Контакт 87
Электрическая схема Выключатель зажигания УПРАВЛЕНИЕ ЗАМКОМ ВХОДА, ДИСТАНЦИОННЫЙ ВХОД, РАСШИРЕННЫЙ ДИАПАЗОН, ПАССИВНЫЙ ВХОД Контакт 87A
X50D Блок предохранителекй - Аккумуляторная батарея

Расположение деталей (узлов) Трехмерная схема жгутов
Шина B+

Шина B+
Справочные данные по контроллерам

Справочные данные по контроллерам
Шина B+ UEC (2 из 6)

Шина B+ UEC (2 из 6)
Перечень основных электрических компонентов

Перечень основных электрических компонентов
   


https://vnx.su/ 🛠 Руководства по ремонту и эксплуатации для автомобилей

Поиск по сайту

Остались вопросы или пожелания? Пишите на почту: support@vnx.su

Карта Сайта