Cruze
   
GMDE Start Page Load static TOC Load dynamic TOC Help?
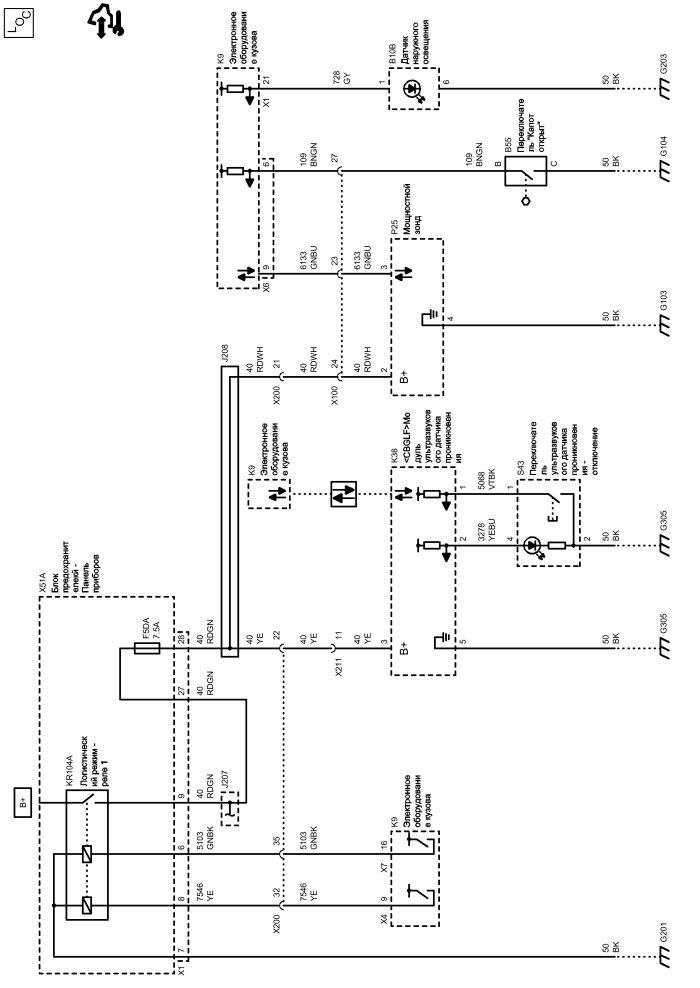
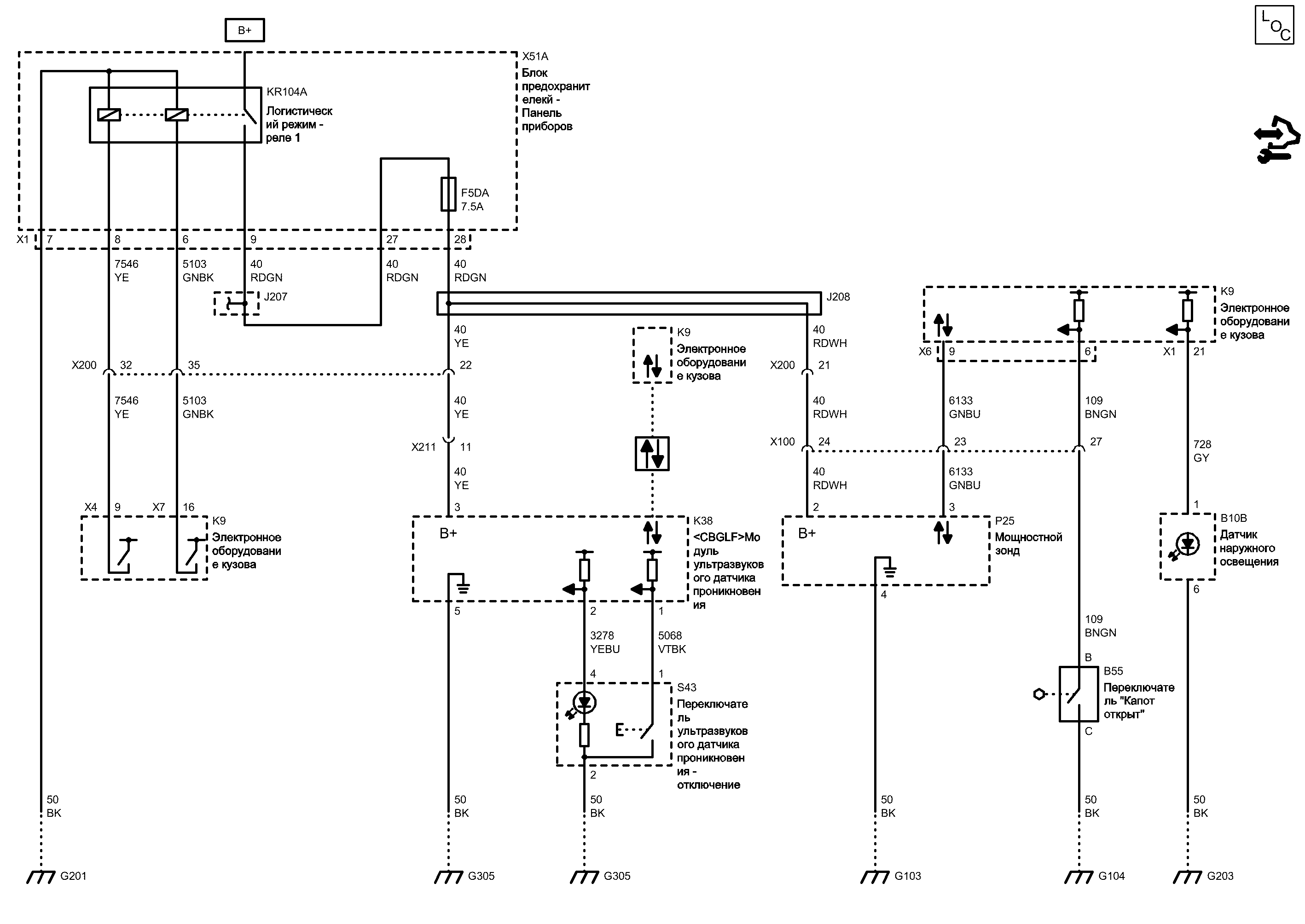
Противоугонная сигнализация


            |                         |            
2203233RU.png


Display graphic

Display graphic

Компоненты
b10bДатчик наружного освещенияkr104aЛогистический режим - реле 1
b55Переключатель "Капот открыт"p25Мощностной зонд
f5daПредохранительs43Переключатель ультразвукового датчика проникновения - отключение
k9Электронное оборудование кузоваx51aБлок предохранителекй - Панель приборов
k38<cbglf>Модуль ультразвукового датчика проникновения
Разъемы
j207Жгут проводов панели приборовk9 (x7)Электронное оборудование кузова x7
j208Жгут проводов панели приборовx51a (x1)Блок предохранителекй - Панель приборов x1
k9 (x1)Электронное оборудование кузова x1x100Жгут проводов кузова и жгут проводов передней части кузова
k9 (x4)Электронное оборудование кузова x4x200Жгут проводов кузова и жгут проводов панели приборов
k9 (x6)Электронное оборудование кузова x6x211Жгут проводов кузова и жгут проводов крыши
Точки соединения с массой
g103Моторный отсек - Передняя часть, слеваg203Поперечина, панель приборов - позади аудиосистемы
g104Моторный отсек - Передняя часть, справаg305Передняя стойка, левая
g201Поперечина, панель приборов, слева
Сокращения
b+Вывод b+fsdcФункциональный обмен последовательными данными
Цветовые коды
bkЧерныйrdgnКрасный-Зеленый
bngnКоричневый-ЗеленыйrdwhКрасный-Белый
gnbkЗеленый-ЧерныйvtbkФиолетовый-Черный
gnbuЗеленый-СинийyeЖелтый
gyСерыйyebuЖелтый-Синий
Положительное напряжение аккумуляторной батареи
YE Желтый
3
YE Желтый
X211 Жгут проводов кузова и жгут проводов крыши

Расположение деталей (узлов) Трехмерная схема жгутов
Внешний вид разъема и ремонт Вилка
Внешний вид разъема и ремонт Гнездо
11
28
X1 Блок предохранителекй - Панель приборов X1
F5DA Предохранитель

Электрическая схема Дерево Предохранители F1DA, F4DA и F5DA
Электрическая схема Питание Шина B+ IEC (2 из 3)
Вывод B+
5
Масса
BK Черный
G305 Передняя стойка, левая

Расположение деталей (узлов) Трехмерная схема жгутов
Внешний вид разъема и ремонт
Электрическая схема G305
2
Сигнал правого вспомогательного аудиоканала (3)
YEBU Желтый-Синий
4
2
Масса
BK Черный
1
G305 Передняя стойка, левая

Расположение деталей (узлов) Трехмерная схема жгутов
Внешний вид разъема и ремонт
Электрическая схема G305
Сигнал отключения переключателя датчика проникновения
VTBK Фиолетовый-Черный
1
16
8
X7 Электронное оборудование кузова X7

Расположение деталей (узлов) Трехмерная схема жгутов
9
X4 Электронное оборудование кузова X4

Расположение деталей (узлов) Трехмерная схема жгутов
Идентификация технологии
GNBK Зеленый-Черный
6
Функциональный обмен последовательными данными
22
YE Желтый
Логистическое релейное управление
YE Желтый
X200 Жгут проводов кузова и жгут проводов панели приборов

Расположение деталей (узлов) Трехмерная схема жгутов
Внешний вид разъема и ремонт Вилка
Внешний вид разъема и ремонт Гнездо
32
35
YE Желтый
J208 Жгут проводов панели приборов
RDGN Красный-Зеленый
RDWH Красный-Белый
X200 Жгут проводов кузова и жгут проводов панели приборов

Расположение деталей (узлов) Трехмерная схема жгутов
Внешний вид разъема и ремонт Вилка
Внешний вид разъема и ремонт Гнездо
21
X100 Жгут проводов кузова и жгут проводов передней части кузова

Расположение деталей (узлов) Трехмерная схема жгутов
Внешний вид разъема и ремонт Вилка
Внешний вид разъема и ремонт Гнездо
24
RDWH Красный-Белый
RDWH Красный-Белый
2
4
G103 Моторный отсек - Передняя часть, слева

Расположение деталей (узлов) Трехмерная схема жгутов БЕЗ КОЖАНОЙ ОТДЕЛКИ СИДЕНЬЯ (TBD1-GSV)(GMDAT)
Расположение деталей (узлов) Трехмерная схема жгутов ЕВРОПА
Внешний вид разъема и ремонт
Электрическая схема G103 и G105
Масса
BK Черный
27
9
Положительное напряжение аккумуляторной батареи
RDGN Красный-Зеленый
J207 Жгут проводов панели приборов

Электрическая схема Система облегчения парковки
Электрическая схема Дисплей информационно-развлекательной системы Äèñïëåé èíôîðìàöèîííî-ðàçâëåêàòåëüíîé ñèñòåìû, öâåòíîé èíôîðìàöèîííûé äèñïëåé (CID) 7'', OVGA - 1
Электрическая схема Дисплей информационно-развлекательной системы Äèñïëåé èíôîðìàöèîííî-ðàçâëåêàòåëüíîé ñèñòåìû, öâåòíîé èíôîðìàöèîííûé äèñïëåé (CID) 7'', OVGA - 2
Электрическая схема Дисплей информационно-развлекательной системы ГРАФИЧЕСКИЙ ИНФОРМАЦИОННЫЙ ДИСПЛЕЙ (GID), ВАР. 1. ИЛИ ИНФОРМАЦИОННО-РАЗВЛЕКАТЕЛЬНЫЙ ДИСПЛЕЙ, ВРЕМЯ, ВНЕШН. ТЕМПЕРАТУРА, АУДИОСИСТЕМА
Электрическая схема Питание, масса и последовательные данные
RDGN Красный-Зеленый
7
G201 Поперечина, панель приборов, слева

Расположение деталей (узлов) Трехмерная схема жгутов
Внешний вид разъема и ремонт
Электрическая схема G201
Масса
BK Черный
6
X6 Электронное оборудование кузова X6

Расположение деталей (узлов) Трехмерная схема жгутов
Сигнал переключателя "Капот открыт"
BNGN Коричневый-Зеленый
27
BNGN Коричневый-Зеленый
C
B
G104 Моторный отсек - Передняя часть, справа

Расположение деталей (узлов) Трехмерная схема жгутов БЕЗ КОЖАНОЙ ОТДЕЛКИ СИДЕНЬЯ (TBD1-GSV)(GMDAT)
Расположение деталей (узлов) Трехмерная схема жгутов ЕВРОПА
Внешний вид разъема и ремонт
Электрическая схема G104
Масса
BK Черный
3
9
Линейная межкомпонентная сетевая шина 2
GNBU Зеленый-Синий
23
GNBU Зеленый-Синий
B55 Переключатель "Капот открыт"

Внешний вид разъема и ремонт
K9 Электронное оборудование кузова

Расположение деталей (узлов) Трехмерная схема жгутов
P25 Мощностной зонд

Внешний вид разъема и ремонт
K9 Электронное оборудование кузова

Расположение деталей (узлов) Трехмерная схема жгутов
X51A Блок предохранителекй - Панель приборов

Расположение деталей (узлов) Трехмерная схема жгутов
K9 Электронное оборудование кузова

Расположение деталей (узлов) Трехмерная схема жгутов
KR104A Логистический режим - реле 1
S43 Переключатель ультразвукового датчика проникновения - отключение

Внешний вид разъема и ремонт
K38 Модуль ультразвукового датчика проникновения

Внешний вид разъема и ремонт
Последовательные данные
Последовательные данные
B+ (положительное напряжение аккумуляторной батареи)
Управление
Управление
Слабый опорный сигнал
Сигнал
B+ (положительное напряжение аккумуляторной батареи)
Последовательные данные
Последовательные данные
Слабый опорный сигнал
Сигнал
Сигнал
GNBK Зеленый-Черный
Сигнал
21
X1 Электронное оборудование кузова X1

Расположение деталей (узлов) Трехмерная схема жгутов
G203 Поперечина, панель приборов - позади аудиосистемы

Расположение деталей (узлов) Трехмерная схема жгутов
Внешний вид разъема и ремонт
Электрическая схема G203
Масса
BK Черный
Управление индикатором защиты
GY Серый
6
1
B10B Датчик наружного освещения

Расположение деталей (узлов) Трехмерная схема жгутов
Внешний вид разъема и ремонт
Справочные данные по контроллерам

Справочные данные по контроллерам
Перечень основных электрических компонентов

Перечень основных электрических компонентов
   


https://vnx.su/ 🛠 Руководства по ремонту и эксплуатации для автомобилей

Поиск по сайту

Остались вопросы или пожелания? Пишите на почту: support@vnx.su

Карта Сайта