Cruze
   
GMDE Start Page Load static TOC Load dynamic TOC Help?
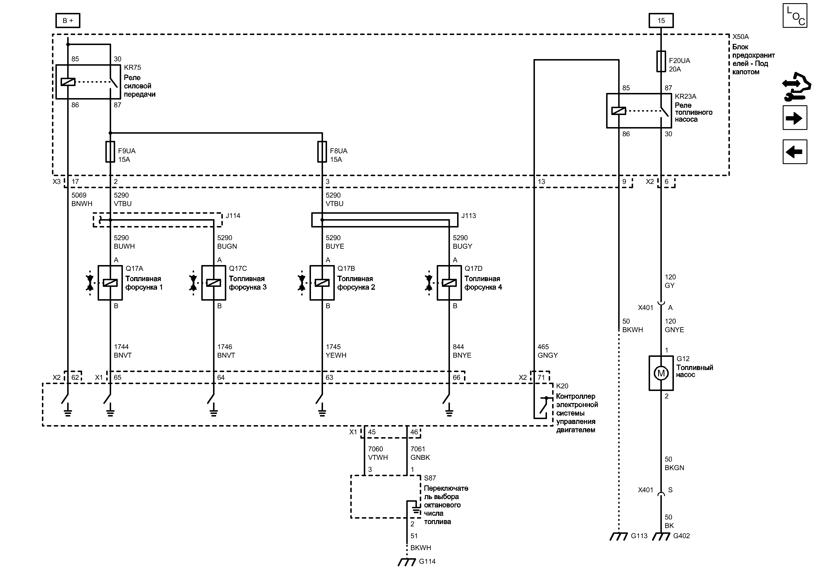
Средства управления топливом - топливный насос и форсунки (СТРАНЫ - КРОМЕ СЕВЕРНОЙ АМЕРИКИ)


            |                         |            
2203085RU.png


Display graphic

Display graphic

Компоненты
f8uaПредохранительq17aТопливная форсунка 1
f9uaПредохранительq17bТопливная форсунка 2
f20uaПредохранительq17cТопливная форсунка 3
g12Топливный насосq17dТопливная форсунка 4
k20Контроллер электронной системы управления двигателемs87Переключатель выбора октанового числа топлива
kr23aРеле топливного насосаx50aБлок предохранителей - Под капотом
kr75Реле силовой передачи
Разъемы
j113Жгут проводов двигателяx50a (x2)Блок предохранителей - Под капотом x2
j114Жгут проводов двигателяx50a (x3)Блок предохранителей - Под капотом x3
k20 (x1)Контроллер электронной системы управления двигателем x1x401Жгут проводов кузова и жгут проводов топливного бака
k20 (x2)Контроллер электронной системы управления двигателем x2
Точки соединения с массой
g113Двигательg402Задняя панель, правая
g114Двигатель
Сокращения
15Напряжение зажиганияb +Напряжение аккумуляторной батареи
Цветовые коды
bkЧерныйbuyeСиний-Желтый
bkgnЧерный-ЗеленыйgnbkЗеленый-Черный
bkwhЧерный-БелыйgngyЗеленый-Серый
bnvtКоричневый-ФиолетовыйgnyeЗеленый-Желтый
bnwhКоричневый\БелыйgyСерый
bnyeКоричневый-ЖелтыйvtbuФиолетовый-Синий
bugnСиний-ЗеленыйvtwhФиолетовый-Белый
bugyСиний-СерыйyewhЖелтый-Белый
buwhСиний-Белый
66
63
64
65
X1 Контроллер электронной системы управления двигателем X1

Расположение деталей (узлов) Трехмерная схема жгутов ГАЗОВЫЙ ДВИГАТЕЛЬ, 4 ЦИЛ., 1.6 Л, MFI, DOHC, 80 кВт (GMDAT)
Внешний вид разъема и ремонт ГАЗОВЫЙ ДВИГАТЕЛЬ, 4 ЦИЛ., 1.6 Л, MFI, DOHC, 80 кВт (GMDAT)
B
B
B
B
A
A
A
A
71
86
85
G402 Задняя панель, правая

Расположение деталей (узлов) Трехмерная схема жгутов СТРАНЫ - КРОМЕ СЕВЕРНОЙ АМЕРИКИ
Внешний вид разъема и ремонт
Электрическая схема G402
2
X401 Жгут проводов кузова и жгут проводов топливного бака

Расположение деталей (узлов) Трехмерная схема жгутов
Внешний вид разъема и ремонт Вилка
Внешний вид разъема и ремонт Гнездо
S
1
X2 Контроллер электронной системы управления двигателем X2

Расположение деталей (узлов) Трехмерная схема жгутов ГАЗОВЫЙ ДВИГАТЕЛЬ, 4 ЦИЛ., 1.6 Л, MFI, DOHC, 80 кВт (GMDAT)
Внешний вид разъема и ремонт ГАЗОВЫЙ ДВИГАТЕЛЬ, 4 ЦИЛ., 1.6 Л, MFI, DOHC, 80 кВт (GMDAT)
Релейное управление основным топливным насосом
GNGY Зеленый-Серый
Управление топливной форсункой (2)
YEWH Желтый-Белый
Управление топливной форсункой (3)
BNVT Коричневый-Фиолетовый
Управление топливной форсункой (1)
BNVT Коричневый-Фиолетовый
Силовая передача - главное реле, защищенное плавким предохранителем (1)
VTBU Фиолетовый-Синий
Регулировка топливного насоса
GY Серый
Масса
BK Черный
GNYE Зеленый-Желтый (СТРАНЫ - КРОМЕ СЕВЕРНОЙ АМЕРИКИ)
Управление топливной форсункой (4)
BNYE Коричневый-Желтый
Силовая передача - главное реле, защищенное плавким предохранителем (1)
BUGY Синий-Серый
Силовая передача - главное реле, защищенное плавким предохранителем (1)
BUYE Синий-Желтый
Силовая передача - главное реле, защищенное плавким предохранителем (1)
BUWH Синий-Белый
Силовая передача - главное реле, защищенное плавким предохранителем (1)
BUGN Синий-Зеленый
Силовая передача - главное реле, защищенное плавким предохранителем (1)
VTBU Фиолетовый-Синий
17
X3 Блок предохранителей - Под капотом X3

Внешний вид разъема и ремонт
Доступен вид только с одним разъемом
F9UA Предохранитель

Электрическая схема Дерево Предохранитель F9UA
Электрическая схема Питание Шина B+ UEC (2 из 6)
2
86
85
87
30
3
F8UA Предохранитель

Электрическая схема Дерево Предохранители F8UA и F10UA
Электрическая схема Питание Шина B+ UEC (2 из 6)
Управление катушкой главного реле двигателя
BNWH Коричневый\Белый
X2 Контроллер электронной системы управления двигателем X2

Расположение деталей (узлов) Трехмерная схема жгутов ГАЗОВЫЙ ДВИГАТЕЛЬ, 4 ЦИЛ., 1.6 Л, MFI, DOHC, 80 кВт (GMDAT)
Внешний вид разъема и ремонт ГАЗОВЫЙ ДВИГАТЕЛЬ, 4 ЦИЛ., 1.6 Л, MFI, DOHC, 80 кВт (GMDAT)
62
30
87
13
6
X2 Блок предохранителей - Под капотом X2

Внешний вид разъема и ремонт
X401 Жгут проводов кузова и жгут проводов топливного бака

Расположение деталей (узлов) Трехмерная схема жгутов
Внешний вид разъема и ремонт Вилка
Внешний вид разъема и ремонт Гнездо
A
BKGN Черный-Зеленый (СТРАНЫ - КРОМЕ СЕВЕРНОЙ АМЕРИКИ)
F20UA Предохранитель

Электрическая схема Дерево Предохранители F13UA, F16UA, F17UA, F18UA, F20UA, F52UA и F53UA
Электрическая схема Питание Шина B+ UEC (1 из 6)
Масса
BKWH Черный-Белый
9
G113 Двигатель

Электрическая схема G113 и G114
1
3
45
46
X1 Контроллер электронной системы управления двигателем X1

Расположение деталей (узлов) Трехмерная схема жгутов ГАЗОВЫЙ ДВИГАТЕЛЬ, 4 ЦИЛ., 1.6 Л, MFI, DOHC, 80 кВт (GMDAT)
Внешний вид разъема и ремонт ГАЗОВЫЙ ДВИГАТЕЛЬ, 4 ЦИЛ., 1.6 Л, MFI, DOHC, 80 кВт (GMDAT)
Управление топливными форсункками ECM/PCM/VCM
VTWH Фиолетовый-Белый
Управление топливными форсункками ECM/PCM/VCM
GNBK Зеленый-Черный
2
G114 Двигатель

Электрическая схема G113 и G114
Сигнал массы
BKWH Черный-Белый
Напряжение зажигания
Напряжение аккумуляторной батареи
S87 Переключатель выбора октанового числа топлива
X50A Блок предохранителей - Под капотом

Расположение деталей (узлов) Трехмерная схема жгутов
KR75 Реле силовой передачи
G12 Топливный насос

Расположение деталей (узлов) Трехмерная схема жгутов
Внешний вид разъема и ремонт
KR23A Реле топливного насоса
Q17B Топливная форсунка 2

Расположение деталей (узлов) Трехмерная схема жгутов ГАЗОВЫЙ ДВИГАТЕЛЬ, 4 ЦИЛ., 1.6 Л, MFI, DOHC, 80 кВт (GMDAT)
Внешний вид разъема и ремонт ГАЗОВЫЙ ДВИГАТЕЛЬ, 4 ЦИЛ., 1.6 Л, MFI, DOHC, 80 кВт (GMDAT)
Q17D Топливная форсунка 4

Расположение деталей (узлов) Трехмерная схема жгутов ГАЗОВЫЙ ДВИГАТЕЛЬ, 4 ЦИЛ., 1.6 Л, MFI, DOHC, 80 кВт (GMDAT)
Внешний вид разъема и ремонт ГАЗОВЫЙ ДВИГАТЕЛЬ, 4 ЦИЛ., 1.6 Л, MFI, DOHC, 80 кВт (GMDAT)
Q17C Топливная форсунка 3

Расположение деталей (узлов) Трехмерная схема жгутов ГАЗОВЫЙ ДВИГАТЕЛЬ, 4 ЦИЛ., 1.6 Л, MFI, DOHC, 80 кВт (GMDAT)
Внешний вид разъема и ремонт ГАЗОВЫЙ ДВИГАТЕЛЬ, 4 ЦИЛ., 1.6 Л, MFI, DOHC, 80 кВт (GMDAT)
Q17A Топливная форсунка 1

Расположение деталей (узлов) Трехмерная схема жгутов ГАЗОВЫЙ ДВИГАТЕЛЬ, 4 ЦИЛ., 1.6 Л, MFI, DOHC, 80 кВт (GMDAT)
Внешний вид разъема и ремонт ГАЗОВЫЙ ДВИГАТЕЛЬ, 4 ЦИЛ., 1.6 Л, MFI, DOHC, 80 кВт (GMDAT)
K20 Контроллер электронной системы управления двигателем

Расположение деталей (узлов) Трехмерная схема жгутов ГАЗОВЫЙ ДВИГАТЕЛЬ, 4 ЦИЛ., 1.6 Л, MFI, DOHC, 80 кВт (GMDAT)
Имеется только одно место для компонента
J114 Жгут проводов двигателя
J113 Жгут проводов двигателя
Управление
Управление
Управление
Управление
Управление
Управление
Слабый опорный сигнал
Датчики данных двигателя - кислородные датчики

Датчики данных двигателя - кислородные датчики
Справочные данные по контроллерам

Справочные данные по контроллерам
Средства управления топливом - топливный насос и форсунки

Средства управления топливом - топливный насос и форсунки
Перечень основных электрических компонентов

Перечень основных электрических компонентов
   


https://vnx.su/ 🛠 Руководства по ремонту и эксплуатации для автомобилей

Поиск по сайту

Остались вопросы или пожелания? Пишите на почту: support@vnx.su

Карта Сайта