Cruze
   
GMDE Start Page Load static TOC Load dynamic TOC Help?
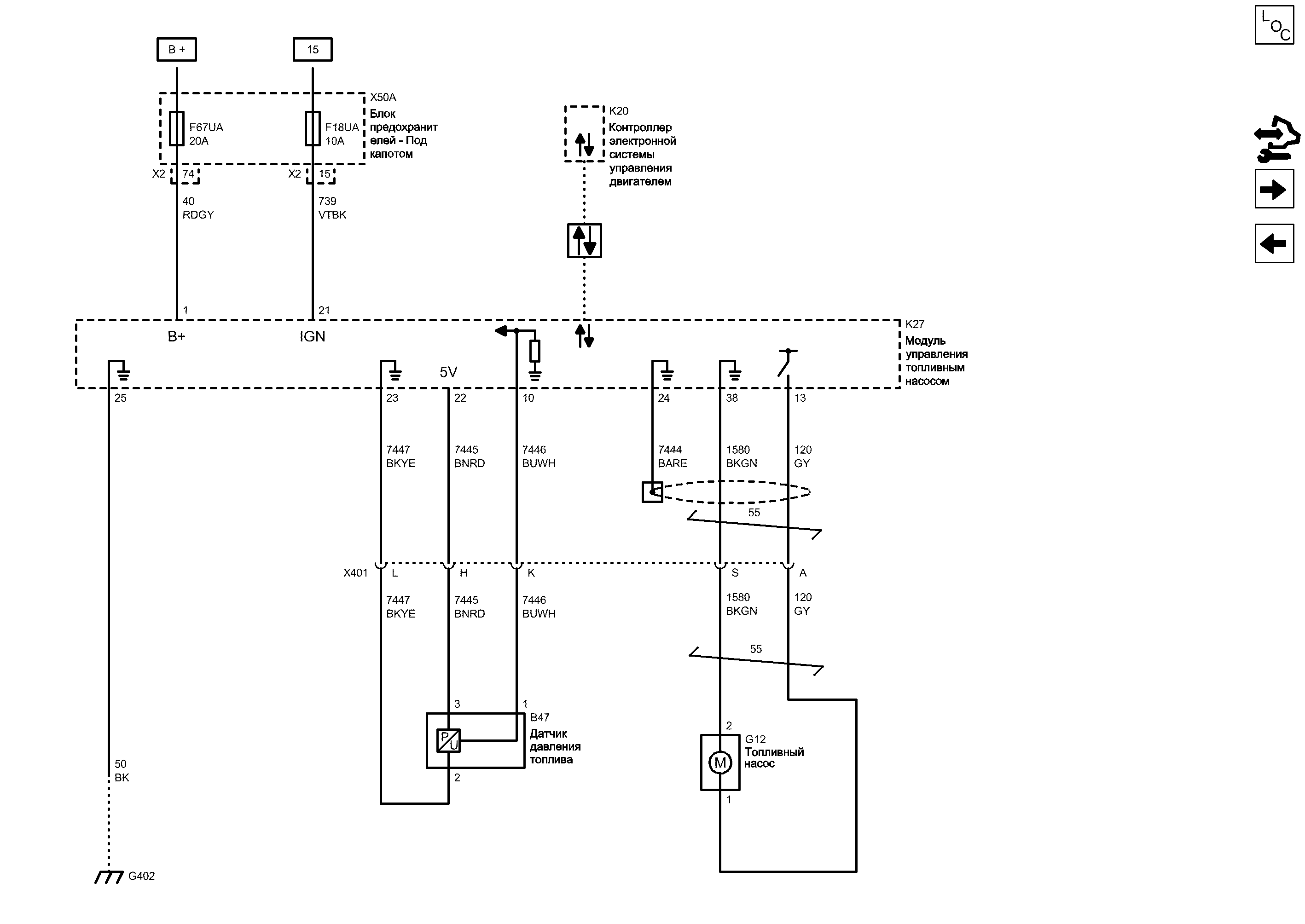
Средства управления топливом - топливный насос и форсунки (СТРАНЫ - СЕВЕРНАЯ АМЕРИКА)


            |                         |            
2202977RU.png


Display graphic

Display graphic

Компоненты
b47Датчик давления топливаk20Контроллер электронной системы управления двигателем
f18uaПредохранительk27Модуль управления топливным насосом
f67uaПредохранительx50aБлок предохранителей - Под капотом
g12Топливный насос
Разъемы
x50a (x2)Блок предохранителей - Под капотом x2x401Жгут проводов кузова и жгут проводов топливного бака
Точки соединения с массой
g402Задняя панель, правая
Сокращения
15Напряжение зажиганияfsdcФункциональный обмен последовательными данными
b +Напряжение аккумуляторной батареи
Цветовые коды
barebarebuwhСиний-Белый
bkЧерныйgyСерый
bkgnЧерный-ЗеленыйrdgyКрасный-Серый
bkyeЧерный-ЖелтыйvtbkФиолетовый-Черный
bnrdКоричневый-Красный
1
F67UA Предохранитель

Электрическая схема Дерево Предохранители F1UA, F2UA, F6UA, F26UA, F31UA, F33UA, F34UA, F64UA и F67UA
Электрическая схема Питание Шина B+ UEC (5 из 6)
X2 Блок предохранителей - Под капотом X2

Внешний вид разъема и ремонт
74
21
15
G402 Задняя панель, правая

Внешний вид разъема и ремонт
Электрическая схема G402
25
Работа/запуск - Зажигание, напряжение 1
VTBK Фиолетовый-Черный
Положительное напряжение аккумуляторной батареи
RDGY Красный-Серый
Масса
BK Черный
F18UA Предохранитель

Электрическая схема Дерево Предохранители F13UA, F16UA, F17UA, F18UA, F20UA, F52UA и F53UA
Электрическая схема Питание Шина B+ UEC (1 из 6)
X2 Блок предохранителей - Под капотом X2

Внешний вид разъема и ремонт
2
3
1
Сигнал датчика давления в топливной магистрали
BUWH Синий-Белый
Опорный сигнал 5 вольт от датчика давления в топливной магистрали
BNRD Коричневый-Красный
Слабый опорный сигнал датчика давления в топливной магистрали
BKYE Черный-Желтый
X401 Жгут проводов кузова и жгут проводов топливного бака

Расположение деталей (узлов) Трехмерная схема жгутов
Внешний вид разъема и ремонт Вилка
Внешний вид разъема и ремонт Гнездо
L
H
K
23
22
10
24
13
38
Управление топливной системой - модульный экран
BARE BARE
Слабый опорный сигнал топливного насоса
BKGN Черный-Зеленый
Регулировка топливного насоса
GY Серый
S
A
GY Серый
1
2
Напряжение аккумуляторной батареи
Напряжение зажигания
Функциональный обмен последовательными данными
Управление
Зажигание
Последовательные данные
K20 Контроллер электронной системы управления двигателем
G12 Топливный насос

Расположение деталей (узлов) Трехмерная схема жгутов
Внешний вид разъема и ремонт
B47 Датчик давления топлива
X50A Блок предохранителей - Под капотом

Расположение деталей (узлов) Трехмерная схема жгутов
K27 Модуль управления топливным насосом
B+ (положительное напряжение аккумуляторной батареи)
Слабый опорный сигнал
Слабый опорный сигнал
Слабый опорный сигнал
Слабый опорный сигнал
Опорный сигнал 5 вольт
Последовательные данные
Сигнал
BUWH Синий-Белый
BNRD Коричневый-Красный
BKYE Черный-Желтый
BKGN Черный-Зеленый
Средства управления топливом - топливный насос и форсунки

Средства управления топливом - топливный насос и форсунки
Справочные данные по контроллерам

Справочные данные по контроллерам
Органы управления топливом - нагреватель топлива и датчик присутствия воды в топ...

Органы управления топливом - нагреватель топлива и датчик присутствия воды в топливе
Перечень основных электрических компонентов

Перечень основных электрических компонентов
   


https://vnx.su/ 🛠 Руководства по ремонту и эксплуатации для автомобилей

Поиск по сайту

Остались вопросы или пожелания? Пишите на почту: support@vnx.su

Карта Сайта