Cruze
   
GMDE Start Page Load static TOC Load dynamic TOC Help?
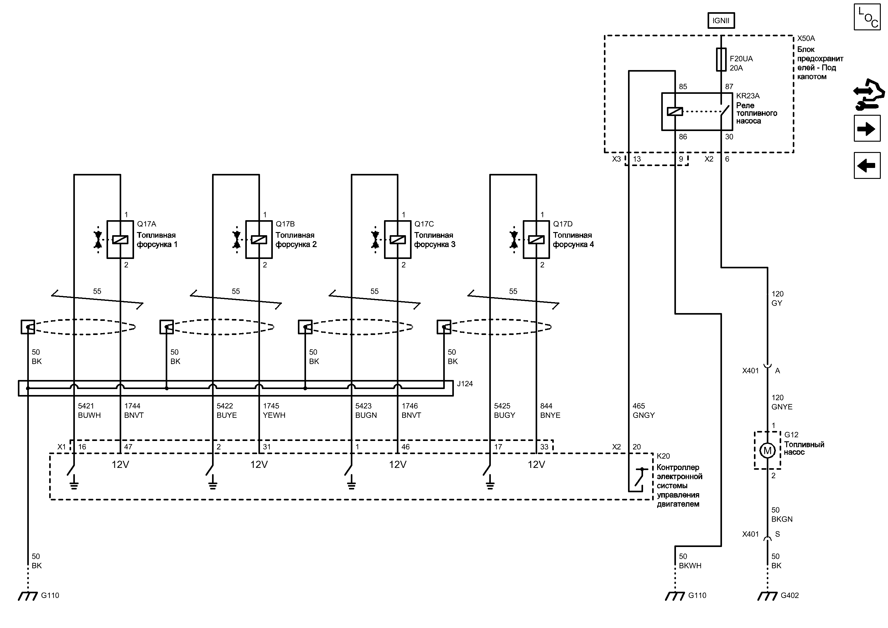
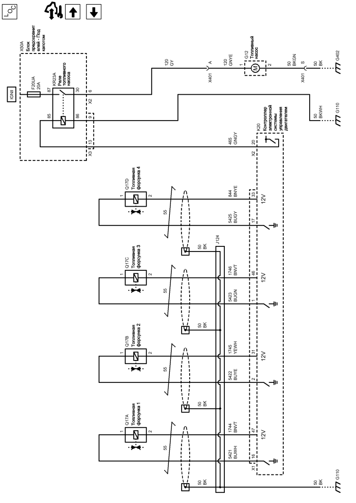
Средства управления топливом - топливный насос и форсунки (СТРАНЫ - КРОМЕ СЕВЕРНОЙ АМЕРИКИ)


            |                         |            
2202974RU.png


Display graphic

Display graphic

Компоненты
f20uaПредохранительq17bТопливная форсунка 2
g12Топливный насосq17cТопливная форсунка 3
k20Контроллер электронной системы управления двигателемq17dТопливная форсунка 4
kr23aРеле топливного насосаx50aБлок предохранителей - Под капотом
q17aТопливная форсунка 1
Разъемы
j124Жгут проводов двигателяx50a (x2)Блок предохранителей - Под капотом x2
k20 (x1)Контроллер электронной системы управления двигателем x1x50a (x3)Блок предохранителей - Под капотом x3
k20 (x2)Контроллер электронной системы управления двигателем x2x401Жгут проводов кузова и жгут проводов топливного бака
Точки соединения с массой
g110Двигательg402Задняя панель, правая
Сокращения
igniiВыключатель зажигания - движение/запуск
Цветовые коды
bkЧерныйbuwhСиний-Белый
bkgnЧерный-ЗеленыйbuyeСиний-Желтый
bkwhЧерный-БелыйgngyЗеленый-Серый
bnvtКоричневый-ФиолетовыйgnyeЗеленый-Желтый
bnyeКоричневый-ЖелтыйgyСерый
bugnСиний-ЗеленыйyewhЖелтый-Белый
bugyСиний-Серый
2
1
Управление топливной форсункой (1)
BNVT Коричневый-Фиолетовый
47
X1 Контроллер электронной системы управления двигателем X1
Управление топливной форсункой (2)
YEWH Желтый-Белый
2
1
31
Управление топливной форсункой (3)
BNVT Коричневый-Фиолетовый
46
2
1
Управление топливной форсункой (4)
BNYE Коричневый-Желтый
1
2
33
16
Управление топливной форсункой (1)
BUWH Синий-Белый
Управление топливной форсункой (2)
BUYE Синий-Желтый
2
Управление топливной форсункой (3)
BUGN Синий-Зеленый
1
Управление топливной форсункой (4)
BUGY Синий-Серый
17
20
X2 Контроллер электронной системы управления двигателем X2

Внешний вид разъема и ремонт
Доступен вид только с одним разъемом
Релейное управление основным топливным насосом
GNGY Зеленый-Серый
9
13
Регулировка топливного насоса
GY Серый
6
Выключатель зажигания - движение/запуск
F20UA Предохранитель

Электрическая схема Дерево Предохранители F13UA, F16UA, F17UA, F18UA, F20UA, F52UA и F53UA
Электрическая схема Питание Шина B+ UEC (1 из 6)
G402 Задняя панель, правая

Расположение деталей (узлов) Трехмерная схема жгутов СТРАНЫ - КРОМЕ СЕВЕРНОЙ АМЕРИКИ
Внешний вид разъема и ремонт
Электрическая схема G402
1
2
Масса
BKGN Черный-Зеленый
X401 Жгут проводов кузова и жгут проводов топливного бака

Расположение деталей (узлов) Трехмерная схема жгутов
Внешний вид разъема и ремонт Вилка
Внешний вид разъема и ремонт Гнездо
A
GNYE Зеленый-Желтый
X3 Блок предохранителей - Под капотом X3

Внешний вид разъема и ремонт
Доступен вид только с одним разъемом
Масса
BKWH Черный-Белый
G110 Двигатель

Доступна только одна электрическая схема
Электрическая схема G110 ДИЗЕЛЬНЫЙ ДВИГАТЕЛЬ, 4 ЦИЛ., L4, 2.0 Л, CRI, SOHC, ТУРБО, 110 кВт
X2 Блок предохранителей - Под капотом X2

Внешний вид разъема и ремонт
86
30
87
85
X401 Жгут проводов кузова и жгут проводов топливного бака

Расположение деталей (узлов) Трехмерная схема жгутов
Внешний вид разъема и ремонт Вилка
Внешний вид разъема и ремонт Гнездо
S
BK Черный
J124 Жгут проводов двигателя
Масса
BK Черный
G110 Двигатель

Доступна только одна электрическая схема
Электрическая схема G110 ДИЗЕЛЬНЫЙ ДВИГАТЕЛЬ, 4 ЦИЛ., L4, 2.0 Л, CRI, SOHC, ТУРБО, 110 кВт
Опорный сигнал 12 вольт
Управление
Опорный сигнал 12 вольт
Управление
Управление
Опорный сигнал 12 вольт
Опорный сигнал 12 вольт
Управление
Управление
G12 Топливный насос

Расположение деталей (узлов) Трехмерная схема жгутов
Внешний вид разъема и ремонт
KR23A Реле топливного насоса
X50A Блок предохранителей - Под капотом

Расположение деталей (узлов) Трехмерная схема жгутов
Q17D Топливная форсунка 4

Расположение деталей (узлов) Трехмерная схема жгутов ДИЗЕЛЬНЫЙ ДВИГАТЕЛЬ, 4 ЦИЛ., L4, 2.0 Л, CRI, SOHC, ТУРБО, 110 кВт
Внешний вид разъема и ремонт ДИЗЕЛЬНЫЙ ДВИГАТЕЛЬ, 4 ЦИЛ., L4, 2.0 Л, CRI, SOHC, ТУРБО, 110 кВт
Q17C Топливная форсунка 3

Расположение деталей (узлов) Трехмерная схема жгутов ДИЗЕЛЬНЫЙ ДВИГАТЕЛЬ, 4 ЦИЛ., L4, 2.0 Л, CRI, SOHC, ТУРБО, 110 кВт
Внешний вид разъема и ремонт ДИЗЕЛЬНЫЙ ДВИГАТЕЛЬ, 4 ЦИЛ., L4, 2.0 Л, CRI, SOHC, ТУРБО, 110 кВт
Q17B Топливная форсунка 2

Расположение деталей (узлов) Трехмерная схема жгутов ДИЗЕЛЬНЫЙ ДВИГАТЕЛЬ, 4 ЦИЛ., L4, 2.0 Л, CRI, SOHC, ТУРБО, 110 кВт
Внешний вид разъема и ремонт ДИЗЕЛЬНЫЙ ДВИГАТЕЛЬ, 4 ЦИЛ., L4, 2.0 Л, CRI, SOHC, ТУРБО, 110 кВт
Q17A Топливная форсунка 1

Расположение деталей (узлов) Трехмерная схема жгутов ДИЗЕЛЬНЫЙ ДВИГАТЕЛЬ, 4 ЦИЛ., L4, 2.0 Л, CRI, SOHC, ТУРБО, 110 кВт
Внешний вид разъема и ремонт ДИЗЕЛЬНЫЙ ДВИГАТЕЛЬ, 4 ЦИЛ., L4, 2.0 Л, CRI, SOHC, ТУРБО, 110 кВт
K20 Контроллер электронной системы управления двигателем
BK Черный
BK Черный
BK Черный
BK Черный
Органы управления топливом - Датчики и исполнительные органы общей топливной маг...

Органы управления топливом - Датчики и исполнительные органы общей топливной магистрали
Справочные данные по контроллерам

Справочные данные по контроллерам
Средства управления топливом - топливный насос и форсунки

Средства управления топливом - топливный насос и форсунки
Перечень основных электрических компонентов

Перечень основных электрических компонентов
   


https://vnx.su/ 🛠 Руководства по ремонту и эксплуатации для автомобилей

Поиск по сайту

Остались вопросы или пожелания? Пишите на почту: support@vnx.su

Карта Сайта