Cruze
   
GMDE Start Page Load static TOC Load dynamic TOC Help?
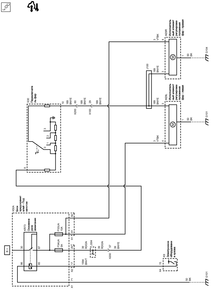
Регулировка положения фар


            |                         |            
2202809RU.png


Display graphic

Display graphic

Компоненты
f53uaПредохранительm29lИсполнительный элемент регулировки положения фар - левая
f54uaПредохранительm29rИсполнительный элемент регулировки положения фар - правая
k9Электронное оборудование кузоваs30Переключатель фар
kr73Основное реле зажиганияx50aБлок предохранителей - Под капотом
Разъемы
j100Жгут проводов передней части кузоваx50a (x2)Блок предохранителей - Под капотом x2
j304Жгут проводов кузоваx100Жгут проводов кузова и жгут проводов передней части кузова
k9 (x4)Электронное оборудование кузова x4x200Жгут проводов кузова и жгут проводов панели приборов
x50a (x1)Блок предохранителей - Под капотом x1
Точки соединения с массой
g101Моторный отсек - Передняя часть, слеваg104Моторный отсек - Передняя часть, справа
Сокращения
b +Напряжение аккумуляторной батареи
Цветовые коды
bkЧерныйrdgnКрасный-Зеленый
bnvtКоричневый-ФиолетовыйvtbkФиолетовый-Черный
bnyeКоричневый-Желтый
29
17
71
X1 Блок предохранителей - Под капотом X1

Расположение деталей (узлов) Трехмерная схема жгутов
Внешний вид разъема и ремонт
Слабый опорный сигнал
9
10
X200 Жгут проводов кузова и жгут проводов панели приборов

Расположение деталей (узлов) Трехмерная схема жгутов
Внешний вид разъема и ремонт Вилка
Внешний вид разъема и ремонт Гнездо
57
Напряжение зажигания
RDGN Красный-Зеленый
J304 Жгут проводов кузова

Электрическая схема Дополнительный обогреватель - 1
Электрическая схема Дополнительный обогреватель - 2
Электрическая схема Питание, масса, последовательные данные и органы управления вентилятором - 1
Электрическая схема Питание, масса, последовательные данные и органы управления вентилятором - 2
RDGN Красный-Зеленый
F54UA Предохранитель

Электрическая схема Дерево Предохранители F5UA, F54UA и F57UA
Электрическая схема Питание Шина B+ UEC (1 из 6)
X200 Жгут проводов кузова и жгут проводов панели приборов

Расположение деталей (узлов) Трехмерная схема жгутов
Внешний вид разъема и ремонт Вилка
Внешний вид разъема и ремонт Гнездо
60
X100 Жгут проводов кузова и жгут проводов передней части кузова

Расположение деталей (узлов) Трехмерная схема жгутов
Внешний вид разъема и ремонт Вилка
Внешний вид разъема и ремонт Гнездо
29
3
J100 Жгут проводов передней части кузова
Управление электродвигателем регулировки положения фар
BNYE Коричневый-Желтый
4
1
G101 Моторный отсек - Передняя часть, слева

Расположение деталей (узлов) Трехмерная схема жгутов БЕЗ КОЖАНОЙ ОТДЕЛКИ СИДЕНЬЯ (TBD1-GSV)(GMDAT)
Расположение деталей (узлов) Трехмерная схема жгутов ЕВРОПА
Внешний вид разъема и ремонт
Электрическая схема G101
Масса
BK Черный
4
G104 Моторный отсек - Передняя часть, справа

Расположение деталей (узлов) Трехмерная схема жгутов БЕЗ КОЖАНОЙ ОТДЕЛКИ СИДЕНЬЯ (TBD1-GSV)(GMDAT)
Расположение деталей (узлов) Трехмерная схема жгутов ЕВРОПА
Внешний вид разъема и ремонт
Электрическая схема G104
Масса
BK Черный
1
3
85
86
87
30
X2 Блок предохранителей - Под капотом X2

Внешний вид разъема и ремонт
G101 Моторный отсек - Передняя часть, слева

Расположение деталей (узлов) Трехмерная схема жгутов БЕЗ КОЖАНОЙ ОТДЕЛКИ СИДЕНЬЯ (TBD1-GSV)(GMDAT)
Расположение деталей (узлов) Трехмерная схема жгутов ЕВРОПА
Внешний вид разъема и ремонт
Электрическая схема G101
Масса
BK Черный
15
Релейное управление зажиганием 3
BNVT Коричневый-Фиолетовый
X4 Электронное оборудование кузова X4

Расположение деталей (узлов) Трехмерная схема жгутов
Напряжение аккумуляторной батареи
K9 Электронное оборудование кузова

Расположение деталей (узлов) Трехмерная схема жгутов
KR73 Основное реле зажигания
M29R Исполнительный элемент регулировки положения фар - правая

Расположение деталей (узлов) Трехмерная схема жгутов БЕЗ КОЖАНОЙ ОТДЕЛКИ СИДЕНЬЯ (TBD1-GSV)(GMDAT)
Расположение деталей (узлов) Трехмерная схема жгутов ЕВРОПА
Внешний вид разъема и ремонт ЕВРОПА
M29L Исполнительный элемент регулировки положения фар - левая

Расположение деталей (узлов) Трехмерная схема жгутов БЕЗ КОЖАНОЙ ОТДЕЛКИ СИДЕНЬЯ (TBD1-GSV)(GMDAT)
Расположение деталей (узлов) Трехмерная схема жгутов ЕВРОПА
Внешний вид разъема и ремонт ЕВРОПА
S30 Переключатель фар

Расположение деталей (узлов) Трехмерная схема жгутов Левостороннее управление
Внешний вид разъема и ремонт
X50A Блок предохранителей - Под капотом

Расположение деталей (узлов) Трехмерная схема жгутов
Управление
BNYE Коричневый-Желтый
BNYE Коричневый-Желтый
BNYE Коричневый-Желтый
BNYE Коричневый-Желтый
BNYE Коричневый-Желтый
F53UA Предохранитель

Электрическая схема Дерево Предохранители F13UA, F16UA, F17UA, F18UA, F20UA, F52UA и F53UA
Электрическая схема Питание Шина B+ UEC (1 из 6)
81
82
Напряжение зажигания
VTBK Фиолетовый-Черный
Напряжение зажигания
VTBK Фиолетовый-Черный
X1 Блок предохранителей - Под капотом X1

Расположение деталей (узлов) Трехмерная схема жгутов
Внешний вид разъема и ремонт
Справочные данные по контроллерам

Справочные данные по контроллерам
Перечень основных электрических компонентов

Перечень основных электрических компонентов
   


https://vnx.su/ 🛠 Руководства по ремонту и эксплуатации для автомобилей

Поиск по сайту

Остались вопросы или пожелания? Пишите на почту: support@vnx.su

Карта Сайта