Cruze
   
GMDE Start Page Load static TOC Load dynamic TOC Help?
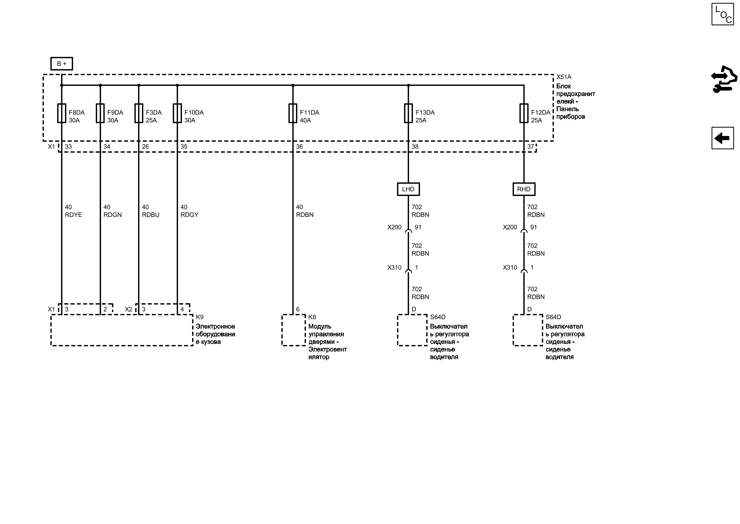
Предохранители f3da, f8da, f9da, f10da, f11da, f12da и f13da


            |                         |            
2203151RU.png


Display graphic

Display graphic

Компоненты
f3daПредохранительf13daПредохранитель
f8daПредохранительk8Модуль управления дверями - Электровентилятор
f9daПредохранительk9Электронное оборудование кузова
f10daПредохранительs64dВыключатель регулятора сиденья - сиденье водителя
f11daПредохранительx51aБлок предохранителекй - Панель приборов
f12daПредохранитель
Разъемы
k9 (x1)Электронное оборудование кузова x1x200Жгут проводов кузова и жгут проводов панели приборов
k9 (x2)Электронное оборудование кузова x2x310Жгут проводов кузова и жгут проводов сиденья водителя
x51a (x1)Блок предохранителекй - Панель приборов x1
Сокращения
b +Напряжение аккумуляторной батареиrhdПравостороннее управление
lhdЛевостороннее управление
Цветовые коды
rdbnКрасный-КоричневыйrdgyКрасный-Серый
rdbuКрасный-СинийrdyeКрасный-Желтый
rdgnКрасный-Зеленый
F11DA Предохранитель
F8DA Предохранитель
F9DA Предохранитель
F3DA Предохранитель
F10DA Предохранитель
F13DA Предохранитель
X1 Блок предохранителекй - Панель приборов X1
33
Положительное напряжение аккумуляторной батареи
RDYE Красный-Желтый
34
26
35
36
38
3
X1 Электронное оборудование кузова X1

Расположение деталей (узлов) Трехмерная схема жгутов
Положительное напряжение аккумуляторной батареи
RDGN Красный-Зеленый
Положительное напряжение аккумуляторной батареи
RDBU Красный-Синий
3
Положительное напряжение аккумуляторной батареи
RDGY Красный-Серый
4
X2 Электронное оборудование кузова X2

Расположение деталей (узлов) Трехмерная схема жгутов
2
Положительное напряжение аккумуляторной батареи
RDBN Красный-Коричневый
6
D
X200 Жгут проводов кузова и жгут проводов панели приборов

Расположение деталей (узлов) Трехмерная схема жгутов
Внешний вид разъема и ремонт Вилка
Внешний вид разъема и ремонт Гнездо
91
Положительное напряжение аккумуляторной батареи
RDBN Красный-Коричневый
RDBN Красный-Коричневый
Напряжение аккумуляторной батареи
S64D Выключатель регулятора сиденья - сиденье водителя
K8 Модуль управления дверями - Электровентилятор

Расположение деталей (узлов) Трехмерная схема жгутов ПЕРЕДНИЙ ВОЗДУШНЫЙ КОНДИЦИОНЕР С СИСТЕМОЙ HVAC, АВТОМ., ЭЛЕКТРОННЫЕ ОРГАНЫ УПРАВЛЕНИЯ
Имеется только одно место для компонента
K9 Электронное оборудование кузова

Расположение деталей (узлов) Трехмерная схема жгутов
Электрическая схема Питание, масса и последовательные данные Контакт 2
Электрическая схема Питание, масса и последовательные данные Контакт 3 - 1
Электрическая схема Питание, масса и последовательные данные Контакт 3 - 2
Электрическая схема Питание, масса и последовательные данные Контакт 4
X51A Блок предохранителекй - Панель приборов

Расположение деталей (узлов) Трехмерная схема жгутов
Электрическая схема Питание, масса и последовательные данные Контакт 26
Электрическая схема Питание, масса и последовательные данные Контакт 33
Электрическая схема Питание, масса и последовательные данные Контакт 34
Электрическая схема Питание, масса и последовательные данные Контакт 35
Электрическая схема Питание, масса, последовательные данные и органы управления вентилятором Контакт 36 - 1
Электрическая схема Питание, масса, последовательные данные и органы управления вентилятором Контакт 36 - 2
F12DA Предохранитель
37
Положительное напряжение аккумуляторной батареи
RDBN Красный-Коричневый
RDBN Красный-Коричневый
D
X200 Жгут проводов кузова и жгут проводов панели приборов

Расположение деталей (узлов) Трехмерная схема жгутов
Внешний вид разъема и ремонт Вилка
Внешний вид разъема и ремонт Гнездо
91
S64D Выключатель регулятора сиденья - сиденье водителя
Левостороннее управление
RDBN Красный-Коричневый
Правостороннее управление
RDBN Красный-Коричневый
X310 Жгут проводов кузова и жгут проводов сиденья водителя

Расположение деталей (узлов) Трехмерная схема жгутов Левостороннее управление
Расположение деталей (узлов) Трехмерная схема жгутов Правостороннее управление
Внешний вид разъема и ремонт Гнездо Левостороннее управление
Внешний вид разъема и ремонт Гнездо Правостороннее управление
1
X310 Жгут проводов кузова и жгут проводов сиденья водителя

Расположение деталей (узлов) Трехмерная схема жгутов Левостороннее управление
Расположение деталей (узлов) Трехмерная схема жгутов Правостороннее управление
Внешний вид разъема и ремонт Гнездо Левостороннее управление
Внешний вид разъема и ремонт Гнездо Правостороннее управление
1
Предохранители F6DA и F7DA

Предохранители F6DA и F7DA
Справочные данные по контроллерам

Справочные данные по контроллерам
Перечень основных электрических компонентов

Перечень основных электрических компонентов
   


https://vnx.su/ 🛠 Руководства по ремонту и эксплуатации для автомобилей

Поиск по сайту

Остались вопросы или пожелания? Пишите на почту: support@vnx.su

Карта Сайта