Orlando |
||||||||
|
|
|
|||||||

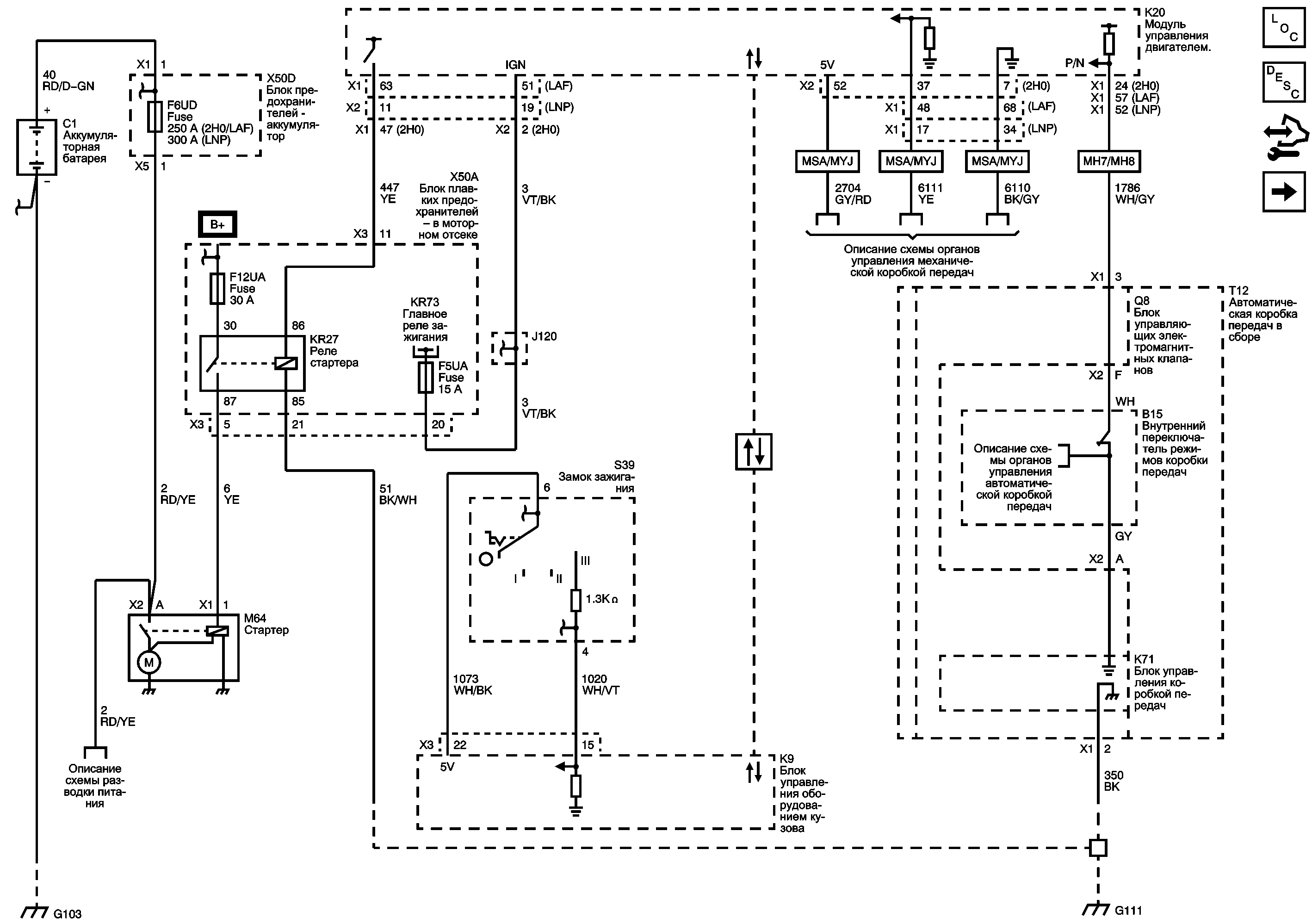
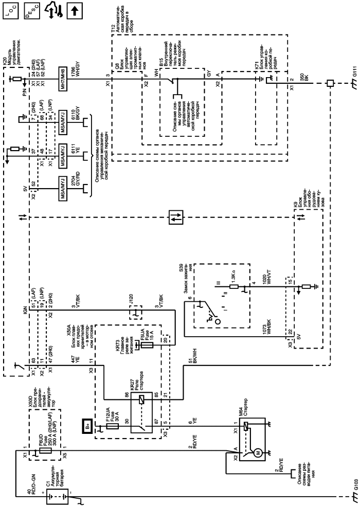
Предохранители F3DA, F8DA, F9DA, F10DA, F11DA, F16DA, F3UD и F6UD
Предохранители F5UA, F13UA и F53UA
Внутренний переключатель режима и переключатель увеличения/уменьшения
Предохранители F3DA, F8DA, F9DA, F10DA, F11DA, F16DA, F3UD и F6UD
| © copyright chevrolet. All rights reserved |