To the top of the document
Orlando
   
GMDE Start Page Load static TOC Load dynamic TOC Help?

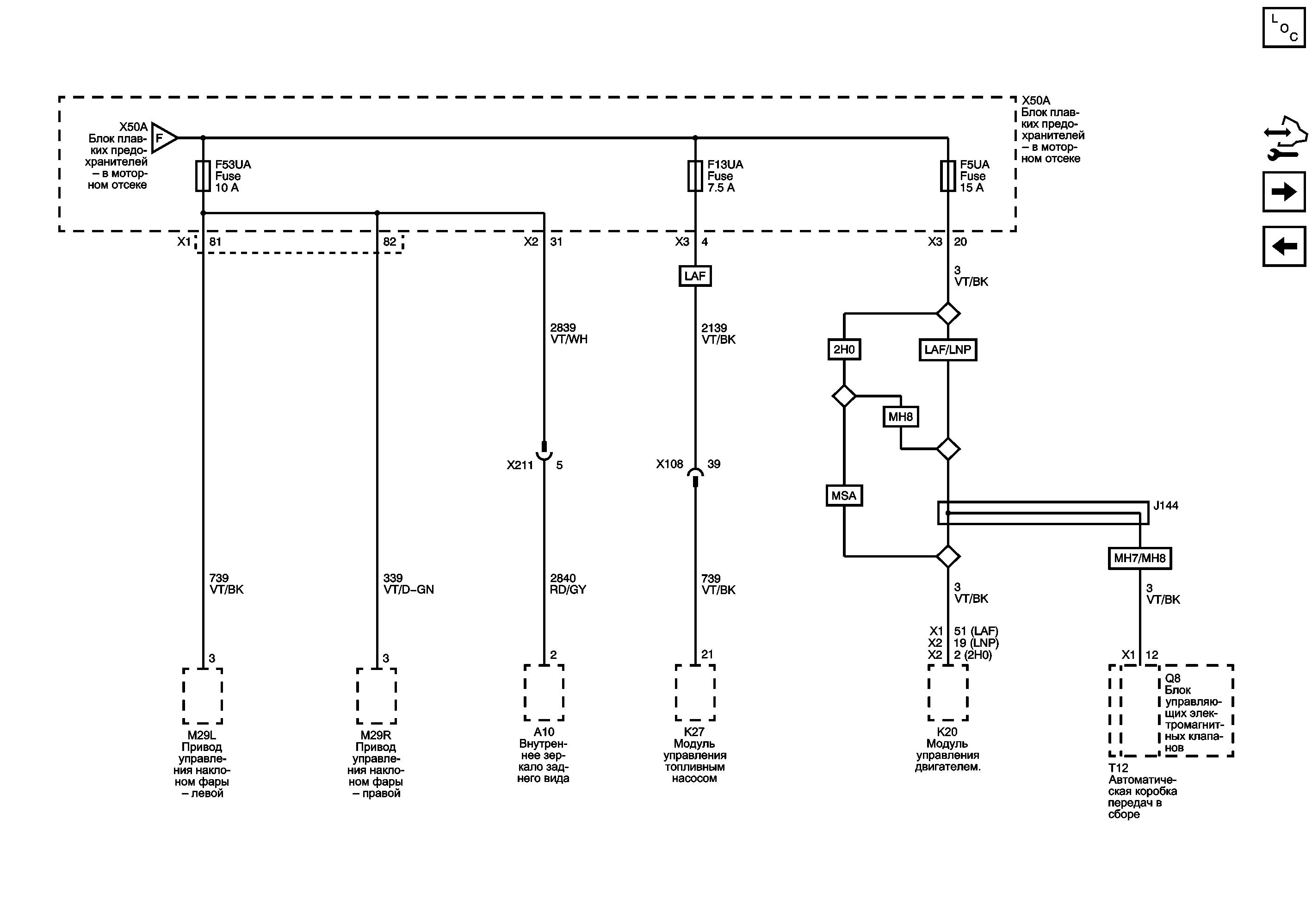
Предохранители f5ua, f13ua и f53ua


          
            |                         |            
2564855RU.png

Display graphic

Предохранители F28UA, F30UA, F37UA, F51UA, F56UA и F60UA

Предохранители F16UA, F17UA, F18UA, F52UA, F54UA и F57UA

   


© copyright chevrolet. All rights reserved