To the top of the document
Orlando
   
GMDE Start Page Load static TOC Load dynamic TOC Help?

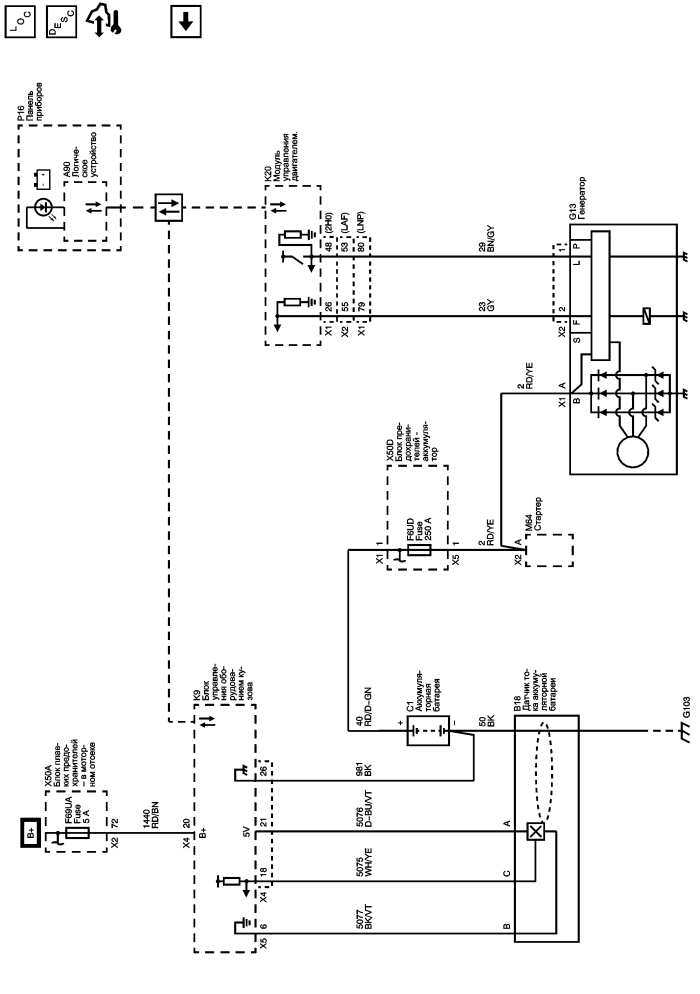
Зарядка


          
            |                         |            
2564539RU.png

Display graphic

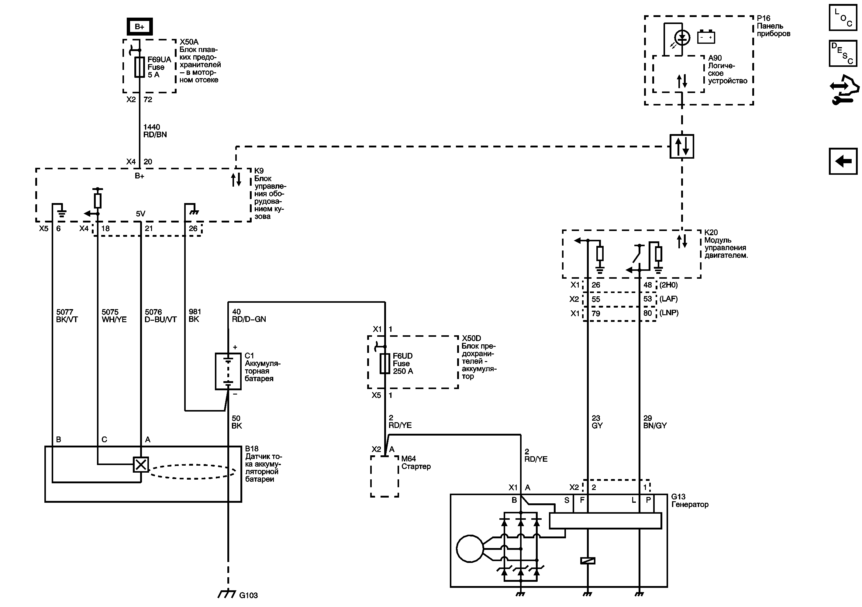
Starting

Предохранители F2UA, F21UA, F27UA, F31UA, F32UA, F34UA, F35UA, F69UA и F70UA

Предохранители F3DA, F8DA, F9DA, F10DA, F11DA, F16DA, F3UD и F6UD

G103, G104 и G105

   


© copyright chevrolet. All rights reserved