To the top of the document
Orlando
   
GMDE Start Page Load static TOC Load dynamic TOC Help?

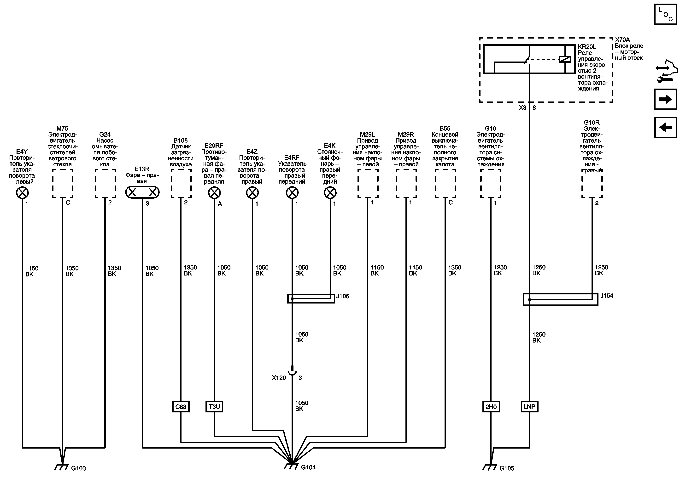
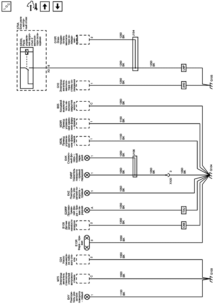
g103, g104 и g105


          
            |                         |            
2564905RU.png

Display graphic

G110 (LNP)

G100, G101, and G102

   


© copyright chevrolet. All rights reserved