To the top of the document
Orlando
   
GMDE Start Page Load static TOC Load dynamic TOC Help?

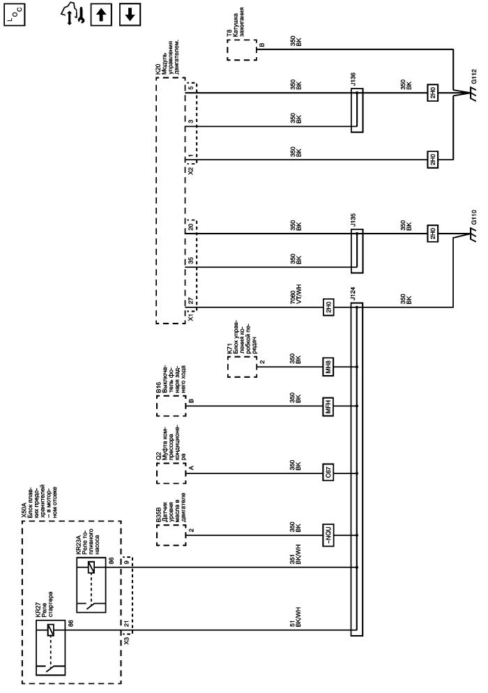
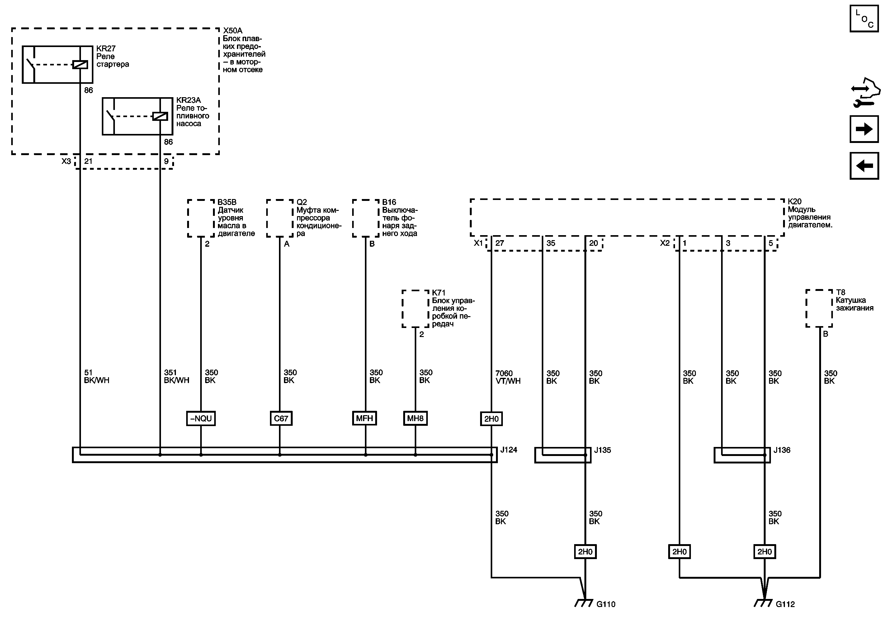
g110 (2h0) и g112


          
            |                         |            
2564911RU.png

Display graphic

G120, G121, G122 и G201

G110 (LNP)

   


© copyright chevrolet. All rights reserved