Orlando |
||||||||
|
|
|
|||||||

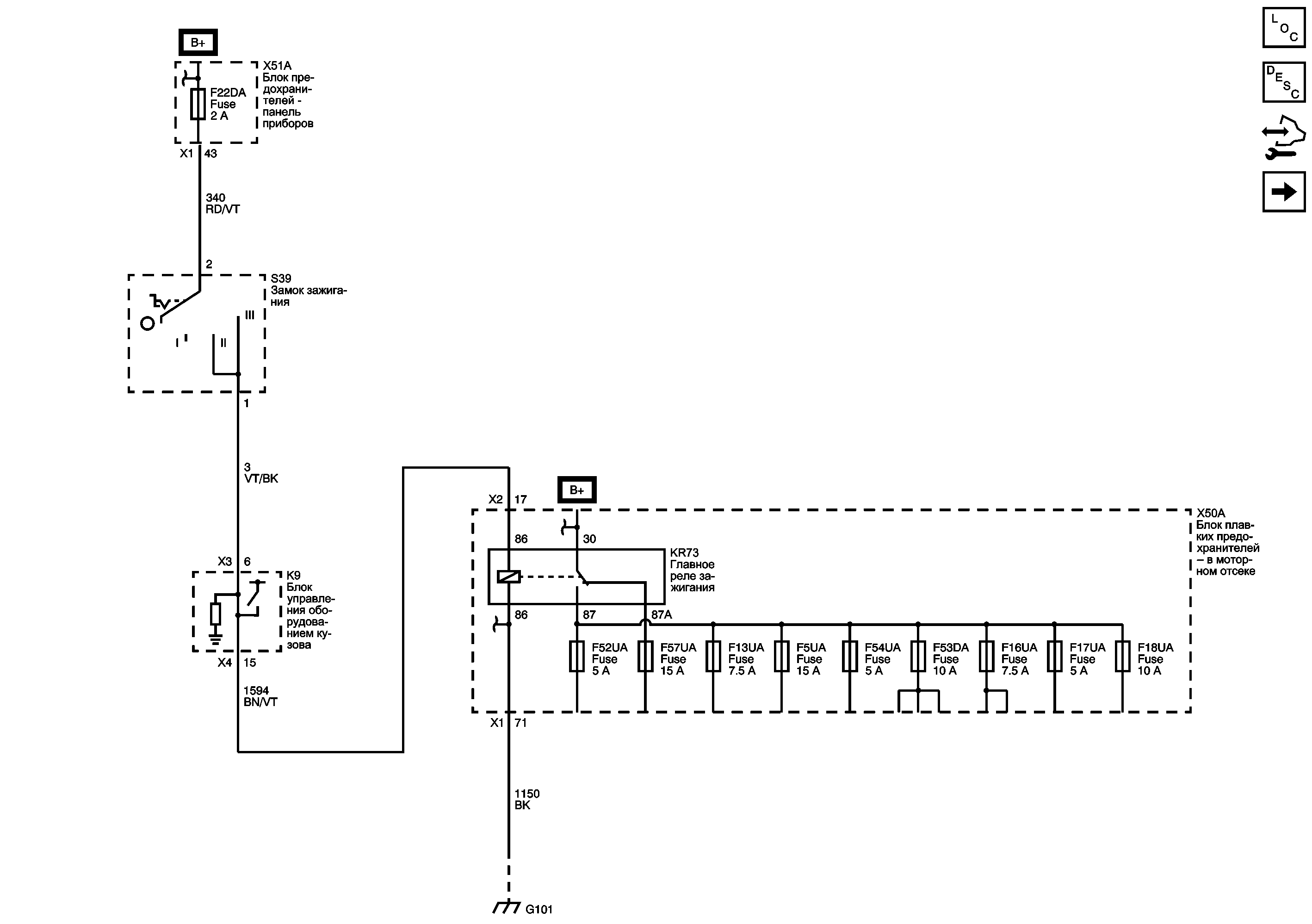
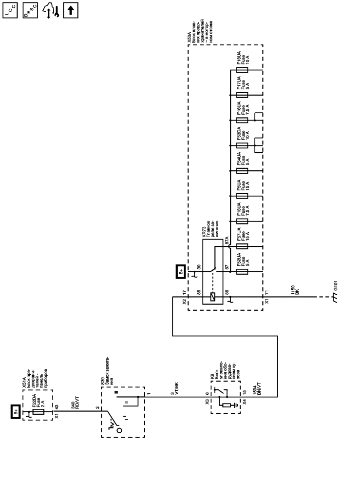
Реле вспомогательного источника питания
Предохранитель F22DA и выключатель зажигания (без ATH)
Предохранители F16UA, F17UA, F18UA, F52UA, F54UA и F57UA
Предохранители F5UA, F13UA и F53UA
Предохранители F16UA, F17UA, F18UA, F52UA, F54UA и F57UA
| © copyright chevrolet. All rights reserved |