To the top of the document
Orlando
   
GMDE Start Page Load static TOC Load dynamic TOC Help?

myj


          
            |                         |            
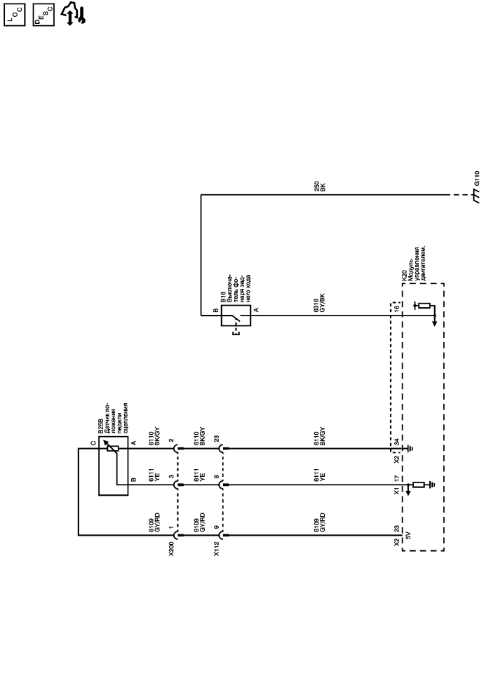
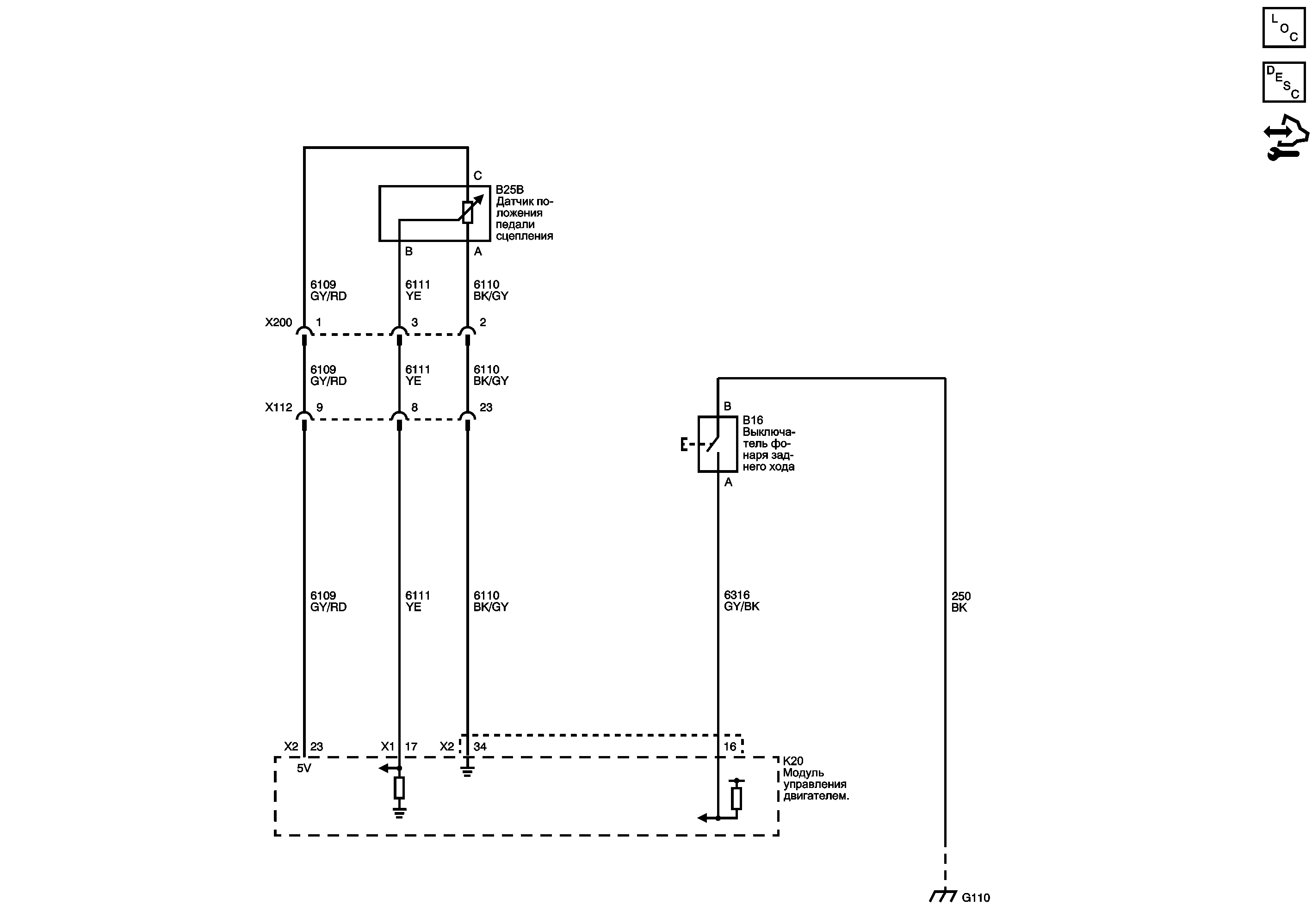
2565259RU.png

Display graphic

G110 (2H0) и G112

   


© copyright chevrolet. All rights reserved