To the top of the document
Orlando
   
GMDE Start Page Load static TOC Load dynamic TOC Help?

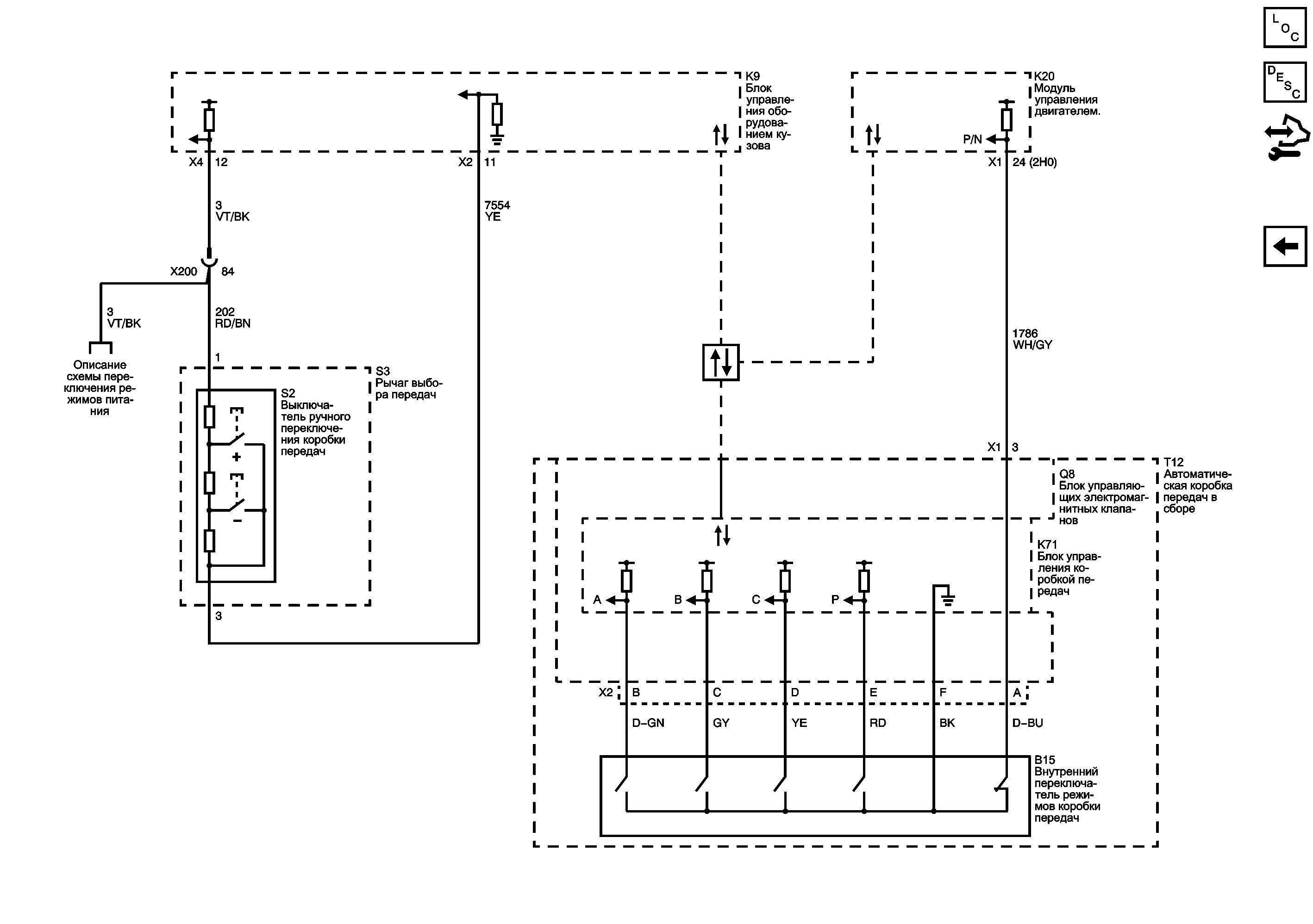
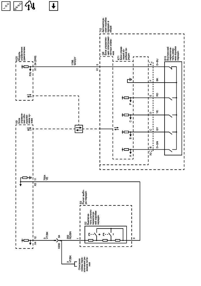
Внутренний переключатель режима и переключатель увеличения/уменьшения


          
            |                         |            
2565254RU.png

Display graphic

Датчики температуры рабочей жидкости и оборотов, средства управления положением клапана, давлением и переключением

Ignition Main Relay

   


© copyright chevrolet. All rights reserved