Cruze
   
GMDE Start Page Load static TOC Load dynamic TOC Help?
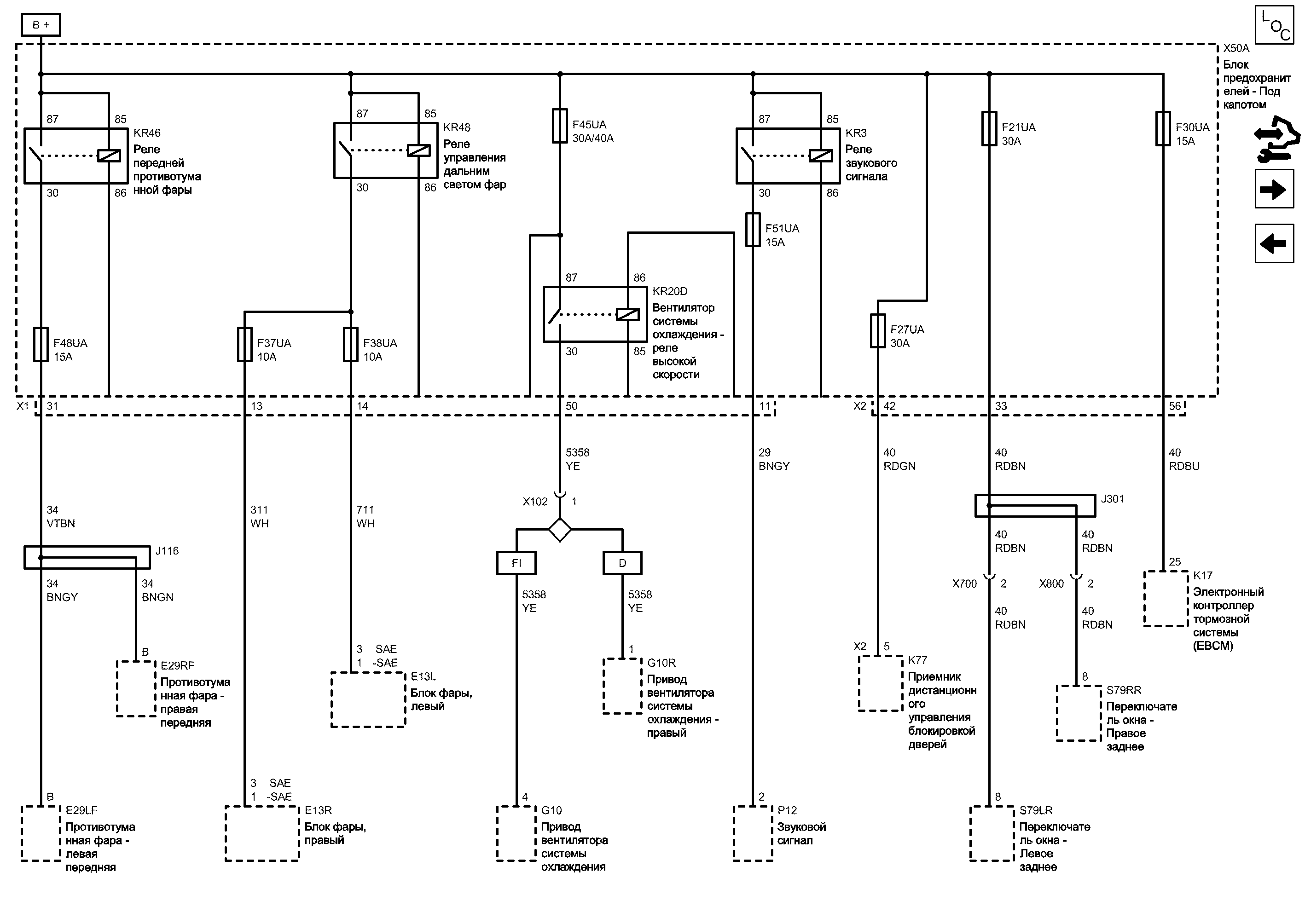
Предохранители f21ua, f27ua, f30ua, f37ua, f38ua, f45ua, f48ua и f51ua


            |                         |            
2203137RU.png


Display graphic

Display graphic

Компоненты
e13lБлок фары, левыйg10Привод вентилятора системы охлаждения
e13rБлок фары, правыйg10rПривод вентилятора системы охлаждения - правый
e29lfПротивотуманная фара - левая передняяk17Электронный контроллер тормозной системы (ЕВСМ)
e29rfПротивотуманная фара - правая передняяk77Приемник дистанционного управления блокировкой дверей
f21uaПредохранительkr3Реле звукового сигнала
f27uaПредохранительkr20dВентилятор системы охлаждения - реле высокой скорости
f30uaПредохранительkr46Реле передней противотуманной фары
f37uaПредохранительkr48Реле управления дальним светом фар
f38uaПредохранительp12Звуковой сигнал
f45uaПредохранительs79lrПереключатель окна - Левое заднее
f48uaПредохранительs79rrПереключатель окна - Правое заднее
f51uaПредохранительx50aБлок предохранителей - Под капотом
Разъемы
j116Жгут проводов передней части кузоваx50a (x2)Блок предохранителей - Под капотом x2
j301Жгут проводов кузоваx102Жгут проводов передней части кузова и жгут проводов системы охлаждения двигателя
k77 (x2)Приемник дистанционного управления блокировкой дверей x2x700Жгут проводов кузова и жгут проводов левой задней двери
x50a (x1)Блок предохранителей - Под капотом x1x800Жгут проводов кузова и жгут проводов правой задней двери
Сокращения
b +Напряжение аккумуляторной батареиsaeСТРАНЫ - СЕВЕРНАЯ АМЕРИКА
dДизель-saeСТРАНЫ - КРОМЕ СЕВЕРНОЙ АМЕРИКИ
fiБензин
Цветовые коды
bngnКоричневый-ЗеленыйrdgnКрасный-Зеленый
bngyКоричневый-СерыйvtbnФиолетовый-Коричневый
rdbnКрасный-КоричневыйwhБелый
rdbuКрасный-СинийyeЖелтый
85
87
86
30
F48UA Предохранитель
F45UA Предохранитель
85
87
30
86
F38UA Предохранитель
F37UA Предохранитель
86
87
30
85
F30UA Предохранитель
F27UA Предохранитель
F21UA Предохранитель
F51UA Предохранитель
87
85
30
86
31
13
14
X1 Блок предохранителей - Под капотом X1

Расположение деталей (узлов) Трехмерная схема жгутов
Внешний вид разъема и ремонт
Управление передними противотуманными фарами
VTBN Фиолетовый-Коричневый
J116 Жгут проводов передней части кузова
B
B
BNGY Коричневый-Серый
BNGN Коричневый-Зеленый
50
Бензин
YE Желтый
Дизель
YE Желтый
4
X102 Жгут проводов передней части кузова и жгут проводов системы охлаждения двиг...

Расположение деталей (узлов) Трехмерная схема жгутов
Внешний вид разъема и ремонт Вилка
Внешний вид разъема и ремонт Гнездо
1
1
11
Управление звуковым сигналом
BNGY Коричневый-Серый
2
42
5
Положительное напряжение аккумуляторной батареи
RDGN Красный-Зеленый
X2 Блок предохранителей - Под капотом X2

Внешний вид разъема и ремонт
X2 Приемник дистанционного управления блокировкой дверей X2

Расположение деталей (узлов) Трехмерная схема жгутов
Внешний вид разъема и ремонт
33
Положительное напряжение аккумуляторной батареи
RDBN Красный-Коричневый
8
J301 Жгут проводов кузова
RDBN Красный-Коричневый
X700 Жгут проводов кузова и жгут проводов левой задней двери

Расположение деталей (узлов) Трехмерная схема жгутов
Внешний вид разъема и ремонт Вилка
Внешний вид разъема и ремонт Гнездо
2
RDBN Красный-Коричневый
RDBN Красный-Коричневый
8
RDBN Красный-Коричневый
X800 Жгут проводов кузова и жгут проводов правой задней двери

Расположение деталей (узлов) Трехмерная схема жгутов
Внешний вид разъема и ремонт Вилка
Внешний вид разъема и ремонт Гнездо
2
25
Положительное напряжение аккумуляторной батареи
RDBU Красный-Синий
56
Напряжение аккумуляторной батареи
Управление дальним светом правой фары
WH Белый
Управление дальним светом левой фары
WH Белый
3 (СТРАНЫ - СЕВЕРНАЯ АМЕРИКА)
1 (СТРАНЫ - КРОМЕ СЕВЕРНОЙ АМЕРИКИ)
1 (СТРАНЫ - КРОМЕ СЕВЕРНОЙ АМЕРИКИ)
3 (СТРАНЫ - СЕВЕРНАЯ АМЕРИКА)
G10 Привод вентилятора системы охлаждения

Расположение деталей (узлов) Трехмерная схема жгутов ГАЗОВЫЙ ДВИГАТЕЛЬ, 4 ЦИЛ., 1.6 Л, MFI, DOHC, PT-JV, РАСПРЕДВАЛ С ИЗМЕНЯЕМЫМ ФАЗИРОВАНИЕМ, 82 кВт
Внешний вид разъема и ремонт БЕЗ ДИЗЕЛЬНОГО ДВИГАТЕЛЯ, 4 ЦИЛ., L4, 2.0 Л, CRI, SOHC, TURBO, 110 КВТ
Электрическая схема Охлаждение двигателя ГАЗОВЫЙ ДВИГАТЕЛЬ, 4 ЦИЛ., 1.6 Л, MFI, DOHC, 80 кВт (GMDAT) Контакт 4
Электрическая схема Охлаждение двигателя ДВИГАТЕЛЬ БЕНЗИНОВЫЙ, 4 ЦИЛ., 1.8 Л, MFI, 103 КВТ, DOHC ДВИГАТЕЛЬ БЕНЗИНОВЫЙ, 4 ЦИЛ., 1.6 Л, MFI, DOHC, PT-JV, РЕГУЛИРУЕМЫЕ ФАЗЫ РАСПРЕДВАЛОВ AFT, ДЕАКТИВИЗАЦИЯ ПОРТА ГАЗОВЫЙ ДВИГАТЕЛЬ, 4 ЦИЛ., 1.6 Л, MFI, DOHC, PT-JV, РАСПРЕДВАЛ С ИЗМЕНЯЕМЫМ ФАЗИРОВАНИЕМ, 82 кВт Контакт 4
KR46 Реле передней противотуманной фары

Электрическая схема Передние противотуманные фары Контакт 30
Электрическая схема Передние противотуманные фары Контакт 85
Электрическая схема Передние противотуманные фары Контакт 86
Электрическая схема Передние противотуманные фары Контакт 87
KR48 Реле управления дальним светом фар

Электрическая схема Фары Контакт 30
Электрическая схема Фары Контакт 85
Электрическая схема Фары Контакт 86
Электрическая схема Фары Контакт 87
KR20D Вентилятор системы охлаждения - реле высокой скорости

Электрическая схема Охлаждение двигателя ГАЗОВЫЙ ДВИГАТЕЛЬ, 4 ЦИЛ., 1.6 Л, MFI, DOHC, 80 кВт (GMDAT) Контакт 30
Электрическая схема Охлаждение двигателя ГАЗОВЫЙ ДВИГАТЕЛЬ, 4 ЦИЛ., 1.6 Л, MFI, DOHC, 80 кВт (GMDAT) Контакт 85
Электрическая схема Охлаждение двигателя ГАЗОВЫЙ ДВИГАТЕЛЬ, 4 ЦИЛ., 1.6 Л, MFI, DOHC, 80 кВт (GMDAT) Контакт 86
Электрическая схема Охлаждение двигателя ГАЗОВЫЙ ДВИГАТЕЛЬ, 4 ЦИЛ., 1.6 Л, MFI, DOHC, 80 кВт (GMDAT) Контакт 87
Электрическая схема Охлаждение двигателя ДИЗЕЛЬНЫЙ ДВИГАТЕЛЬ, 4 ЦИЛ., L4, 2.0 Л, CRI, SOHC, ТУРБО, 110 кВт Контакт 30
Электрическая схема Охлаждение двигателя ДИЗЕЛЬНЫЙ ДВИГАТЕЛЬ, 4 ЦИЛ., L4, 2.0 Л, CRI, SOHC, ТУРБО, 110 кВт Контакт 85
Электрическая схема Охлаждение двигателя ДИЗЕЛЬНЫЙ ДВИГАТЕЛЬ, 4 ЦИЛ., L4, 2.0 Л, CRI, SOHC, ТУРБО, 110 кВт Контакт 86
Электрическая схема Охлаждение двигателя ДИЗЕЛЬНЫЙ ДВИГАТЕЛЬ, 4 ЦИЛ., L4, 2.0 Л, CRI, SOHC, ТУРБО, 110 кВт Контакт 87
Электрическая схема Охлаждение двигателя ДВИГАТЕЛЬ БЕНЗИНОВЫЙ, 4 ЦИЛ., 1.8 Л, MFI, 103 КВТ, DOHC ДВИГАТЕЛЬ БЕНЗИНОВЫЙ, 4 ЦИЛ., 1.6 Л, MFI, DOHC, PT-JV, РЕГУЛИРУЕМЫЕ ФАЗЫ РАСПРЕДВАЛОВ AFT, ДЕАКТИВИЗАЦИЯ ПОРТА ГАЗОВЫЙ ДВИГАТЕЛЬ, 4 ЦИЛ., 1.6 Л, MFI, DOHC, PT-JV, РАСПРЕДВАЛ С ИЗМЕНЯЕМЫМ ФАЗИРОВАНИЕМ, 82 кВт Контакт 30
Электрическая схема Охлаждение двигателя ДВИГАТЕЛЬ БЕНЗИНОВЫЙ, 4 ЦИЛ., 1.8 Л, MFI, 103 КВТ, DOHC ДВИГАТЕЛЬ БЕНЗИНОВЫЙ, 4 ЦИЛ., 1.6 Л, MFI, DOHC, PT-JV, РЕГУЛИРУЕМЫЕ ФАЗЫ РАСПРЕДВАЛОВ AFT, ДЕАКТИВИЗАЦИЯ ПОРТА ГАЗОВЫЙ ДВИГАТЕЛЬ, 4 ЦИЛ., 1.6 Л, MFI, DOHC, PT-JV, РАСПРЕДВАЛ С ИЗМЕНЯЕМЫМ ФАЗИРОВАНИЕМ, 82 кВт Контакт 85
Электрическая схема Охлаждение двигателя ДВИГАТЕЛЬ БЕНЗИНОВЫЙ, 4 ЦИЛ., 1.8 Л, MFI, 103 КВТ, DOHC ДВИГАТЕЛЬ БЕНЗИНОВЫЙ, 4 ЦИЛ., 1.6 Л, MFI, DOHC, PT-JV, РЕГУЛИРУЕМЫЕ ФАЗЫ РАСПРЕДВАЛОВ AFT, ДЕАКТИВИЗАЦИЯ ПОРТА ГАЗОВЫЙ ДВИГАТЕЛЬ, 4 ЦИЛ., 1.6 Л, MFI, DOHC, PT-JV, РАСПРЕДВАЛ С ИЗМЕНЯЕМЫМ ФАЗИРОВАНИЕМ, 82 кВт Контакт 86
Электрическая схема Охлаждение двигателя ДВИГАТЕЛЬ БЕНЗИНОВЫЙ, 4 ЦИЛ., 1.8 Л, MFI, 103 КВТ, DOHC ДВИГАТЕЛЬ БЕНЗИНОВЫЙ, 4 ЦИЛ., 1.6 Л, MFI, DOHC, PT-JV, РЕГУЛИРУЕМЫЕ ФАЗЫ РАСПРЕДВАЛОВ AFT, ДЕАКТИВИЗАЦИЯ ПОРТА ГАЗОВЫЙ ДВИГАТЕЛЬ, 4 ЦИЛ., 1.6 Л, MFI, DOHC, PT-JV, РАСПРЕДВАЛ С ИЗМЕНЯЕМЫМ ФАЗИРОВАНИЕМ, 82 кВт Контакт 87
KR3 Реле звукового сигнала

Электрическая схема Звуковой сигнал Контакт 30
Электрическая схема Звуковой сигнал Контакт 85
Электрическая схема Звуковой сигнал Контакт 86
Электрическая схема Звуковой сигнал Контакт 87
E29LF Противотуманная фара - левая передняя

Расположение деталей (узлов) Трехмерная схема жгутов
Внешний вид разъема и ремонт ПРОТИВОТУМАННАЯ ФАРА
Электрическая схема Передние противотуманные фары Контакт B
X50A Блок предохранителей - Под капотом

Расположение деталей (узлов) Трехмерная схема жгутов
Электрическая схема Стеклоподъемники задних дверей СТЕКЛО С МЕХАНИЧЕСКИМ ПРИВОДОМ - ЗАДНИЕ ДВЕРИ - СРОЧНО ВНИЗ Контакт 33
Электрическая схема Фары Контакт 13
Электрическая схема Фары Контакт 14
Электрическая схема Звуковой сигнал Контакт 11
Электрическая схема Питание, масса и последовательные данные УПРАВЛЕНИЕ ЗАМКОМ ВХОДА, ДИСТАНЦИОННЫЙ ВХОД, РАСШИРЕННЫЙ ДИАПАЗОН, ПАССИВНЫЙ ВХОД Контакт 42
Электрическая схема Питание, масса и последовательные данные Контакт 56
Электрическая схема Передние противотуманные фары Контакт 31
Электрическая схема Охлаждение двигателя ГАЗОВЫЙ ДВИГАТЕЛЬ, 4 ЦИЛ., 1.6 Л, MFI, DOHC, 80 кВт (GMDAT) Контакт 50
Электрическая схема Охлаждение двигателя ДИЗЕЛЬНЫЙ ДВИГАТЕЛЬ, 4 ЦИЛ., L4, 2.0 Л, CRI, SOHC, ТУРБО, 110 кВт Контакт 50
Электрическая схема Охлаждение двигателя ДВИГАТЕЛЬ БЕНЗИНОВЫЙ, 4 ЦИЛ., 1.8 Л, MFI, 103 КВТ, DOHC ДВИГАТЕЛЬ БЕНЗИНОВЫЙ, 4 ЦИЛ., 1.6 Л, MFI, DOHC, PT-JV, РЕГУЛИРУЕМЫЕ ФАЗЫ РАСПРЕДВАЛОВ AFT, ДЕАКТИВИЗАЦИЯ ПОРТА ГАЗОВЫЙ ДВИГАТЕЛЬ, 4 ЦИЛ., 1.6 Л, MFI, DOHC, PT-JV, РАСПРЕДВАЛ С ИЗМЕНЯЕМЫМ ФАЗИРОВАНИЕМ, 82 кВт Контакт 50
E13R Блок фары, правый

Расположение деталей (узлов) Трехмерная схема жгутов БЕЗ КОЖАНОЙ ОТДЕЛКИ СИДЕНЬЯ (TBD1-GSV)(GMDAT)
Расположение деталей (узлов) Трехмерная схема жгутов ЕВРОПА
Внешний вид разъема и ремонт СТРАНЫ - СЕВЕРНАЯ АМЕРИКА
Внешний вид разъема и ремонт СТРАНЫ - КРОМЕ СЕВЕРНОЙ АМЕРИКИ
Электрическая схема Фары СТРАНЫ - СЕВЕРНАЯ АМЕРИКА Контакт 1
Электрическая схема Фары СТРАНЫ - СЕВЕРНАЯ АМЕРИКА Контакт 3
Электрическая схема Фары СТРАНЫ - КРОМЕ СЕВЕРНОЙ АМЕРИКИ Контакт 1
Электрическая схема Фары СТРАНЫ - КРОМЕ СЕВЕРНОЙ АМЕРИКИ Контакт 3
E13L Блок фары, левый

Расположение деталей (узлов) Трехмерная схема жгутов БЕЗ КОЖАНОЙ ОТДЕЛКИ СИДЕНЬЯ (TBD1-GSV)(GMDAT)
Расположение деталей (узлов) Трехмерная схема жгутов ЕВРОПА
Внешний вид разъема и ремонт СТРАНЫ - СЕВЕРНАЯ АМЕРИКА
Внешний вид разъема и ремонт СТРАНЫ - КРОМЕ СЕВЕРНОЙ АМЕРИКИ
Электрическая схема Фары СТРАНЫ - СЕВЕРНАЯ АМЕРИКА Контакт 1
Электрическая схема Фары СТРАНЫ - СЕВЕРНАЯ АМЕРИКА Контакт 3
Электрическая схема Фары СТРАНЫ - КРОМЕ СЕВЕРНОЙ АМЕРИКИ Контакт 1
Электрическая схема Фары СТРАНЫ - КРОМЕ СЕВЕРНОЙ АМЕРИКИ Контакт 3
G10R Привод вентилятора системы охлаждения - правый

Расположение деталей (узлов) Трехмерная схема жгутов ДИЗЕЛЬНЫЙ ДВИГАТЕЛЬ, 4 ЦИЛ., L4, 2.0 Л, CRI, SOHC, ТУРБО, 110 кВт
Электрическая схема Охлаждение двигателя ДИЗЕЛЬНЫЙ ДВИГАТЕЛЬ, 4 ЦИЛ., L4, 2.0 Л, CRI, SOHC, ТУРБО, 110 кВт Контакт 1
P12 Звуковой сигнал

Расположение деталей (узлов) Трехмерная схема жгутов
Электрическая схема Звуковой сигнал Контакт 2
K77 Приемник дистанционного управления блокировкой дверей

Расположение деталей (узлов) Трехмерная схема жгутов
Электрическая схема Питание, масса и последовательные данные УПРАВЛЕНИЕ ЗАМКОМ ВХОДА, ДИСТАНЦИОННЫЙ ВХОД, РАСШИРЕННЫЙ ДИАПАЗОН, ПАССИВНЫЙ ВХОД Контакт 5
S79LR Переключатель окна - Левое заднее

Расположение деталей (узлов) Трехмерная схема жгутов
Внешний вид разъема и ремонт
Электрическая схема Стеклоподъемники задних дверей СТЕКЛО С МЕХАНИЧЕСКИМ ПРИВОДОМ - ЗАДНИЕ ДВЕРИ - СРОЧНО ВНИЗ Контакт 8
S79RR Переключатель окна - Правое заднее

Расположение деталей (узлов) Трехмерная схема жгутов
Внешний вид разъема и ремонт
Электрическая схема Стеклоподъемники задних дверей СТЕКЛО С МЕХАНИЧЕСКИМ ПРИВОДОМ - ЗАДНИЕ ДВЕРИ - СРОЧНО ВНИЗ Контакт 8
K17 Электронный контроллер тормозной системы (ЕВСМ)

Расположение деталей (узлов) Трехмерная схема жгутов
Внешний вид разъема и ремонт
Электрическая схема Питание, масса и последовательные данные Контакт 25
E29RF Противотуманная фара - правая передняя

Внешний вид разъема и ремонт ПРОТИВОТУМАННАЯ ФАРА
Электрическая схема Передние противотуманные фары Контакт B
Управление двигателем - вентилятор системы охлаждения (3)
YE Желтый
Предохранители F42UA и F46UA

Предохранители F42UA и F46UA
Справочные данные по контроллерам

Справочные данные по контроллерам
Предохранители F1UA, F2UA, F6UA, F26UA, F31UA, F33UA, F34UA, F64UA и F67UA

Предохранители F1UA, F2UA, F6UA, F26UA, F31UA, F33UA, F34UA, F64UA и F67UA
Перечень основных электрических компонентов

Перечень основных электрических компонентов
   


https://vnx.su/ 🛠 Руководства по ремонту и эксплуатации для автомобилей

Поиск по сайту

Остались вопросы или пожелания? Пишите на почту: support@vnx.su

Карта Сайта