Cruze
   
GMDE Start Page Load static TOC Load dynamic TOC Help?
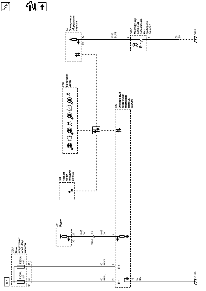
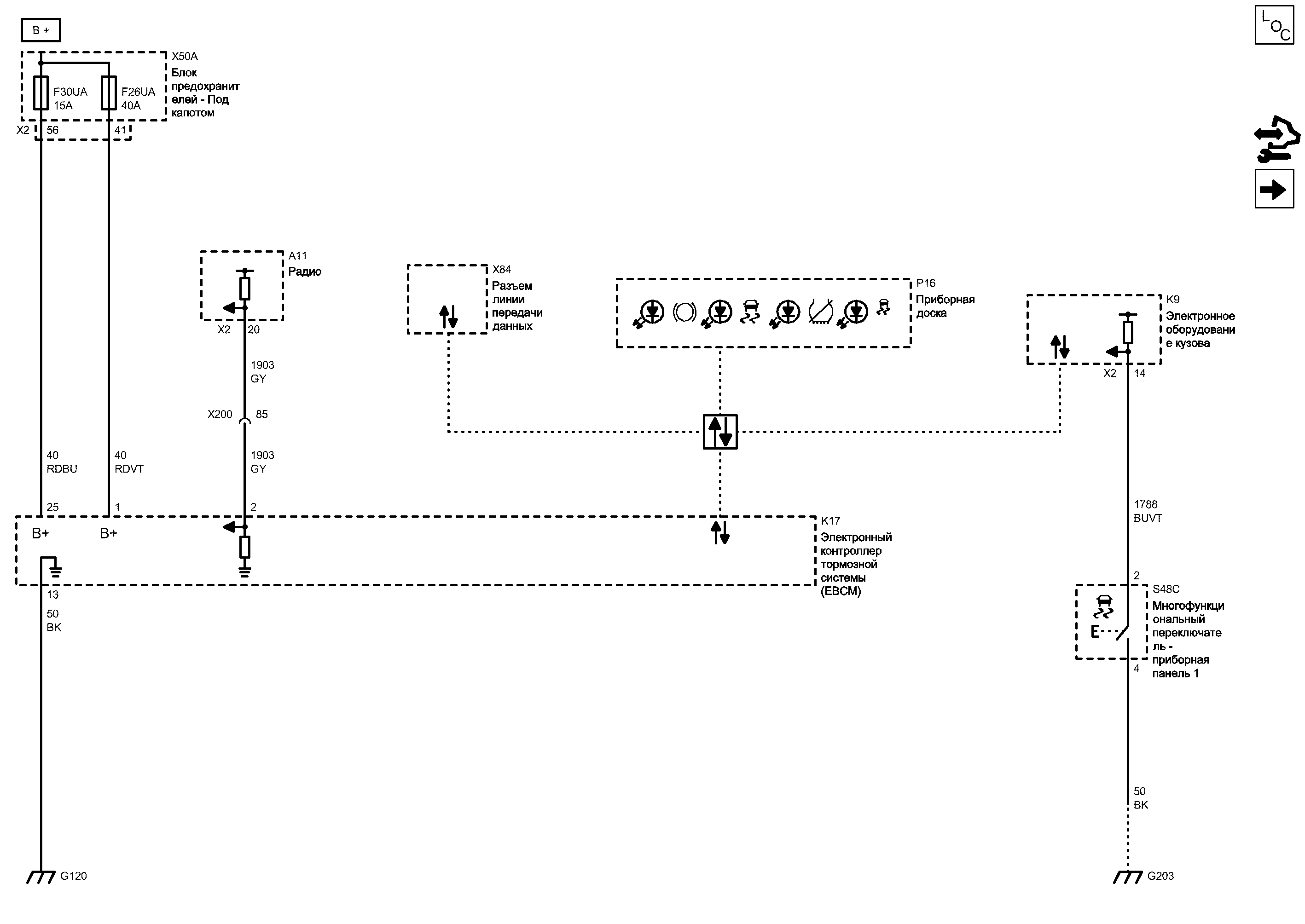
Питание, масса и последовательные данные


            |                         |            
2202857RU.png


Display graphic

Display graphic

Компоненты
a11Радиоp16Приборная доска
f26uaПредохранительs48cМногофункциональный переключатель - приборная панель 1
f30uaПредохранительx50aБлок предохранителей - Под капотом
k9Электронное оборудование кузоваx84Разъем линии передачи данных
k17Электронный контроллер тормозной системы (ЕВСМ)
Разъемы
a11 (x2)Радио x2x50a (x2)Блок предохранителей - Под капотом x2
k9 (x2)Электронное оборудование кузова x2x200Жгут проводов кузова и жгут проводов панели приборов
Точки соединения с массой
g120Моторный отсек - Передняя часть, слеваg203Поперечина, панель приборов - позади аудиосистемы
Сокращения
b +Напряжение аккумуляторной батареиfsdcФункциональный обмен последовательными данными
Цветовые коды
bkЧерныйrdbuКрасный-Синий
buvtСиний-ФиолетовыйrdvtКрасный-Фиолетовый
gyСерый
1
25
13
2
G120 Моторный отсек - Передняя часть, слева

Электрическая схема G120 и G307
F30UA Предохранитель

Электрическая схема Дерево Предохранители F21UA, F27UA, F30UA, F37UA, F38UA, F45UA, F48UA и F51UA
Электрическая схема Питание Шина B+ UEC (4 из 6)
F26UA Предохранитель

Электрическая схема Дерево Предохранители F1UA, F2UA, F6UA, F26UA, F31UA, F33UA, F34UA, F64UA и F67UA
Электрическая схема Питание Шина B+ UEC (5 из 6)
Положительное напряжение аккумуляторной батареи
RDVT Красный-Фиолетовый
Положительное напряжение аккумуляторной батареи
RDBU Красный-Синий
Масса
BK Черный
Сигнал от левого переднего датчика скорости вращения колеса AAS
GY Серый
41
X2 Блок предохранителей - Под капотом X2

Внешний вид разъема и ремонт
56
X200 Жгут проводов кузова и жгут проводов панели приборов

Расположение деталей (узлов) Трехмерная схема жгутов
Внешний вид разъема и ремонт Вилка
Внешний вид разъема и ремонт Гнездо
85
GY Серый
20
Слабый опорный сигнал
Напряжение аккумуляторной батареи
B+ (положительное напряжение аккумуляторной батареи)
B+ (положительное напряжение аккумуляторной батареи)
Последовательные данные
A11 Радио

Расположение деталей (узлов) Трехмерная схема жгутов
X50A Блок предохранителей - Под капотом

Расположение деталей (узлов) Трехмерная схема жгутов
X84 Разъем линии передачи данных

Расположение деталей (узлов) Трехмерная схема жгутов
Расположение деталей (узлов) Трехмерная схема жгутов Левостороннее управление
Внешний вид разъема и ремонт
K17 Электронный контроллер тормозной системы (ЕВСМ)

Расположение деталей (узлов) Трехмерная схема жгутов
Внешний вид разъема и ремонт
X2 Радио X2

Внешний вид разъема и ремонт
Сигнал
Сигнал
Функциональный обмен последовательными данными
P16 Приборная доска
K9 Электронное оборудование кузова

Расположение деталей (узлов) Трехмерная схема жгутов
14
X2 Электронное оборудование кузова X2

Расположение деталей (узлов) Трехмерная схема жгутов
Сигнал
Последовательные данные
G203 Поперечина, панель приборов - позади аудиосистемы

Расположение деталей (узлов) Трехмерная схема жгутов
Внешний вид разъема и ремонт
Электрическая схема G203
Масса
BK Черный
S48C Многофункциональный переключатель - приборная панель 1

Расположение деталей (узлов) Трехмерная схема жгутов
4
2
Сигнал выключателя регулировки тягового усилия (1)
BUVT Синий-Фиолетовый
Последовательные данные
Справочные данные по контроллерам

Справочные данные по контроллерам
Датчики скорости вращения колес

Датчики скорости вращения колес
Перечень основных электрических компонентов

Перечень основных электрических компонентов
   


https://vnx.su/ 🛠 Руководства по ремонту и эксплуатации для автомобилей

Поиск по сайту

Остались вопросы или пожелания? Пишите на почту: support@vnx.su

Карта Сайта