Cruze
   
GMDE Start Page Load static TOC Load dynamic TOC Help?
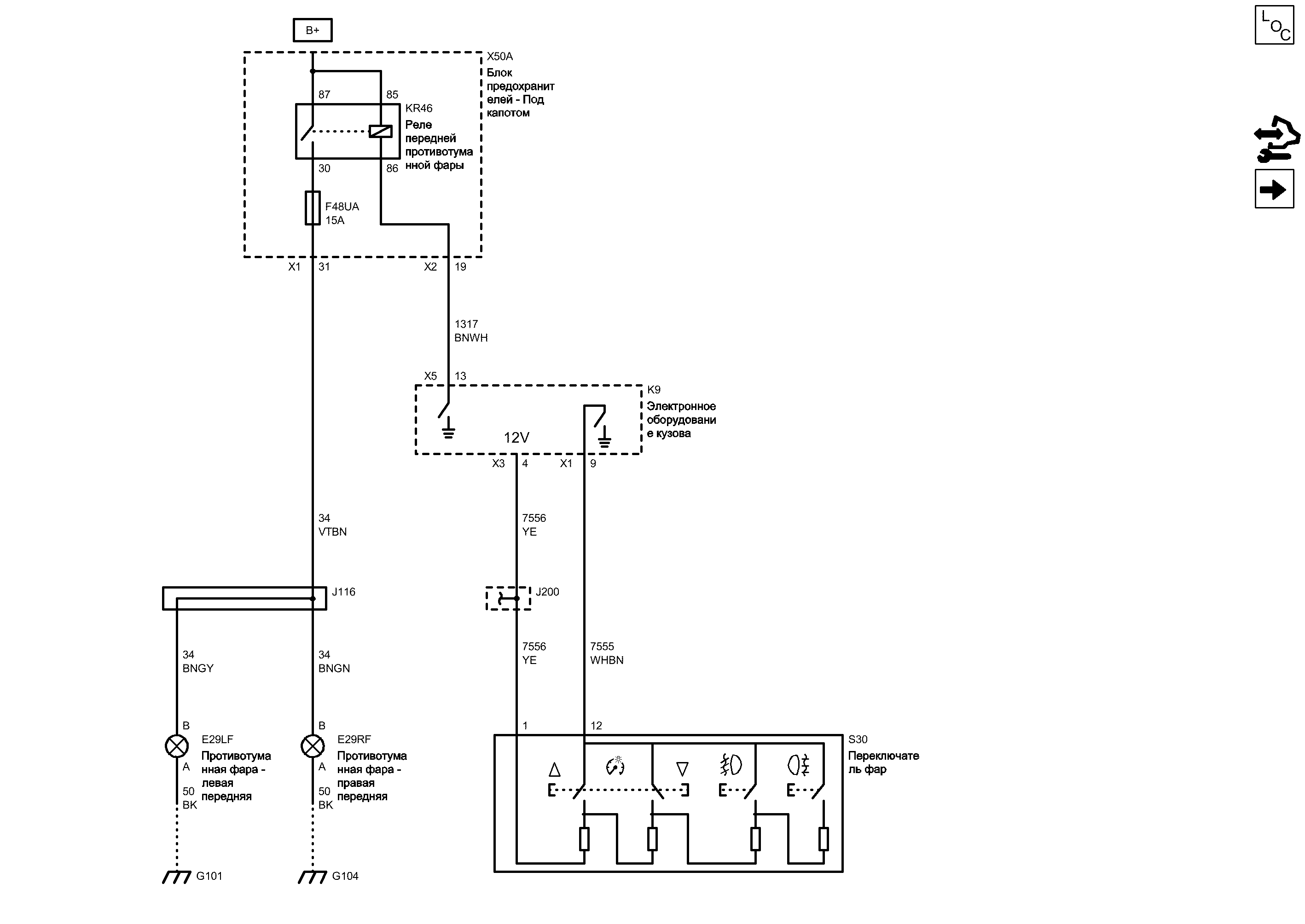
Передние противотуманные фары


            |                         |            
2202811RU.png


Display graphic

Display graphic

Компоненты
e29lfПротивотуманная фара - левая передняяkr46Реле передней противотуманной фары
e29rfПротивотуманная фара - правая передняяs30Переключатель фар
f48uaПредохранительx50aБлок предохранителей - Под капотом
k9Электронное оборудование кузова
Разъемы
j116Жгут проводов передней части кузоваk9 (x5)Электронное оборудование кузова x5
j200Жгут проводов панели приборовx50a (x1)Блок предохранителей - Под капотом x1
k9 (x1)Электронное оборудование кузова x1x50a (x2)Блок предохранителей - Под капотом x2
k9 (x3)Электронное оборудование кузова x3
Точки соединения с массой
g101Моторный отсек - Передняя часть, слеваg104Моторный отсек - Передняя часть, справа
Сокращения
b+Вывод b+
Цветовые коды
bkЧерныйvtbnФиолетовый-Коричневый
bngnКоричневый-ЗеленыйwhbnБелый-Коричневый
bngyКоричневый-СерыйyeЖелтый
bnwhКоричневый\Белый
B
A
G101 Моторный отсек - Передняя часть, слева

Расположение деталей (узлов) Трехмерная схема жгутов БЕЗ КОЖАНОЙ ОТДЕЛКИ СИДЕНЬЯ (TBD1-GSV)(GMDAT)
Расположение деталей (узлов) Трехмерная схема жгутов ЕВРОПА
Внешний вид разъема и ремонт
Электрическая схема G101
Масса
BK Черный
G104 Моторный отсек - Передняя часть, справа

Расположение деталей (узлов) Трехмерная схема жгутов БЕЗ КОЖАНОЙ ОТДЕЛКИ СИДЕНЬЯ (TBD1-GSV)(GMDAT)
Расположение деталей (узлов) Трехмерная схема жгутов ЕВРОПА
Внешний вид разъема и ремонт
Электрическая схема G104
A
Масса
BK Черный
B
Управление передними противотуманными фарами
BNGY Коричневый-Серый
BNGN Коричневый-Зеленый
31
X1 Блок предохранителей - Под капотом X1

Расположение деталей (узлов) Трехмерная схема жгутов
Внешний вид разъема и ремонт
F48UA Предохранитель

Электрическая схема Дерево Предохранители F21UA, F27UA, F30UA, F37UA, F38UA, F45UA, F48UA и F51UA
Электрическая схема Питание Шина B+ UEC (4 из 6)
Вывод B+
J116 Жгут проводов передней части кузова
VTBN Фиолетовый-Коричневый
19
X2 Блок предохранителей - Под капотом X2

Внешний вид разъема и ремонт
Релейное управление противотуманной фарой
BNWH Коричневый\Белый
13
X5 Электронное оборудование кузова X5

Расположение деталей (узлов) Трехмерная схема жгутов
4
X3 Электронное оборудование кузова X3

Расположение деталей (узлов) Трехмерная схема жгутов
Сигнал комбинированного переключателя освещения
WHBN Белый-Коричневый
X1 Электронное оборудование кузова X1

Расположение деталей (узлов) Трехмерная схема жгутов
9
J200 Жгут проводов панели приборов

Электрическая схема Задние противотуманные фонари
Опорный сигнал комбинированного переключателя освещения
YE Желтый
YE Желтый
86
30
87
85
Управление
K9 Электронное оборудование кузова

Расположение деталей (узлов) Трехмерная схема жгутов
KR46 Реле передней противотуманной фары
X50A Блок предохранителей - Под капотом

Расположение деталей (узлов) Трехмерная схема жгутов
Опорный сигнал 12 вольт
Управление
1
S30 Переключатель фар

Расположение деталей (узлов) Трехмерная схема жгутов Левостороннее управление
Внешний вид разъема и ремонт
12
E29RF Противотуманная фара - правая передняя

Внешний вид разъема и ремонт
Доступен вид только с одним разъемом
E29LF Противотуманная фара - левая передняя

Расположение деталей (узлов) Трехмерная схема жгутов
Внешний вид разъема и ремонт ПРОТИВОТУМАННАЯ ФАРА
Справочные данные по контроллерам

Справочные данные по контроллерам
Задние противотуманные фонари

Задние противотуманные фонари
Перечень основных электрических компонентов

Перечень основных электрических компонентов
   


https://vnx.su/ 🛠 Руководства по ремонту и эксплуатации для автомобилей

Поиск по сайту

Остались вопросы или пожелания? Пишите на почту: support@vnx.su

Карта Сайта