Cruze
   
GMDE Start Page Load static TOC Load dynamic TOC Help?
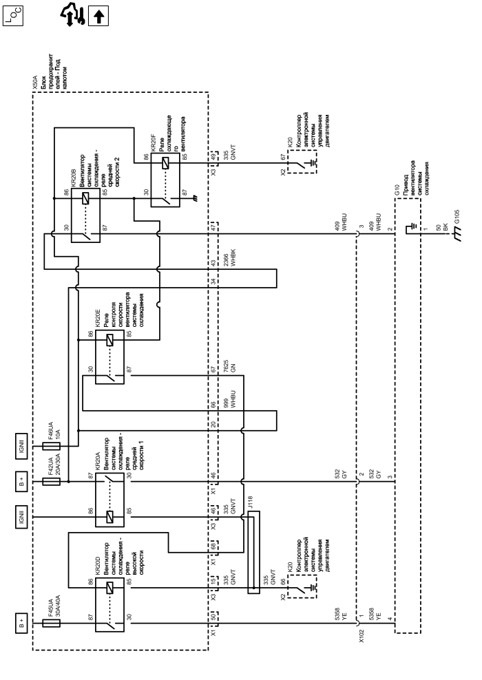
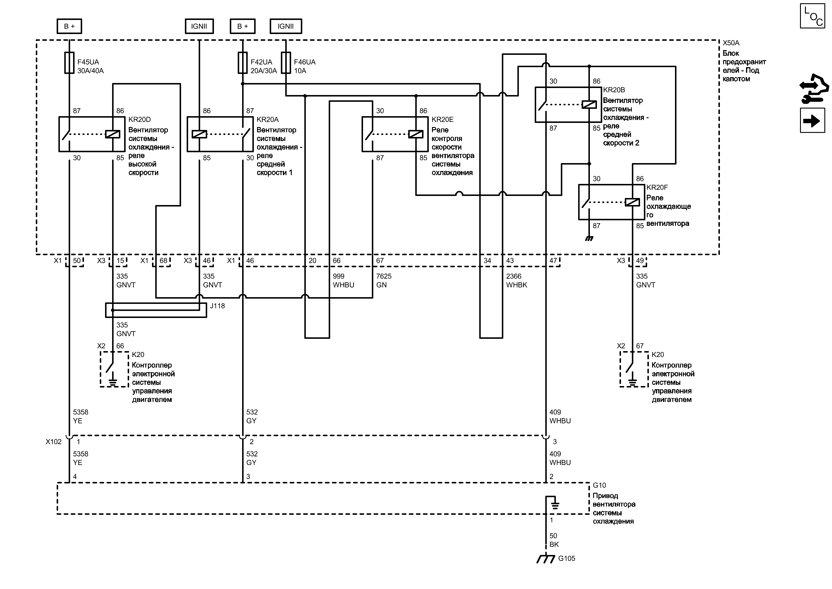
Охлаждение двигателя (ГАЗОВЫЙ ДВИГАТЕЛЬ, 4 ЦИЛ., 1.6 Л, MFI, DOHC, 80 кВт (GMDAT))


            |                         |            
2224092RU.png


Display graphic

Display graphic

Компоненты
f42uaПредохранительkr20bВентилятор системы охлаждения - реле средней скорости 2
f45uaПредохранительkr20dВентилятор системы охлаждения - реле высокой скорости
f46uaПредохранительkr20eРеле контроля скорости вентилятора системы охлаждения
g10Привод вентилятора системы охлажденияkr20fРеле охлаждающего вентилятора
k20Контроллер электронной системы управления двигателемx50aБлок предохранителей - Под капотом
kr20aВентилятор системы охлаждения - реле средней скорости 1
Разъемы
j118Жгут проводов двигателяx50a (x3)Блок предохранителей - Под капотом x3
k20 (x2)Контроллер электронной системы управления двигателем x2x102Жгут проводов передней части кузова и жгут проводов системы охлаждения двигателя
x50a (x1)Блок предохранителей - Под капотом x1
Точки соединения с массой
g105Моторный отсек - Передняя часть, слева
Сокращения
b +Напряжение аккумуляторной батареиigniiВыключатель зажигания - движение/запуск
Цветовые коды
bkЧерныйwhbkБелый-Черный
gnЗеленыйwhbuБелый-Синий
gnvtЗеленый-ФиолетовыйyeЖелтый
gyСерый
G105 Моторный отсек - Передняя часть, слева

Электрическая схема G103 и G105
87
85
30
86
3
4
1
2
Масса
BK Черный
3
X102 Жгут проводов передней части кузова и жгут проводов системы охлаждения двиг...

Расположение деталей (узлов) Трехмерная схема жгутов
Внешний вид разъема и ремонт Вилка
Внешний вид разъема и ремонт Гнездо
1
2
47
Управление двигателем - вентилятор системы охлаждения (2)
GY Серый
Управление двигателем - вентилятор системы охлаждения (3)
YE Желтый
Управление двигателем - вентилятор системы охлаждения (1)
WHBU Белый-Синий
46
X1 Блок предохранителей - Под капотом X1

Расположение деталей (узлов) Трехмерная схема жгутов
Внешний вид разъема и ремонт
50
X1 Блок предохранителей - Под капотом X1

Расположение деталей (узлов) Трехмерная схема жгутов
Внешний вид разъема и ремонт
43
34
Сигнал частоты вращения от реле управления вентилятором системы охлаждения
WHBK Белый-Черный
30
86
85
87
49
X3 Блок предохранителей - Под капотом X3

Внешний вид разъема и ремонт
Доступен вид только с одним разъемом
86
85
87
30
46
X3 Блок предохранителей - Под капотом X3

Внешний вид разъема и ремонт
Доступен вид только с одним разъемом
87
86
30
85
15
X1 Блок предохранителей - Под капотом X1

Расположение деталей (узлов) Трехмерная схема жгутов
Внешний вид разъема и ремонт
X3 Блок предохранителей - Под капотом X3

Внешний вид разъема и ремонт
Доступен вид только с одним разъемом
68
F45UA Предохранитель

Электрическая схема Дерево Предохранители F21UA, F27UA, F30UA, F37UA, F38UA, F45UA, F48UA и F51UA
Электрическая схема Питание Шина B+ UEC (4 из 6)
85
86
30
87
67
66
Напряжение питания вентилятора системы охлаждения (4)
GN Зеленый
66
Релейное управление вентилятором системы охлаждения с низкой частотой вращения
GNVT Зеленый-Фиолетовый
J118 Жгут проводов двигателя
GNVT Зеленый-Фиолетовый
GNVT Зеленый-Фиолетовый
-
WHBU Белый-Синий
67
Релейное управление вентилятором системы охлаждения с низкой частотой вращения
GNVT Зеленый-Фиолетовый
20
F46UA Предохранитель

Электрическая схема Дерево Предохранители F42UA и F46UA
Электрическая схема Питание Шина B+ UEC (3 из 6)
X2 Контроллер электронной системы управления двигателем X2

Расположение деталей (узлов) Трехмерная схема жгутов ГАЗОВЫЙ ДВИГАТЕЛЬ, 4 ЦИЛ., 1.6 Л, MFI, DOHC, 80 кВт (GMDAT)
Внешний вид разъема и ремонт ГАЗОВЫЙ ДВИГАТЕЛЬ, 4 ЦИЛ., 1.6 Л, MFI, DOHC, 80 кВт (GMDAT)
X2 Контроллер электронной системы управления двигателем X2

Расположение деталей (узлов) Трехмерная схема жгутов ГАЗОВЫЙ ДВИГАТЕЛЬ, 4 ЦИЛ., 1.6 Л, MFI, DOHC, 80 кВт (GMDAT)
Внешний вид разъема и ремонт ГАЗОВЫЙ ДВИГАТЕЛЬ, 4 ЦИЛ., 1.6 Л, MFI, DOHC, 80 кВт (GMDAT)
F42UA Предохранитель

Электрическая схема Дерево Предохранители F42UA и F46UA
Электрическая схема Питание Шина B+ UEC (3 из 6)
GY Серый (Левостороннее управление)
YE Желтый
WHBU Белый-Синий (Левостороннее управление)
Напряжение аккумуляторной батареи
Выключатель зажигания - движение/запуск
Выключатель зажигания - движение/запуск
Напряжение аккумуляторной батареи
Управление
Управление
K20 Контроллер электронной системы управления двигателем

Расположение деталей (узлов) Трехмерная схема жгутов ГАЗОВЫЙ ДВИГАТЕЛЬ, 4 ЦИЛ., 1.6 Л, MFI, DOHC, 80 кВт (GMDAT)
Имеется только одно место для компонента
K20 Контроллер электронной системы управления двигателем

Расположение деталей (узлов) Трехмерная схема жгутов ГАЗОВЫЙ ДВИГАТЕЛЬ, 4 ЦИЛ., 1.6 Л, MFI, DOHC, 80 кВт (GMDAT)
Имеется только одно место для компонента
KR20E Реле контроля скорости вентилятора системы охлаждения
KR20D Вентилятор системы охлаждения - реле высокой скорости
KR20A Вентилятор системы охлаждения - реле средней скорости 1
KR20F Реле охлаждающего вентилятора
X50A Блок предохранителей - Под капотом

Расположение деталей (узлов) Трехмерная схема жгутов
KR20B Вентилятор системы охлаждения - реле средней скорости 2
G10 Привод вентилятора системы охлаждения

Внешний вид разъема и ремонт
Доступен вид только с одним разъемом
Слабый опорный сигнал
Справочные данные по контроллерам

Справочные данные по контроллерам
Охлаждение двигателя

Охлаждение двигателя
Перечень основных электрических компонентов

Перечень основных электрических компонентов
   


https://vnx.su/ 🛠 Руководства по ремонту и эксплуатации для автомобилей

Поиск по сайту

Остались вопросы или пожелания? Пишите на почту: support@vnx.su

Карта Сайта