Cruze
   
GMDE Start Page Load static TOC Load dynamic TOC Help?
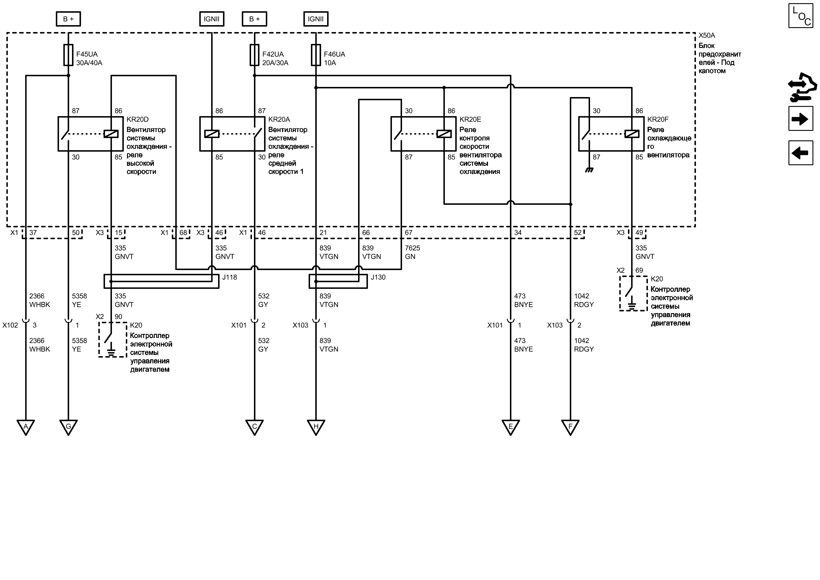
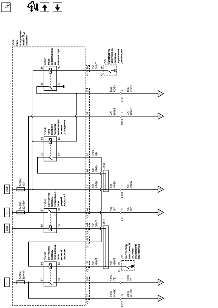
Охлаждение двигателя (ДИЗЕЛЬНЫЙ ДВИГАТЕЛЬ, 4 ЦИЛ., L4, 2.0 Л, CRI, SOHC, ТУРБО, 110 кВт) 1 от 2


            |                         |            
2202991RU.png


Display graphic

Display graphic

Компоненты
f42uaПредохранительkr20dВентилятор системы охлаждения - реле высокой скорости
f45uaПредохранительkr20eРеле контроля скорости вентилятора системы охлаждения
f46uaПредохранительkr20fРеле охлаждающего вентилятора
k20Контроллер электронной системы управления двигателемx50aБлок предохранителей - Под капотом
kr20aВентилятор системы охлаждения - реле средней скорости 1
Разъемы
j118Жгут проводов двигателяx50a (x3)Блок предохранителей - Под капотом x3
j130Жгут проводов передней части кузоваx101Жгут проводов передней части кузова и жгут проводов системы охлаждения двигателя
k20 (x2)Контроллер электронной системы управления двигателем x2x102Жгут проводов передней части кузова и жгут проводов системы охлаждения двигателя
x50a (x1)Блок предохранителей - Под капотом x1x103Жгут проводов передней части кузова и жгут проводов системы охлаждения двигателя
Сокращения
b +Напряжение аккумуляторной батареиigniiВыключатель зажигания - движение/запуск
Цветовые коды
bnyeКоричневый-ЖелтыйrdgyКрасный-Серый
gnЗеленыйvtgnФиолетовый-Зеленый
gnvtЗеленый-ФиолетовыйwhbkБелый-Черный
gyСерыйyeЖелтый
1
X101 Жгут проводов передней части кузова и жгут проводов системы охлаждения двиг...

Расположение деталей (узлов) Трехмерная схема жгутов
Внешний вид разъема и ремонт Вилка ДИЗЕЛЬНЫЙ ДВИГАТЕЛЬ, 4 ЦИЛ., L4, 2.0 Л, CRI, SOHC, ТУРБО, 110 кВт
2
Управление двигателем - вентилятор системы охлаждения (2)
GY Серый
Управление двигателем - вентилятор системы охлаждения (3)
YE Желтый
46
X1 Блок предохранителей - Под капотом X1

Расположение деталей (узлов) Трехмерная схема жгутов
Внешний вид разъема и ремонт
50
X1 Блок предохранителей - Под капотом X1

Расположение деталей (узлов) Трехмерная схема жгутов
Внешний вид разъема и ремонт
34
30
86
85
87
49
X3 Блок предохранителей - Под капотом X3

Внешний вид разъема и ремонт
Доступен вид только с одним разъемом
86
85
87
30
46
X3 Блок предохранителей - Под капотом X3

Внешний вид разъема и ремонт
Доступен вид только с одним разъемом
87
86
30
85
15
X1 Блок предохранителей - Под капотом X1

Расположение деталей (узлов) Трехмерная схема жгутов
Внешний вид разъема и ремонт
X3 Блок предохранителей - Под капотом X3

Внешний вид разъема и ремонт
Доступен вид только с одним разъемом
68
F45UA Предохранитель

Электрическая схема Дерево Предохранители F21UA, F27UA, F30UA, F37UA, F38UA, F45UA, F48UA и F51UA
Электрическая схема Питание Шина B+ UEC (4 из 6)
85
86
30
87
67
66
Напряжение питания вентилятора системы охлаждения (4)
GN Зеленый
90
J118 Жгут проводов двигателя
Релейное управление вентилятором системы охлаждения с низкой частотой вращения
GNVT Зеленый-Фиолетовый
69
Релейное управление вентилятором системы охлаждения с низкой частотой вращения
GNVT Зеленый-Фиолетовый
21
F46UA Предохранитель

Электрическая схема Дерево Предохранители F42UA и F46UA
Электрическая схема Питание Шина B+ UEC (3 из 6)
X2 Контроллер электронной системы управления двигателем X2

Расположение деталей (узлов) Трехмерная схема жгутов СТРАНА - КОРЕЯ ДИЗЕЛЬНЫЙ ДВИГАТЕЛЬ, 4 ЦИЛ., L4, 2.0 Л, CRI, SOHC, ТУРБО, 110 кВт
Внешний вид разъема и ремонт ДИЗЕЛЬНЫЙ ДВИГАТЕЛЬ, 4 ЦИЛ., L4, 2.0 Л, CRI, SOHC, ТУРБО, 110 кВт
X2 Контроллер электронной системы управления двигателем X2

Расположение деталей (узлов) Трехмерная схема жгутов СТРАНА - КОРЕЯ ДИЗЕЛЬНЫЙ ДВИГАТЕЛЬ, 4 ЦИЛ., L4, 2.0 Л, CRI, SOHC, ТУРБО, 110 кВт
Внешний вид разъема и ремонт ДИЗЕЛЬНЫЙ ДВИГАТЕЛЬ, 4 ЦИЛ., L4, 2.0 Л, CRI, SOHC, ТУРБО, 110 кВт
F42UA Предохранитель

Электрическая схема Дерево Предохранители F42UA и F46UA
Электрическая схема Питание Шина B+ UEC (3 из 6)
37
J130 Жгут проводов передней части кузова
Работа/запуск - Зажигание, напряжение 1
VTGN Фиолетовый-Зеленый
VTGN Фиолетовый-Зеленый
VTGN Фиолетовый-Зеленый
X103 Жгут проводов передней части кузова и жгут проводов системы охлаждения двиг...

Расположение деталей (узлов) Трехмерная схема жгутов
Внешний вид разъема и ремонт Вилка ДИЗЕЛЬНЫЙ ДВИГАТЕЛЬ, 4 ЦИЛ., L4, 2.0 Л, CRI, SOHC, ТУРБО, 110 кВт
1
X101 Жгут проводов передней части кузова и жгут проводов системы охлаждения двиг...

Расположение деталей (узлов) Трехмерная схема жгутов
Внешний вид разъема и ремонт Вилка ДИЗЕЛЬНЫЙ ДВИГАТЕЛЬ, 4 ЦИЛ., L4, 2.0 Л, CRI, SOHC, ТУРБО, 110 кВт
1
Релейное управление вентилятором системы охлаждения с высокой частотой вращения
BNYE Коричневый-Желтый
X102 Жгут проводов передней части кузова и жгут проводов системы охлаждения двиг...

Расположение деталей (узлов) Трехмерная схема жгутов
Внешний вид разъема и ремонт Вилка
Внешний вид разъема и ремонт Гнездо
3
Сигнал частоты вращения от реле управления вентилятором системы охлаждения
WHBK Белый-Черный
Напряжение аккумуляторной батареи
Выключатель зажигания - движение/запуск
Выключатель зажигания - движение/запуск
Напряжение аккумуляторной батареи
Управление
Управление
A

A
G

G
C

C
52
GY Серый
VTGN Фиолетовый-Зеленый
YE Желтый
WHBK Белый-Черный
H

H
BNYE Коричневый-Желтый
E

E
F

F
Положительное напряжение аккумуляторной батареи
RDGY Красный-Серый
X103 Жгут проводов передней части кузова и жгут проводов системы охлаждения двиг...

Расположение деталей (узлов) Трехмерная схема жгутов
Внешний вид разъема и ремонт Вилка ДИЗЕЛЬНЫЙ ДВИГАТЕЛЬ, 4 ЦИЛ., L4, 2.0 Л, CRI, SOHC, ТУРБО, 110 кВт
2
RDGY Красный-Серый
KR20D Вентилятор системы охлаждения - реле высокой скорости
KR20A Вентилятор системы охлаждения - реле средней скорости 1
KR20E Реле контроля скорости вентилятора системы охлаждения
KR20F Реле охлаждающего вентилятора
X50A Блок предохранителей - Под капотом

Расположение деталей (узлов) Трехмерная схема жгутов
K20 Контроллер электронной системы управления двигателем

Расположение деталей (узлов) Трехмерная схема жгутов СТРАНА - КОРЕЯ ДИЗЕЛЬНЫЙ ДВИГАТЕЛЬ, 4 ЦИЛ., L4, 2.0 Л, CRI, SOHC, ТУРБО, 110 кВт
Имеется только одно место для компонента
K20 Контроллер электронной системы управления двигателем

Расположение деталей (узлов) Трехмерная схема жгутов СТРАНА - КОРЕЯ ДИЗЕЛЬНЫЙ ДВИГАТЕЛЬ, 4 ЦИЛ., L4, 2.0 Л, CRI, SOHC, ТУРБО, 110 кВт
Имеется только одно место для компонента
GNVT Зеленый-Фиолетовый
GNVT Зеленый-Фиолетовый
Охлаждение двигателя

Охлаждение двигателя
Справочные данные по контроллерам

Справочные данные по контроллерам
Охлаждение двигателя

Охлаждение двигателя
Перечень основных электрических компонентов

Перечень основных электрических компонентов
   


https://vnx.su/ 🛠 Руководства по ремонту и эксплуатации для автомобилей

Поиск по сайту

Остались вопросы или пожелания? Пишите на почту: support@vnx.su

Карта Сайта