Cruze
   
GMDE Start Page Load static TOC Load dynamic TOC Help?
Охлаждение двигателя (ДИЗЕЛЬНЫЙ ДВИГАТЕЛЬ, 4 ЦИЛ., L4, 2.0 Л, CRI, SOHC, ТУРБО, 110 кВт) 2 от 2


            |                         |            
2202994RU.png


Display graphic

Display graphic

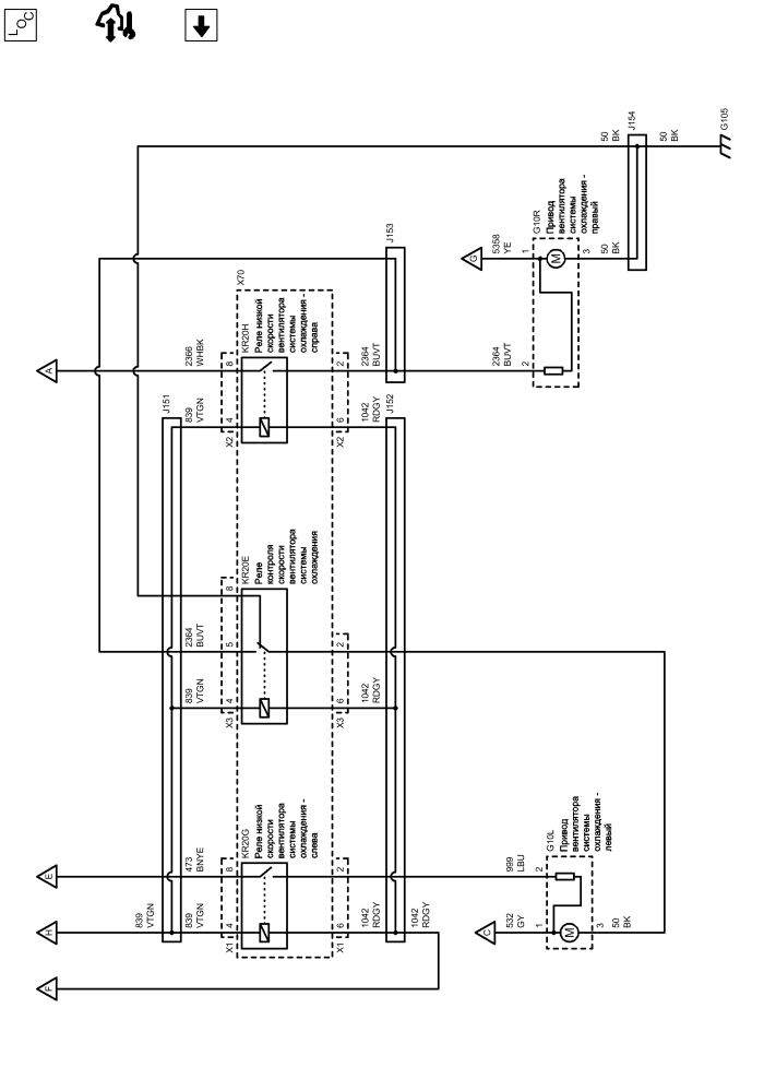
Компоненты
g10lПривод вентилятора системы охлаждения - левыйkr20gРеле низкой скорости вентилятора системы охлаждения - слева
g10rПривод вентилятора системы охлаждения - правыйkr20hРеле низкой скорости вентилятора системы охлаждения - справа
kr20eРеле контроля скорости вентилятора системы охлажденияx70Блок реле - Под капотом
Разъемы
j151Жгут проводов охлаждения двигателяx70 (x1)Блок реле - Под капотом x1
j152Жгут проводов охлаждения двигателяx70 (x2)Блок реле - Под капотом x2
j153Жгут проводов охлаждения двигателяx70 (x3)Блок реле - Под капотом x3
j154Жгут проводов охлаждения двигателя
Точки соединения с массой
g105Моторный отсек - Передняя часть, слева
Цветовые коды
bkЧерныйrdgyКрасный-Серый
bnyeКоричневый-ЖелтыйvtgnФиолетовый-Зеленый
buvtСиний-ФиолетовыйwhbkБелый-Черный
gyСерыйyeЖелтый
lbuСветло-синий
1
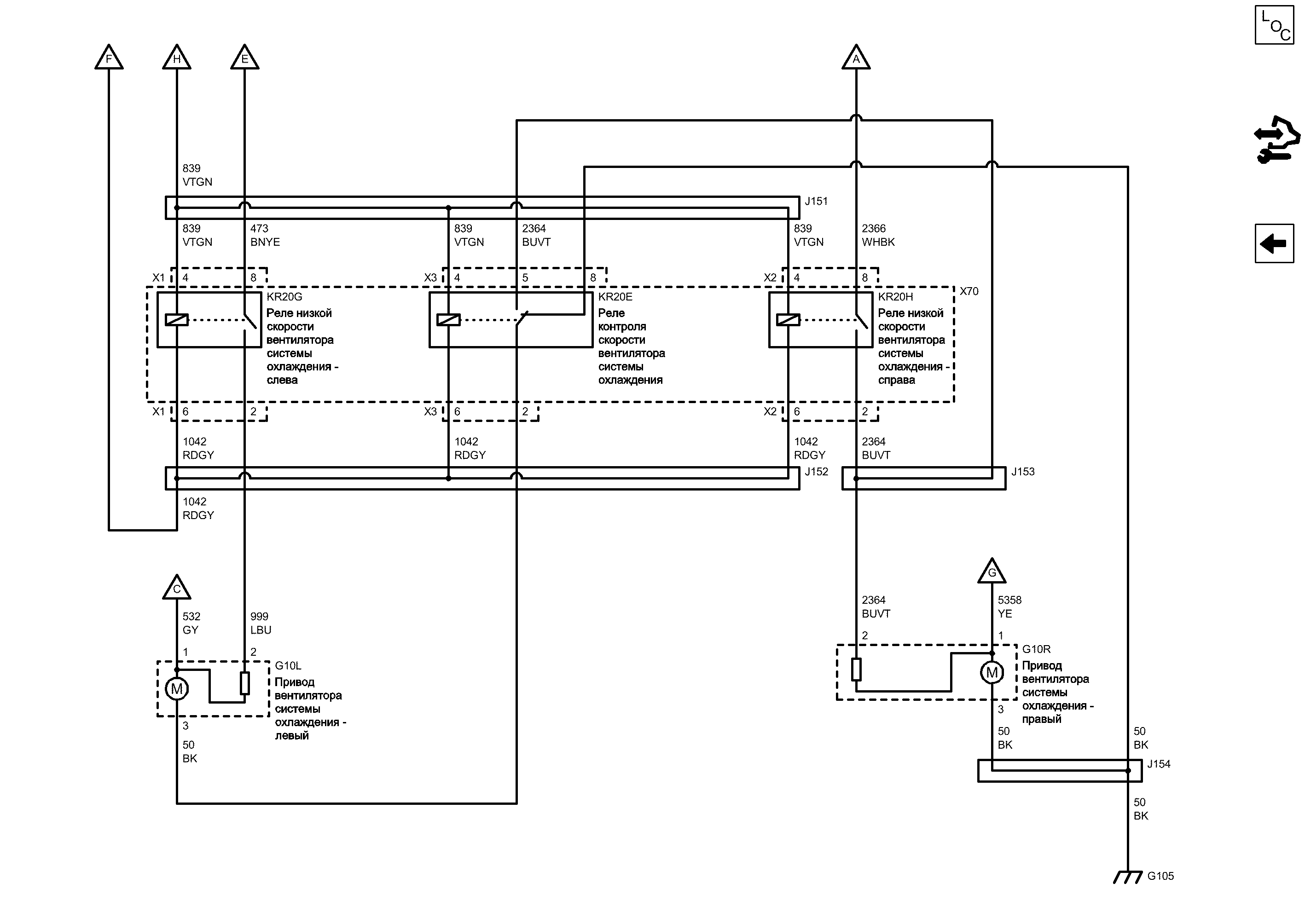
Управление двигателем - вентилятор системы охлаждения (3)
YE Желтый (Левостороннее управление)
Управление двигателем - вентилятор системы охлаждения (2)
GY Серый
2
3
Работа/запуск - Зажигание, напряжение 1
VTGN Фиолетовый-Зеленый
J151 Жгут проводов охлаждения двигателя
VTGN Фиолетовый-Зеленый
X70 Блок реле - Под капотом

Расположение деталей (узлов) Трехмерная схема жгутов ДИЗЕЛЬНЫЙ ДВИГАТЕЛЬ, 4 ЦИЛ., L4, 2.0 Л, CRI, SOHC, ТУРБО, 110 кВт
Имеется только одно место для компонента
4
X1 Блок реле - Под капотом X1
8
5
4
X3 Блок реле - Под капотом X3

Внешний вид разъема и ремонт
8
X2 Блок реле - Под капотом X2
8
4
2
6
X1 Блок реле - Под капотом X1
6
2
X3 Блок реле - Под капотом X3

Внешний вид разъема и ремонт
6
X2 Блок реле - Под капотом X2
2
VTGN Фиолетовый-Зеленый
VTGN Фиолетовый-Зеленый
3
2
1
Сигнал частоты вращения вентилятора системы охлаждения
BUVT Синий-Фиолетовый
J152 Жгут проводов охлаждения двигателя
Положительное напряжение аккумуляторной батареи
RDGY Красный-Серый
RDGY Красный-Серый
RDGY Красный-Серый
RDGY Красный-Серый
Релейное управление вентилятором системы охлаждения с высокой частотой вращения
BNYE Коричневый-Желтый
BUVT Синий-Фиолетовый
BUVT Синий-Фиолетовый
J153 Жгут проводов охлаждения двигателя
G105 Моторный отсек - Передняя часть, слева

Расположение деталей (узлов) Трехмерная схема жгутов ДИЗЕЛЬНЫЙ ДВИГАТЕЛЬ, 4 ЦИЛ., L4, 2.0 Л, CRI, SOHC, ТУРБО, 110 кВт
Электрическая схема G103 и G105
H

H
E

E
F

F
Сигнал частоты вращения от реле управления вентилятором системы охлаждения
WHBK Белый-Черный
A

A
G

G
-
LBU Светло-синий
C

C
Масса
BK Черный
KR20G Реле низкой скорости вентилятора системы охлаждения - слева
KR20E Реле контроля скорости вентилятора системы охлаждения
KR20H Реле низкой скорости вентилятора системы охлаждения - справа
G10L Привод вентилятора системы охлаждения - левый

Расположение деталей (узлов) Трехмерная схема жгутов ДИЗЕЛЬНЫЙ ДВИГАТЕЛЬ, 4 ЦИЛ., L4, 2.0 Л, CRI, SOHC, ТУРБО, 110 кВт
Имеется только одно место для компонента
G10R Привод вентилятора системы охлаждения - правый

Расположение деталей (узлов) Трехмерная схема жгутов ДИЗЕЛЬНЫЙ ДВИГАТЕЛЬ, 4 ЦИЛ., L4, 2.0 Л, CRI, SOHC, ТУРБО, 110 кВт
Имеется только одно место для компонента
Масса
BK Черный
J154 Жгут проводов охлаждения двигателя
BK Черный
BK Черный
Охлаждение двигателя

Охлаждение двигателя
Справочные данные по контроллерам

Справочные данные по контроллерам
Перечень основных электрических компонентов

Перечень основных электрических компонентов
   


https://vnx.su/ 🛠 Руководства по ремонту и эксплуатации для автомобилей

Поиск по сайту

Остались вопросы или пожелания? Пишите на почту: support@vnx.su

Карта Сайта