To the top of the document
Orlando
   
GMDE Start Page Load static TOC Load dynamic TOC Help?

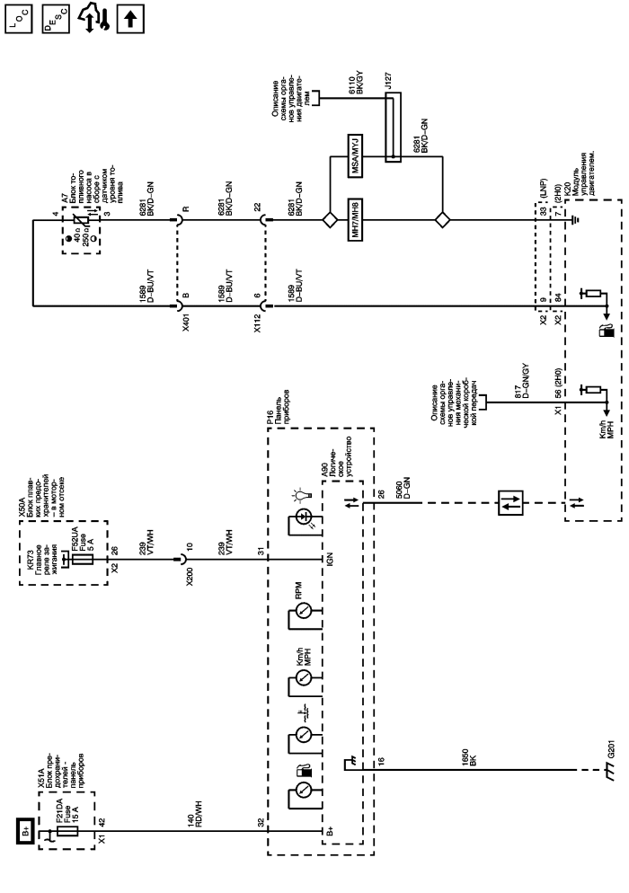
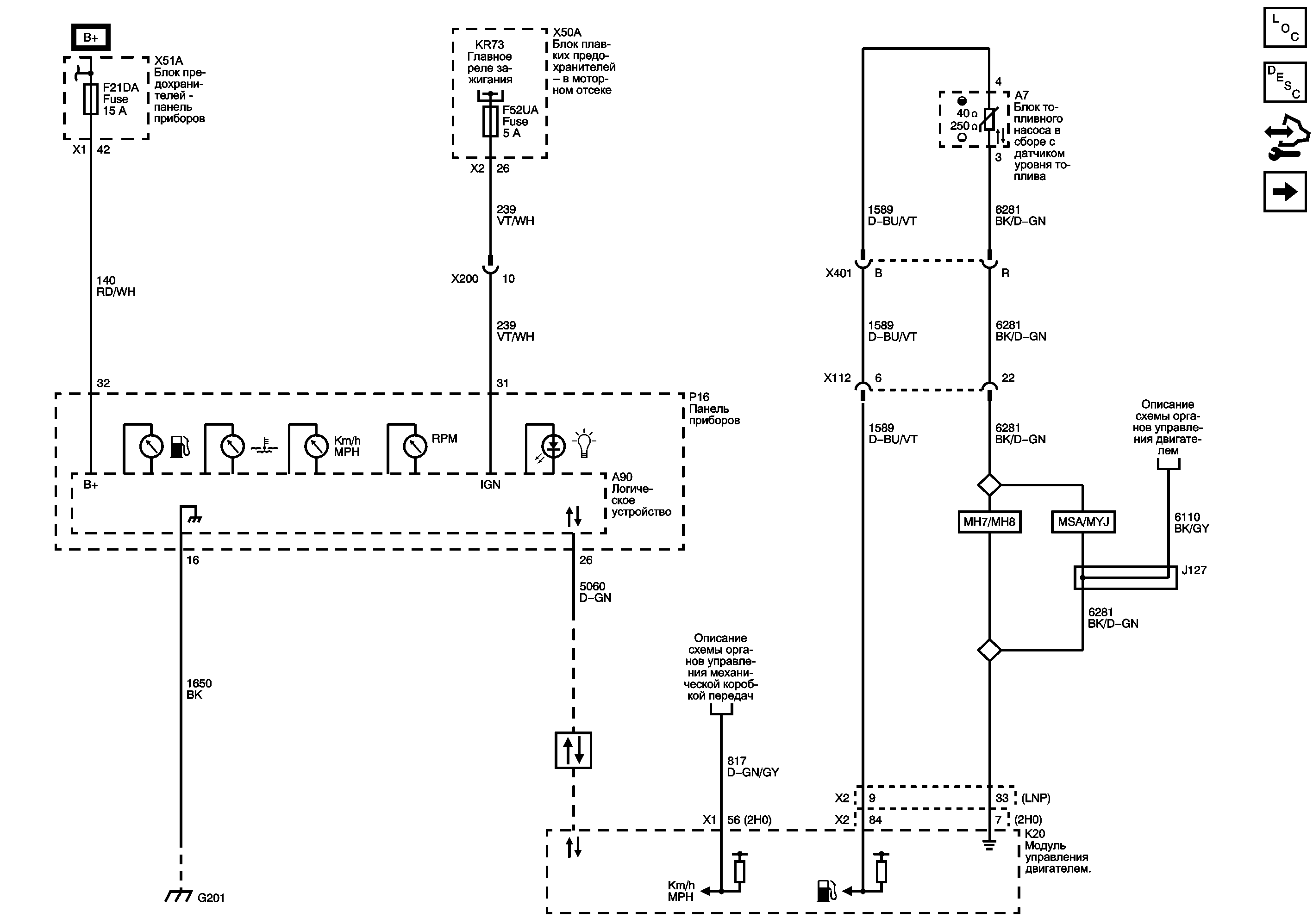
Питание, масса, последовательные данные и указательные приборы


          
            |                         |            
2564160RU.png

Display graphic

Индикаторы

Предохранители F14DA, F15DA, F17DA, F21DA, F23DA, F24DA и F25DA

Ignition Main Relay

Предохранители F16UA, F17UA, F18UA, F52UA, F54UA и F57UA

Шина 5 В и шина низкого опорного сигнала (2 из 2)

MSA

G120, G121, G122 и G201

   


© copyright chevrolet. All rights reserved