To the top of the document
Orlando
   
GMDE Start Page Load static TOC Load dynamic TOC Help?

msa


          
            |                         |            
2565257RU.png

Display graphic

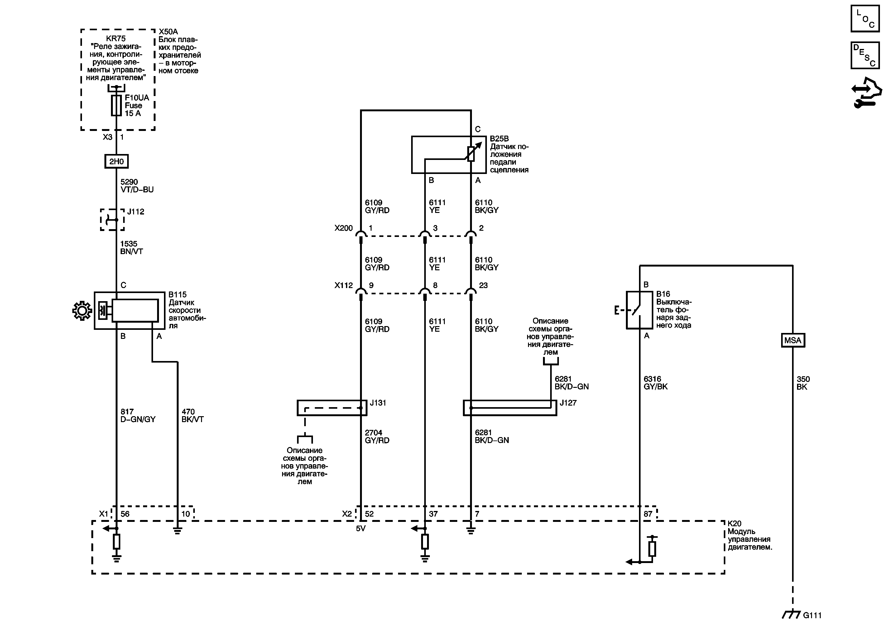
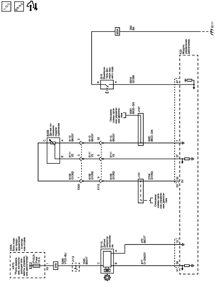
Ссылки на подсистемы

Предохранители F10UA и F11UA

Регуляторы топлива - Регуляторы системы улавливания паров бензина и датчик давления

Шина 5 В и шина низкого опорного сигнала (2 из 2)

G110 (2H0) и G112

   


© copyright chevrolet. All rights reserved